Напильники. Технические условия
Заменяет

Страница 1

Страница 2

Страница 3

Страница 4

Страница 5

Страница 6

Страница 7

Страница 8

Страница 9

Страница 10

Страница 11

Страница 12

Страница 13

Страница 14

Страница 15

Страница 16

Страница 17

Страница 18

Страница 19

Страница 20

Страница 21

Страница 22

Страница 23

Страница 24

Страница 25

Страница 26

Страница 27

Страница 28

Страница 29

Страница 30

Страница 31

Страница 32

Страница 33

Страница 34
ГОСУДАРСТВЕННЫЙ СТАНДАРТ СОЮЗА ССР
НАПИЛЬНИКИ
ТЕХНИЧЕСКИЕ УСЛОВИЯ
ГОСТ 1465-80 (СТ СЭВ 1297-78)
Издание официальное
ГОССТАНДАРТ РОССИИ М ос■■■
УДК 921 918.2:006.354 Группа Г24
ГОСУДАРСТВЕННЫЙ СТАНДАРТ СОЮЗА ССР
НАПИЛЬНИКИ
ГОСТ
Технические условия
1465-80
Files. Specifications (СТ СЭВ 1297—78)
ОКП 39 2910
Срок действия с 01.01.81 ■ части разд. 2 — с 01.01.84 до 0I.0I.9S
Настоящий стандарт распространяется на слесарные напильники общего назначения.
(Измененная редакция, Изм. Лк 3).
I. ТИПЫ
1.1. Напильники должны изготовляться типов:
1— плоские; 2 —квадратные; 3 —трехгранные; 4 —ромбические; 5 —ножовочные; 6 — полукруглые; 7 —круглые.
1.2. Напильники изготовляют следующих исполнений по твердости (сцепляемостью с контрольной пластинкой):
01-60 HRC,;
02-62 HRC,;
03-58 HRC».
{Измененная редакция, Изм. № 3).
2 Зак. 2524 I
С. 2 ГОСТ 1*85-80 2. ОСНОВНЫЕ ЭЛЕМЕНТЫ НАСЕЧЕК, НАРЕЗОК И РАЗМЕРЫ НАПИЛЬНИКОВ 2.1. Напильники должны иметь перекрестную (двойную) насечку, основную —под углом 65°, вспомогательную — под углом 45° к оси напильника. Расположение основной и вспомогательной насечек зубьев напильников должно соответствовать указанному па черт. 1, хОс-эВ—в» яасвччо I/•врана I 65« ф У’Ослвшмюгяшвя нопмю /марина/ Черт. I У (Измененная редакция, Изи. № 3). 22. Узкие стороны ножовочных н одна из уз,ких сторон плоских напильников должны иметь одинарную насечку под углом 65°. Количество насечек узких сторон должно быть равным количеству основных насечек широких сторон. Большая узкая сторона ножовочных напильников насекается только на параллельном участке. 2.3. Круглые напилыннкн и .полукруглая сторона полукруглых напильников могут изготовляться с насеченным или нарезанным зубом, а остальные типы — с насеченным зубом. Круглые напильники могут иметь спиральную одинарную насечку с углом наклона (70±5) °. Круглые напильники н полукруглая сторона полукруглых напильников могут иметь одинарную насечку номеров 3, 4 и 5. Напильинки с нарезанным зубом должны иметь перекрестную нарезку: основную под углом 70°; вопомогателыную под углом 70°. {Измененная редакция, Изм. ЛЬ 4). 2.4. Напильники должны изготовляться: шести номеров насечек — 0; 1;2; 3; 4; 5; четырех номеров нарезок — 0; 1; 2; 3. 2.5. Количество основных насечек или нарезок на 10 мм длины должно соответствовать табл. 1. (Измененная редакция, Изм. Л 2). 2.6. Количество вспомогательных насечек или нарезок на 10 мм длины в зависимости от количества основных насечек или нарезок должно соответствовать указанному в табл. 2. 2.7. Размеры напильников должны соответствовать черт. 2—10 и табл. 3—11:
ГОСТ 1465—80 С. 3
|
Таблица I |
||||||||||||||||||||||||||||||||||||||||||||||||||||||||||||
|
||||||||||||||||||||||||||||||||||||||||||||||||||||||||||||
(Измененная редакция, Изм. № 4).
|
Таблица 2 |
||||||||||||||||||||||||||||
|
||||||||||||||||||||||||||||
|
Плоские тупоносые напильиюси |
• Размер дли справок
Примечание к черт. 2—6. Дояуоиется выполнять хвостовики ааокдь-икков с симметричным сечением любой формы, кроме круглой.
1
С. 4 ГОСТ 1405-80
Таблица 3
Размеры, мы
|
Обоим*! мне |
Л & И хт ь. а |
L |
L, |
6 |
h |
Л. |
1 |
К а« более |
в |
§! |
|
|
2820-0001 |
1 |
||||||||||
|
2620-0002 |
3,0; 2,5* |
2 |
|||||||||
|
2820-0003 |
100 |
140 |
12,0 |
2,0 |
40 |
?Л |
2,0 |
3 |
|||
|
2820-0004 |
4 |
||||||||||
|
2820-0005 |
15 |
5 |
|||||||||
|
2820-0011 |
1 |
||||||||||
|
2820-0012 |
2 |
||||||||||
|
2820-0013 |
150 |
200 |
16,0 |
4,0 |
3,0 |
50 |
50 |
2,5 |
3 |
||
|
2820-0014 |
4 |
||||||||||
|
2820-0015 |
5 |
||||||||||
|
2820-0016 |
1 |
||||||||||
|
2820-0017 |
21,0; 20,0* |
2 |
|||||||||
|
2820-0018 |
200 |
255 |
5,0 |
3,5 |
55 |
66 |
3 |
||||
|
2820 0019 |
4 |
||||||||||
|
2820-0020 |
20 |
3,0 |
5 |
||||||||
|
2820 0021 |
1 |
||||||||||
|
2820-0022 |
6,5; 6,0* |
2 |
|||||||||
|
2820-0023 |
230 |
310 |
25,0 |
4,5 |
60 |
84 |
3 |
||||
|
2820-0024 |
4 |
||||||||||
|
2820-0025 |
5 |
||||||||||
|
2820 0026 |
.1 |
||||||||||
|
2820-0027 |
7.0; 6.5- |
2 |
|||||||||
|
2820-0028 |
300 |
370 |
30,0 |
5.5 |
70 |
100 |
3 |
||||
|
2820-0029 |
25 |
3.5 |
4 |
||||||||
|
2820 0030 |
5 |
||||||||||
|
2820-0031 |
350 |
430 |
36.0 |
7,5 |
6,5 |
80 |
116 |
0 |
|||
|
, 2820-0032 |
1 |
ГОСТ 14*5-80 С. S
Размеры, мм
|
Продолжение табл. $ |
||||||||||||||||||||||||||||||||||||||||||||||||||||||||||||||||||||||||||||||||||||||||
|
||||||||||||||||||||||||||||||||||||||||||||||||||||||||||||||||||||||||||||||||||||||||
|
Примечание к табл. 3 я 4. Змачевмя, отмечевные знаком*, действуют с 01.01.90. |
Пример условного обозначения плоского тупоносо-го напильника с длиной рабочей части £=300 им, с насечкой № It
Напильник 2820-0026 ГОСТ N65-80
|
Плоские остроносы* яаяклмаоп |
|
|
Л-4 |
|
|
* Размер для справок |
|
Черт. Э
Св ГОСТ 1495-80 Та бляна 4 * II 1. и С а 1 *1, К ■е ел>-лае- 1 }{ С V _ ■ X ь 8820 0051 1 _!_ 28200052 3.0; 2,5- 40 34 2,4 2 2820-0053 100 140 12,0 5 3 2820 0054 4 2820-0055 15 5 2820 0061 1 2820 0062 2 2820-0063 150 200 16.0 а *,0 з.« 50 50 2.Б ?■ 2820-0064 •1 2820 0065 5 2820-0066 \_ 28200067 21.0; 20.0* 2 2820 0068 200 255 5.0 3,5 55 66 3 2820-0069 4 «20-0070 20 3.0 5 2820 0071 1 2820 0072 6,5: 6,0- 2 2820 0073 250 310 25.0 12,5 *.6 60 84 3 2В20 0074 — 4 5 /ОлТУЛЛ!’ *1 2820-0076 . 1 2820-0077 7.0; 6.5- 2 2820 0078 300 370 30,0 15,0 М 70 100 3 2820 0079 25 3,5 4 2820-0080 2820 0081 0 2820 0082 360 430 35.0 16,0 7.5 80 Ш. 1 2820-0083 2 Размеры, ьш
ГОСТ I4K-M С. 7
Размеры, мы
|
Продолжение табл. 4 |
||||||||||||||||||||||||||||||||||||||||||||||||||||||||||||||||||||||||||||||||||||||||
|
Пример условного обозначения плоакого остроносого напильника с длиной рабочей части /. = 300 мы, с насечкой № 1:
Напильник 2820-0076 ГОСТ 1465-80
|
Квадратные напильники |
А-А
Ф
С 8 ГОСТ I4M—80
Размеры, ын
ГОСТ 1445-» с 9 Продолжение табл. §
|
Ра еле ры. мм |
||||||||||||||||||||||||||||||||||||||||||||||||||||||||||||||||||||||||||||||||||||||||||||||||||||||
|
* Допускается изготовлять напильники со стороной квадрата 6—14 мм н 16 мы.
Пример условного обозначения квадратного напильника с длиной рабочей части L«= 300 мы, с насечкой М U Напильник 2821-0026 ГОСТ 1465-80
Трехграниые ИНМИШ
|
65″, |
||||||
|
||||||
D О
• V
1
2
Размер Ъ да» без учета фасок.
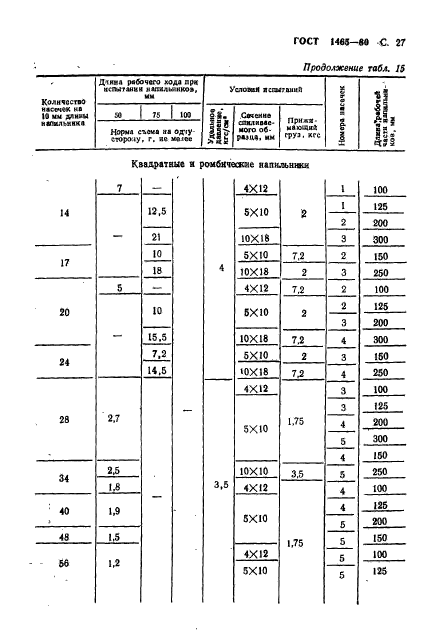
С 10 ГОСТ 1485-М Та вшшЛш в Р а з н е р ы. ни овв»**« ,а 1 и ь »| I К — боям ■ ■ассчш 1821-0051 1 2821-0052 2 2821-0053 100 140 8 40 34 2,0 3 2821-0054 4 2821-0055 5 2821-0058 I 2821-0057 15 2 2821-0058 125 170 10 6,0 45 42 3 2821-0059 4 2821-0060 2,5 5 2821-0061 1 2821-0062 2 2821-0063 150 200 II» 5.5 50 50 3 2821 -0064 4 2821-0*5 5 2821 0066 1 2 2821 0068 до 255 15 7.5 Б5 66 3 2821-О06Э 4 2821-0070 3,0 5 28210П7] 1 282] 0072 т 18.0; 17.5″ 2 2821-007:5 250 310 9.0 60 84 3 2821 0074 1 4 2821-0075 5 2821-0076 1 2821-0077 300 370 21,0; 20.0″ 10.5 70 100 25 3,6 2 2821-0078 — ■ .* ■ 3 Р ■ а и е р ы, ыи ГОСТ ИМ— И С II Продолжение табл. $ ь и 1. Ь| В , 1 м1, волю Но «ере 111′ ‘О!* 2821-0079 300 370 21 10,5 70 100 4- 2821-0080 6 2821-0081 25 3,5 0 2821-0082 350 4Э0 24 12,0 йп Ив 1 2821-0083 80 2 2821-0084 3 2821-0086 0 2821 0086 400 490 27 13,5 90 134 30 4,0 1 2821-0087 2 2821-0088 1 » Допускается нагоговле-нве напильвчес* шярвРоЯ (—12 ни. . . » Девствует с 01.01.90. Пример условного обозначения трехгранного ПИЛЫ№ка с длиной рабочей части ^=300 мы, с насечкой М I: Напильник 2821-0076 ГОСТ 1465-90 Ромбичесяле 17г Г1 А-А Раыср для справок Черт, в си тост ии—во Раянеры, ии 1! 1. 1*. 0 к 1 к х« во ДМ I- 1 г асов ■ ИИ1-0Ю1 2 МП-0102 100 140 12,5 3.2Я 40 2,0 3 «в 1-0103 4 М21-0104 15 5 «621-0109 2 «(1-0110 .150 2» 19.0 5,00 50 2.3 3 28*1-0111 4 2621-0112 5 «11-0113 2 2821-0114 200 255 25,0 6,50 55 , 3 «21-0115 « 1 4 «621-0116 || 3,0 6 18*1-0117 | 2 «*1-вП8 250 310 32.0 8,00 ■1 сл ■ 3 18214)119 60 ■ 4 2821 0120 ! Б ГОСТ 140-80 С 13 Пример условного обозначения ромбического напильника с длиной рабочей части ^=200 мм. с насечкой № 2: Напильник 2821-0113 ГОСТ 1465-80 Ножовочные ндпялькньн — т- 7 I } «Л ^ г- _ /1 Д * Размер для епрзвсж. Черт. 7 При меча нас Допускается выполнять хвосговвкв навяльвя&ов с симметричный сечением любой формы, кроме круглой. Таблица В Размеры, ни Обмначслаа II 1 и 1 ». А *. I «I, к не Оо- ■ р4 114-СВ-*М 2821-0131 100 140 13 3.0 3,0 0.8 40 Б0 34 51 15 2,0 8.5 2 2821-0132 2821-0133 3 4 2821-0)34 5 2 _ 3 4 5 2 3 2821-0139 2821-0140 2821-0141 28210142 150 200 18 4.0 9.9 2821-0143 2821-0144 200 255 22 5,0 5,0 1.2 56 661 20 з.о С. М ГОСТ 14М—«О Продо.илгчие табл. Ряэ» ■ — ми V 28210146 В821-0И6 2821-0147 ! 2821-0148 2821-0149 2821-0150 2821-0151 2821-0152 2821-0153 2821-0154 к »е во- 203 250 300 255 310 370 •22 27 33 5.0 6.5 7.5 5,0 6.5 7.5 1А 1.6 бб 84 ],1П 20 3,0 2,0 2о Э ,5 Пример условного обозначения ножовочного напильника с длиной рабочей части /.=200 мм. с насечкой Кс 2: Напильник 2821-0143 ГОСТ 1465—&0 Круглые напильники с насеченными зубьями V 4.., .. \ ‘ 1 \ 1 г ■ 1 4 «Л/ 1 1 т 1 А А Размер ллч справок Черт. Примечание к черт. 8—10. Допускается выполнять хвостовям на-пил1.никон с симметричным севек-ем любой формы, кроме круглой. Примечание. Допускается ло согласованию с потребителем иаготоялять напильники без оттянутого участки. ГОСТ 1465-80 С. 18 Таблице 9 Ра» меры, ни С 16 ГОСТ 1485-80 Р 8 3 Ы — ! .:. ММ Продолжение табл. 9 II ь 1, ( *1. X •с боям ■ 2822-О029 300 370 12 6,0 70 100 4 2822-0030 5 2822-0031 25 0 2822-0032 350 430 15′ 7,0 116 а,о 1 2822-0033 80 ‘ 2 2822-0034 3 28220035 0 2822-0036 1 2822-0037 400 490 18’ 8,0 90 134 го 4.0 2 2822-0038 3 * Допускается изготовлять напильники диаметрами соответственно 4—14 ми я 16 мм *• Действуй с 01.0130 Пример условного обозначения круглого напильника с длиной рабочей части /- — 300 ни. с насечкой № 1: Напильник 2822-0026 ГОСТ 1465-80 Круглые напильники с партийными зубьями н Ил» д 1 /; А-А Л Размер для справок. Черт. 9 Примечание. Допускается по согласованию с вотребьтелем вэготояляп. яаонлыгнкн без оттянутого участка. ГОСТ 1468-80 С. 17 Таблиц ■ 10 Размеры, мм обо»1 :ачата 1л М с* I к* Л 1 */, ‘1С бо асе ■ 28220051 100 140 4 3.5 40 34 15 2.0 1 2622-0052 2 2822-0053 3 2822-0054 125 170 5 3,0 45 42 2.5 1 2822-0055 2 2*22 2822.0057 3 150 200 6 4.0 50 50 1 2822-0058 2 2622-0059 3 2622. ОКО 203 255 8.0; 7,5″ 5,0 55 65 20 1 2822 0061 2 2*22 0062 3 2822 0063 250 310 10,0; 9.5″ 0.5 60 84 1 2622.0*4 2 2822 0065 3 28Я-О066 300 370 12 8.0 70 100 25 1 2 3 2622-0069 350 433 15 10.0 80 116 30 0 2822-0070 1 2822-0071 15- 2 2822-0072 3 2822-0073 403 493 18* 12.0 90 134 4.0 0 2822-0074 1 2822-0075 2 2822-0О76 3 » Допускается изготовлять напильники соответственно диаметрами а— И мы и 16 мм. Действует с 01.01.90. Пример условного обозначения круглого напильника с длиной рабочей частн Г.»300 мм, с нарезкой № 1: Напильник 2822-0066 ГОСТ 1465-80 С. 13 ГОСТ 1484-80 7 *■ • Размер для справок Черт. 10 Р я а И е р ы, мы Т а б лика II и 2822 0101 ■0103 2822-0105 2822-0107 28220108 2822-0117 2822-0119 2822-0)21 2822-0123 2822-0124 2822-0125 2822 0127 2822-0129 2322-0131 2822-0132 100 150 201) НИ ?-г, » .0; 10.5″ 200 16,0 21,0; 20,0- 5,0 8.0 ;ю,о 4,0; 3.0* 4.5 6.0 2.0 3.0 3.5 М V, 50 50 55 66 е во- 15 2.01 15 \г. 3,0 ГОСТ 14*8—ЯО С. 1» Продолжений табл. Ц Размеры, ьш II 1 А* ■ • в. А А. ; ш1. К не во-лас 1 1! 2822-0133 2882-0135 2822-0137 2822-0139 2*220140 250 310 25,0 12.5 7.0 4.0 60
20 3.0 1 2_ 3 4 5 2822-0141 300 370 30,0 15.0 8,5 5,0 70 100 25 3,5 1 2822-0143 2 2822 0145 2822 0147 3 4 2822-0148 6 0 2822-0149 350 139 35,0 17.5 10,0 6.0 80 116 2822-0151 2822-0153 2822-0155 2 3 2822-0157 400 490 40.0 20.0 11,0 6.5 да 134 30 4.0 0 2822-0159 2822-0161 2822-0163 1 2 а » Действуют с 01.01.90. Пример условного обозначения полукруглого напильника с длиной рабочей части Ь—300 мм, с насечкой № 1: Напильник 2822-0141 ГОСТ 1465-80 Примечание. Для напильников исполнения 02 н 03 к условному обозначению добавляют индекс исполнения — 02 я 03. (Измененная редакция, Нам. М 1,3). » ТЕХНИЧЕСКИЕ ТРЕБОВАНИЯ 3.1. Напкльвнки должны изготовляться в соответствии с требованиями настоящего стандарта по рабочим чертежам, утвержденным в установленном порядке. С- 20 ГОСТ 1468-80 32. Напильники должны изготовляться из инструментальной уг* лероднстой стали марок У13 или У13А по ГОСТ 1435-90 или из стали !ЗХ по ГОСТ 5950-73, профилей 1—7 по ГОСТ 5210-82. 3.3. Твердость и острота зубьев напильника должны обеспечивать сцепляс у — их с контрольной пластинкой, изготовленной из стали той же марки, что и напильник трех исполнений по твердости: 58 НКС,. 60 ИКС* 62 ИКС. Примечание. Назначение н»г«ы»*июв по твердости указано а Справочном Пр-.'[>*.н?а,ол длимо* до 150 ми . . . ±4 са. 160 до 300 ми ±8 оя. 300 мм . . . ±8 омрачим плоски», немовочяыт. яситукруг- лых, стороям тввдграячмж в виадратмыл, диаметра круглы* я бодыивя яякгоиклм ромбачгемжк ……. . . ±1А ±1.0* толщины для плоских, ножовочных, полукруглых, малой диагонали для ромбических: для нммьаакс* длыиоЯ до 150 ми . . . ±0Х ±0А* са 150 мм . . . ±1.6; *1,0* разности пмрии двух сыемиыя сторон при болывом угле ромбического ■аямлимка I. Допускается отклонение стороны трехгранных напильников длиной до 200 мм — 2,2 мм, св. 200 мм — 2.6 им. Примечание. Зиачгиия. отмеченные знаком*. деАетяукУг с 01.0194. (Измененная редакция, Изм. Л* 4). 3-10. Предельные отклонения углов наклона насечки нлн нарезки не должны превышать ±2°, ГОСТ 1485-80 С 21 Предельные отклонения числа основных насечек или нарезок на 10 мм длины напильника не должны превышать: для напильников с насечками или нарезками М & 1,4 Я………плюс I на- . сеч*» клн нарезка для напильников с наоечхами № 4 к б . . плюс 2 насечки. 3.9, 3.10. (Измененная редакция, Изм. л» 3). 3.11. (Исключен, Изм. М 3). 3.12. Отклонение от прямолинейности не должно превышать: на неоттянутом участке рабочей части напильника 0,2 мм на 100 мм длины; на узкой стороне для плоских н ножовочных напнльпиков или по ребру для полукруглых и ромбических напильников 0,3 мм на 100 мм длины. 3.13. Расстояние конца носка напильника от плоскости неоття-нутой части соответствующей стороны напильника должно быть не менее, мм: для ллоскид наанльинклв длиной рабочей части 100 ми ,……0.10 длено» рабочей части св. 100 до 350 мы … 0,25 длиной рабочей части сл. 350 мм……0.5 для полукруглых напильников длиной рабочей част 100 мм …….0.25 для полукруглых напильников миной рабочей части ея, 100 до 300 ни и напильников круглых, квадратных, трехгранных длиной рабочей части от 100 до 300 мы . . , . 0.5 для напильников («роме цлооких) длимой рабочей части св. 300 ми…….,…..1,0 (Измененная редакция, Изм. М 4). 3.14. На ребрах мапильмнков плоских, квадратных, трехгранных, полукруглых н ромбических допускается наличие фаски, размеры которой не должны превышать приведенных в табл. 12. Таблица 12 ни Рюмсры фаска для ■«сеч» и >н карсэок номере* Двине Р»*»»» чвсга НММЛВННКО» 0 ■ 1 3 и 3 * И I 100-450 0,4 0.20 0.15 (Измененная редакция, Изм. Л* 2, 4). С. 22 ГОСТ 14*5—88 3.15. Отклонения от симметричности оси хвостовика относительно оси напильника не должно превышать, мм: для напильников длиной до 300 Ш…..0,8 для напильников длиной св. 300 им……1 3.16. На круглых напильниках и на выпуклой стороне полукруглых напильников насечки должны перекрывать одна другую. 3.17. На гюеерхлюстях напильника не должно быть трещин. На рабочей поверхности напнльннка не должно быть заусенцев, черновин и следов коррозии. Торец носка напильника должен быть защищен н не иметь сколов Острые кромки на хвостовике должны быть притуплены. (Измененная редакция, Изм. М 2, 3, 4). 3.18. Разность между наибольшим и наименьшим значениями осевого шага основной или вспомогательной насечки на любом участке рассматриваемой стороны не должна превышать 10 % от номинального значения осевого шага. 3.19. Смещение заплечиков относительно друг друга вдоль оси напильника не должно превышать 1 мм. 3.20. Напильники изготовляются без ручек. Допускается по согласованию с потребителем изготовлять напильинки с ручками. Ручки напильников должны изготовляться по чертежам предпрня-т и я -нзготовнтел я. 3.21. Надежность напильников, изготовленных из углеродистой стали, определяется полным 95%-ным ресурсом, равным 10000 рабочих ходов на одну сторону при уелсеиях испытаний, указанных в разд. 5. 3.22. Критерием предельного состояния напильников является потеря производительности, выраженная кормой съема металла за 10000 рабочих ходов, менее указанной в табл. 15. Поправочный коэффициент на норму съема металла для напильников, изготовленных нз стали 13л, равен 1,4 по отношению к указанному в табл. 15. 3.23. На ненасеченной или ненарезанной части каждого напильника или на хвостовике около заплечиков должен быть четко панесен товарный знак предприятия-изготовителя и марка стала для нашильников из стали 13Х- 3.24.’ При упаковывании напильники должны быть отделены один от другого. 3.25. На потребительской таре должна быть указана твердость напильников. 3.21 —3.25. (Измененная редакция, Изм. М4). 3.26. ( Исключен, Изм. М 4). 327. Внутренняя упаковка напильников—ВУ-1 по ГОСТ 9.014-78. гост ни—во С. 23 3.28. Остальные требования к упаковке и маркировке транспортной и потребительской тары—по ГОСТ 18088-83, 3,21—3.28. (Введены дополнительно, Изм. М 3), 4. ПРИЕМКА 4.1. Правила приемки — по ГОСТ 23726-79. 42. Периодические испытания, в том числе испытания на надежность, следует проводить один раз в 3 года, ис менее чем на 5 напильниках. Испытания напильников должны проводиться на одном типоразмере из каждого типа напильников. Разд. 4. (Измененная редакция. Изм. N 4). в. МЕТОДЫ КОНТРОЛЯ И ИСПЫТАНИЯ 5.1. Контроль внешнего вида напильников осуществляют визуально. (Измененная редакция, Изм. М 3). 5.1а. При контроле параметров напильников следует применять методы и средства контроля, погрешность которых не должна быть более: при измерении линейных размеров — значений, указанных в ГОСТ 8 051—81; при измерении углов —35% значения допуска на проверяемый угол; при контроле формы и расположения поверхностей — 25 % значения допуска на проверяемый параметр. 5.16. Углы наклона нарезхк измеряют на цилиндрической части. 5.1в. Ширина и толщина насеченных напильников измеряется на ненасеченном участке рабочей части, нарезанных — на нарезанной (рабочей) части (кроме носка), 5.1г. Испытание напильников на работоспособность проводят по сцепляемости с контрольной пластинкой твердостью по п. 3.3. Пластинку при исиытаиии следует провести широкой стороной по зубьям папнльннка в направлении от иоска к хвостовику; пластинка должна сцепляться с зубьями без следов выкрашивания их на вершине. Сцепляемостъ с контрольной пластинкой и качество насечки на размере К и иа расстоянии до 10 мм от торца носка не контролируются. 5.1д. Испытания напильников на надежность следует проводить на станках типа ТФ 18—6 или иа аналогичных станках. 5.1в, 5.1 5.1д. (Измененная редакция, Изм. М4). 5.1а—5. Ц (Вщ’лсны дополнительно, Изм. л4 3). 52. При испытании на работоспособность (сцепляемость с контрольной пластинкой) и надежность напильники проверяют по следующим сторонам; С. 24 ГОСТ 1445-ВО плоские и ножовочные —по двум широким сторонам; квадратные и ромбические — по четырем сторонам; трехгранные — по трем сторонам; круглые— по двум диаметрально противоположным сторонам; полукруглые — по плоской и полукруглой сторонам. (Измененная редакция. Нам. ЛЬ- 3, 4). 53 Напильники должны испытываться на образцах (брусках) из углеродистой стали марки У8 по ГОСТ 1435-74, твердостью 170…187 НВ. Перед испытанием вес стороны образца должны быть обработаны. Шероховатость обработан ной поверхности образца не дол-жнз быть более А?г 20 мкм. (Измененная редакция, Изм. ЛЬ 3). 5.4. При испытании напильников широкие стороны опиливаемого образца должны быть расположены горизонтально, а ось образца должна быть перпендикулярна к оси напильника. 55. При испытании круглых напильников и выпуклых сторон полукруглых напильников на торце опиливаемого образца должен — быть сделан пропил с кривизной, соответствующей кривизне поверхности испытываемого участка напильника. 5.6. Насечка или нарезка напильника, подвергаемого испытанию, должна быть сухой. 5.7. При испытаниях на надежность следует испытывать каждую сторону напильника в течение 10000 рабочих ходов. Число рабочих ходов испытательного станка в минуту должно быть 55*—60. . Испытываемый участок рабочей части напильника должен начинаться на расстоянии 10—15 мм от ненаселенного или неняре-заниого участка. Результат испытаний следует считать удовлетворительным, если объем снятого металла для каждой стороны напильника не менее нормы съема по табл. 15. 5.8. Опиливаемый образец при испытании на надежность напильников с количеством насечек или нарезок от б до 10 на 10 мм длины напильника должен быть взвешен с точностью до 1 г, при испытании напильников с количеством насечек нлн нарезок от 12 до 24 —с точностью до 0,5 г н при испытании напильников с количеством насечек свыше 28 — с точностью до 0,1 г. 5.7, 5.8. (Измененная редакция, Изм. ЛЬ 3, 4). 59 (Исключен, Изм. ЛЬ 3). 5.10. Нормы съема металла при испытании напильников на на* дежность должны соответствовать указанный в табл. 15. Примечание. Величава прижимающего грум даяа бея учета сил трения в мпаин’мг г плачи бруска и в ашпим записи испытательного стаяла. (Измененная редакции, Изм. ЛЬ 4). ГОСТ 14*5-86 Табла С. 25 а а 15* Коли «встав Д«™. Норна съема >• одну сюрону, г. ас и снос ш спил» МС-ИОГО Ов-рюоа. ни Плоение, гредгранные, ножовочные я плоская сторона полукруглы* нппкльвикоэ 14 10 26 23 16.5 14,5 132 115 102 86 72 » Табл. 13, 14 нсключены. 4,5 4.0 10X25 10X18 9X20 10X18 9X20 10X18 12.50 11.25 7.2 0 450 0 400 0 350 1 400 1 350 1 300 1 250 2 400 2 350 ■ _!_ 200 2 300 1 150 3 2.50 3 400 3 350 1 100 1 2 200 3 300 2 150 3 250 2 100 2 125 3 200 4 300 3 150 7— 250 1 С 26 ГОСТ 1463-60 Продолжение табл. 15 Г,!»-‘ работою кода п-ш и спит «яи» ■ «пиль- 30 :а Норна (1-м» в» ох*у сторону, г. -I: ч*а*о УбЯВВИ испитик* При «К го об «м Плоские, трехгранные, ножовочный й плоская стороне 4.0 45 4.0 I.* ■Л Квадратные н ромб,пелене завнльннкн 14.5 26 9X10 Э 100 10X10 3 125 4 200 5 300 * 150 5 250 5ХЮ 1.75 4 100 ■1 125 5 200 5 160 5 100 5 125 132 0 350 5 12,5 0 400 115 I 350 10X25 1 102 1 300 11,25 1 250 85 4,5 | 2 350 2 400 23 5X10 2,25 1 200 76 10X25 11.25 2 300 5X10 2 1 150 4 250 350 10X18 13 3 3 400 ГОСТ 1465-М С. 27 Продолжение табл. 15 Кол тех но иа 1в ч-1 .—>■■: парил* и як* ОЛЯМ рабочего хода прч шгы11″»и гапхлишкоа, и 101 -мрсму, Г. ио 1сг Сачспче -Си 1- оо- При** на »дил ГРУ1. «ГС 1 III Квадратные в ромвячаяяе вапшъннки 7 14 12.5 — 21 17 10 18 5 _ 20 10 — 15.5 24 7.2 14,5 28 2.7 34 25 1.8 40 1,9 48 1.5 80 1* 3,5 4X12 К I 100 5ХЮ 1 125 2 200 10X18 Э 300 5X10 7.2 2 150 10X1! } 2 3 250 4X12 7.2 2 100 5ХЮ 2 2 125 3 200 10X18 7.2 4 300 5X10 2 3 150 ЮХ18 7.2 4 250 4X12 1.75 3 100 ЗХЮ 3 125 4 200 5 300 -V 150 10X10 3.5 5 250 4X12 1.75 4 100 5ХЮ 4 125 5 200 5 150 4X12 5 100 5ХЮ 5 125 ГОСТ 1468-80 С. 29 Продолжена! табл. 15 КОЛИ с ‘ ■-■ Дана! рабочего ВОДЯ при каы1пн наяиь—м«о». им 1 *| III -1 ■ ■’ ■ 1-С 10 -К ДЛИ-И 1» 1 73 1 100 Очиние ГЦ»*». ЩИПЛИ» |ру». кгс ВС *ч пагамышл Норна слома ■■ одну старому. Г. ШТ Н*И1« ш лив с**-юго ов-рми, ни I Полукругл» сгоронз ролув-рутлык напильников 4 ах ю 3 100 28 3 125 4.5 35 4 200 10X10 5 300 34 4 1 150 3,6 5 250 4 100 40 2 4 125 5X10 1.75 5 2М 48 1.6 5 150 56 13 5 100 Кругл» ■е ваш 1ЛЫ4ВКН 5 0 125 350 5 130 0 400 л 113 5 12,5 1 350 Б 1 400 7 50 10X25 1 300 1 250 8 65 4.5 11ДВ 2 350 2 400 10 62 2 300 30 5ХЮ 2.25 1 200 16 2 ! 160 12 4 2 250 26 10X18 7.2 3 350 3 400 С. 30 ГОСТ 1495-80 Продолжение табл. 15 КолачосгЮ ческе- на 19 ии д.- и. . Да*»* рабочего »оя1 ио«. «ы г СЯ- УМО*яЯ п-п.. Ц 50 1 та 1 10 1г и ваша И груа, иге ■> -.11 — >■ «■■ Норма . сторону :мма аа о» , г. нем V 25 = ■ |5аа 1′ ■ мог о образна, им ! к! Круглые напильинш 86 — 4X12 1 100 19 5ХЮ 2 1 125 14 2 200 ■ — 24 7.2 3 300 17 13 .1X10 2 2 150 23 4 10X18 7.2 3 250 68 _ 4X12 2 100 20 13 5ХЮ 2 2 125 3 200 — 19 10X18 7.2 4 300 84 9 5ХЮ 2 3 150 13,5 10X18 7.2 4 250 4X12 3 100 28 3,8 3 125 4 200 5ХЮ 5 300 34 2.4 4 150 3,5 5 260 — 4X12 1.75 4 100 40 ■ 1Л 4 125 5X10 5 200 48 1.7 Б 150 86 1Л 4X12 Г> 100 15 5X10 5 126 (Измененная редакция, Изм. М 1, 2,3). ГОСТ 1465-80 С 31 I. ТРАНСПОРТИРОВАНИЕ И ХРАНЕНИЕ 6.1. Транспортирование и хранение напильников—по ГОСТ 18088-83. Разд. 6. (Измененная редакция, Изм. Л» 3). Разд. 7. (Исключен, Изм. М 3). ПРИЛОЖЕНИЕ Справочное Роэисндвиин по низиаченчш мапмдьинаор Твердость ноитрочыюП п»«ец..кв ЦЯС, Творите о платою ивкрнага НЯС,. пг йовч 53 36.5 60 415 62 465 (Измененная редакция, Изм М I, 3. 4). ■ С 32 ГОСТ НИ—«0 ИНФОРМАЦИОННЫЕ ДАННЫЕ 1. РАЗРАБОТАН И ВНЕСЕН Министерством станкостроительной и инструментальной промышленности СССР РАЗРАБОТЧИКИ Д. И .Ссменченко, Г. А. Астафьева, М И. Минаева, Т. А, Лавре нова 2. УТВЕРЖДЕН И ВВЕДЕН В ДЕЙСТВИЕ Постановлением Государственного комитета СССР но стандартам от 25.01.30 М 354 3. Срок проверки 1994 г., периодичность проверок — 5 лет 4. Стандарт полностью соответствует СТ СЭВ 1297—78. 5. ВЗАМЕН ГОСТ 1465-69, ГОСТ 5.227-75, ГОСТ 5.1625-72, ГОСТ 5.2237-74, ГОСТ 5.2309-76 6. ССЫЛОЧНЫЕ НОРМАТИВНО-ТЕХНИЧЕСКИЕ ДОКУМЕНТЫ ОбОккажнк НТД, м который дщ* Скы.иа И онер пу*щ ГОСТ 8.051-61 5.1а ГОСТ 9.0Н-78 3 2Т ГОСТ 1435-90 32 ГОСТ 5210-82 92 ГОСТ 5950-73 3.2 ГОСТ 18088-83 3.28; 6.) ГОСТ 23728-79 4.1 7. Срок действия продлен до 01.01.96 Постановлением Госстандарта СССР от 06.03.90 М 353 8. ПЕРЕИЗДАНИЕ (май 1992 г.) с Изменениями Л» I, 2, 3, 4, утвержденными в августе 1982 г., ноябре 1984 г., июле 1987 г., марте 1990 г (ИУС 12—82. 2—85, 12—87, 6—90)

