Для отвода сточных вод с мойки, раковины, душевой кабины и ванной устанавливается сифон. Он подключается напрямую к системе канализации. Выполнить его установку и соответственно сборку сможет каждый, даже непрофессионал. В этой статье будет раскрыт вопрос, как собрать сифон для раковины. Если забежать наперед, то в большинстве случаев для этой работы необходима одна отвертка.
Для чего он нужен

Сифон используется непросто для отвода грязной воды. Например, в нем может задерживаться крупный мусор, проникший через защитную решетку. Соответственно это снижает риск засора канализационной трубы.
Более того, особая конструкция устройства образует гидрозатвор. Наличие колена в сифоне не позволяет проникать неприятному запаху из канализационной системы. Гидрозатвор образовывается за счет постоянного наличия воды внутри сифона.
Виды материалов

Сифон изготавливается из пластика, металла и комбинированные. В частности, красиво выглядит латунный с глянцевым хромированным покрытием. Стоит задуматься над его покупкой, если под раковину вы не планируете устанавливать тюльпан, тумбу или шкаф. В таких случаях помимо надежности, сифон должен иметь и красивый внешний вид. Согласитесь, смотреть на пластмассовый сифон не так приятно, как на металлический, да еще и блестящий.
Кроме всего прочего, это устройство изготавливается из других металлов, например, медь и бронза. Но за ними необходим специальный уход, так как спустя время они окисляются.
Если вам необходимо выдержать определенный стиль интерьера ванной комнаты, то не только сифон, но и трубы, смеситель и другие элементы должны быть выполнены из одного материала.

Чаще всего покупают пластиковые сифоны. Они имеют ряд преимуществ:
- Низкая цена.
- Прочность.
- Небольшой вес.
- Устойчивость к химическим воздействиям.
- Простота в сборке и монтаже.
- Возможность устанавливать в самых труднодоступных местах.
- На поверхности пластика не образовывается известняковый налет.
Помимо выбора материала, сифон также имеет разные виды, рассмотрим их дальше.
Гофрированный

Эту конструкцию в народе называют просто гофрой. Состоит она из гнущейся трубки, которой можно придать любую форму, а в частности, согнуть для образования гидрозатвора. Фиксируется гофрированный сифон при помощи специального хомута. К главному достоинству можно отнести низкую стоимость, а также возможность беспрепятственно передвигать мойку в сторону. Гофра без затруднений растянется и приобретет необходимую форму.
Трубный

Это изделие напоминает гофрированную конструкцию. Единственное различие в том, что сифон имеет достаточную прочность и жесткость. По своему внешнему виду такой сифон представляет изогнутую трубку необходимой формы для образования гидрозатвора. Подключается он к канализационной трубе и раковине без всевозможных гаек. Однако в нем имеется явный недостаток. Если потребуется передвинуть раковину, то сделать это будет затруднительно. Более того, такие сифоны плохо чистятся. Учитывая это, все больше людей отказываются от трубного сифона.
Бутылочный

Исходя из названия, форма такого устройства напоминает бутылку. Устройство его очень простое. В имеющейся колбе есть отстойник, который при необходимости можно легко почистить. Также в нем есть выводная гофрированная труба. Главное преимущество бутылочной конструкции в том, что ее очень легко обслуживать. Достаточно открутить 2 гайки и сифон можно полностью изъять из-под раковины для прочистки.
Устройство сифонов

Практически все сифоны имеет аналогичное устройство. По этой причине рассмотрим основные элементы. После этого узнаем детали его монтажа.
- Пробка. Она может быть резиновой, металлической и пластмассовой. К ней крепится кольцо и цепочка. Используется она если необходимо в раковину набрать воду, например, для небольшой стирки.
- Защитная решетка. Ее установка выполняется только с резиновой прокладкой. Решетка предотвращает попадание крупного мусора в канализацию, а прокладка делает слив герметичным.
- Отводной патрубок. На этом патрубке имеется небольшой бортик и рельефные кольца, на который укладывается прокладка. За счет такой формы при закручивании прокладка не смещается. Зажимается она пластиковой гайкой.
- Съемное колено. Этот элемент чаще всего необходимо снимать для его очистки. Фиксируется оно пластиковой гайкой. Под нее устанавливается конусная прокладка.
- Отвод для перелива. С использованием плоской или конусной прокладки к нему закрепляется гибкий гофрированный шланг. Он, в свою очередь, соединяется с основной конструкцией сифона.
- Переливной патрубок. Не все типы сифонов с переливом, чаще всего для раковин его нет.
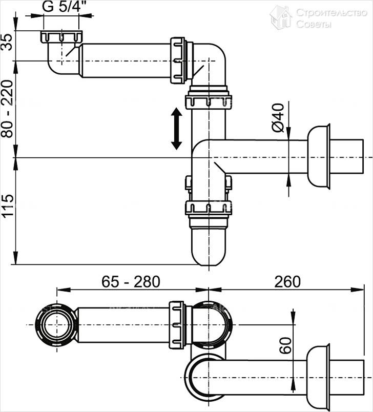
Другие детали сифона, вы сможете найти на предоставленной схеме:

Сборка и монтаж сифона

К сифону всегда прилагается инструкция по сборке. Это значительно упрощает процесс работы, если вы занимаетесь этим впервые. Обратите внимание на важные нюансы, следуя которым вы осуществите сборку сифона качественно:
- Герметичность – важное требование каждого соединения. Даже если вы купили собранную конструкцию, проверьте на каждом стыке наличие уплотнительной резинки. Также убедитесь в том, что все гайки затянуты. Касательно последнего, не стоит переусердствовать, ведь пластиковую резьбу очень легко сорвать.
- При установке сифона нередко необходим герметик. Например, некоторые резиновые прокладки можно промазать прозрачным силиконом. Это сделает соединение еще более качественным.
- Если конструкция имеет винт для фиксации защитной решетки, то убедитесь, что в основном патрубке имеется металлическая гайка. При закручивании этого болта, следует контролировать правильное расположение уплотнительной резинки. Также не следует слишком затягивать гайку, иначе ее резьбу можно сорвать.
- Соединение сливного патрубка с канализационной трубой должно осуществляться только через резиновый уплотнитель.
Процесс сборки и монтажа сифона выполняется одновременно. На сливное отверстие в раковине прикладываете резиновый уплотнитель и фиксируете защитную решетку. В некоторых типах решеток, прокладка устанавливается снизу. За счет этого вода в раковине не будет стоять. Если же конструкция подразумевает установку прокладки сверху, то ее можно не использовать, а место стыковки тщательно промазать герметиком.

Снизу под раковиной приставляете приемный патрубок и при помощи винта или пластиковой гайки (в зависимости от конструкции сифона) закрепляете сливную решетку. Следите за тем чтобы фланец с прокладкой не прокручивался. В противном случае прокладка может сместиться и соединение не будет герметичным.
Далее необходимо собрать основную часть сифона. На отводной патрубок под раковиной надеваете гайку и конусную прокладку. После надеваете верхнюю часть сифона на необходимую высоту и фиксируете ее пластиковой гайкой.

В крышку сифона необходимо положить плоскую резиновую прокладку и закрутить вторую часть корпуса.
При соединении всех этих элементов использовать герметик не нужно. Это объясняется тем, что спустя время вам потребуется раскручивать сифон для его очистки.
Теперь надеваете отводящий сливной патрубок, на котором также должна быть гайка и резиновая конусная прокладка. На него крепите гофрированный шланг, который направляете в канализационное отверстие.
В завершение поставьте под раковину емкость и включите воду для проверки конструкции на предмет течи. Если после слива воды течь не обнаружилась, вся работа проделана успешно. В ином случае необходимо будет поправить резиновые прокладки.

Отдельно стоит сказать о стыковке сифона с канализацией. В большинстве случае диаметр шланга 50 или 40 мм. Если гофра имеет Ø50 мм и такой же размер канализационной трубы, то достаточно наличие уплотнительной резинке на раструбе. Если же размер гофры 40 мм, то потребуется купить резиновый манжет с переходом на Ø50 мм.
Так, мы узнали с вами о том, что установка сифона и его сборка может быть выполнена самостоятельно. Теперь если на кухне или в ванной необходимо будет произвести замену сифона, то сделать это вы сможете своими силами. В дополнение к этой статье, предлагаем вам ознакомиться с видео и схемами сборки и монтажа этого небольшого, но важного устройства.
Видео
В том видеоматериале подробнее рассказывается о тонкостях сборки и монтажа сифона на раковину:
Схемы
На схемах представлены детали сборки и монтажа сифона:












