Система стандартов безопасности труда. Средства индивидуальной защиты органа слуха. Общие технические требования. Механические методы испытаний
Действие завершено 01.12.2015
Заменяет ГОСТ Р 12.4.208-99: Методы испытаний ИУС 6-2012
Заменяет ГОСТ Р 12.4.209-99: Методы испытаний ИУС 6-2012
Заменяет ГОСТ Р 12.4.210-99: Методы испытаний ИУС 6-2012
Документ завершил свое действие. Вы можете скачать Руководящий документ ГОСТ Р 12.4.255-2011 в удобном формате.
Скрыть дополнительную информацию
Страница 1

Страница 2

Страница 3

Страница 4

Страница 5

Страница 6

Страница 7

Страница 8

Страница 9

Страница 10

Страница 11

Страница 12

Страница 13

Страница 14

Страница 15

Страница 16

Страница 17

Страница 18

Страница 19

Страница 20

Страница 21

Страница 22

Страница 23

Страница 24

Страница 25

Страница 26

Страница 27

Страница 28

Страница 29

Страница 30

Страница 31

Страница 32

Страница 33

Страница 34

Страница 35

Страница 36

Страница 37

Страница 38

Страница 39

Страница 40
|
ФЕДЕРАЛЬНОЕ АГЕНТСТВО |
||
|
|
НАЦИОНАЛЬНЫЙ |
ГОСТ Р (ЕН 13819-1:2002) |
Система стандартов безопасности труда
СРЕДСТВА ИНДИВИДУАЛЬНОЙ ЗАЩИТЫ
ОРГАНА СЛУХА
Общие технические требования.
Механические методы испытаний
EN 13819-1:2002
Hearing protectors — Testing — Part 1: Mechanical test methods
(MOD)
|
|
Москва |
Предисловие
Цели и принципы стандартизации в Российской Федерации установлены Федеральным законом от 27 декабря 2002 г. № 184-ФЗ «О техническом регулировании», а правила применения национальных стандартов Российской Федерации — ГОСТ Р 1.0-2004 «Стандартизация в Российской Федерации. Основные положения»
Сведения о стандарте
1. ПОДГОТОВЛЕН Техническим комитетом средств индивидуальной защиты ТК 320 «СИЗ» на основе собственного аутентичного перевода на русский язык европейского регионального стандарта, указанного в пункте 4
2. ВНЕСЕН Техническим комитетом по стандартизации средств индивидуальной защиты ТК 320 «СИЗ»
3. УТВЕРЖДЕН И ВВЕДЕН В ДЕЙСТВИЕ Приказом Федерального агентства по техническому регулированию и метрологии от 30 июня 2011 г. № 163-ст
4. Настоящий стандарт является модифицированным по отношению к европейскому региональному стандарту ЕН 13819-1:2002 «Средства индивидуальной защиты органа слуха. Испытания. Часть 1. Механические методы испытаний» (EN 13819-1:2002 «Hearing protectors — Testing — Part 1: Mechanical test method»).
При этом потребности национальной экономики Российской Федерации и особенности национальной стандартизации учтены в дополнительных пунктах (подпунктах, терминологических статьях), которые выделены вертикальной линией, расположенной на полях, соответственно, слева (четные страницы) и справа (нечетные страницы) от текста.
Наименование настоящего стандарта изменено относительно наименования указанного международного стандарта для приведения в соответствие с ГОСТ Р 1.5-2004 (пункт 3.5)
5. ВЗАМЕН ГОСТ Р 12.4.208-99; ГОСТ Р 12.4.209-99; ГОСТ Р 12.4.210-99
Информация об изменениях к настоящему стандарту публикуется в ежегодно издаваемом информационном указателе «Национальные стандарты», а текст изменений и поправок — в ежемесячно издаваемых информационных указателях «Национальные стандарты». В случае пересмотра (замены) или отмены настоящего стандарта соответствующее уведомление будет опубликовано в ежемесячно издаваемом информационном указателе «Национальные стандарты». Соответствующая информация, уведомление и тексты размещаются также в информационной системе общего пользования — на официальном сайте Федерального агентства по техническому регулированию и метрологии в сети Интернет
СОДЕРЖАНИЕ
|
1. Область применения. 2 2. Нормативные ссылки. 2 3. Термины и определения. 3 4. Общие технические требования. 4 4.1. Наушники и наушники, смонтированные с защитной каской. 4 4.2. Противошумные вкладыши. 10 5. Механические методы испытаний. 13 5.1. Наушники и наушники, смонтированные с защитной каской. 13 5.2. Противошумные вкладыши. 26 Приложение А (обязательное) Испытательные приспособления. 29 Приложение В (обязательное) Блок-схемы испытаний. 35 Приложение С (рекомендуемое) Погрешность измерения и интерпретация результатов испытаний. 38 |
НАЦИОНАЛЬНЫЙ СТАНДАРТ РОССИЙСКОЙ ФЕДЕРАЦИИ
|
Система стандартов безопасности труда СРЕДСТВА ИНДИВИДУАЛЬНОЙ ЗАЩИТЫ ОРГАНА СЛУХА Общие технические требования. Механические методы испытаний Occupational safety standards system. Personal hearing protective equipment. General technical requirements. Mechanical test methods |
Дата введения — 2012-07-01
1. Область применения
Настоящий стандарт распространяется на средства индивидуальной защиты органа слуха — противошумные наушники, противошумные наушники, смонтированные с защитной каской, противошумные вкладыши.
Настоящий стандарт устанавливает общие технические требования и механические методы испытаний для средств индивидуальной защиты органа слуха.
2. Нормативные ссылки
В настоящем стандарте использованы нормативные ссылки на следующие стандарты:
ГОСТ Р 12.4.211-99 Система стандартов безопасности труда. Средства индивидуальной защиты органа слуха. Противошумы. Субъективный метод измерения поглощения шума (ИСО 4869-1:1990)
ГОСТ Р 12.4.212-99 Система стандартов безопасности труда. Средства индивидуальной защиты органа слуха. Противошумы. Оценка результирующего значения А-корректированных уровней звукового давления при использовании средств индивидуальной защиты от шума (ИСО 4869-2:1994)
ГОСТ Р EH 397/A1-2010 Система стандартов безопасности труда. Средства индивидуальной защиты от падения с высоты. Каски защитные. Общие технические требования. Методы испытаний
ГОСТ Р ЕН 13819-2-2011 Средства индивидуальной защиты органа слуха. Акустические методы испытаний
Примечание — При пользовании настоящим стандартом целесообразно проверить действие ссылочных стандартов в информационной системе общего пользования — на официальном сайте Федерального агентства по техническому регулированию и метрологии в сети Интернет или по ежегодно издаваемому информационному указателю «Национальные стандарты», который опубликован по состоянию на 1 января текущего года, и по соответствующим ежемесячно издаваемым информационным указателям, опубликованным в текущем году. Если ссылочный стандарт заменен (изменен), то при пользовании настоящим стандартом следует руководствоваться заменяющим (измененным) стандартом. Если ссылочный стандарт отменен без замены, то положение, в котором дана ссылка на него, применяется в части, не затрагивающей эту ссылку.
3. Термины и определения
В настоящем стандарте применены следующие термины с соответствующими определениями:
3.1 наушники с оголовьем: Противошум, состоящий из двух звукоизолирующих чашек, прикрывающих ушные раковины и соединенных между собой жестким или мягким прижимным устройством (оголовьем).
3.2 наушники, смонтированные с защитной каской: Противошум, состоящий из двух звукоизолирующих чашек, прикрывающих ушные раковины, и прикрепленный с помощью специального приспособления к защитной каске.
3.3 защитная каска: Головной убор (каска), предназначенный(ая) для защиты верхней части головы работника от повреждения падающими предметами (по ГОСТ Р 12.4.207).
3.4 эквивалент оголовья: Элемент комплексной конструкции наушники/каска, несущей чашку. Элемент включает участок корпуса каски и участок держателей чашки.
3.5 наружное вертикальное расстояние: Расстояние по вертикали между верхушкой макета головы, на который надета каска, и верхней точкой наружной поверхности корпуса каски.
3.6 чашка наушника: Полый корпус, укрепленный на прижимном устройстве, который обычно имеет звукопоглощающий вкладыш и амортизатор (уплотнительную прокладку) по периметру.
3.7 амортизатор: Упругая кольцеобразная конструкция, обычно заполненная пенопластом или вязкой жидкостью и обеспечивающая удобное и плотное прилегание наушника к голове.
3.8 шумопоглотитель: Звукопоглощающий материал, располагающийся в чашке наушника, предназначенный для поглощения звука.
3.9 рабочее положение: Положение наушников, при котором чашки находятся ниже уровня нижнего края корпуса каски и амортизаторы контактируют с околоушной поверхностью или ушными раковинами.
3.10 нейтральное положение: Положение наушников, при котором чашки находятся ниже уровня нижнего края корпуса каски и амортизаторы не контактируют с околоушной поверхностью или ушными раковинами.
3.11 нерабочее положение: Положение наушников, при котором чашки находятся выше уровня нижнего края каркаса каски.
3.12 основная комбинация: Комбинация наушники/маска, включающая первую из испытуемых или единственную испытуемую модель (или размер) каски, на которой крепится конкретная модель наушников; на этой комбинации проводится полный набор испытаний, предусматриваемый настоящим стандартом.
3.13 дополнительная комбинация: Комбинация наушники/каска, включающая модель (или размер) каски, которая отличается по параметрам от основной каски. На «дополнительной» каске крепятся наушники той же модели, что и в основной комбинации, и проводится сокращенный набор испытаний.
3.14 противошумный вкладыш: Вкладыш, который носят во внутренней части слухового канала (ушного) или в ушной раковине.
Различают:
— одноразовые вкладыши;
— вкладыши для многоразового применения;
— вкладыши, сделанные на заказ, для индивидуальной ушной раковины и слухового канала потребителя;
— вкладыши, соединенные оголовьем.
3.15 оголовье: Элемент противошума, предназначенный для его крепления на голове за счет усилия прижатия.
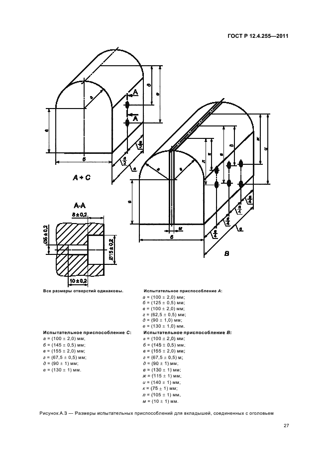
3.16 тестовая высота: Вертикальное расстояние между осью, проведенной через центры отверстий моделей уха в монтажном приспособлении или в макете головы, и верхом опоры оголовья или верхом макета головы (см. рисунки А.1, А.2 и А.8, приложение А).
3.17 тестовая ширина: Горизонтальное расстояние между вертикальными осями через центры отверстий моделей уха в монтажном приспособлении или макете головы (см. рисунки А.1, А.2 и А.8, приложение А).
3.18 тестовая глубина: Вертикальное расстояние между осью через центры монтажных отверстий моделей уха и верхом опоры оголовья; модели уха закреплены так, что их короткая ось направлена вертикально (см. рисунок А.1, приложение А).
3.19 высота одевания: Расстояние по вертикали между нижним краем оголовья каски и верхней точкой макета головы, на который одевается каска.
Примечание — Оголовье каски — по ГОСТ Р EH 397/A1.
4. Общие технические требования 4.1. Наушники и наушники, смонтированные с защитной каской
4.1.1. Размеры
Наушники классифицируют на три типа размеров: малого размера (S), среднего размера (М) и большого размера (L).
4.1.2. Требования к материалам
4.1.2.1. Все части наушника, которые соприкасаются с кожей, должны быть мягкими, неметаллическими, гибкими и не должны вызывать раздражение, аллергические реакции и другие отрицательные реакции, влияющие на здоровье.
4.1.2.2. Материалы противошумов должны допускать гигиеническую обработку.
4.1.3. Требования к конструкции
4.1.3.1. Все части наушников, которые открыты во время эксплуатации и хранения, должны быть скруглены, гладко обработаны и не должны иметь колющих, острых краев.
4.1.3.2. Наушники со сменными шумопоглотителями и амортизаторами, которые могут быть заменены потребителем, не должны требовать применения специальных инструментов для замены.
4.1.3.3. Все универсальные наушники должны быть снабжены оголовьем.
Модели наушников, предназначенные для ношения на затылке или под подбородком и имеющие массу, превышающую 150 г, должны быть снабжены жестким оголовьем.
4.1.3.4. Конструкцией противошумов должно быть предусмотрено допущение гигиенической обработки.
4.1.4. Регулируемость
Для каждой комбинации тестовых размеров, указанных в таблицах 1 — 3, регулирование чашек, оголовья, держателей чашек и ширины между амортизаторами должно позволять крепить наушники или наушники, смонтированные с защитной каской, на монтажном приспособлении или на макете головы соответственно.
Таблица 1 — Тестовые размеры — регулируемость (наушники с оголовьем поверх головы)
|
Диапазон размера |
Тестовая |
|
|
высота, мм |
ширина, мм |
|
|
S |
115 |
125, 145 |
|
130 |
125, 145 |
|
|
M |
115 |
145 |
|
130 |
125, 145, 155 |
|
|
140 |
145 |
|
|
L |
130 |
145, 155 |
|
140 |
145, 155 |
|
|
S — наушники малого размера; М — наушники среднего размера; L — наушники большого размера. |
||
Таблица 2 — Тестовые размеры — регулируемость (наушники с оголовьем на затылке и под подбородком)
|
Диапазон размера |
Тестовая |
|
|
высота, мм |
ширина, мм |
|
|
S |
75 |
125, 145 |
|
90 |
125, 145 |
|
|
М |
75 |
145 |
|
90 |
125, 145, 155 |
|
|
105 |
145 |
|
|
L |
90 |
145, 155 |
|
105 |
145, 155 |
|
|
S — наушники малого размера; М — наушники среднего размера; L — наушники большого размера. |
||
Примечания
1. Размеры, указанные в таблицах 1 и 2, выбраны, чтобы покрыть соответствующие комбинации: ширины головы, высоты головы и глубины головы 5-й, 50-й и 95-й процентилей взрослого населения.
2. Если неплоские адаптеры амортизаторов установлены на монтажное приспособление, то тестовая ширина — расстояние между двумя наиболее удаленными точками адаптеров амортизаторов, измеренное вдоль горизонтальной оси через центр измерения силы.
Таблица 3 — Тестовые размеры
|
Диапазон размера |
Тестовая высота, мм |
Тестовая ширина для макета головы, мм |
||
|
В |
J |
N |
||
|
S |
115 |
125 |
145 |
— |
|
130 |
125 |
145 |
||
|
M |
115 |
— |
145 |
— |
|
130 |
125 |
145, 155 |
||
|
140 |
— |
145 |
||
|
L |
130 |
— |
145 |
155 |
|
140 |
— |
145 |
155 |
|
|
S — наушники малого размера; М — наушники среднего размера; L — наушники большого размера. Примечание — Прочерк «-» означает, что требования не установлены. |
||||
4.1.5. Вращение чашек
При испытаниях в соответствии с 5.1.5 контакт между уплотнителями и пластинами монтажного приспособления должен быть непрерывным, так чтобы обеспечивался ненарушаемый барьер между внутренним и внешним периметрами амортизаторов.
4.1.6. Усилие прижатия оголовья
4.1.6.1. Для наушников, с оголовьем при испытаниях в соответствии с 5.1.6 усилие прижатия не должно превышать 14 Н.
4.1.6.2. Для наушников, смонтированных с защитной каской, при испытаниях в соответствии с 5.1.6 усилие прижатия не должно превышать 14 Н. Если комбинация наушники/каска снабжена устройством для регулирования этой силы, то ее устанавливают на уровне не более 14 Н.
4.1.6.3. Каждую дополнительную комбинацию дополнительно испытывают на поглощение шума согласно ГОСТ Р ЕН 13819-2 (подпункт 4.2.3.6), если:
а) среднее значение усилия прижатия эквивалента оголовья в дополнительной комбинации наушники/каска по 5.1.6.4 больше 8 Н или
б) соблюдается условие уравнения (1)
—L £ T £ L, (1)
где для каждой дополнительной комбинации T и L, %, вычисляют по формулам (2) и (3) соответственно:
(2)
где Fcp.осн — среднее значение усилия прижатия, Н, эквивалента оголовья наушников в основной комбинации, как указано в 5.1.6.4;
Fcp.доп — среднее значение усилия прижатия, Н, эквивалента оголовья наушников в дополнительной комбинации, как указано в 5.1.6.4.
Примечание — T — отклонение Fcp.доп:
— для Fcp.осн < 8H, L = 10 %;
— для 8Н < Fcp.осн < 11Н, (3)
— для Fcp.осн > 11H, L = 20 %.
Примечание — L — максимальное отклонение Fср.доп, %.
4.1.7. Давление амортизаторов
При испытании согласно 5.1.7 давление амортизатора не должно превышать 4500 Па.
4.1.8. Устойчивость к повреждению при падении
При испытании наушников с оголовьем или комбинации наушники/каска согласно 5.1.8 на них не должны появляться трещины, а также не должны отделяться никакие части (кроме сменных амортизаторов), так чтобы правильная повторная сборка потребовала специальных инструментов или замены деталей.
4.1.9. Устойчивость к повреждению при падении в условиях низкой температуры (необязательно)
При испытании наушников с оголовьем или комбинации наушники/каска согласно 5.1.9 на них не должны появляться трещины, а также не должны отделяться никакие части (кроме сменных амортизаторов), так чтобы правильная повторная сборка потребовала специальных инструментов или замены деталей.
4.1.10. Изменение усилия прижатия оголовья
Усилие прижатия оголовья каждого образца, измеренное в 5.1.6, не должно измениться более чем на ± 20 % после выполнения испытаний по перечислениям б) — к) 5.1.3.7; наушники, каркас каски, чашки и держатели не должны иметь трещин и других повреждений.
4.1.11. Акустическая эффективность
Значения акустической эффективности определяются по ГОСТ Р ЕН 13819-2. Стандартные отклонения не должны превышать 4 дБ в четырех или более смежных третьоктавных полосах частот и 7 дБ — в любой отдельной третьоктавной полосе частот.
4.1.12. Устойчивость к протечкам (для амортизаторов, заполненных жидкостью)
Если амортизаторы заполнены жидкостью, то не должно произойти ее утечки при испытании наушников согласно 5.1.14.
4.1.13. Воспламеняемость
При испытании в соответствии с 5.1.15 никакая из частей наушника не должна гореть или тлеть после удаления нагретого стержня.
4.1.14. Минимальное поглощение шума
При испытании в соответствии с ГОСТ Р ЕН 13819-2 значения (Mf — sf) для наушников не должны быть меньше приведенных в таблице 4.
Таблица 4 — Минимальное поглощение шума наушниками
|
Группа наушников |
Значение минимального поглощения шума (Mf — sf)1), дБ, при частоте, Гц |
||||||
|
125 |
250 |
500 |
1000 |
2000 |
4000 |
8000 |
|
|
А |
5 |
8 |
10 |
12 |
12 |
12 |
12 |
|
Б |
— |
5 |
7 |
9 |
9 |
9 |
9 |
|
1) Mf — среднее значение поглощения шума. sf — стандартные отклонения в соответствии с ГОСТ Р 12.4.211. |
|||||||
4.1.15. Информация изготовителя
4.1.15.1. Для наушников с оголовьем инструкции по 4.1.15.1.1 и 4.1.15.1.2 должны быть предоставлены на официальном языке (языках) страны-заказчика.
4.1.15.1.1. Инструкция для пользователя
К наушникам должна быть приложена инструкция для пользователя, содержащая:
а) номер настоящего стандарта;
б) торговую марку либо другие средства идентификации изготовителя, импортера или дистрибьютора;
в) наименование модели;
г) указания (выбрать нужные):
— данная модель наушников отвечает требованиям устойчивости к температуре плюс 50 °C.
— данная модель наушников отвечает требованиям устойчивости к температуре минус 20 °C.
Примечание — Возможно сочетание этих указаний;
д) описание типа оголовья и амортизаторов;
е) метод подгонки, регулирования;
ж) для наушников малых/больших размеров указание (выбрать нужное):
на упаковочной коробке:
предупреждение — «Наушники малых/больших размеров, смотри инструкцию для пользователя»;
в инструкции для пользователя:
предупреждение: «Наушники малых/больших размеров. Наушники бывают средних размеров либо малых/больших размеров. Наушники среднего размера подходят для большинства пользователей. Наушники малых/больших размеров предназначены для тех потребителей, которым не подходят наушники среднего размера»;
и) для каждого способа ношения наушников следующие показатели ослабления звука:
1) среднее значение и стандартное отклонение для каждой частоты испытания,
2) показатель APV для каждой частоты испытания согласно ГОСТ Р 12.4.212 при a, равном 1,
3) показатели Н, М и L согласно ГОСТ Р 12.4.212 при a, равном 1.
4) показатель SNR согласно ГОСТ Р 12.4.212 при a, равном 1.
Все показатели одинаково важны;
к) рекомендации для потребителя:
1) соответствие подгонки, регулировки и условий хранения наушников инструкциям изготовителя,
2) обязательное ношение наушников в условиях шума,
3) регулярную проверку эксплуатационной надежности наушников;
л) предупреждение, что в случае несоблюдения требований перечисления к) защитные свойства наушников существенно ухудшатся;
м) метод очистки и дезинфекции наушников, который предусматривает конкретные чистящие средства и требует использования средств, известных в качестве безвредных для человека;
н) предупреждение: «На данный продукт могут неблагоприятно влиять определенные химические вещества. Подробную информацию следует запросить у изготовителя»;
п) предупреждение: «Наушники, в особенности амортизаторы, могут изнашиваться в процессе использования; их нужно регулярно проверять на появление трещин или протечек»;
р) рекомендуемые условия хранения до и после использования;
с) информацию, необходимую при заказе сменных амортизаторов;
т) метод замены амортизаторов (при необходимости);
у) массу наушников;
ф) адрес для обращения за дополнительной информацией.
4.1.15.1.2. Дополнительная информация
Изготовитель предоставляет по требованию следующую информацию:
а) диапазон размеров головы, для которых подходят наушники;
б) информацию, указанную в 4.1.15.1.1;
в) результаты испытаний, выполненных в соответствии с настоящим стандартом;
г) наименование лаборатории, проводившей испытания, страну, где проводили испытания, и дату испытаний.
4.1.15.2. Для наушников, смонтированных с защитной каской, инструкции по 4.1.15.2.1 и 4.1.15.2.2 должны быть предоставлены на официальном языке (языках) страны-заказчика.
4.1.15.2.1. Инструкция для пользователя
К наушникам должна быть приложена инструкция для пользователя, содержащая:
а) номер настоящего стандарта;
б) торговую марку либо другие средства идентификации изготовителя, импортера или дистрибьютора;
в) наименование модели — наушники и держатели чашек;
г) указания (выбрать нужные):
— данная модель комбинации наушники/защитная каска отвечает требованиям устойчивости к температуре плюс 50 °C,
— данная модель комбинации наушники/защитная каска отвечает требованиям устойчивости к температуре минус 20 °C.
Примечание — Возможно сочетание этих указаний;
д) описание типа амортизаторов;
е) изготовителя(ей) и наименование модели защитной каски, в комбинации с которой наушники отвечают настоящему стандарту. Такая информация должна быть предоставлена в следующем виде: «Данные наушники должны устанавливаться только на следующих моделях защитной каски и использоваться только в комбинации с ними»;
ж) метод крепления наушников на каску (если нужно);
и) метод регулирования, включая инструкции по регулированию усилия прижатия эквивалента оголовья, инструкцию по установке нерабочего положения согласно 3.11 или нейтрального положения согласно 3.10;
к) информацию для наушников малых или больших размеров:
на упаковочной коробке:
«Предупреждение: наушники малых/больших размеров смотри инструкцию для пользователя», в инструкции для пользователя:
«Предупреждение: наушники малых/больших размеров. Наушники бывают средних размеров либо малых/больших размеров. Наушники среднего размера подходят для большинства пользователей. Наушники малых/больших размеров предназначены для тех потребителей, которым не подходят наушники среднего размера;
При креплении наушников на данный тип защитной каски получаемая комбинация обозначается как «малый размер» или «большой размер» (выбрать нужное);
л) следующие данные о значениях поглощения шума наушниками, закрепленными на защитной каске и испытанными согласно ГОСТ Р ЕН 13819-2 (если комбинация наушники/каска снабжена устройством для регулирования усилия прижатия эквивалента оголовья, то значения поглощения шума должны быть представлены как при минимальной, так и при максимальной силе):
1) среднее значение и стандартное отклонение для каждой частоты испытания,
2) показатель APV для каждой частоты испытания согласно ГОСТ Р 12.4.212 при α, равном 1,
3) показатели Н, М и L согласно ГОСТ Р 12.4.212 при a, равном 1.
4) показатель SNR согласно ГОСТ Р 12.4.212 при a, равном 1.
Все показатели одинаково важны;
м) рекомендации для потребителя:
1) убедитесь, что комбинация наушники/каска собрана, отрегулирована и используется в соответствии с инструкцией изготовителя,
2) носите комбинацию наушники/каска в течение всего времени пребывания в шумном помещении,
3) регулярно проверяйте состояние комбинации наушники/каска;
н) предупреждение: «В случае несоблюдения требований перечисления м) защитные свойства комбинации наушники/каска значительно ухудшатся»;
п) информация о том, что способ очистки и дезинфекции комбинации должен быть таким, как указывает изготовитель; чистящие средства не должны быть опасными для пользователя или повреждающими наушники;
р) предупреждение: «Продукт может повреждаться определенными химическими веществами. За дополнительной информацией обращайтесь к изготовителю»;
с) предупреждение: «Наушники, в особенности амортизаторы, могут изнашиваться в процессе использования; их нужно регулярно проверять на появление трещин или протечек»;
т) рекомендации по хранению до и после использования;
у) информацию, необходимую для заказа сменных амортизаторов;
ф) метод замены амортизаторов (при необходимости);
х) адрес для обращения за дополнительной информацией.
4.1.15.2.2. Дополнительная информация
По запросу потребителя изготовитель должен предоставить следующую информацию:
а) диапазон размеров головы, подходящих для данной комбинации;
б) информацию согласно 4.1.15.2.1;
в) результаты испытаний, выполненных в соответствии с настоящим стандартом;
г) наименование лаборатории, проводившей испытания, страну, где проводили испытания, и дату испытаний.
4.1.16. Требования к маркировке
Наушники должны быть маркированы устойчивым при эксплуатации методом. Маркировка должна содержать:
а) наименование, торговую марку или другие идентификационные признаки изготовителя;
б) наименование модели;
в) указания на чашках «ПЕРЕД» и/или «ВЕРХ», а также «ЛЕВАЯ» и «ПРАВАЯ», если изготовитель предусматривает ношение модели конкретно ориентированным образом.
г) номер настоящего стандарта.
4.2. Противошумные вкладыши
4.2.1. Размеры
Размер или размеры вкладышей измеряют в соответствии с 5.2.4 и указывают в протоколе. Вкладыши, сделанные на заказ, или полувкладыши не подлежат этому испытанию.
4.2.2. Требования к материалам
Материалы, используемые в деталях вкладыша и находящиеся в контакте с кожей пользователя, должны соответствовать следующим требованиям:
4.2.2.1. Материалы не должны раздражать кожу, повреждать ее, вызывать аллергические реакции или оказывать какой-либо отрицательный эффект на здоровье пользователя в период срока службы вкладышей.
4.2.2.2. Если вкладыши предназначены для повторного использования, то после чистки вкладыш не должен иметь изменений, существенно влияющих на его свойства.
4.2.2.3. Когда вкладыши находятся в контакте с потом, ушной серой или другими веществами, которые могут быть в ушном канале, материал, из которого сделан вкладыш, не должен претерпевать изменений в течение всего срока службы вкладыша, существенно влияющих на его свойства.
4.2.3. Требования к конструкции
4.2.3.1. Все части вкладыша не должны причинять физического ущерба пользователю при использовании в соответствии с инструкциями изготовителя.
4.2.3.2. Конструкцией любой детали вкладыша, которая может выступать из ушного канала, при использовании в соответствии с инструкциями изготовителя, должно быть предусмотрено исключение нанесения ущерба пользователю при механическом контакте с ней.
4.2.3.3. Вкладыш должен быть сделан так, чтобы при использовании в соответствии с инструкциями изготовителя его было легко полностью удалить из ушного канала без применения каких-либо инструментов при испытаниях с 16 испытателями.
Примечание — Проверка выполнения требований этого пункта может быть проведена при испытаниях, проводимых по ГОСТ Р 12.4.211.
4.2.3.4. В случаях, когда вкладыши предназначены для повторного использования, применяют подходящую упаковку, обеспечивающую гигиеническое хранение вкладышей в промежутках между применениями.
4.2.4. Устойчивость к повреждению при падении
При испытании противошумных вкладышей согласно 5.2.6 на них не должны появляться трещины, а также не должны отделяться никакие части, так чтобы правильная повторная сборка потребовала специальных инструментов или замены деталей.
4.2.5. Устойчивость к повреждению при падении в условиях низкой температуры (необязательно)
При испытании противошумных вкладышей согласно 5.2.7 на них не должны появляться трещины, а также не должны отделяться никакие части, так чтобы правильная повторная сборка потребовала специальных инструментов или замены деталей.
4.2.6. Воспламеняемость
При испытаниях в соответствии с 5.2.8 вкладыши не должны ни воспламеняться, ни продолжать тлеть после удаления нагретого стержня.
4.2.7. Диапазон примерки вкладышей, соединенных оголовьем
4.2.7.1. При испытаниях в соответствии с 5.2.5 для каждого диапазона примерки вкладышей, соединенных оголовьем поверх головы, должна подходить соответствующая комбинация тестовых размеров, указанных в таблице 5.
Таблица 5 — Тестовые размеры (вкладыши, соединенные оголовьем поверх головы)
|
Диапазон размера |
Тестовая |
|
|
высота, мм |
ширина, мм |
|
|
S |
115 |
125, 145 |
|
130 |
125, 145 |
|
|
M |
115 |
145 |
|
130 |
125, 145, 155 |
|
|
140 |
145 |
|
|
L |
130 |
145, 155 |
|
140 |
145, 155 |
|
|
S — вкладыши, соединенные оголовьем малого диапазона примерки; М — вкладыши, соединенные оголовьем среднего диапазона примерки; L — вкладыши, соединенные оголовьем большого диапазона примерки. |
||
|
Примечание — Размеры, указанные в таблице, выбраны, чтобы покрыть соответствующие комбинации, ширины головы, высоты головы и глубины головы 5-й, 50-й и 95-й процентилей взрослого населения. |
||
4.2.7.2. При испытаниях в соответствии с 5.2.5 для каждого диапазона примерки вкладышей, соединенных оголовьем на затылке или под подбородком, должна подходить соответствующая комбинация тестовых размеров, указанных в таблице 6.
Таблица 6 — Тестовые разм

