Эмали НЦ-5123. Технические условия
Заменяет

Страница 1

Страница 2

Страница 3

Страница 4

Страница 5

Страница 6

Страница 7

Страница 8

Страница 9

Страница 10

Страница 11
ГОСУДАРСТВЕННЫЙ СТАНДАРТ СОЮЗА ССР
ЭМАЛИ НЦ-5123
ТЕХНИЧЕСКИЕ УСЛОВИЯ ГОСТ 7462-73
Издание официальное
БЗ 10-96
ИПК ИЗДАТЕЛЬСТВО СТАНДАРТОВ Моски
УДК 666.291.3-819.6:006.354 Группа Л24
ГОСУДАРСТВЕННЫЙ СТАНДАРТ СОЮЗА ССР
ЭМАЛИ НЦ-5123 Технические условия
ГОСТ
7462-73
Enamels НЦ-5123. Specifications
ОКП 23 1422
Дата введения 01.01.74
Настоящий стандарт распространяется на эмали НЦ-5123, представляющие собой суспензию пигментов в растворе коллоксилина и смолы в смеси летучих органических растворителей с добавлением пластификаторов.
Эмали предназначаются для окраски необработанных поверхностей литых, соприкасающихся с маслом деталей двигателей автомобилей. тракторов и сельскохозяйственных машин.
Эмали наносят на поверхность методами пневматического распыления или окунания.
Покрытия на основе эмалей НЦ-5123 устойчивы к воздействию переменных температур от минус 40 до 60 ‘С.
Обязательные требования к эмалям НЦ-5123. напраыснные на обеспечение ах безопасности дня жизни. :шоровья и имущества населения и охраны окружающей среды, изложены в п. 4 табл. 1, пп. 4.1.4.2.
(Измененная редакция, Изм. № 4,5).
1. ТЕХНИЧЕСКИЕ ТРЕБОВАНИЯ
1.1а. (Исключен, Изм. № 4).
1.1. Эмали должны выпускаться в соответствии с требованиями настоящего стандарта по технологическому регламенту, утвержденному в установленном порядке.
|
Издание официальное ★ О |
Перепечатка воспрещена © Издательство стандартов, 1973 © ИПК Издательство стандартов. 1997 Переиздание с Изменениями |
С. 2 ГОСТ 7462-73
1.2. Цвет эмалей НЦ-5123 и коды ОКП должны соответствовать приведенным ниже:
красно-коричневый — ОКП 23 1422 1158;
темно-серый — ОКП 23 1422 1160;
зеленый — ОКП 23 1422 1108.
Соответствие изменившихся обозначений цветов эмалей НЦ-5123 приведенным в ГОСТ 7462 с изменением 2 дано в приложении.
(Измененная редакция, Изм. № 1, 2, 3).
1.3. Перед применением эмали разбавляют до рабочей вязкости растворителем марки 646 по ГОСТ 18188.
1.4. Эмали НЦ-5123 должны соответствовать требованиям и нормам, указанным в табл. I.
Таблица 1
|
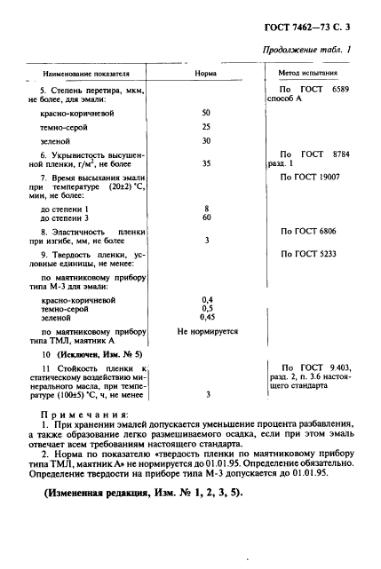
Нюиемовгиие показателя 1. Цвет пленки эмали— красно- коричневой темно-серой зеленой 2. Внешний вил пленки 3. Условная вязкость при температуре (20.0±0.5)*С по вискозиметру таги В 3-246 (или ВЗ-4) при разбавлении эмали растворителем в количестве 100—120 % от массы эмали, с 4. Массовая ладя нелетучих веществ, %, для эмали красно-коричневой и темно-серой зеленой |
Норма Должен быть блиэок установленному оброэцу цвета картотеки эталонов 603 Опенок не нормируется 829 Оттенок не нормируется 307 Оттенок не нормиру-!ется После высыхания пленка должна быть однородной, пол у Матовой иди полуглян-исвой без потеков и сморщивания 33-38 33-39 37-44 |
Метод испытания По п. 3 3 По п. 3.3 По ГОСТ 8420 и по п. 3.4 настоящего стандарта По ГОСТ 17537 и п. 3.4а настоящего стандарта |
ГОСТ 7462-73 С. 3
|
Продолжение табл. / |
|||||||||||||||||||||||||||||||||||||||||||||
|
Примечания:
1. При хранении эмалей допускается уменьшение процента разбавления, а также образование легко размешиваемого осадка, если при этом эмаль отвечает всем требованиям настоящего стандарта.
2. Норма по показателю «твердость пленки по маятниковому прибору типа ТМЛ, маятник Л» не нормируется до 01.01.95. Определение обязательно. Определение твердости на приборе типа М-3 допускается до 01.01.95.
(Измененная редакция, Изм. № 1,2, 3, 5).
С. 4 ГОСТ 7462-73
%. ПРИЕМКА
2.1. Правила приемки — по ГОСТ 9980.1.
2.2. Показатель, указанный в п. 11 табл. 1, изготовитель определяет в каждой десятой партии.
2.3. При получении неудовлетворительных результатов периодических испытаний изготовитель проверяет каждую партию до получения удовлетворительных результатов испытаний подряд не менее, чем в трех партиях.
Разд. 2. (Измененная редакция, Изм. № 5).
3. МЕТОДЫ ИСПЫТАНИЙ
3.1. Отбор проб — по ГОСТ 9980.2.
(Измененная редакция, Изм. № 4).
3.2. Подготовка образцов к испытанию
3.2.1. Эмаль перед испытанием размешивают, разбавляют растворителем марки 646 по ГОСТ 18188 и фильтруют через сетку 0211 ГОСТ 6613.
Массовую долю нелетучих веществ определяют в неразбавленной эмали.
Для испытания по всем остальным показателям, за исключением укрыиистости, эмаль разбавляют до вязкости 25—35 с, а для определения укрывистости — до 14—16 с (при температуре (20,0±0,5) *С) по вискозиметру типа ВЗ-246 (или ВЗ-4) с диаметром сопла 4 мм.
(Измененная редакция, Изм. № 4).
3.2.2. Цвет, внешний вил, время высыхания и эластичность пленки при изгибе определяют на пластинках из черной жести по ГОСТ 13345 толщиной 0,25—0,32 мм. Стойкость пленки к статическому воздействию минерального масла определяют на пластинках из стали марок 08кп и 08пс по ГОСТ 16523 толщиной 0,8—0,9 мм. Твердость пленки эмали и укрывистость определяют на стекле для фотографических пластинок по ТУ 21 —0284461 —058—90 размером 9 х 12—1,2.
Подготовку пластинок для нанесения эмалей производят по ГОСТ 8832, разд. 3.
Для определения эластичности пленки при изгибе и стойкости к статическому воздействию минерального масла на пластинку предварительно наносят грунтовку ГФ-021 по ГОСТ 25129 или ГФ-0119 по ГОСТ 23343 и сушат при температуре (105±5) *С в течение 0,5 ч. После сушки и охлаждения поверхность грунтовки шлифуют шкуркой марки 54 с или другой марки с зернистостью 4 или 5 по ГОСТ 10054 и протирают мягким материалом.
ГОСТ 7462-73 С. 5
3.2.3. Для определения цвета и внешнего вида эмаль наносят в два слоя с межслойной сушкой при температуре (20*2) *С в течение 10 мин. Такой же режим межслойной сушки применяется при определении укрывистости. Последний слой сушат при температуре (20+2) *С в течение 1 ч, затем при температуре (60±2) *С в течение 2 ч tun при температуре (20±2) *С в течение 24 ч.
Для определения времени высыхания эмаль наносят в один слой.
Для определения твердости пленки эмаль наносят в один слой и сушат 1 ч при температу ре (20±2) ‘С и затем 2 ч при температуре (60±2) *С или 24 ч при температуре (20±2) *С.
Толшина однослойного высушенного покрытия должна быть 25— 30 мкм.
Для определения эластичности пленки при изгибе и стойкости к статическому воздействию минерального масла эмаль наносят двумя слоями и сушат: первый слой при температуре (20±2) ‘С в течение 10 мин, а второй слой при температуре (20±2) *С в течение 1 ч и затем при температуре (60*2) *С в течение 2 ч или при температуре (20*2) *С в течение 24 ч.
Толшина двухслойного покрытия с грунтовкой должна быть 45— 50 мкм.
3.2.2, 3.2.3. (Измененняя редакция, Изм. № 1, 2, 3, 4, 5).
3.2.4. Нанесение эмали краскораспылителем на пластинки и сушку при температуре (20±2) ’С производят при относительной влажности воздуха не более 70 %. После горячей сушки перед испытанием выдерживают в течение 30 мин при температуре (20*2) *С.
(Измененная редакция. Изм. № 2, 3).
3.3. Внешний вид и цвет определяют визуально при естественном рассеянном свете.
Цвет пленки эмали определяют путем сравнения подготовленного для испытания образца цвета с соответствующими образцами цвета картотеки эталонов.
(Измененная редакция, Изм. № 1, 2).
3.4. Для определения вязкости к эмали добавляют растворитель марки 646 в количестве 100—120% от массы эмали. Количество растворителя, израсходованное для разбавления эмали до вязкости, указанной в п. 3 таблицы, (Л) в процентах вычисляют по формуле
т.-ЮО X а— ,
где т — масса эмали, г;
С. 6 ГОСТ 7462-73
/n( — количество растворителя, израсходованное для разбавления эмали, г.
Условную вязкость эмали определяют по вискозиметру типа ВЗ-246 (или ВЗ-4) с диаметром сопла 4 мм.
(Измененная редакция, Изм. № 4).
3.4а. Массовую долю нелетучих веществ определяют по ГОСТ 17537 в сушАльном шкафу при температуре (105±2) ’С в течение I ч. Масса навсски — (2,0±0,2) г.
(Измененная редакция, Изм. № 5).
3.5. (Исключен, Изм. № 5).
3 6. Стойкость пленки к статическому воздействию минерального масла определяют по ГОСТ 9 403. Осмотр испытуемых образцов проводят невооруженным глазом, при этом не должно наблюдаться сморщивания и отслаивания пленки эмали и образования пузырей.
(Измененная редакция, Изм. № 1, 3).
4. УПАКОВКА, МАРКИРОВКА, ТРАНСПОРТИРОВАНИЕ И ХРАНЕНИЕ
4.1. Упаковка — по ГОСТ 9980.3.
4.2. Маркировка — по ГОСТ 9980.4.
На транспортную тару должен быть нанесен манипуляционный знак «Беречь от нагрева» по ГОСТ 14192, знак опасности для класса 3 и классификационный шифр 3313 по ГОСТ 19433. Серийный номер ООН 1263.
4.3. Транспортирование и хранение — по ГОСТ 9980.5.
Разд. 4. (Измененная редакция, Изм. № 5).
5. ГАРАНТИИ ИЗГОТОВИТЕЛЯ
5.1. Изготовитель гарантирует соответствие эмалей требованиям настоящего стандарта при соблюдении условий транспортирования и хранения.
5.2. Гарантийный срок хранения эмалей — 6 мес со дня изготовления.
5.1, 5.2. (Измененная редакция, Изм. № 1, 3).
6. ТРЕБОВАНИЯ БЕЗОПАСНОСТИ И ПРОИЗВОДСТВЕННОЙ САНИТАРИИ
6.1. В соответствии с требованиями ГОСТ 12.1.044 эмали НЦ-5123 относятся к группе горючих веществ. Токсичность и пожа-ровзрывоопасность эмалей обусловлены свойствами растворителей.
ГОСТ 7462-73 С. 7
входящих в их состав (табл. 2), которые являются летучими и легковоспламеняющимися жидкостями, раздражающе действующими на слизистые оболочки глаз, дыхательных путей и кожу.
|
Таблица 2 |
|||||||||||||||||||||||||||||||||||||||||||||||||||||||||||||||||||||||||||||||||||||||
|
|||||||||||||||||||||||||||||||||||||||||||||||||||||||||||||||||||||||||||||||||||||||
(Измененная редакция, Изм. № 5).
6.1а. Эмаль НЦ-5132 имеет следующие пожароопасные характеристики:
температура вспышки 4 *С (з. т.), 13 ‘С (о. т.);
температура самовоспламенения 353 *С;
температурные пределы распространения пламени: нижний — 7 *С. верхний — 37 *С.
(Введен дополнительно, Изм. К° 5).
6.2. При производстве, применении и испытании эмалей должны соблюдаться требования пожарной безопасности и промышленной санитарии по ГОСТ 12.3.005.
6.3. Все работы, связанные с изгото&аением и применением эмалей. должны проводиться в помещениях, снабженных местной и обшей приточно-вытяжной вентиляцией, обеспечивающей чистоту воздуха рабочей зоны по ГОСТ 12.4.021, содержание паров вредных
С. 8 ГОСТ 7462-73
вс шее тв н которой не должно превышать предельно допустимые концентрации (ПДК) по ГОСТ 12.1.005.
(Измененная редакция, Изм. № 5).
6.3а. Контроль ПДК в воздухе рабочей зоны при производстве и применении эмалей должен устанавливаться в соответствии с требованиями ГОСТ 12.1.005.
(Введен дополнительно, Изм. Sv 5).
6.4. Средства тушения пожара: песок, кошма, огнетушители марки ОП-5, пенные установки.
(Измененная редакция, Изм. № 1).
6.5. Лица, связанные с изготовлением и применением эмалей, должны быть обеспечены специальной одеждой и средствами индивидуальной зашиты по ГОСТ 12.4.011.
(Измененная редакция, Изм. № 1, 4).
6.6. Производство эмалей НЦ-5123 должно соответствовать «Общим правилам взрывобезопасности для взрывопожароопасных химических, нефтехимических и нефтеперерабатывающих производств*, утвержденным Госгортехнадзором 06.09.89.
(Введен дополнительно, Изм. № 5).
7. ОХРАНА ПРИРОДЫ
7.1. Для предупреждения загрязнения атмосферного воздуха должна быть предусмотрена очистка удаляемого обшеобменной и местной вентиляцией воздуха на гаю очистных установках.
7.2. Контроль за соблюдением предельно допустимых выбросов (ПДВ) — по ГОСТ 17.2.3.02.
7.3. Утилизация отходов осуществляется в соответствии с санитарными правилами № 3183—84 «Порядок накопления, транспортировки, обезвреживания и захоронения промышленных отходов*, утвержденными М3 СССР 29.12.84, и с учетом требований санитарных правил 1^? 3209—85 «Предельное количество накопления токсичных промышленных отходов на территории предприятия (организации)*, утвержденных М3 СССР 01.02.85.
7.4. В воздушной среде и сточных водах в присутствии других веществ или факторов эмали НЦ-5123 токсичных веществ не образуют.
Разд. 7. (Введен дополнительно, Изм. № 5).
ГОСТ 7462-73 С. 9
ПРИЛОЖЕНИЕ
Справочное
Соответствие изменившихся обозначений цветов эмалей НЦ-5123 с приведенными в ГОСТ 7462-73 с изменением St 2
Обраки ияетя ирготпи тломо*
Цвет >мии
по ГОСТ 7462 с мтсисмием Ук 3
по ГОСТ 7462 е имм-нсимм М» 2
Красно коричневый
603
829
307
600, 60S 829, 839 726, 727
Темно-серый
Зеленый
(Измененная редакция, Him. № 1, 3).
ИНФОРМАЦИОННЫЕ ДАННЫЕ
1. РАЗРАБОТАН И ВНЕСЕН Министерством химической промышленности СССР
РАЗРАБОТЧИКИ
МА Чупеев, К.Т. Сулнмова, О.Г. Курбатова
2. УТВЕРЖДЕН И ВВЕДЕН В ДЕЙСТВИЕ Постановлением Государственного комитета стандартов Совета Министров СССР от 8 января 1973 г. № 21
3. ВЗАМЕН ГОСТ 7462-55
4. Периодичность проверки — 5 лет
С. 10 ГОСТ 7462-73
5. ССЫЛОЧНЫЕ НОРМАТИВНО-ТЕХНИЧЕСКИЕ ДОКУМЕНТЫ
|
Оболаченис НТД. на который лам* ссылка |
Номер пункта |
Обозначение НТД. на который дана ссылка |
Номер |
|
ГОСТ 9 403-80 |
14. 3 6 |
ГОСТ 9980 1-86 |
2.1 |
|
ГОСТ 12 1 005-88 |
6 3. 6 За |
ГОСТ 9880.2- 86 |
3.1 |
|
ГОСТ 12 1.044-89 |
6.1 |
ГОСТ 9880.3-86 |
4 1 |
|
ГОСТ 12 3 005-75 |
6.2 |
ГОСТ 9880 4—86 |
4.2 |
|
ГОСГ 1274 011-89 |
6.5 |
ГОСТ 9880 5-86 |
4.3 |
|
ГОСТ 12 4 021-75 |
63 |
ГОСТ 10054-82 |
32.2 |
|
ГОСТ 17 2 3 02-78 |
7.2 |
ГОСТ 13345-85 |
3.2.2 |
|
ГОСТ 5233-89 |
1.4 |
ГОСТ 14192-77 |
4.2 |
|
ГОСТ 6589-74 |
1.4 |
ГОСТ 16523-89 |
3.2.2 |
|
ГОСТ 6613-86 |
3.2.1 |
ГОСТ 17537-72 |
1 4. 3 4а |
|
ГОСТ 6806-73 |
1.4 |
ГОСТ 18188-72 |
1.3, 3 21 |
|
ГОСТ 7462-73 |
1.2, приложение |
ГОСТ 19007-73 |
1.4 |
|
ГОСТ 8420-74 |
1.4 |
ГОСТ 19433-88 |
42 |
|
ГОСТ 8784- 75 |
14 |
ГОСТ 23343-78 |
3 22 |
|
ГОСТ 8832-76 |
322 |
ГОСТ 25129-82 |
312 . |
6. Офаниченне срока действия снято по Протоколу Межгосударственного Совета по стандартизации, метрологии и сертификации (ИУС 5-6-93)
7. ПЕРЕИЗДАНИЕ (март 1997 г.) с Изменениями Ns 1, 2, 3, 4, 5, утвержденными в феврале 1979 г., июле 1983 г., октябре 1985 г., июне 1988 г., феврале 1993 г. (ИУС 4-79, 11-83, 1-86, 9-88, 10-93)
Редактор М. И. Махсинова Технический редактор IIС Г(лшо>ю*а Корректор М.С. Кобашом Компьютерная верстка А.С Ю-ршш
Им. лиц N>021007 от 10 08 95. Сдано о набор04 06 97. Подписано а печать 30 06.97 _ Уел печп 0.70 Уч -юл.л. 0.65. Тираж 214 жэ С 641. За*. 465.
И11К Итлательсшо стандартов, 107076, Москва. Колодезный пер., 14. Набрано в И щательствс иа ПЭВМ Филиал ИПК Издательство стандартов — тип, ‘Московский печатник» Москва, Лялин пер . 6 ПярМ. 080102

