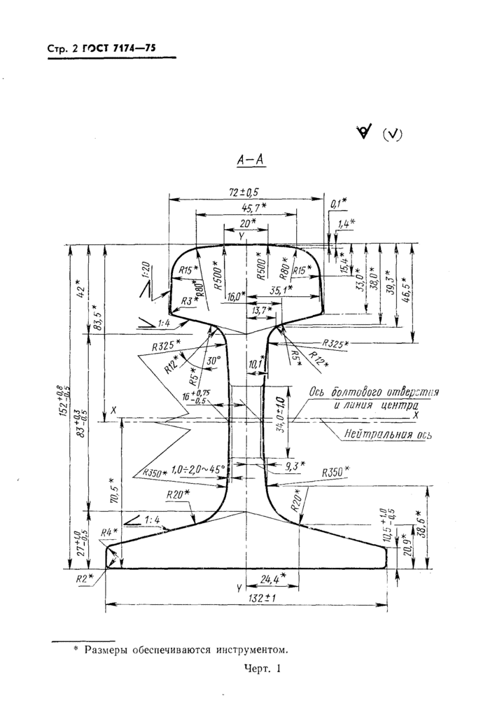
Рельсы железнодорожные типа Р50. Конструкция и размеры
Действие завершено 01.07.2001
Утратил силу в РФ
Заменяет

Страница 1

Страница 2

Страница 3

Страница 4

Страница 5

Страница 6

Страница 7
Рельсы железнодорожные типа Р50. Конструкция и размеры
Действие завершено 01.07.2001
Утратил силу в РФ
Заменяет

Страница 1

Страница 2

Страница 3

Страница 4

Страница 5

Страница 6

Страница 7