Картон электроизоляционный для трансформаторов и аппаратов с масляным заполнением. Технические условия
Заменяет

Страница 1

Страница 2

Страница 3

Страница 4

Страница 5

Страница 6

Страница 7

Страница 8

Страница 9

Страница 10

Страница 11

Страница 12

Страница 13

Страница 14

Страница 15

Страница 16

Страница 17
ГОСУДАРСТВЕННЫЙ СТАНДАРТ СОЮЗА ССР
КАРТОН ЭЛЕКТРОИЗОЛЯЦИОННЫЙ
ДЛЯ ТРАНСФОРМАТОРОВ И АППАРАТОВ
С МАСЛЯНЫМ ЗАПОЛНЕНИЕМ
ТЕХНИЧЕСКИЕ УСЛОВИЯ
ГОСТ 4194-88
ГОСУДАРСТВЕННЫЙ КОМИТЕТ СССР ПО СТАНДАРТАМ
Москва
ГОСУДАРСТВЕННЫЙ СТАНДАРТ СОЮЗА ССР
|
КАРТОН ЭЛЕКТРОИЗОЛЯЦИОННЫЙ ДЛЯ ТРАНСФОРМАТОРОВ И АППАРАТОВ С МАСЛЯНЫМ ЗАПОЛНЕНИЕМ Технические условия Electroinsulating board for transformers and apparatus charged with oil. Specifications |
ГОСТ |
Срок действия с 01.01.90
до 01.01.95
Несоблюдение стандарта преследуется по закону
Настоящий стандарт распространяется на электроизоляционный картон, предназначенный для использования в трансформаторах, в аппаратах и в другом электрооборудовании с масляным заполнением при рабочей температуре до 105 °С включительно, изготовляемый для нужд народного хозяйства и для экспорта.
1. ТЕХНИЧЕСКИЕ ТРЕБОВАНИЯ
1.1. Картон должен изготовляться в соответствии с требованиями настоящего стандарта по технологической документации, утвержденной в установленном порядке.
1.2. Основные параметры и размеры
1.2.1. Картон должен изготовляться марок AM, А, Б, В и Г. Характеристика и назначение марок картона приведены в приложении.
1.2.2. Картон марок AM, А и Б должен изготовляться в листах размером 1000´1020, 1500´1020, 3000´2000, 3000´4000 мм, картон марки В — в листах размерами 3200´2100, 3200´4200, 3200´6300 мм.
Размеры листа 1020, 2000, 2100, 4000, 4200 и 6300 мм должны совпадать с машинным направлением картона. Предельные отклонения размеров листа не должны превышать ±1,0 %.
Картон марки Г должен изготовляться в рулонах шириной 1000 мм. Предельные отклонения по ширине рулона не должны превышать ±5 мм.
По требованию потребителя картон в листах может быть изготовлен других размеров, в рулонах — другой ширины.
1.2.3. Условное обозначение электроизоляционного картона должно содержать: марку, толщину, размеры листа (ширину рулона) и обозначение настоящего стандарта.
Пример условного обозначения электроизоляционного картона марки Б толщиной 3,00 мм и размерами листа 3000´4000 мм:
Картон Б-3, 0-3000´4000 ГОСТ 4194-88
1.3. Характеристики
1.3.1. Показатели качества картона должны соответствовать нормам, приведенным в таблице.
1.3.2. Картон марок AM, А и Б должен изготовляться каландрированным, марок В и Г — машинной гладкости; с ровными обрезными кромками.
1.3.3. Поверхность картона должна быть без пятен, сквозных отверстий, металлических и минеральных включений, видимых невооруженным глазом.
1.3.4. На поверхности листового картона не допускаются следующие дефекты: вмятины и утолщения, если толщина картона на месте указанных дефектов превышает ±20 % от значений, указанных в стандарте, а площадь их превышает 0,1 % от площади листа; задиры, полосы, складки, отпечатки от дефектов одежды картоноделательной машины, если толщина картона в местах дефектов имеет отклонение более чем ±7 % от значений, указанных в стандарте, и общая площадь повреждений превышает 5 % от площади листа.
На поверхности картона марок AM и А допускается не более трех задиров площадью более 10 см2 каждый на листе размером 3000´4000 мм. Масса таких листов не должна превышать 15 % от партии.
1.3.5. В рулонном картоне допускаются перечисленные в п. 1.3.4 малозаметные дефекты, если показатель этих дефектов, определенный по ГОСТ 13525.5-68, не превышает 5 %.
1.4. Маркировка
1.4.1. Маркировка картона — по ГОСТ 7691-81 с дополнением: по требованию потребителя картон различных марок маркируется красками различных цветов.
1.5. Упаковка
1.5.1. Упаковка картона по ГОСТ 7691-81 со следующими дополнениями.
Кипы картона марки В размером 3200´2100 мм упаковывают одним из следующих способов.
(Новая редакция, Изм. 1, 2).
1.5.1.1. Кипа должна быть обернута со всех сторон в один слой полиэтиленовой пленки по ГОСТ 10354-82 и два слоя оберточной бумаги по ГОСТ 8273-75.
Кипа должна быть уложена между находящимися сверху щитом (черт. 1) и снизу — поддоном (черт. 2) и затянута нагартованной стальной упаковочной лентой по ГОСТ 3560-73 размером 0,7´30 мм в направлении размера 3200 мм в три пояса. Масса нетто упакованной кипы должна быть не более 3000 кг.
1.5.1.2. Кипа, обернутая со всех сторон в один слой полиэтиленовой пленки по ГОСТ 10354-82 и два слоя оберточной бумаги по ГОСТ 8273-75, должна быть покрыта сверху и снизу одним листом некондиционного картона с защитой боковых граней уголками из некондиционного картона и затянута нагартованной стальной упаковочной лентой размерам 0,7´30 мм по ГОСТ 3560-73 в направлении размера 2100 мм в пять поясов, как показано на черт. 3. Масса нетто упакованной кипы должна быть не более 3000 кг
1.5.1.1, 1.5.1.2. (Введены дополнительно, Изм. № 2).
Черт. 1
Поддон
Черт. 2
Черт. 1, 2. (Введены дополнительно, Изм. № 1).
1 — кипа картона; 2 — лист некондиционного картона; 3 — лист некондиционного картона в виде уголка; 4 — упаковочная лента
Черт. 3
Черт. 3. (Введен дополнительно, Изм. № 2).
|
Наименование показателя |
Норма для картона марки |
Метод испытания |
||||
|
AM |
А |
Б |
В |
Г |
||
|
1. Состав по волокну, % |
По ГОСТ 7500-85 |
|||||
|
целлюлозы сульфатной небеленой по ГОСТ 12765-88 |
70 — 75 |
100 |
100 |
100 |
100 |
|
|
целлюлозы хлопковой по ГОСТ 595-79 или линта хлопкового типа 3 по ГОСТ 3818.0-72 |
25 — 30 |
— |
— |
— |
— |
|
|
2. Толщина, мм |
— |
— |
— |
— |
0,50 ± 0,05 |
По ГОСТ 27015-86 |
|
— |
— |
1,00 ± 0,10 |
— |
— |
||
|
— |
— |
— |
1,20 ± 0,09 |
— |
||
|
— |
— |
1,50 ± 0,10 |
— |
— |
||
|
— |
— |
— |
1,60 ± 0,11 |
— |
||
|
2,00 ± 0,15 |
2,00 ± 0,15 |
2,00 ± 0,15 |
2,00 ± 0,10 |
— |
||
|
2,50 ± 0,15 |
2,50 ± 0,15 |
2,50 ± 0,15 |
2,50 ± 0,12 |
— |
||
|
3,00 ± 0,20 |
3,00 ± 0,20 |
3,00 ± 0,20 |
3,00 ± 0,15 |
— |
||
|
— |
— |
4,00 ± 0,30 |
4,00 ± 0,20 |
— |
||
|
— |
— |
5,00 ± 0,35 |
— |
— |
||
|
— |
— |
6,00 ± 0,40 |
6,00 ± 0,30 |
— |
||
|
— |
— |
— |
8,00 ± 0,40 |
— |
||
|
3. Плотность, г/см3, для картона толщиной, мм: |
По ГОСТ 27015-86 |
|||||
|
0,50 |
— |
— |
— |
— |
0,90 — 1,15 |
|
|
1,00; 1,50 |
— |
— |
0,95 — 1,15 |
— |
— |
|
|
1,20; 1,60 |
— |
— |
— |
1,10 — 1,25 |
— |
|
|
2,00; 2,50; 3,00 |
0,85 — 1,00 |
0,90 — 1,00 |
1,00 — 1,15 |
1,20 — 1,35 |
— |
|
|
4,00; 5,00; 6,00; 8,00 |
— |
— |
1,00 — 1,20 |
1,20 — 1,35 |
— |
|
|
4. Предел прочности при растяжении, МПа (кгс/мм2), не менее: |
По ГОСТ 13525.1-79 и п. 3.4 настоящего стандарта |
|||||
|
в машинном направлении для картона толщиной, мм: |
||||||
|
от 0,50 до 6,00 включ. |
60 (6,0) |
60 (6,0) |
80 (8,0) |
— |
70 (7,0) |
|
|
1,20; 1,60 |
— |
— |
— |
110 (11,0) |
— |
|
|
от 2,00 до 8,00 включ. |
— |
— |
— |
120 (12,0) |
— |
|
|
в поперечном направлении, для картона толщиной, мм: |
||||||
|
от 0,50 до 6,00 включ. |
40 (4,0) |
40 (4,0) |
50 (5,0) |
— |
35 (3,5) |
|
|
1,20; 1,60 |
— |
— |
— |
80 (8,0) |
— |
|
|
от 2,00 до 8,00 включ. |
— |
— |
— |
90 (9,0) |
— |
|
|
5. Впитываемость масла, %, не менее |
30 |
25 |
15 |
8 |
— |
По ГОСТ 13648.5-78 и п. 3.5 настоящего стандарта |
|
6. Удельная электрическая проводимость водной вытяжки, мкСм/см, не более: |
По ГОСТ 8552-88 |
|||||
|
при модуле 1:50 |
45 |
45 |
45 |
50 |
45 |
|
|
при модуле 1:20 |
90 |
90 |
90 |
100 |
90 |
|
|
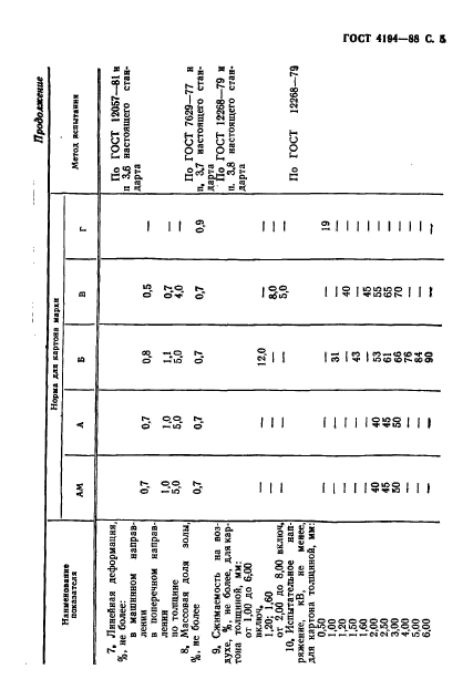
7. Линейная деформация, %, не более: |
По ГОСТ 12057-81 и п. 3.6 настоящего стандарта |
|||||
|
в машинном направлении |
0,7 |
0,7 |
0,8 |
0,5 |
— |
|
|
в поперечном направлении |
1,0 |
1,0 |
1,1 |
0,7 |
— |
|
|
по толщине |
5,0 |
5,0 |
5,0 |
4,0 |
— |
|
|
8. Массовая доля золы, %, не более |
0,7 |
0,7 |
0,7 |
0,7 |
0,9 |
По ГОСТ 7629-77 и п. 3.7 настоящего стандарта |
|
9. Сжимаемость на воздухе, %, не более, для картона толщиной, мм: |
По ГОСТ 12268-79 и п. 3.8 настоящего стандарта |
|||||
|
от 1,00 до 6,00 включ. |
— |
— |
12 |
— |
— |
|
|
1,20; 1,60 |
— |
— |
— |
8,0 |
— |
|
|
2,00 |
— |
— |
— |
5,5 |
— |
|
|
от 2,50 до 8,00 включ. |
— |
— |
— |
5,0 |
— |
|
|
10. Испытательное напряжение, кВ, не менее, для картона толщиной, мм: |
По ГОСТ 12268-79 |
|||||
|
0,50 |
— |
— |
— |
— |
19 |
|
|
1,00 |
— |
— |
31 |
— |
— |
|
|
1,20 |
— |
— |
— |
33 |
— |
|
|
1,50 |
— |
— |
43 |
— |
— |
|
|
1,60 |
— |
— |
— |
42 |
— |
|
|
2,00 |
40 |
40 |
53 |
53 |
— |
|
|
2,50 |
45 |
45 |
61 |
65 |
— |
|
|
3,00 |
50 |
50 |
66 |
70 |
— |
|
|
4,00 |
— |
— |
76 |
— |
— |
|
|
5,00 |
— |
— |
84 |
— |
— |
|
|
6,00 |
— |
— |
90 |
— |
— |
|
|
11. Стойкость к воздействию поверхностных разрядов, мин, не менее: |
По ГОСТ 12268-79 |
|||||
|
средняя |
35 |
20 |
14 |
— |
— |
|
|
минимальная |
23 |
16 |
10 |
— |
— |
|
|
12. Влажность, %, не более для картона толщиной, мм: |
По ГОСТ 13525.19-79 |
|||||
|
от 0,50 до 1,60 включ. |
— |
— |
10,0 |
7,0 |
10,0 |
|
|
св. 1,60 |
8,5 |
8,5 |
8,5 |
7,0 |
— |
|
(Измененная редакция, Изм. № 1, 2).
2. ПРИЕМКА
2.1. Определение партии и объем выборки — по ГОСТ 8047-78.
2.2. Показатель удельной электрической проводимости водной вытяжки изготовитель определяет периодически не реже одного раза в квартал, а также по требованию потребителя.
2.3. Показатель сжимаемости на воздухе изготовитель определяет периодически не реже одного раза в неделю.
2.4. При получении неудовлетворительных результатов испытаний хотя бы по одному из показателей по нему проводят повторные испытания на удвоенной выборке. Результаты повторных испытаний распространяются на всю партию.
2.5. Количество и размеры внешних дефектов для листового картона определяют на каждом листе партии.
3. МЕТОДЫ ИСПЫТАНИЙ
3.1. Отбор проб и подготовка образцов к испытаниям — по ГОСТ 8047-78.
3.2. Кондиционирование образцов картона перед испытаниями и испытания проводят по ГОСТ 13523-78 при относительной влажности воздуха (50 ± 2) % и температуре (23 ± 1) °С. Продолжительность кондиционирования должна быть не менее для картона толщиной:
0,50 мм………………………………………………… 16 ч;
От 1,00 до 2,00 мм включ. 24 ч;
От 2,50 до 4,00 мм включ. 48 ч;
Св. 4,00 мм………………………………………….. 72 ч.
3.3. Определение размеров листа и ширины рулона — по ГОСТ 21102-80, машинного направления картона — по ГОСТ 7585-74.
3.4. При определении предела прочности при растяжении ширина образцов картона должна быть 15 — 50 мм.
3.5. Определение впитываемости при полном погружении проводят по разности между массой высушенного образца картона до и после погружения в масло, отнесенной к массе высушенного образца до погружения в масло.
Сушку и пропитку трансформаторным маслом проводят при остаточном давлении не выше 1,33 кПа (10 мм рт. ст.). Образцы сушат при температуре (100 ± 5) °С, пропитывают при температуре (90 ± 5) °С.
Продолжительность сушки и пропитки образцов — по ГОСТ 12268-79.
Для пропитки применяют трансформаторное масло по ГОСТ 982-80, или ГОСТ 10121-76, или по ТУ 38.101.1025-85, или ТУ 38.101.890-80.
3.6. Линейную деформацию (Д0) определяют после кондиционирования и высушивания образцов картона до постоянной массы при температуре 100 — 105 °С. Допускается определять линейную деформацию без кондиционирования образцов картона перед сушкой. Полученные результаты при этом пересчитывают на 7 %-ную влажность по формуле
где Д — показатель линейной деформации при фактической влажности, %;
7 — коэффициент пересчета линейной деформации на 7 %-ную влажность картона;
w — фактическая влажность картона, %.
3.7. При определении массовой доли золы в картоне температура прокаливания должна быть (800 ± 25) °С.
3.8. Показатель сжимаемости на воздухе определяют для картона плотностью более 1,00 г/см3. Определение проводят после сушки образцов картона под давлением 20,0 МПа (200 кгс/см2).
3.9. Размеры внешних дефектов определяют металлической линейкой по ГОСТ 427-75 с ценой деления 1 мм.
4. ТРАНСПОРТИРОВАНИЕ И ХРАНЕНИЕ
Транспортирование и хранение — по ГОСТ 7691-81 с дополнением:
картон с размерами листа свыше 1500 мм транспортируется в открытых транспортных средствах, защищенным от атмосферных осадков (брезентом, полиэтиленовой пленкой и др.).
5. ГАРАНТИИ ИЗГОТОВИТЕЛЯ
5.1. Изготовитель гарантирует соответствие картона требованиям настоящего стандарта при соблюдении условий транспортирования и хранения.
5.2. Гарантийный срок хранения картона — 5 лет со дня изготовления.
ПРИЛОЖЕНИЕ
Рекомендуемое
НАЗНАЧЕНИЕ МАРОК КАРТОНА
AM — с высокой стойкостью к воздействию поверхностных разрядов для изготовления деталей главной изоляции высоковольтных трансформаторов и аппаратов напряжением от 750 кВ и выше, для изготовления прессованных шайб трансформаторов всех классов напряжения;
А — для изготовления деталей главной изоляции трансформаторов и аппаратов напряжением до 750 кВ;
Б — высокой электрической прочности для изготовления деталей главной изоляции трансформаторов напряжением до 220 кВ, для деталей уравнительной и ярмовой изоляции и для изготовления склеенных деталей трансформаторов всех классов напряжения, а также для изоляции в другом электрооборудовании с масляным заполнением;
В — повышенной плотности, малой сжимаемости под давлением и высокой электрической прочности для деталей изоляции трансформаторов, аппаратов и другого электротехнического оборудования с масляным заполнением, а также для изготовления склеенного картона и склеенных деталей;
Г — средней плотности, для изоляции электрооборудования с масляным заполнением.
Картон всех марок может быть использован для изоляции электроизделий, работающих в воздушной среде при температуре до 90 °С включительно.
ИНФОРМАЦИОННЫЕ ДАННЫЕ
1. РАЗРАБОТАН И ВНЕСЕН Министерством лесной промышленности СССР
ИСПОЛНИТЕЛИ
А.Н. Разумов, канд. техн. наук (руководитель темы); А.В. Рябков, канд. техн. наук; Ю.А. Борисов, В.В. Хакимова
2. УТВЕРЖДЕН И ВВЕДЕН В ДЕЙСТВИЕ Постановлением Государственного комитета СССР по стандартам от 15.09.88 № 3152
3. Срок первой проверки — 1993 г.
Периодичность проверки — 5 лет
4. ВЗАМЕН ГОСТ 4194-83
5. ССЫЛОЧНЫЕ НОРМАТИВНО-ТЕХНИЧЕСКИЕ ДОКУМЕНТЫ I
|
Обозначение НТД, на который дана ссылка |
Номер пункта |
|
ГОСТ 427-75 |
3.9 |
|
ГОСТ 595-79 |
1.3.1 |
|
ГОСТ 982-80 |
3.5 |
|
ГОСТ 3818.0-72 |
1.3.1 |
|
ГОСТ 7500-85 |
1.3.1 |
|
ГОСТ 7585-74 |
3.3 |
|
ГОСТ 7629-77 |
1.3.1 |
|
ГОСТ 7691-81 |
1.4.1; 1.5.1; 4.1 |
|
ГОСТ 8047-78 |
2.1; 3.1 |
|
ГОСТ 8552-88 |
1.3.1 |
|
ГОСТ 10121-76 |
3.5 |
|
ГОСТ 12057-81 |
1.3.1 |
|
ГОСТ 12268-79 |
1.3.1; 3.5 |
|
ГОСТ 12765-88 |
1.3.1 |
|
ГОСТ 13523-78 |
3.2 |
|
ГОСТ 13525.1-79 |
1.3.1 |
|
ГОСТ 13525.5-68 |
1.3.5 |
|
ГОСТ 13525.19-71 |
1.3.1 |
|
ГОСТ 13648.5-78 |
1.3.1 |
|
ГОСТ 21102-80 |
3.3 |
|
ГОСТ 27015-86 |
1.3.1 |
|
ТУ 38.101.890-80 |
3.5 |
|
ТУ 38.101.1025-85 |
3.5 |
СОДЕРЖАНИЕ
|
1. Технические требования. 1 2. Приемка. 5 3. Методы испытаний. 5 4. Транспортирование и хранение. 6 5. Гарантии изготовителя. 6 Приложение. Назначение марок картона. 7 |




