Инструмент слесарно-монтажный. Правила приемки
На нашем сайте можно бесплатно скачать Руководящий документ ГОСТ 26810-86 в удобном формате. Узнать актуальный статус документа «Инструмент слесарно-монтажный. Правила приемки» на 2016 год.
Скрыть дополнительную информацию
Страница 1

Страница 2

Страница 3

Страница 4

Страница 5

Страница 6

Страница 7

Страница 8

Страница 9

Страница 10

Страница 11

Страница 12

Страница 13

Страница 14
ГОСУДАРСТВЕННЫЙ СТАНДАРТ СОЮЗА ССР
ИНСТРУМЕНТ
СЛЕСАРНО-МОНТАЖНЫЙ
ПРАВИЛА ПРИЕМКИ
ГОСТ 26810-86
Издание официальное
БЗ 8-93 /О 00
Е
ИЗДАТЕЛЬСТВО СТАНДАРТОВ Москва
УДК 621.787.02:006.354 Групп» Г2»
ГОСУДАРСТВЕННЫЙ СТА НДАРТ СОЮЗА .ССР
ИНСТРУМЕНТ СЛЕСАРНО-МОНТАЖНЫЙ
ГОСТ
Правим приемки 1
Fitter’* tool». Acccplance rules 26810 86*
ОКСТУ 3907
Постановлением Государственного комитета СССР по стандартам от 27 яикара 1186 г. 202 срок действия установлен
с Pl.Ot ,87 до 01.01.07
Настоящий стандарт распространяется на слесарно-монУаж-ный . металлообрабатывающий немеханнзированный инструмент, изготовляемый для нужд народного хозяйства и для экспорта.
I. ОБЩИЕ ПОЛОЖЕНИЯ
1.1. Слесарно-монтажный инструмент следует подвергать приемочному контролю и периодическим испытаниям.
1.2. Приемочному контролю и периодическим испытаниям подлежат инструменты, выпускаемые в серийном и массовом производстве.
1.3. Инструмент к приемке должен предъявляться партиями.
1.4. Партия должна состоять из инструментов одного вица и типоразмера, изготовленных из одних и тех же материалов, по одному технологическому процессу и одновременно предъявленных к приемке по одному документу.
1.5. Методы контроля и* испытаний должны соответствовать указанным в стандартах и технических условиях на конкретные виды инструмента.
1.6. При приемочном контроле и периодических испытаниях должен применяться выборочный контроль в соответствии с требованиями настоящего стандарта.
(Измененная редакция, Изм. № 3)
1
Переиздании (дека(>рь 1993 г.) с Изменениями 1. 2. 3. утвержденными в ноябре 1986 г.. в августе 1987 г.. в июн* 1990 г. (ИУС 2—87. 12—87. 11—90)
С- * ГОСТ 26810-88
1.7. Правила отбора инструмента в выборку при выборочном контроле должны соответствовать методу случайного отбора по ГОСТ 18321-73.
1.8. Порядок проведении приемочного контроля должен соответствовать ГОСТ 18242-72.
1.9. Дефектные инструменты, выявленные в партии, прошедшей приемочный контроль, должны быть изъяты и заменены.
1.10. Результаты выборочного приемочного контроля распространяются на всю партию.
1.11. Приемочный контроль должен включать контроль внешнего вида и маркировки, размерных параметров н параметров, Характеризующих шероховатость поверхностей и качество покрытий, твердости, прочности и работоспособности’ в соответствии с разд. 2—5 настоящего стандарта.
,1.12, Периодическим испытаниям подвергают инструмент в количестве, указанном в табл. I, из числа прошедших приемочный контроль на соответствие требованиям надежности, установленным в стандартах на конкретный вид инструмента (кроме установленного срока службы).
1.11. 1.12. (Измененная редакция, Изм. № 3).
|
Т а б я и u а I |
|||||||||||||||
|
ГОСТ 26810-88 С. 3
|
Продолжение табл. 1 |
||||||||||||
|
1.13. Из всего объема инструментов, одинаковых по типу, исполнению. конструкции, технологии изготовления, периодичес* ним испытаниям подвергают один из наиболее распространенных типоразмеров инструмента.
2. КОНТРОЛЬ ВНЕШНЕГО ВИДА И МАРКИРОВКИ ИНСТРУМЕНТОВ
2.1. Дефекты внешнего вида инструментов разделяются на критические и малозначительные по ГОСТ 15467-79.
Классификация дефектов указана в табл. 2.
Критические дефекты не допускаются.
2.2. Внешний вид инструментов должен проверяться по одноступенчатому плану контроля в соответствии с табл. 6. .
2.3. Партия считается прошедшей приемочный контроль, если число дефектов выборки меньше или равно приемочному числу, указанному в табл. в, и партия считается не прошедшей приемочный контроль, если число в выборке будет равно или более браковочного числа, указанного в табл. 6.
2.4. Контроль внешнего вида и маркировки инструмента для экспорта должен быть сплошным.
Разд. 2. (Измененная редахцня, Изм. № 2, 3).
С 4 ГОСТ 26810-86
Таблица 2
Кддсс дефекте» тчшкго «иляиисгпуиенто» по ГОСТ 1M67-T#
Виды дефектов
Сборный инструмент: отсутствие элементов или
деталей сборного инструмента, влияющих на иылол-некие его основных функций.
Критические
дефекты
Дефекты инструментов, нарушающие работоспособность и прочность, влияющие на безопасность в работе:
у горячештамповаииых и литых инструментов наличие трещин, расслоений, плен, волосовин, закатов, законов, раковин, песочин, свищей, пулырей, пригара, литиикоз, прибылей, следов коррозии, заусенцев (ключи, кусачий, плоскогубцы, пассатижи, тиски, молотки, зубила, бородки, кернеры, отвертки);
у соарных инструментов наличие свищей в местах сварки и видимого разрыва слон припоя более 50% общей длины по контуру пайки (ключи трубные и торцовые, клейма, циркули);
у синтетических деталей инструментов наличие трещин, расслоений, раковин, пузырей, пыбоич. отколов;
у деревянных, деталей инструментов наличие трещин, выбоин, бугров, отколом, отщипо», гнили, чер-ИОГОЧИК, прорости.
У инструмента, предназначенного для работы под злектронанряжением: отсутствие алектронаоляцни.
Рукоятки инструмента: наличке острых кромок, заусенцев, облоя и грата Клеймы, бородки, кернеры, обжимки, зубила, крейцмейселн: наличие выкрошенных мест к аава-лов на режущих, рабочих и ударных частях.
Кусачки, ножницы, комбинированные плоскогубцы: наличие лава.мо». забоин. сколов и прижогоз на режущих и рабочих кромках.
Наличие ка зубцах губцевого инструмента завалов, им я тин и заусенцев Голоски .молотков: наличие выкрошенных мест на бойке и коске.
Рукоятка молотка (со стороны головки): наличие более одного здорового сросшегося сучка диаметром более 5 мм на расстоянии 2/3 длины.
Наличие трещкк, гнили, прорости, червогочии. наплывов. раковин, пузырей, вмятин и облоя Тиски, клуппы, воротки, ключи трубные: наличие сорванных ниток на резьбе Нечеткая маркировка
Малозначительные
дефекты
Наличие ка нерабочих поверхностях, не подвергаемых механической обработке, эдбокв, черновик.
ГОСТ 28810—М С 8
Продолжение табл. 2
Киак дефектов вдевшего ■ад* инструментов по ГОСТ 1»467—79
Виды дефектов
вмятин от окалины, завалов, следов коррозия, площадью не более 10%, следов штамповки по линии разъема
Рукоя-тки инструментов: наличие притупленных
остатхов облоя и грата не выше 0.3 мм
Рукоятка молотка (со стороны головки): наличие одного здорового сросшегося сучка диаметром ие более 5 мм на расстоянии 2/3 длины
3. КОНТРОЛЬ РАЗМЕРНЫХ ПАРАМЕТРОВ И ПАРАМЕТРОВ.
ХАРАКТЕРИЗУЮЩИХ ШЕРОХОВАТОСТЬ ПОВЕРХНОСТЕЙ
инструментов
3.1. При контроле размерных параметров должны проверяться размеры, указанные в стандартах на конкретный вид инстру* мента (кроме приложения).
3.2. Дефекты размерных параметров н параметров, характеризующих шероховатость поверхностей, разделяются на критические. значительные и малозначительные по ГОСТ 15467-79.
3.3. Классификация значительных и малозначительных дефектов указана в табл. 4*.
Критические дефекты не допускаются.
|
Та блнца 4 |
||||||
|
||||||
|
• Табл. 3 исключена, Изм. № 3. |
с в гост мвю—«в
|
Продолжение тайл. А |
||||||||||||
|
ГОСТ 2«eie—вв С 7
|
Продолжение табл. 4 |
|||||||||
|
3.4. Размерные параметры н параметры, характеризующие шероховатость поверхностей, должны проверяться по двухступен-чатому или по одноступенчатому планам контроля по табл. 5 и Б.
3.5. При двухступенчатом плане контроля партия считается прошедшей приемочный контроль, если число дефектов в выборке из партии на первой ступени будет менее или равно приемочному числу, указанному в табл. 5. Партия считается не прошедшей приемочный контроль, если число дефектов в выборке на первой ступени будет равно или более браковочного числа, указанного в табл. 5.
Если число дефектов, обнаруженное в выборке на первой ступени контроля, является одновременно больше приемочного числа и меньше браковочного числа, то следует перейти к контролю на второй ступени.
Для этого из этой же партии отбирается вторая выборка того же объема, как на первой ступени контроля, и суммируется число дефектов, обнаруженное на второй ступени контроля, с числом дефектов, обнаруженных на первой ступени контроля.
Если полученное общее число дефектов будет менее или равно приемочному числу для второй ступени плана контроля, указанному в табл. 5, то партия принимается.
Если полученное общее число дефектов будет равно или более браковочного числа для второй ступени плана контроля* указанного в табл. 5, то партия считается не прошедшей приемочный контроль.
3.3—3.5. (Измененная редакция, Изм. № 2, 3).
С. 8 ГОСТ 26810-se
шт.
|
Таблица 6 |
||||||||||||||||||||||||
|
||||||||||||||||||||||||
ГОСТ 29610-86 С 9
|
ПродолхеЛис табл. 6 шт. |
||||||||||||||||||||||||||||||||||||||||||||||||||||||||||||||||||||||||||||||||||||||||
|
||||||||||||||||||||||||||||||||||||||||||||||||||||||||||||||||||||||||||||||||||||||||
|
4. КОНТРОЛЬ ПАРАМЕТРОВ. ХАРАКТЕРИЗУЮЩИХ ПОКРЫТИЯ, ТВЕРДОСТЬ И ПРОЧНОСТЬ ИНСТРУМЕНТОВ |
||||||||||||||||||||||||||||||||||||||||||||||||||||||||||||||||||||||||||||||||||||||||
4.1. При контроле качества покрытий проверяют их внешний вид и, в зависимости от вида покрытий, толщину и прочность сцепления с основным металлом покрытий, регламентируемых в стандартах на инструмент конкретного типа.
(Измененная редакция, Изм. № 3).
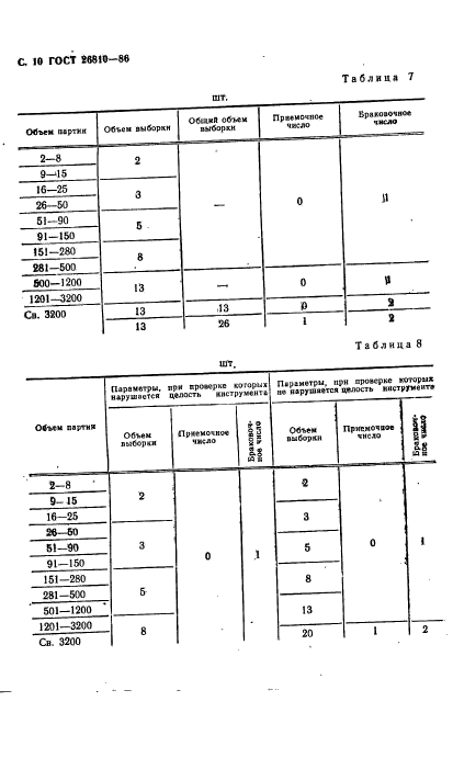
4.2. Контроль параметров, при проверке которых не нарушается целость инструмента, должен производиться по двухступенчатому- или одноступенчатому пляням контроля в соответствии с п. 3 5 настоящего стандарта и табл. 7 и 8.
Контроль параметров, при проверке которых нарушается целость инструмента, должен производиться по одноступенчатому плану контроля в соответствии с табл. 8.
(Измененная редакция, Изм. № 2).
С 10 ГОСТ 25810-86
|
Таблица 7 шт. |
|||||||||||||||||||||||||||||||||||
|
Таблида 8
|
ШТ. |
|||||||||||||||||||||||||||||||||||||||||||||||||||||||||||||||||||||||||||||||||||||||
|
|||||||||||||||||||||||||||||||||||||||||||||||||||||||||||||||||||||||||||||||||||||||
ГОСТ 26810-86 С. 11
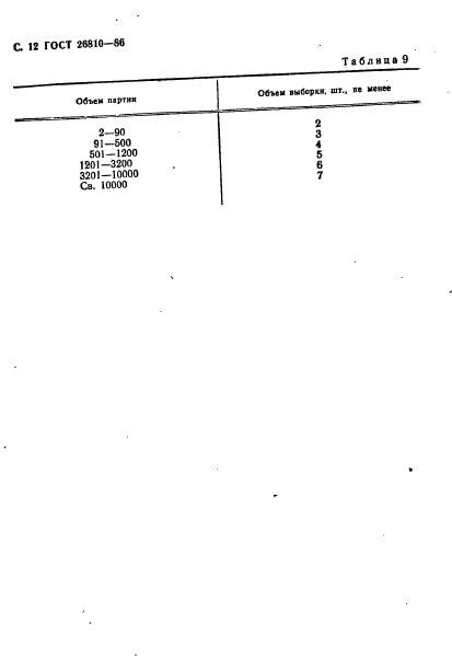
5. ИСПЫТАНИЯ НА РАБОТОСПОСОБНОСТЬ
5.1. Испытаниям на работоспособность подвергают партии инструментов, прошедшие контроль в соответствии с требованиями разд. 2—4 настоящего стандарта по методам испытаний, установленным в стандартах на инструмент конкретного вида.
5.2. От каждой партии инструмента испытывается случайная выборка. Объем выборки должен соответствовать указанному в табл. 9.
5.3. Партия считается прошедшей приемочный контроль, если • » первой выборке все инструменты выдержали испытания. В случае, если в первой выборке один инструмент не выдержал испытаний, из партии отбирается вторая выборка того же объема. Партия считается прошедшей приемочный контроль, если во второй выборке все инструменты выдержали испытания, и партия считается не прошедшей приемочный контроль, если во второй выборке хотя бы один инструмент не выдержал испытания.
Разд. 5. (Введен дополнительно, Изм. № 3).
С 12 ГОСТ 26810-86
|
Таблица 9 |
||||||||||||||
|
Редактор А. Л. Вдадимиро»
Технический редактор В. Н. Прусаковя Корректор В. С. Черная
Сдано и набор 25.1290. Поля, к п«ч. 41 01 5-4 Уса. веч. л. 0.9S. Уел. *р отт. 0.33. Уч us я. я. O.W. Тир. 452 »К». С 101Э.
Орлана ‘Знак Почета» Ихагальгоо стандарте». ЮТ076. Моем». Колоее»иы* net»., м. Тая. «Московский печати»*». Мсо»а, Лял»и пер.. 6. 3**. 57*
