Санитарные требования к проектированию предприятий молочной промышленности
Заменяет

Страница 1

Страница 2

Страница 3

Страница 4

Страница 5

Страница 6

Страница 7

Страница 8

Страница 9

Страница 10

Страница 11

Страница 12

Страница 13

Страница 14

Страница 15

Страница 16

Страница 17

Страница 18

Страница 19

Страница 20

Страница 21

Страница 22

Страница 23

Страница 24

Страница 25

Страница 26

Страница 27

Страница 28

Страница 29

Страница 30

Страница 31

Страница 32

Страница 33

Страница 34

Страница 35

Страница 36

Страница 37

Страница 38

Страница 39

Страница 40

Страница 41

Страница 42

Страница 43

Страница 44

Страница 45

Страница 46

Страница 47

Страница 48

Страница 49
КОМИТЕТ РОССИЙСКОЙ ФЕДЕРАЦИИ
ПО ПИЩЕВОЙ И ПЕРЕРАБАТЫВАЮЩЕЙ ПРОМЫШЛЕННОСТИ
АРЕНДНОЕ ПРЕДПРИЯТИЕ — ИНСТИТУТ
ПО ПРОЕКТИРОВАНИЮ ПРЕДПРИЯТИЙ МЯСНОЙ И МОЛОЧНОЙ
ПРОМЫШЛЕННОСТИ
ГИПРОМЯСОМОЛПРОМ
САНИТАРНЫЕ ТРЕБОВАНИЯ
к проектированию предприятий молочной
промышленности
ВСТП-6.01-92
УТВЕРЖДЕНЫ:
Комитетом Российской Федерации по пищевой и перерабатывающей промышленности (письмо от 19.07.93 г. № 140/12/2) по согласованию с Госкомитетом России санитарно-эпидемиологического надзора (письмо от 31.05.93 г. № 01-13/790-11)
Разработаны Арендным предприятием — институтом по проектированию предприятий мясной и молочной промышленности (Гипромясомолпром)
С введением в действие «Санитарных требований к проектированию предприятий молочной промышленности ВСТП 6.01-92» считать утратившими силу «Санитарные требования к проектированию предприятий молочной промышленности ВСТП 6.01-87».
Санитарные требования к проектированию предприятий молочной промышленности ВСТП-6.01-92 согласованы с Госкомитетом Российской Федерации санитарно-эпидемиологического надзора (письмо от 31.05.93 г. № 01-13/790-11).
|
Комитет Российской Федерации по пищевой и перерабатывающей промышленности |
Ведомственные санитарные требования |
ВСТП-6.0-92 |
|
Санитарные требования к проектированию предприятий молочной промышленности |
Взамен ВСТП-6.01-87 |
|
Внесены институтом по проектированию предприятий мясной и молочной промышленности Гипромясомолпром |
Утверждены Комитетом Российской Федерации по пищевой и перерабатывающей промышленности |
Срок введения в действие с 01.08.93 г. |
1. Область применения
1.1. Настоящие санитарные требования распространяются на проектирование вновь строящихся, расширяемых, реконструируемых и технически перевооружаемых предприятий по переработке молока и производству молочных продуктов, отражают особенности их проектирования и являются дополнением к Санитарным нормам проектирования промышленных предприятий, Строительным нормам и правилам, Нормам технологического проектирования, Санитарным правилам для предприятий молочной промышленности.
1.2. При необходимости частичного отступления от настоящих требований эти отступления должны быть согласованы с органами государственного санитарного надзора.
2. Требования к выбору площадки для строительства и проектированию генеральных планов
2.1. Выбор площадок для строительства молочных предприятий, размещение на них зданий и сооружений необходимо производить в полном соответствии с требованиями главы СНиП «Генеральные планы промышленных предприятий», «Санитарных норм проектирования промышленных предприятий» и настоящими требованиями. Выбор площадок должен быть согласован с органами государственного ветеринарного надзора.
Порядок выбора, согласований и утверждения площадки для строительства определяется в соответствии со СНиП «Инструкция о составе, порядке разработки, согласования и утверждения проектно-сметной документации на строительство предприятий, зданий и сооружений».
2.2. В соответствии с санитарной классификацией предприятий, производств и объектов устанавливаются следующие размеры санитарно-защитных зон молочных предприятий от жилой застройки:
а) сыродельные заводы 100 м
б) молочные заводы и комбинаты,
маслодельные, молочноконсервные комбинаты, цехи ЗЦМ 50 м
2.3. Размер санитарно-защитной зоны между предприятиями молочной отрасли промышленности и канализационными очистными сооружениями и установками коммунального назначения, а также предприятиями, относящимися к более низкому классу, следует принимать по «Санитарным нормам проектирования промышленных предприятий» как для жилых районов от вредных производств.
2.4. Не допускается блокировать предприятия по переработке молока и производству молочных продуктов с предприятиями по обработке пищевых продуктов, относящимися по санитарной классификации к классам II, III, IV (за исключением сыродельных и маргариновых), а также следующими предприятиями, относящимися к классу V: табачно-махорочными, первичного виноделия, винными, по варке товарного солода и приготовлению дрожжей, рыбокоптильными; с остальными — по согласованию с органами и учреждениями государственного санитарного надзора.
2.5. Запрещается строительство предприятий на территории бывших кладбищ, скотомогильников, свалок.
2.6. Территория предприятия должна быть ограждена.
2.7. Территория по своему функциональному использованию должна делиться на следующие зоны:
предзаводскую,
производственную,
подсобно-складскую.
В предзаводской зоне размещаются здание управления и санитарно-бытовых помещений, контрольно-пропускной пункт, площадка для стоянки личного автотранспорта.
В производственной зоне — производственные здания, ремонтно-механические мастерские.
В подсобно-складской — здания и сооружения подсобного назначения (котельная, градирни, насосные станции, склады аммиака, смазочных масел, топлива, навесы для хранения резервных материалов и тары).
Санитарные разрывы от открытых складов твердого топлива и других пылящих материалов принимать не менее 50 м до ближайших открываемых проемов производственных помещений и 25 м — до открываемых проемов бытовых помещений.
2.8. На площадке следует предусматривать участки для спортивных игр и гимнастических упражнений для работающих на предприятии.
Для этих целей надлежит использовать участки с наименьшим загрязнением воздуха. На территории молочных предприятий запрещается размещение производств, не связанных с основной деятельностью.
2.9. Вертикальная планировка территории должна обеспечивать отвод атмосферных и талых вод от всех зданий и сооружений и оперативных площадок в ливневую канализацию или открытым способом по рельефу.
2.10. На промплощадке предприятия не допускается проектировать автомобильные дороги со щебеночным, гравийным, шлаковым и другими (не обработанными или иным обеспыливающими средствами) покрытиями, образующими пыль.
2.11. Свободные участки территории предприятия следует использовать для организации зон отдыха, газонов, озеленять их древесно-кустарниковыми насаждениями. Не допускается посадка деревьев и кустарников, дающих при цветении хлопья, волокна и семена.
2.12. Гаражи и открытые стоянки с количеством 50 машин и более проектировать с отдельным въездом.
2.13. Для сбора мусора следует проектировать установку металлических бачков с крышками или металлических контейнеров с крышками на асфальтированной или бетонной площадке, площадь которой должна превышать площадь основания мусороприемников на 1 м во все стороны.
Мусороприемники должны быть удалены от производственных и складских помещений на расстояние не менее 30 м.
2.14. Расположение зданий и сооружений на промплощадке должно обеспечить поступление сырья и вывоз готовой продукции без встречных путей с поступлением топлива, вывозом отходов и т.п.
Людские потоки не должны пересекаться с автотранспортом.
2.15. При въезде на территорию предприятия предусматриваются проездные помещения, оборудованные сплинкерными устройствами для наружного обмыва автомолцистерн и грязеотстойниками с бензомаслоулавливателями.
3. Требования к производственным зданиям и сооружениям
3.1. Площади, высоты и объемы помещений производственного назначения должны приниматься с учетом требований соответствующих глав СНиП и «Норм технологического проектирования предприятий молочной промышленности».
3.2. Производственные помещения следует располагать по ходу технологического процесса, не допуская встречных потоков сырья и готовой продукции.
3.3. Производства, близкие по технологии, температурно-влажностным режимам и одинаковой категорией по взрывопожарной опасности, допускается размещать в одном помещении (производство творога и домашнего сыра, тепловая обработка молока и выработка кисломолочных продуктов резервуарным способом и др.).
3.4. Отделение по приготовлению бактериальных заквасок должно быть изолировано от производственных помещений и максимально приближено к потребителям заквасок.
В заквасочном отделении должны быть выделены следующие помещения: для приготовленья заквасок на чистых культурах, для приготовления кефирной и ацидофильной закваски, для мойки, дезинфекции и хранения посуды и инвентаря, тамбур.
На небольших предприятиях (мощностью по переработке молока менее 25 т в смену) допускается приготовление заквасок на чистых культурах и кефирной с ацидофильной в одном помещении. В этом случае резервуары для приготовления и трубопроводы для подачи заквасок на чистых культурах и кефирной с ацидофильной должны быть раздельными.
Помещение заквасочной не должно быть проходным.
Не допускается прохождение через заквасочное отделение магистральных коммуникаций (пар, холод, вентиляция и др.).
3.5. Производство кормовых продуктов (ЗЦМ и др.) должно быть изолировано от цехов по производству молочных продуктов и иметь обособленное сырьевое отделение.
3.6. Подготовка, обработка и хранение пищевых компонентов должны производиться в отдельных помещениях.
3.7. Для укладки и хранения пищевых продуктов должны быть предусмотрены поддоны, стеллажи, контейнеры.
Подача тары и других материалов для упаковки готовой продукции должна осуществляться, минуя другие производственные помещения.
3.8. Для мойки оборудования и молокопроводов предусматривают отделения централизованной мойки, максимально приближая их к производственным цехам.
Хранение и наводка концентрированных моющих средств должны осуществляться в отдельном помещении.
Процесс и режим мойки осуществлять в соответствии с «Инструкцией по санитарной обработке оборудования на предприятиях молочной промышленности».
В производственных цехах, где это требуется по условиям технологии, предусматривать отделение для мойки и сушки инвентаря, кладовые или шкафы для хранения инвентаря, моющих и дезинфицирующих средств.
Стирку мешочков для творога следует предусматривать в специальном помещении.
3.9. Наружные ограждения отапливаемых производственных помещений следует предусматривать в соответствии с «Санитарными нормами проектирования промышленных предприятий».
3.10. Перекрытия над помещениями с влажными и мокрыми режимами должны быть вентилируемыми, над помещениями с сухим и нормальным режимами — невентилируемыми.
3.11. Внутренние поверхности стен, потолков, несущих конструкций (колонн, балок и др.) и заполнений дверных проемов в производственных помещениях должны быть гладкими (без шероховатостей, впадин и поясков).
3.12. В производственных помещениях (кроме помещений с кондиционированием воздуха), независимо от наличия вентиляционных устройств, должны предусматриваться открывающиеся устройства на окнах площадью не менее 20 % общей площади световых проемов, обеспечивающие проветриваемость помещений.
3.13. Конструкция открывающихся частей оконных проемов должна предусматривать возможность закрепления защитных сеток.
3.14. Размещение открываемых проемов должно предусматриваться таким образом, чтобы расстояние от уровня пола до низа створных переплетов, предназначенных для притока воздуха в теплый период года, было не более 1,8 м, а до низа открывающихся проемов, предназначенных для притока воздуха в холодный период года, 4 м.
3.15. Для открывающихся оконных переплетов или других открывающихся устройств в помещениях должны быть предусмотрены легкоуправляемые с пола или с рабочих площадок приспособления для открывания, установки в требуемом положении и закрывания створок.
3.16. Для очистки стекол с обоих сторон и ремонта остекления окон и фонарей, а также для обслуживания аэрационных проемов и осветительной арматуры должны использоваться проходы (площадки, лестницы для выхода на крышу и др.), специальные механизмы, устройства и приспособления, обеспечивающие удобное и безопасное выполнение указанных работ.
3.17. Для отделки поверхностей строительных конструкций в производственных помещениях должны применяться материалы, обладающие высоким качеством, стойкими к воздействию паров, газов, жидкостей, к тепловым и механическим воздействиям, легко поддающихся санитарной обработке.
Полы в производственных помещениях должны быть не скользкими, кислото-щелочеустойчивыми, водонепроницаемыми, иметь ровную поверхность без выбоин.
Проектирование полов следует осуществлять в соответствии со СНиП «Полы».
В приложении I к «Санитарным требованиям» приводится перечень рекомендуемых материалов для покрытия потолков, стен, колонн и полов в зависимости от санитарно-производственных характеристик помещений.
3.18. Цветовая отделка интерьеров помещений должна предусматриваться в соответствии с «Указаниями по проектированию цветовой отделки интерьеров производственных зданий промышленных предприятий».
3.19. У входов в здания следует предусматривать скребки, решетки или металлические сетки для очистки обуви.
3.20. Для защиты от проникновения грызунов в помещения, предназначенные для переработки сырья и хранения продуктов, следует ограждать стальной сеткой с ячейками не более 4´4 мм:
сопряжения перегородок с полом; причем сетка должна закладываться на 5 см ниже уровня чистого пола и под штукатурку стены на высоту не менее 0,5 м и от уровня пола;
отверстия в вентиляционных каналах — стальной сеткой с ячейками разметом 3´3 мм.
Отверстия в стенах, перегородках и перекрытиях для пропуска трубопроводов должны плотно заделываться.
3.21. В строительных конструкциях зданий и сооружений молочных заводов следует предусматривать использование материалов, разрешенных для применения в строительстве органами госсаннадзора.
3.22. Для заполнения проемов в наружных стенах производственных помещений применение стеклоблоков не разрешается.
4. Требования к административно-бытовым зданиям и помещениям
4.1. Административно-бытовые здания и помещения следует проектировать в соответствии с требованиями СНиП «Административные и бытовые здания» и настоящими требованиями, отражающими особенности молочной отрасли промышленности.
4.2. Административно-бытовые помещения могут размещаться в отдельностоящих зданиях, а также быть встроенными и пристроенными к производственному корпусу.
При размещении этих помещений в отдельностоящих зданиях последние должны соединяться с производственными зданиями предприятий отапливаемыми переходами.
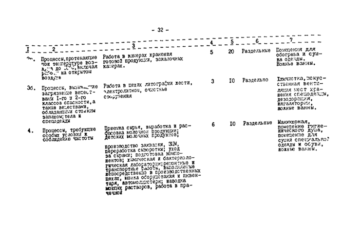
4.3. Бытовые помещения для цехов и производств, в зависимости от санитарной характеристики производственных процессов, разделяются на группы, и их состав определяется в соответствии со СНиП «Административные и бытовые здания» и приложением 2 к настоящим требованиям.
4.4. Специализированные цеха по производству жидких и пастообразных детских молочных продуктов должны иметь отдельные от общезаводских бытовые помещения.
4.5. В случаях проектирования общезаводских бытовых помещений в отдельностоящем административно-бытовом корпусе (в том числе и для рабочих цехов по выработке жидких и пастообразных продуктов), при этих цехах должны быть предусмотрены комнаты для дополнительной санитарной обработки производственного персонала (дезинфекция рук, надевание марлевых повязок, специальной одежды и т.п.).
4.6. Хранение уличной и домашней одежды рабочих основного производства должно производиться открытым способом с обслуживанием, для чего гардеробные бытовых помещений оборудуются вешалками со скамейками и подставками для обуви.
4.7. Для хранения документов и ценностей предусматривать шкаф с запираемыми ящиками в гардеробной или шкаф с ячейками в помещении обслуживающего персонала гардероба.
4.8. Душевые должны размещаться смежно с гардеробными для уличной одежды и гардеробными для рабочей одежды и быть оборудованы открытыми кабинами. До 20 % душевых кабин допускается предусматривать закрытыми.
Душевые кабины со сквозным проходом предусматриваются при производственных процессах группы 3б.
Санитарно-бытовые помещения для работников производственных цехов, относящихся по санитарной характеристике к группе 4а, должны быть отдельными от санитарно-бытовых помещений для работников других групп производственных процессов.
4.9. Шлюзы перед уборными в бытовых помещениях должны быть оборудованы вешалками для спецодежды, раковинами для мытья рук, с подводкой горячей и холодной воды, снабженные смесителями, электрополотенцем или полотенцем разового пользования.
4.10. Не разрешается располагать уборные, душевые, умывальные над производственными цехами и складами для хранения пищевых продуктов.
4.11. В проектах молочных предприятий, при отсутствии в местах строительства специализированных прачечных по обработке спецодежды, должны предусматриваться собственные прачечные.
Прачечные должны размещаться в блоке вспомогательных помещений.
4.12. Пункты питания предусматривать в соответствии со СНиП «Административные и бытовые здания».
4.13. Столовые на предприятиях с количеством посадочных мест более 100 следует располагать в зданиях со стороны улиц или предзаводской площади.
5. Требования к оборудованию и инвентарю
5.1. Технологическое оборудование должно отвечать требованиям Санитарных правил организации технологических процессов и гигиенических требований к производственному оборудованию и требованиям системы стандартов безопасности труда.
5.2. Расстановка оборудования должна обеспечивать проведение контроля за производственными процессами, качеством сырых полуфабрикатов и готовой продукции, а также возможность мойки, уборки и дезинфекции помещений и оборудования.
5.3. Оборудование, аппаратура и молокопроводы должны быть смонтированы таким образом, чтобы обеспечивался полный слив молока и моющих растворов и все части, соприкасающиеся с молоком и молочными продуктами, были доступны для очистки, мытья и дезинфекции.
5.4. Конструкция и материал оборудования должны обеспечивать возможность его гигиенического содержания, быструю и легкую разборку, доступность для осмотра и санитарной обработки всех частей.
5.5. Технологическое оборудование, аппаратура, инвентарь, посуда и тара должны быть изготовлены из материалов, разрешенных органами государственного санитарного надзора, быть химически устойчивыми, водонепроницаемыми, не подвергаться коррозии, легко поддаваться очистке, мойке и дезинфекции.
5.6. Применение оборудования из оцинкованной стали, нелуженой меди, а также эмалированной посуды и инвентаря не допускается (за исключением кипятильников и бачков для кипяченой воды).
5.7. Трубопроводы для подачи молока и всех видов молочных продуктов должны выполняться разъемными, на магистральных участках допускается на сварке.
5.8. Ванны, баки, металлическая посуда, спуски, лотки, желоба и т.п. должны иметь гладкие, легко очищаемые внутренние поверхности, без щелей, зазоров, выступающих болтов в заклепок, затрудняющих очистку.
5.9. Ванны для мойки инвентаря, отдельных узлов и деталей оборудования, трубопроводной арматуры и т.п. должны быть выполнены из материала, обеспечивающего их гигиеническое содержание, расположение штуцеров должно обеспечивать полный слив моющих растворов.
5.10. Рабочие поверхности (покрытия) столов для обработки пищевых продуктов следует изготовлять из нержавеющего металла или полимерных материалов, разрешенных органами государственного санитарного надзора.
5.11. Поверхности транспортного оборудования (тележки, ковши, подвески и т.п.), соприкасающиеся с пищевыми продуктами, должны иметь антикоррозионные покрытия из материалов, разрешенных органами государственного санитарного надзора.
5.12. Варочные котлы, автоклавы, стерилизаторы, баки и ванны различного назначения, печи для выпечки вафель, калориферы сушильных установок, трубопроводы и прочие источники значительных выделений конвекционного и лучистого тепла должны быть обеспечены теплоизоляцией.
5.13. В качестве теплоизоляционного материала для оборудования и трубопроводов, размещаемых в производственных помещениях, допускается применять материалы, разрешенные органами госсаннадзора.
5.14. Оборудование или части его (машины, транспортеры, шнеки и пр.), являющиеся источниками выделения пыли, должны быть укрыты, максимально герметизированы и снабжены местными отсосами.
5.15. Технологическое оборудование, выделяющее пыль, тепло, пары, газы (для выпечки вафель, флягомоечные машины, парафинеры, пропариватель фляг и др.) надлежит проектировать с встроенными местными отсосами.
6. Требования к отоплению, вентиляции и кондиционированию воздуха
6.1. Проектирование отопления, вентиляции и кондиционирования воздуха производственных и вспомогательных зданий и сооружений вести в соответствии с требованиями СНиП, нормативных отраслевых документов и настоящих требований.
6.2. В помещениях камер созревания сыра, хранения и высечек, в которых по условиям технологии производства требуется создавать и поддерживать круглогодично искусственные климатические условия установками кондиционирования воздуха, температуру и относительную влажность воздуха следует принимать в соответствии с технологической частью проекта на основании технологических инструкций по производству сыра, хранению бумаги и высечек.
6.3. Метеорологические условия в рабочей зоне производственных помещений принимать в соответствии с действующим ГОСТом «Воздух рабочей зоны» и Нормами технологического проектирования предприятий молочной промышленности.
6.4. Количество воздуха, необходимое для обеспечения требуемых параметров воздушной среды в рабочей зоне производственных помещений, следует определять расчетом по количеству поступающих в помещение вредностей — тепла, влаги, СО, NН3 и др., а также учитывая объем воздуха, удаляемого местными технологическими отсосами, а также учитывать градиент согласно приложения 3 настоящих требований.
6.5. Кратности воздухообменов отдельных помещений производственных и подсобных зданий допускается принимать в соответствии с приложением 4 настоящих требований.
6.6. Неорганизованный приток воздуха в производственные помещения на период остановки систем приточной или вытяжной вентиляции следует предусматривать из смежных помещений.
Не допускается поступление воздуха:
— из помещений со взрывопожарными производствами в помещения категории Г и Д;
— из помещений, в воздухе которых содержатся вредные вещества (приемка и мойка автомолцистерн).
6.7. Очистку от пыли подаваемого наружного воздуха в системах механической приточной вентиляции следует предусматривать в цехах с открытым технологическим процессом или по технологическим требованиям — творожном и сыродельном, в заквасочных, цехах детских молочных продуктов, в отделении по выработке стерилизованного питьевого молока с розливом в асептических условиях, камерах созревания сыра и др.
6.8. Выброс в атмосферу воздуха, удаляемого общеобменной вентиляцией и местными отсосами, поскольку он не содержит вещества, загрязняющие атмосферу, предусматривать без очистки. При этом должно быть предусмотрено рассеивание вредных веществ в атмосферном воздухе так, чтобы их количество не превышало максимальных разовых концентраций, указанных в таблице 3 «Санитарных норм проектирования промышленных предприятий».
6.9. При проектировании систем отопления при выборе теплоносителя предпочтение следует отдавать перегретой воде.
6.10. В складских помещениях (учитывая их незначительный объем) применять местные нагревательные приборы, имеющие гладкую поверхность.
6.11. В помещениях сушки обуви для создания необходимой температуры следует предусматривать отопление от системы горячего водоснабжения. В качестве нагревательных приборов применять регистры из гладких труб.
6.12. В основных производственных цехах, в целях сокращения металлоемкости систем отопления, предусматривать воздушное отопление, совмещенное с приточной вентиляцией, во вне рабочее время устанавливать отопительные рециркуляционные агрегаты.
6.14. В основных производственных цехах, в целях сокращения металлоемкости систем отопления, предусматривать воздушное отопление, совмещенное с приточной вентиляцией, во вне рабочее время устанавливать отопительные рециркуляционные агрегаты.
7. Требования к водоснабжению и канализации
7.1. Проектирование водоснабжения и канализации следует осуществлять в соответствии с требованиями глав СНиП «Водоснабжение. Наружные сети и сооружения», «Канализация. Наружные сети и сооружения», «Внутренний водопровод и канализация зданий».
А. Водоснабжение
7.2. Вода, применяемая для бытовых и технологических нужд, связанных с приготовлением продуктов, для ополаскивания оборудования, молцистерн, фляг и бутылок, для уборки производственных помещений должна удовлетворять требованиям действующего ГОСТа «Вода питьевая».
Для оборудования, требуемого применения умягченной воды, предусматривать специальные установки.
Для охлаждения молочных продуктов в технологических аппаратах использовать ледяную воду с температурой 1 — 2 °С, циркулирующую по закрытой системе и отвечающую требованиям действующего ГОСТа «Вода питьевая».
7.3. По степени обеспеченности подачи воды предприятия молочной промышленности отнести к 1-й категории (СНиП «Водоснабжение. Наружные сети и сооружения»).
7.4. Необходимость обеззараживания питьевой воды при собственном источнике определяется по согласованию с территориальными учреждениями санитарно-эпидемиологической службы. Выбор метода обеззараживания воды следует производить в зависимости от местных условий.
7.5. Для цехов детского питания производить обработку воды в соответствии с требованиями технологических процессов и оборудования к качеству используемой воды.
7.6. Водопроводы технической, повторно-применяемой и питьевой воды должны быть раздельными и иметь отличительную окраску.
В соответствующих точках водоразбора писать: «питьевая», «повторно-используемая», «техническая».
7.7. Воду от водяной секции охладительных и пастеризационных установок можно использовать для системы горячего водоснабжения (на мойку посуды в столовых, мойку оборудования, танков, фляг; стирку производственной одежды, мойку полов) при условии ее предварительного нагрева не менее, чем до 80 °С в бойлерной установке.
7.8. Воду от последнего ополоска бутылок допускается использовать на:
— наводку моющих растворов;
— расхолодку продувочных вод котельной;
— наружную мойку автомашин;
— полив территории.
7.9. Конденсат соковых паров от выпарки молока допускается использовать на подпитку систем оборотного водоснабжения, наведения моющих растворов и наружного обмыва автомашин. Конденсат соковых паров, используемый для подпитки котлов котельной, должен пройти обработку в соответствии с Рекомендациями Сибирского Филиала ВНИМИ.
7.10. Приготовление горячей воды температурой 65 °С для хозяйственных и производственных нужд осуществляется из питьевой воды в водоводяных или пароводяных подогревателях.
7.11. В производственных помещениях следует предусматривать:
— раковины для мытья рук с подводкой холодной и горячей воды, снабженные смывателями, устройствами для жидкого мыла, хлорного раствора и для сушки рук. Раковины должны располагаться в каждом производственном цехе при входе, а также в местах, удобных для пользования ими, на расстоянии не более 15 м от рабочего места;
— питьевые фонтанчики, удаленные от рабочих мест не более, чем на 75 м; температура питьевой воды должны быть не ниже 8 °С и не выше 20 °С;
— смывные краны из расчета 1 кран на 500 м2 площади в цехах, где возможны проливы молока или попадание продукции на пол, но не менее одного смывного крана на помещение;
— кронштейны для хранения шлангов.
Б. Канализация
7.12. Загрязненность общезаводских стоков определять в соответствии с «Показателями загрязненности сточных вод предприятий молочной промышленности» или расчетом. При этом руководствоваться «Методическими указаниями по определению расчета загрязненности сточных вод».
7.13. Непосредственное соединение с канализацией производственных аппаратов и моечных ванн не допускается. Соединение осуществлять с разрывом струи 20 — 30 мм через воронки с сифонами.
В производственных цехах предусматривать устройства (поддоны, лотки, трапы) для отвода смывных вод и ополосков с оборудования в канализацию, с целью предотвращения попадания их на пол, что позволит обеспечить содержание полов в сухом состоянии.
7.14. Санитарные приборы, а также приемники производственных сточных вод, конструкция которых не предусматривает гидравлических затворов, присоединяемые к бытовой или производственной канализации, должны быть снабжены гидравлическими затворами (сифонами, располагаемыми на выпусках под приборами или приемниками).
7.15. Трапы и канализационные трубы не должны располагаться над рабочими местами и оборудованием, обрабатывающим пищевые продукты.
7.16. Соединение бытовой канализации с производственной не допускается.
7.17. Для утилизации продукта, содержащегося в концентрированных стоках, и уменьшения концентрации загрязнений в общезаводском стоке, следует предусматривать сбор первых ополосков от мойки оборудования, танков и трубопроводов. Для локальной очистки сточных вод, загрязненных нефтепродуктами и взвешенными веществами, следует предусматривать:
а) для производственных стоков — сооружения предочистки по рекомендациям научно-исследовательских институтов;
б) отстойники-нефтеловушки с 2х ступенчатыми набивными фильтрами на площадках для наружной мойки автомашин и в месте сбора дождевых вод;
в) отстойники-нефтеловушки у обвалованной территории мазутного хозяйства;
г) нейтрализационные установки для доведения рН кислых и щелочных стоков до 6,5 — 8,5.
7.18. Загрязненные сточные воды предприятий молочной промышленности перед выпуском в водоемы должны подвергаться полной биологической очистке. При этом наиболее целесообразна очистка совместно со сточными водами города или населенного пункта.
8. Требования к освещению и силовому электрооборудованию
Освещение естественное и искусственное
8.1. При проектировании естественного и искусственного освещения в производственных и вспомогательных зданиях и помещениях следует руководствоваться требованиями СНиП «Нормы проектирования. Естественное и искусственное освещение» и настоящими требованиями.
Естественное освещение
8.2. В производственных помещениях с постоянным пребыванием людей должно быть обеспечено естественное освещение с коэффициентами освещенности согласно приложению 5 настоящих требований.
8.3. Для предупреждения попадания прямых солнечных лучей на молочные продукты и перегрева производственных помещений вследствие их инсоляции окна, выходящие на юг, юго-восток и юго-запад, а в местах южнее 50° северной широты также на восток и запад, должны иметь солнцезащитные устройства (жалюзи, козырьки и т.п.), или оконные переплеты должны заполняться светорассеивающими или светопоглощающими стеклами.
8.4. Без естественного освещения или с недостаточным по биологическому действию естественным освещением (коэффициент естественной освещенности менее 0,1 %) допускается проектировать помещения, где это требуется по условиям технологии и выбора рациональных объемно-планировочных решений, а также производства не требующие пребывания работающих более 50 % времени в течение рабочей смены.
8.5. При проектировании помещений без естественного освещения и с недостаточным по биологическому действию естественным освещением руководствоваться «Санитарными нормами проектирования промышленных предприятий».
Искусственное освещение
8.6. На предприятиях молочной промышленности следует предусматривать рабочее, аварийное, эвакуационное (для продолжения работы и эвакуации) и дежурное освещение, для которого используется часть светильников того или иного вида освещения.
Аварийное освещение от независимого источника предусматривается в помещениях машинного и аппаратного отделений аммиачных холодильных установок.
Наименьшая освещенность рабочих поверхностей в авар
