Инструкция по организации движения и ограждению мест производства дорожных работ (взамен ВСН 179-73)

Страница 1

Страница 2

Страница 3

Страница 4

Страница 5

Страница 6

Страница 7

Страница 8

Страница 9

Страница 10

Страница 11

Страница 12

Страница 13

Страница 14

Страница 15

Страница 16

Страница 17

Страница 18

Страница 19

Страница 20

Страница 21

Страница 22

Страница 23

Страница 24

Страница 25

Страница 26

Страница 27

Страница 28

Страница 29

Страница 30

Страница 31

Страница 32

Страница 33

Страница 34
МИНИСТЕРСТВО АВТОМОБИЛЬНЫХ ДОРОГ РСФСР
ИНСТРУКЦИЯ
ПО ОРГАНИЗАЦИИ ДВИЖЕНИЯ
И ОГРАЖДЕНИЮ МЕСТ
ПРОИЗВОДСТВА
ДОРОЖНЫХ РАБОТ
ВСН 37-84
Минавтодор РСФСР
МОСКВА «ТРАНСПОРТ» 1985
СОДЕРЖАНИЕ
|
1. ОБЩИЕ ПОЛОЖЕНИЯ.. 2 2. ОСНОВНЫЕ ЗАДАЧИ И ПРИНЦИПЫ ОРГАНИЗАЦИИ ДВИЖЕНИЯ В МЕСТАХ ПРОИЗВОДСТВА ДОРОЖНЫХ РАБОТ. 4 3. ОСОБЕННОСТИ ОРГАНИЗАЦИИ ДВИЖЕНИЯ ПРИ ПРОВЕДЕНИИ ДОРОЖНЫХ РАБОТ НА ХАРАКТЕРНЫХ УЧАСТКАХ АВТОМОБИЛЬНЫХ ДОРОГ. 6 4. ТЕХНИЧЕСКИЕ СРЕДСТВА ОРГАНИЗАЦИИ ДВИЖЕНИЯ И ОГРАЖДЕНИЯ МЕСТ ПРОИЗВОДСТВА ДОРОЖНЫХ РАБОТ. 31 5. ОСНОВНЫЕ ПОЛОЖЕНИЯ ПО ОБЕСПЕЧЕНИЮ ТЕХНИКИ БЕЗОПАСНОСТИ ПРИ ВЫПОЛНЕНИИ ДОРОЖНЫХ РАБОТ. 35 Приложение. 36 |
МИНИСТЕРСТВО АВТОМОБИЛЬНЫХ ДОРОГ РСФСР
|
Утверждена Минавтодором РСФСР 05.03.84 |
|
|
Согласована ЦК профсоюза рабочих автомобильного транспорта и шоссейных дорог |
Согласована Главным управлением Госавтоинспекции МВД СССР |
ИНСТРУКЦИЯ
ПО ОРГАНИЗАЦИИ ДВИЖЕНИЯ
И ОГРАЖДЕНИЮ МЕСТ
ПРОИЗВОДСТВА
ДОРОЖНЫХ РАБОТ
МОСКВА «ТРАНСПОРТ» 1985
Инструкция переработана с учетом основных положений «Инструкции по ограждению мест работ к расстановке дорожных знаков при строительстве, реконструкции и ремонте автомобильных дорог (ВСН 179-73).
В ней даны рекомендуемые схемы организации движения при проведении работ на горизонтальных участках, подъемах, спусках, пересечениях, примыканиях, в населенных пунктах, на мостах, на порогах и горной местности.
Переработана под руководством и при участии канд. техн. наук В.Д. Белова, сотрудниками Гипродорнии — инженерами А.А. Кукушкиным (ответственный исполнитель), А.В. Бабковым, Н.А. Тереховой, Н.П. Чуриловой, канд. техн. наук В.С. Адасинским, В.В. Чвановым, совместно с сотрудниками Союздорнии — канд. техн. наук Ю.С. Крыловым, инженером Л.И. Брызгаловой, В.С. Скирута, Н.А. Шуриновой, сотрудниками ВНИИБД — канд. техн. наук Б.Н. Баваровым, В.В. Новизенцевым, инженерами С.Г. Бачмановым, В.Я. Буйленко, Я.С. Репиным и сотрудниками ГУ ГАИ МВД СССР Ю.С. Остроумовым, Н.Г. Бородиным, А.В. Матюхиным.
Предназначена для организаций, занимающихся реконструкцией, ремонтом и содержанием автомобильных дорог независимо от их ведомственного подчинения.
|
Министерство автомобильных дорог РСФСР |
Ведомственные строительные нормы |
ВСН |
|
Инструкция по организации движения и ограждению мест производства дорожных работ |
Взамен |
1. ОБЩИЕ ПОЛОЖЕНИЯ
1.1. Инструкция определяет порядок и способы организации движения транспортных средств и пешеходов в местах производства дорожных работ, обеспечивающие безопасность как работающих на дороге, так и всех участников дорожного движения.
Инструкция рекомендуется к применению в других министерствах и ведомствах, проводящих работы на автомобильных дорогах.
|
Внесена |
Утверждена Министерством автомобильных дорог РСФСР 5 марта 1984 г |
Срок введения с 1 октября 1985 г |
1.2. Организация движения транспорта и пешеходов и ограждение мест дорожных работ при строительстве, реконструкции, ремонте и содержании автомобильных дорог следует выполнять в соответствии с настоящей Инструкцией, разработанной на основе действующих нормативных документов.
1.3. До начала дорожных работ дорожная организация должна составить привязанные к местности схемы организации движения транспортных средств и пешеходов на участке проведения работ. На схемах показывают геометрические параметры ремонтируемого участка (ширина проезжей части и обочин, радиусы кривых в плане, продольный уклон, тип покрытия и т.д.) с указанием искусственных сооружений, расположения съездов, разъездов и объездов, мест расстановки дорожных знаков, нанесения при необходимости временной разметки, ограждений, расположения сигнальных фонарей, складирования строительных материалов. На схеме указывают вид и характер дорожных работ, сроки их исполнения, наименование организации, проводящей работы, телефоны и фамилии должностных лиц, составивших схему и ответственных за проведение работ. Схемы организации движения и ограждения мест производства дорожных работ должны быть утверждены руководителем дорожной организации и заблаговременно согласованы с органами Государственной автомобильной инспекции (ГАИ).
1.4. Согласование с ГАИ производится при выполнении всех видов дорожных работ в пределах полосы отвода, за исключением работ по содержанию дорог. В случае устройства объездов должны быть согласованы их маршруты. В местах краткосрочных дорожных работ (ликвидация ямочности, замена дорожных знаков, разметка проезжей части и т.д.), учитывая подвижный характер их проведения, с органами ГАИ согласовывают только схемы организации движения и ограждения с указанием границ участков работ без конкретной привязки к местности.
1.5. При выполнении дорожных работ, связанных с переносом или переустройством инженерных коммуникаций (газопровод, водопровод, кабели и т.д.), схемы организации движения и ограждения мест производства дорожных работ необходимо согласовывать со всеми заинтересованными организациями, а затем с органами ГАИ.
1.6. На границах участков дорожных работ следует установить информационные щиты, на которых указывают организацию, фамилию ответственного лица, руководящего работами, и номер его служебного телефона.
1.7. При выполнении работ по содержанию автомобильных дорог (уборка мусора, мойка знаков, ограждений, их окраска и т.д.) составление схем не производится, но местные органы ГАИ ставят в известность о проведении таких работ.
1.8. Неотложные работы по устранению случайных повреждений дороги и дорожных сооружений, нарушающих безопасность движения, а также аварийные работы, можно выполнить без предварительного согласования и утверждения схем, но с условием обязательного извещения органов ГАИ о месте и времени проведения таких работ, если их продолжительность составляет более одних суток.
1.9. К обустройству участка работ временными знаками и ограждениями следует приступать только после согласования схемы с органами ГАИ и ее утверждения руководителем дорожной организации.
1.10. При организации движения в местах производства дорожных работ должны применяться все необходимые технические средства, предусмотренные схемой. Всякое отклонение от утвержденных схем, а также применение неисправных технических средств недопустимо.
1.11. До полного обустройства ремонтируемого участка временными знаками и ограждениями запрещается размещать на проезжей части и обочинах дорожные машины, инвентарь, материалы для ремонта.
1.12. К выполнению дорожных работ, в том числе размещению дорожных машин, инвентаря, материалов, нарушающих режим движения, разрешается приступать после полного обустройства места работ всеми необходимыми временными дорожными знаками и ограждениями.
1.13. За границы участка дорожных работ следует считать первое и последнее ограждающее средство, установленное на проезжей части, обочине или тротуаре и изменяющее направление движения.
1.14. Перед началом работ рабочие и машинисты дорожных машин должны быть проинструктированы по технике безопасности и схеме ограждения места работ, о применяемой условной сигнализации, подаваемой жестами и флажками, о порядке движения, маневрирования дорожных машин и транспортных средств в местах разворота, въездах и съездах, местах складирования материалов и хранения инвентаря.
1.15. Применяемые при дорожных работах временные дорожные знаки, ограждения и другие технические средства (конусы, вехи, стойки, сигнальные шнуры, сигнальные фонари, разметка и т.д.) устанавливают и содержат, организации, выполняющие дорожные работы.
1.16. Ответственность за соблюдение требований настоящей Инструкции возлагается на руководителей дорожных хозяйств и на лиц, непосредственно руководящих дорожными работами, а при производстве работ сторонними организациями — на соответствующих работников этих организаций.
1.17. О месте и сроках выполнения дорожных работ в случае устройства объездов или ухудшении условий движения общественного транспорта по ремонтируемому участку дорожная организация должна заблаговременно извещать предприятия общественного транспорта.
2. ОСНОВНЫЕ ЗАДАЧИ И ПРИНЦИПЫ ОРГАНИЗАЦИИ ДВИЖЕНИЯ В МЕСТАХ ПРОИЗВОДСТВА ДОРОЖНЫХ РАБОТ
2.1. При составлении схем организации движения в местах производства дорожных работ, необходимо выполнение следующих требований:
а) предупредить заранее водителей транспортных средств и пешеходов об опасности, вызванной дорожными работами:
б) четко обозначить направление объезда имеющихся на проезжей части препятствий, а при устройстве объезда ремонтируемого участка — его маршрут;
в) создать безопасный режим движения транспортных средств и пешеходов как на подходах, так и на самих участках проведения дорожных работ.
2.2. Основными средствами организации движения в местах производства дорожных работ являются временные дорожные знаки, разметка проезжей части, ограждающие и направляющие устройства и другие технические средства (см. пп. 4.1 — 4.37).
Под временными дорожными знаками следует понимать те знаки, которые устанавливают только на время проведения дорожных работ.
2.3. Для лучшего восприятия водителями дорожных знаков рекомендуется устанавливать на одной опоре не более двух знаков и одной таблички, при этом с запрещающими знаками рекомендуется устанавливать предупреждающие знаки, которые поясняли бы причину введения ограничений.
2.4. Расстановку знаков, ограждающих и направляющих устройств необходимо осуществлять с конца участка, наиболее удаленного от места работ, причем в первую очередь со стороны, свободной от дорожных работ. Сначала устанавливают дорожные знаки, затем ограждающие и направляющие устройства. Снятие знаков, ограждающих и направляющих устройств производится в обратной последовательности.
2.5. На дорогах вне населенных пунктов для обеспечения видимости ограждающие и направляющие устройства в темное время суток должны быть снабжены световозвращающими элементами размером 5×5 см, а на автомагистралях размером 10×10 см, закрепленными на верхней перекладине, ограждающих устройств через 0,5 м. В случае проведения дорожных работ в застроенной местности место работ должно быть обозначено сигнальными фонарями и иметь освещение в соответствии с нормативными документами. На автомагистралях, оборудованных осветительными установками, зона дорожных работ должна быть обозначена сигнальными фонарями, установленными на переносных барьерах или щитах. Их размещают из расчета 1 фонарь на 1 м длины барьера или щита, установленного поперек дороги. Если инвентарные щиты устанавливают вдоль дороги, то фонари размещают на них через 15 м, при этим барьеры и щиты должны быть оборудованы устройствами для крепления фонарей.
Цвет сигнальных огней или световозвращающих элементов, применяемых совместно с ограждающими устройствами, должен быть красным.
Сигнальные фонари устанавливают на высоте 1,5 — 2 м над уровнем проезжей части. Мощность ламп в светильниках не должна превышать 15 — 25 Вт. Расстояние их видимости при нормальной прозрачности атмосферы должно равняться 100 — 300 м. Они не должны вызывать ослепленных участков движения. Сигнальные фонари включают с наступлением вечерних сумерек, выключают с окончанием утренних сумерек. В дневное время фонари включают при наличии дымной мглы или тумана. Допускается установка мигающих сигнальных фонарей с частотой мигания 50 — 80 в минуту.
2.6. Особо опасные места (траншеи, котлованы, ямы, устраиваемое при укреплении обочин корыто глубиной 0,1 м и более) необходимо ограждать, применяя сигнальные шнуры или направляющие конусы, а также инвентарные щиты или барьеры, которые устанавливают на всем протяжении зоны работ через 15 м и оборудуют сигнальными фонарями. При отсутствии электрического освещения такие места в темное время суток должны быть обозначены факелами. В населенных пунктах ограждающие щиты или барьеры оборудуют сигнальными фонарями, которые зажигают с наступлением сумерек.
2.7. Для сохранения оптимальной пропускной способности дороги не следует без необходимости ограничивать скорость движения в местах дорожных работ менее 40 км/ч.
2.8. Движение со скоростью менее 40 км/ч на участках производства дорожных работ допускается только в исключительных случаях, когда геометрические параметры дороги, качество покрытия, условия работ или погодные условия не позволяют осуществлять движение с большей скоростью.
2.9. Для плавного изменения скоростей транспортных средств перед участком дорожных работ необходимо производить последовательное снижение скорости ступенями с шагом не более 20 км/ч. Временные дорожные знаки, регламентирующие ступенчатое ограничение скоростей, располагают друг от друга на расстоянии не менее 100 м. Число знаков, ограничивающих скорость, зависит от разности скоростей до и после ограничения.
2.10. Для разделения встречных потоков транспортных средств в местах дорожных работ, обозначения рядности и обеспечения безопасной траектории движения используют переносные направляющие конусы, вехи или стойки. Этой же цели служит нанесенная на проезжую часть временная разметка и дорожные знаки.
В исключительных случаях при невозможности встречного разъезда и устройства уширения проезжей части в обязательном порядке вводят регулирование движения с помощью светофоров или регулировщиков.
2.11. На многополосных дорогах для обеспечения безопасных траекторий движения в местах производства дорожных работ целесообразно совместное применение направляющих конусов, вех или стоек с разметкой проезжей части.
2.12. При нанесении на проезжую часть в местах дорожных работ линий разметки, расстановке направляющих конусов или вех отклоняющих транспортные потоки, длину отгона Lотг следует назначать в соответствии с табл. 2.1. Пример размещения технических средств организации в местах производства дорожных работ показан на рис. 2.1.
2.13. При выполнении небольших по объему работ на проезжей части (мелкий ямочный ремонт, разметка проезжей части и т.д.) для обеспечения наименьшей потери времени проходящими автомобилями длину закрываемого участка следует выбирать минимальной с учетом требований технологии работ.
2.14. При временном переносе остановок общественного транспорта из зоны дорожных работ их оборудование и организация движения в зоне временных остановок должны учитывать условия создания наименьших помех транзитному транспорту со стороны транспортных средств, стоящих на остановках.
2.15. Все временные дорожные знаки и другие технические средства организации движения, связанные с проводимыми работами, после завершения работ следует немедленно убирать.
Таблица 2.1
Рекомендуемая длина отгона ширины проезжей части, закрываемой для движения при различной скорости на подходе
|
Скорость на подходе, км/ч |
Длина отгона, м, при ширине проезжей части, закрываемой для движения, м |
|||||
|
2,5 |
3,0 |
3,5 |
4,0 |
5,0 |
7,5 |
|
|
30 |
12 |
25 |
25 |
30 |
35 |
50 |
|
40 |
20 |
30 |
40 |
50 |
60 |
70 |
|
50 |
30 |
40 |
50 |
60 |
80 |
110 |
|
60 |
45 |
55 |
65 |
75 |
95 |
125 |
|
80 |
60 |
65 |
75 |
85 |
100 |
130 |
|
100 |
80 |
90 |
100 |
105 |
115 |
160 |
2.16. Размеры временных знаков, используемых для организации движения в местах производства дорожных работ, не должны быть менее тех, которые применяются для данной категории дороги, а при ремонтных работах на автомагистралях применяют знаки увеличенного размера в соответствии со стандартом на дорожные знаки.
2.17. На автомагистралях с высокой среднесуточной интенсивностью движения целесообразно проводить дорожные работы в период спада интенсивности или в ночное время, при этом зона дорожных работ должна иметь освещение в соответствии с нормативными документами.
Рис. 2.1. Пример размещения технических средств организации движения в местах производства дорожных работ:
1 — разметка проезжей части; 2 — направляющие конусы; 3 — кромка проезжей части; 4 — зона дорожных работ; 5 — ограждающие барьеры; 6 — сигнальные фонари или световозвращающие элементы:
S — ширина проезжей части; Lотг — длина отгона ширины зоны дорожных работ; l — расстояние между конусами
3. ОСОБЕННОСТИ ОРГАНИЗАЦИИ ДВИЖЕНИЯ ПРИ ПРОВЕДЕНИИ ДОРОЖНЫХ РАБОТ НА ХАРАКТЕРНЫХ УЧАСТКАХ АВТОМОБИЛЬНЫХ ДОРОГ
Прямые участки с обеспеченной видимостью
3.1. Выбор схемы организации движения зависит от вида и места производства работ. При этом следует учитывать местные условия движения и, если требуется, вносить в схему коррективы до согласования с органами ГАИ.
На приведенных ниже схемах организации движения и ограждения места дорожных работ обозначены временные дорожные знаки, которыми необходимо дополнить дорожные знаки, установленные на дороге постоянно.
3.2. При проведении работ на обочине двухполосных дорог организацию движения и ограждение места работ выполняют в соответствии с рис. 3.1.
3.3. При производстве дорожных работ на половине ширины проезжей части двухполосных дорог пропуск транспортных средств в обоих направлениях осуществляют по свободной полосе (рис. 3.2).
Знаки 2.6 и 2.7 следует применять в тех случаях, когда длина участка работ при существующей интенсивности движения обеспечивает саморегулирование встречного разъезда и видимость всей зоны ремонтных работ с каждой стороны узкого участка. Максимальную длину ремонтируемого участка в этом случае необходимо назначать в соответствии с табл. 3.1. Иначе нужно вводить регулирование движения с помощью светофоров или регулировщиков, либо осуществлять пропуск транспортных средств по обочине (рис. 3.3). В этом случае она должна быть спланирована и укреплена, а при необходимости и уширена.
Таблица 3.1
Максимальная длина ремонтируемого участка
|
Интенсивность движения, авт./ч |
Протяженность ремонтируемого участка, м |
Интенсивность движения, авт./ч |
Протяженность ремонтируемого участка, м |
|
100 |
350 |
400 |
50 |
|
200 |
150 |
500 |
30 |
|
300 |
80 |
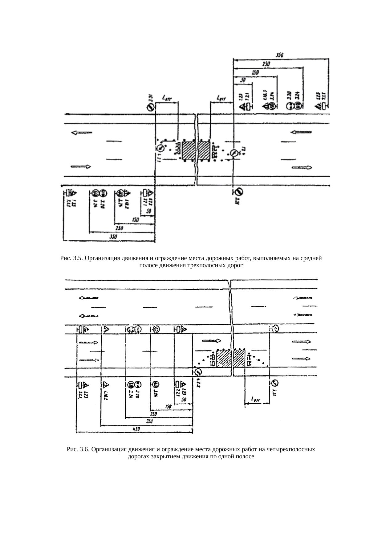
3.4. При производство дорожных работ на одной из полос трехполосной дороги средняя полоса, обычно предназначенная для совершения обгонов, теряет свою функцию. При дорожных работах на крайней полосе трехполосной дороги организацию движения и ограждение места работ следует выполнять в соответствии с рис. 3.4. При работах на средней полосе организуют движение и ограждают место работ в соответствии с рис. 3.5.
3.5. Если дорожные работы ведутся на внешней полосе четырехполосной дороги с разделительной полосой, организацию движения и ограждение места работ осуществляют в соответствии с рис. 3.6.
Если интенсивность движения по внешней полосе превышает 400 авт./ч и в составе потока более 40 % грузовых автомобилей, то дорожные знаки, установленные на обочине, необходимо дублировать, устанавливая их на разделительной полосе.
Рис. 3.1. Организация движения и ограждение места дорожных работ, выполняемых на обочине двухполосных дорог
Рис. 3.2. Организация движения и ограждение места дорожных работ, выполненных на половине ширины проезжей час двухполосных дорог
При выполнении дорожных работ на разделительной полосе многополосной дороги расстановку дорожных знаков следует выполнить в соответствии с рис. 3.7.
3.6. На дорогах с разделительной полосой, имеющих четыре и более полос движения, в случае закрытия половины ширины проезжей части на период дорожных работ для пропуска транспортных средств следует устраивать специальные проезды через разделительную полосу (рис. 3.8).
С целью заблаговременного оповещения водителей транспортных средств о предстоящем перестроении вне населенных пунктов за 500 м до разрыва в разделительной полосе устанавливают знак 5.36 «Перестроение в другую проезжую часть» с табличкой 7.1.1. «Расстояние до объекта». В населенных пунктах знак 5.36 с табличкой 7.1.1 устанавливают на расстоянии 50 — 100 м от место разрыва в разделительной полосе.
3.7. В случае устройства на двухполосных дорогах уширения проезжей части на полосу движения для обеспечения бесперебойного пропуска транспортных средств на участках дорожных работ длиной более 30 м организацию движения и ограждения зоны работ следует выполнять в соответствии с рис. 3.9.
3.8. В целях более полного использования инерции разгона в местах производства работ на затяжных подъемах допускается скорость транспортных средств 60 км/ч, если позволяют условия движения.
3.9. При выполнении дорожных работ на дополнительной полосе на подъеме следует организовать движение и ограждать место работ в соответствии со схемой, представленной на рис. 3.10. Если зона ремонтных работ расположена на расстоянии не более 200 м от начала дополнительной полосы, рекомендуется с помощью ограждающих устройств закрывать эту полосу от ее начала до конца зоны работ.
Рис. 3.3. Организация движения и ограждение места дорожных работ, выполняемых на половине ширины проезжей части двухполосных дорог в случае пропуска транспортных средств по обочине
Рис. 3.4. Организация движения и ограждение места дорожных работ, выполняемых на крайней полосе движения трехполосных дорог
Рис. 3.5. Организация движения и ограждение места дорожных работ, выполняемых на средней полосе движения трехполосных дорог
Рис. 3.6. Организация движения и ограждение места дорожных работ на четырехполосных дорогах закрытием движения по одной полосе
Рис. 3.7. Организация движения и ограждение мест дорожных работ, выполняемых на разделительной полосе многополосных дорог
Рис 3.8. Организация движения и ограждение места дорожных работ на четырехполосных дорогах с закрытием движения по двум полосам
Рис. 3.9. Организация движения и ограждение места дорожных работ в случае уширения проезжей части на участках, затяжных подъемов двухполосных дорог
Рис. 3.10. Организация движения и ограждение места дорожных работ, выполняемых на дополнительной полосе на подъеме
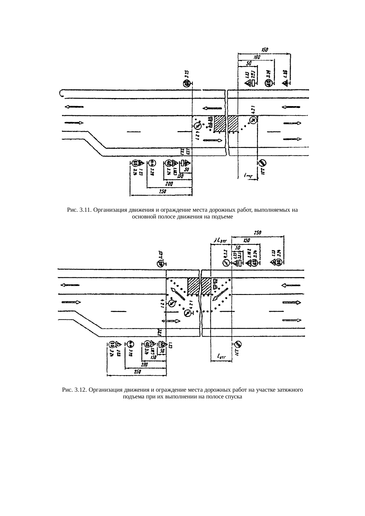
Проводя дорожные работы на основной полосе движения на подъеме, следует руководствоваться рис. 3.11, причем, если зона работ на основной полосе расположена менее чем в 200 м от начала дополнительной полосы, с помощью ограждающих устройств следует закрывать основную полосу на участке от начала полной ширины дополнительной полосы до конца зоны дорожных работ.
3.10. В случае ремонтных работ на полосе спуска организуют движение и ограждают место работ в соответствии с рис. 3.12. Если зона работ находится ближе 200 м от начала дополнительной полосы, следует с помощью ограждающих устройств закрывать основную полосу на участке от начала полной ширины дополнительной полосы до конца зоны дорожных работ.
Рис. 3.11. Организация движения и ограждение места дорожных работ, выполняемых на основной полосе движения на подъеме
Рис. 3.12. Организация движения и ограждение места дорожных работ на участке затяжного подъема при их выполнении на полосе спуска
Рис. 3.13. Организация движения и ограждение места дорожных работ на участках с ограниченной видимостью
Участки с ограниченной видимостью
3.11. Участки с ограниченной видимостью представляют собой существенную опасность для движения транспортных средств. При производстве дорожных работ на таких участках эта опасность увеличивается, поэтому за границу зоны дорожных работ необходимо принять начало участка с ограниченной видимостью и временные дорожные знаки установить перед этим участком.
3.12. При проведении дорожных работ на участках с ограниченной видимостью как в плане, так и в продольном профиле, организуют движение и ограждают место работ в соответствии с рис. 3.13.
Примыкания и пересечения
3.13. В зонах пересечений организация движения должна быть подчинена принципу очередности проведения дорожных работ, который состоит и следующем: работы начинают на второстепенных дорогах и отдельных элементах пересечений, постепенно переходя к наиболее загруженным, используя отремонтированные элементы для переключения на них движения.
3.14. В зоне пересечений и примыканий в одном уровне дорожные работы выполняют в три этапа:
1) дорожные работы на обочинах, при необходимости, строительство правоповоротных переходно-скоростных полос (рис. 3.14);
2) дорожные работы на проезжей части второстепенной дороги (на всей или по полосам) с переключением движения на отремонтированные обочины или правоповоротные переходно-скоростные полосы (рис. 3.15);
3) дорожные работы на проезжей части главной дороги (на всей ширине или по полосам, включая переходно-скоростные полосы для левого поворота) с переключением движения на обочины или правоповоротные переходно-скоростные полосы (рис. 3.16). В этом случае возможны два варианта организации движения при работах в центральной части пересечения: пропуск транспортных средств в объезд участка работ по обочинам главной дороги с перепробегом транспортного потока второстепенного направления и левоповоротного потока с главного направления; пропуск транспортных средств по отремонтированному участку главной дороги. Если видимость на перекрестке ограничивают работающие машины и механизмы, организацию движения осуществляют с помощью регулировщика.
Рис. 3.14. Организация движения и ограждение мест дорожных работ, выполняемых на обочинах пересечения в одном уровне:
1 — зона работ; 2 — направляющие конусы; 3 — ограждающие барьеры; 4 — существующие пешеходные переходы, закрываемые на период дорожных работ; 5 — автобусные остановки, перенесенные из зоны дорожных работ
Рис. 3.15. Организация движения и ограждение мест дорожных работ, выполняемых на проезжей части второстепенной дороги пересечения в одном уровне
Рис. 3.16. Организация движения и ограждение мест дорожных работ, выполняемых на проезжей части главной дороги:
1 — пропуск транспорта в объезд ремонтируемого участка по обочинам главной дороги
3.15. В случае проведения дорожных работ на пересечении или примыкании, где имеется пешеходное движение, например в местах остановок общественного транспорта, необходимо предусмотреть временный перенос остановок за пределы зоны ремонтных работ и оборудовать пешеходные дорожки к ним, а также устроить временные пешеходные переходы.
3.16. Если дорожные работы ведутся на обочине съезда развязки, пропуск транспортных средств осуществляют по проезжей части съезда. Организация движения и ограждение места работ для этого случая показаны на рис. 3.17 и рис. 3.18.
Рис. 3.17. Организация движения и ограждение места дорожных работ, выполняемых на внутренней обочине правоповоротного съезда пересечения в разных уровнях:
1 — направляющие конусы или вехи; 2 — зона работ; 3 — ограждающие барьеры
3.17. Если дорожные работы проводятся на проезжей части съезда развязки, движение транспортных средств осуществляют по прилегающей к проезжей части обочине (рис. 3.19 и рис. 3.20), которая предварительно планируется, а при необходимости и укрепляется.
Рис. 3.18. Организация движения и ограждение места дорожных работ, выполняемых на внешней обочине левоповоротного съезда пересечения в разных уровнях
Рис. 3.19. Организация движения по обочине и ограждению места дорожных работ, выполняемые на всей ширине проезжей части правоповоротного съезда пересечения в разных уровнях
Рис. 3.20. Организация движения по обочине и ограждение места дорожных работ, выполняемых на всей ширине проезжей части левоповоротного съезда пересечения в разных уровнях
3.18. Когда проезжая часть съезда закрыта из-за проведения дорожных работ, а пропуск транспортных средств по обочине невозможен, движение организуют по следующим схемам:
с использованием соседних съездов (рис. 3.21 и рис. 3.22);
с устройством разворота на одной из дорог (рис. 3.23);
Рис. 3.21. Организация движения и ограждение места дорожных работ, выполняемых на всей ширине проезжей части правоповоротного съезда пересечения в разных уровнях
Рис. 3.22. Организация движения и ограждение места дорожных работ, выполняемых на всей ширине проезжей части левоповоротного съезда пересечения в разных уровнях
Рис. 3.23. Организация движения и ограждение места дорожных работ при закрытии левоповоротн
























