- Устройство снегоуборщика
- Принцип работы снегоуборочных аппаратов
- Одноступенчатые
- Двухступенчатые
- Виды снегоуборочной техники для дома своими руками
- Где найти схемы и чертежи снегоуборочных машин
- Подготовка к работе
- Инструменты и оборудование
- Выбираем тип двигателя
- Электродвигатель
- Бензиновый ДВС
- Как сделать самодельную снегоуборочную машину для дома своими руками
- Изготовление роторного изделия
- Сварка рамы
- Ротор
- Изготовление улитки и сборка конструкции
- Снегоуборочная машина своими руками изготовление шнека и рамы
- Сборка шнека
- Сборка конструкции на базе других аппаратов
- Из мотоблока
- Из бензопилы
- На базе триммера
- Снегоуборщик с отвалом
- Снегоочистители из промышленных образцов
- Самодельный очиститель бульдозерного типа
- Изготовление самодельного отвала
- Как обеспечить движущую силу для снегоуборщика?
- Сравнительный анализ электрических и бензиновых снегоуборщиков
- Снегоуборочная бензиновая самоходная машина
- Электрический снегоуборщик
- Техника безопасности
- Предупреждения и полезные советы
Устройство снегоуборщика
Вообще, как правило, все снегоуборщики имеют примерно одинаковую сборку. Список деталей снегоуборщика:
- Специальная металлическая сетка для равномерного распыления снега
- Ковш с дополнительными ребрами жесткости, служащие для упрочнения конструкции
- Лопатка для очистки снега с крыльчатки, желоба и ковша снега
- Специальное крепление редуктора к ковшу для большей прочности и надежности
- Зубчатый металлический шнек
- Два срезных болта, которые предотвращают повреждения редуктора при попадании в шнек крупных предметов
- Редуктор червячный в корпусе из стали с бронзовой шестерней для предотвращения взноса и стирания
- Вал зубчатого шнека на подшипниках для надежности соединения и увеличения скорости вращения
- Крыльчатка шнека со специальным покрытием, защищающим от коррозии
- Удобные колодки для регулировки высоты ковша
- Подрезная пластина
- Разблокировка колес шплинтом
- Бескамерные колеса, имеющие четырнадцати дюймовый размер. Обеспечивают высокую проходимость и обладают ярко-выраженными направлениями протекторов.
- Профессиональный 4-тактный двигатель с верхним расположением клапанов для лучшей заполняемости цилиндра горючей смесью и чугунной гильзой цилиндра, предотвращающей преждевременный износ
- Регулировка направления выброса желоба и длительности выброса снега с панели опратора
- Точное распределение веса значительно добавляет устойчивости конструкции, предотвращает заваливание на бок и сильные вибрации
- Управление движением шнека с помощью курка
- Регулировка угла поворота желоба для выбора нужного направления выброса
- Переключение скоростей: 5 вперед и две назад
- Управление движением снегоуборочной машины с помощью курка
- Галогеновая фара позволит эффективно убирать снег в любое время суток
- Емкость бака примерно 7 литров позволит экономить время на дозаправках
- Поворачиваемый на 190 градусов металлический желоб с регулируемой верхней планкой для выбора дальности выброса до 19 метров










Это список всех самых важных элементов, которыми оснащён почти каждый прибор.

Принцип работы снегоуборочных аппаратов
Как уже говорилось выше, в конструкции машины два основных элемента: мотор и рабочий орган, с помощью которого захватывается снег. Чаще всего в его качестве используется шнек, который соединен с двигателем через ременную или цепную передачу. Чем быстрее вращается шнек, тем дальше аппарат выбрасывает снег в сторону.

Схема сборки шнека
При этом рабочий орган разделен на два участка, то есть, он разделен пополам. На каждом участке располагается шнек с разным расположением лопаток. С одной стороны они располагаются с наклоном влево, с другой вправо. Делается это для того, чтобы с краев захватывающего устройства снежная масса поступала к центру, откуда она и будет централизовано поступать в сборочный бункер.
Именно рабочий орган создает две группы снегоуборщиков, которые делятся на одноступенчатые и двухступенчатые.
Одноступенчатые
Эта разновидность очистку снега проводит только шнеком. Отсюда и небольшое расстояние выброса – до 5 м. Аппараты имеют небольшие габариты – ширина сборочного ковша не превышает 90 см, и небольшой вес – до 40 кг.
Эти агрегаты относятся к категории ручных, то есть, в их комплектацию не входит двигатель. Человек просто толкает аппарат, от колес которого до шнека проведена цепная передача.Она и является движущей силой. Чем быстрее толкает человек тележку, тем интенсивнее аппарат работает.

Одноступенчатый снегоуборщик
Используют их обычно для чистки катков, дорожек и небольших площадок, покрытых только что выпавшим снегом с небольшой толщиной покрова. В таких снегоочистителях в основном используются прорезиненные детали, которые быстро выходят из строя, если неправильно эксплуатировать ручной агрегат.
Двухступенчатые
Само название говорит о том, что кроме шнека в аппарате установлен еще один рабочий орган. Это крыльчатка (колесо с лопастями), с помощью которой снег можно выбрасывать на расстояние до 15 м. Есть в этой группе модели с ручным исполнением и с двигательным. Второй вариант предпочтительнее, потому что сам аппарат весит не меньше 75 кг, поэтому перемещать его, толкая руками, достаточно сложно.

Двухступенчатый
Комплектуются этот вид как электрическими двигателями, так и бензиновыми или дизельными. Они удобны в работе, у них более мощная конструкция, что позволяет убирать даже самые большие сугробы, плюс чисто конструктивно шнек располагается так, что он не касается твердой поверхности очищаемых плоскостей. То есть, его срок эксплуатации достаточно большой.
Говоря о снегоуборочных машинах для дома, изготавливаемых своими руками, надо учитывать сложность двухступенчатой конструкции. Поэтому оптимальный вариант – одноступенчатая.
Виды снегоуборочной техники для дома своими руками
Машины для уборки снега применяют механического удаления снега на обозначенном участке. Это устройство должно не только собрать снег, но и откинуть его к месту его сбора. Такое оборудование может работать или от двигателя внутреннего сгорания или от электрического привода. Технику служащую этим целям можно разделить на самоходную и на ручную. Самоходное оборудование может использовать шасси на гусеничном или колесном ходу.
Для сборки снегоуборщика допустимо использовать ДВС, устанавливаемый на пилах или электрический силовой агрегат. Во многих загородных хозяйствам применяют мотоблоки, которые при проявлении некоторой смекалки, может быть использована как основа для снегоуборщика.
Машины, работающие на электричестве, проводят очистку территории с малой площадью, это, может быть, крыльцо, дорожки или въезд в гараж. Но использовать его для очистки больших территорий не всегда целесообразно. В дополнение к этому, можно сказать, что эффективность работы будет снижена, если на существующей территории отмечены наледи или большие скопления снега. Техника, работающая от электричества, отличается небольшими размерами и отличается простотой эксплуатации и обслуживания. Но ее эксплуатация связана с обязательным соблюдением правил электробезопасности. В частности, должен быть использован провод, который приспособлен для работы при низких температурах. Кроме того, необходимо использовать специальную арматуру.
Для работы на больших территориях целесообразно применять самоходные устройства с бензиновыми двигателями. Они обладают хорошей проходимостью и способны далеко отбрасывать снег с места работы. Но, вместе с тем, техника такого плана обладает серьезными габаритами, но для управления ей не требуется приложение больших мускульных усилий.
Перед принятием решения об изготовлении снегоуборщика необходимо учитывать следующее – несамоходные устройства предназначены для удаления свежевыпавшего снега, и они показывают высокую эффективность при очистке садовых дорожек, тротуаров и плоских крыш. Да, бесспорно, эти устройства отличаются отличной управляемостью, но при появлении плотного слоя снега она падает и машины теряют все свои преимущества.
Где найти схемы и чертежи снегоуборочных машин
Мы предлагаем вам внимательно прочитать ветки форумов, на которых описано самостоятельное изготовление своими руками тех или иных навесных снегоочистителей.
Возможно, там вы найдете уже готовые схемы, подходящие для вашей ситуации.

Или воспользуетесь
опытом форумчан, чтобы разработать что-то свое, например:
- Изготовление шнекового снегоотбрасывателя с гидромотором (навесное для минитрактора).
- Еще один шнековый отбрасывать (навесное для мотоблока МБ-2С).
- Бульдозерный нож (отвал) для автомобиля.
- Снегоуборщик из бензопилы.
- Различные советы по самостоятельному строительству снегоуборщика.
- Еще одна ветка с различными советами по изготовлению снегоуборщика, в том числе по навесному оборудованию.
- Шнекороторный навесной снегоуборщик для минитрактора.
Подготовка к работе
Собираясь изготавливать навесное оборудование для уборки снега, вам необходимо сначала сделать следующее:
- выбрать агрегат или технику, для которой будете делать насадку-снегомет;
- определиться с типом навесного оборудования;
- определиться с доступными материалами;
- внимательно прочитать всю доступную информацию по этому типу навесного оборудования и установке на выбранную вами технику;
- определить, что вы сможете сделать самостоятельно, а что придется покупать или заказывать.
Выбор технического устройства, для которого вы собираетесь изготавливать снегоочиститель, напрямую влияет на тип этого оборудования.
К примеру, для установки на легковой автомобиль хорошо подходит только бульдозерный нож.
Это связано с очень большой скоростью движения на первой передаче и средних оборотах двигателя.
Чтобы эффективно отбрасывать снег на такой скорости, да еще и при длине шнека, равном ширине автомобиля, потребуется мотор мощностью не менее 50 лошадиных сил (л. с.). Соответственно, масса агрегата будет далеко за 400 килограмм.
Сделать и наладить такое устройство, не имея солидного опыта, невозможно. А затраты на его изготовление будут сопоставимы со стоимостью неплохого самоходного снегоуборщика, который будет гораздо эффективней.
Для внедорожника требования немного ниже, если у него:
- полный привод;
- понижающая передача.
Но основная проблема такая же – слишком быстрая и широкая машина. Ведь при такой ширине оптимальная скорость движения для нормальной работы шнекороторного механизма не должна превышать 1–2 километра в час для уборки не слишком глубокого снега.
Поэтому оптимальный выбор для любого автомобиля или любого другого транспортного средства – бульдозерный нож.
С мотоблоками и другой самоходной техникой ситуация другая. Ведь в большинстве случаев их минимальная скорость движения составляет 5–7 километров в час.
Если самоходная техника оснащена двигателем мощностью 7–15 л. с., то ее вполне хватит для уборки не слишком глубокого снега.
Во время уборки глубокого снега придется или мириться со скольжением колес, или двигать технику вперед небольшими рывками, позволяя шнекороторному механизму успешно перемалывать и выбрасывать снег.
Решив устанавливать на технику не нож, а снегоотбрасыватель, необходимо определиться с его типом.
Разница между шнековым и шнекороторным самодельным снегоуборочным устройством в том, что в первом случае шнек и размельчает, и разгоняет снег, а во втором только размельчает.
Поэтому при одинаковой мощности двигателя эффективность шнекороторного устройства как минимум в 2 раза выше, чем шнекового.
Следовательно, для нормальной уборки снега шнековым механизмом, его необходимо оснащать двигателем как минимум в 2 раза мощней.
Или мириться с:
- меньшей дальностью откидывания снега;
- сильным снижением эффективности при уборке слежавшегося или мокрого снега.
Если вы решили делать своими руками шнекороторный навесной снегоочиститель, то основной проблемой станет поиск редуктора. Ведь редуктор от снегоуборщика стоит не меньше 8 тысяч рублей.
Можно сделать такой самодельный снегоуборщик и без классического редуктора.
Но в этом случае вам придется найти или сделать самому шестеренчатую или ременчатую передачу, в которой первичный и вторичный валы повернуты относительно друг друга на 90 градусов.
Шестеренчатую передачу можно сделать из двух планетарных шестеренок и их осей от дифференциала любого автомобиля.
Эти детали вам продадутся в таких местах, как:
- пункт приема металлолома;
- любая авторазборка.
Инструменты и оборудование
Вот минимальный набор оборудования и инструментов, которые потребуются для самостоятельного создания навесного снегоуборочного агрегата:
- дрель с набором сверл по металлу;
- болгарку с зачистными и отрезными дисками;
- металлическая щетка – насадка на дрель или болгарку;
- электрический сварочный аппарат (желательно инвертор);
- мощный верстак с тисками;
- токарный станок (если его нет, можно заказать все необходимые детали токарю);
- рулетка;
- угольник;
- транспортир;
- циркуль;
- гаечные ключи;
- отвертки.
Выбираем тип двигателя
Перед тем, как сделать ручной снегоочиститель, необходимо понять, какой тип двигателя лучше выбрать — электрический или бензиновый.
Электродвигатель
Электрические агрегаты отличаются бесшумной работой и очень просты в обслуживании. Также они не требуют никаких расходных материалов. Единственное неудобство электрических аппаратов – это постоянно мешающий передвижению электрический кабель. Конечно же, можно использовать двигатель, работающий от аккумуляторных батарей, но время работы такого уборщика будет ограничено уровнем заряда АКБ. Поэтому, если вы собираетесь сделать электрический снегоуборщик, знайте, что работать он сможет только в пределах двора, то есть дальность передвижения агрегата будет ограничена длиной кабеля питания.
Бензиновый ДВС
Бензиновые уборщики снега – это мощные и довольно шумные агрегаты. Они справляются с толстыми снежными покровами, в том числе и обледенелыми. Бензиновые аппараты имеют преимущество перед электрическими, не только по мощности, но и по мобильности, поскольку не зависят от электрической сети. Благодаря этому агрегаты можно использовать для уборки снежных заносов на больших площадях, например, возле дворов частного сектора, во дворах многоэтажек, на тротуарах, на отдельных участках дороги и т.д. Но несмотря на перечисленные достоинства бензиновых аппаратов, у них есть и недостатки:
- требуется обслуживание двигателя;
- нужна регулярная заправка ГСМ;
- наличие выхлопных газов;
- высокий уровень шума при работе двигателя.
Ориентируясь на вышесказанное, можно понять, что если вам нужно очистить от заносов двор дачи или небольшого частного владения, то лучше остановиться на изготовлении электрического снегоуборщика. Если предполагается регулярно очищать от снега большие площади, то бензиновый привод справится с этой задачей лучше электрического.
Как сделать самодельную снегоуборочную машину для дома своими руками
Самодельная снегоуборочная машина для дома, изготовленная своими руками, это реальная возможность неплохо сэкономить. Ведь показанные в таблице цены, особенно бензиновых моделей, достаточно высоки. А электрические аппараты не всегда могут справиться с поставленными целями.
Итак, задача обозначена: собрать снегоуборщик, у которого рабочим органом будет шнек. В первую очередь его и надо будет изготовить.
Изготовление роторного изделия
Перед началом изготовления снегоуборщика своими руками подготавливаются чертежи. Роторный агрегат состоит из следующих узлов:
- рамы;
- ротора;
- кожуха-улитки.
Если техника готовится для ручного использования, то на нее еще крепится двигатель. Полученная конструкция является технологичной и компактной.
Заранее подготавливаются материалы и инструменты:
- профильные уголки;
- заготовка для вала;
- листовой материал толщиной 2-3 мм;
- подшипники;
- при необходимости колеса, лыжи и двигатель;
- сварочный аппарат;
- болгарка;
- плоскогубцы;
- отвертки;
- молоток.
Сварка рамы
Рама – это прямоугольная сварная конструкция. На ней располагаются все узлы агрегата. Состоит она из уголков и различных профилей. Если планируется установка двигателя, то рама делается длиннее.
Для изготовления самоходной техники в ней предусматривается узел для крепления колес. Иногда снизу фиксируются лыжи.

Ротор
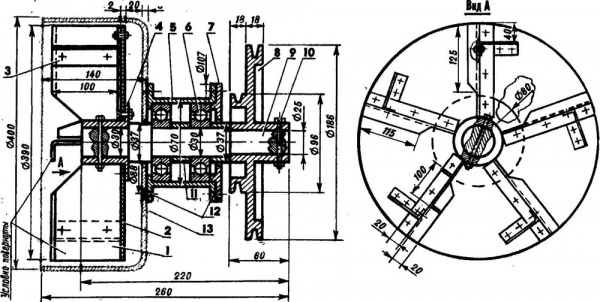
Ротор — это узел, который является самым сложным в конструкции. В чертеже он идет отдельно, как сборочная единица.
Порядок его изготовления следующий:
- На токарном станке вытачивается вал. Важно соблюсти точность изготовления, чтобы не было дисбаланса при вращении. Подшипники подбираются с таким расчетом, чтобы они выдержали нагрузку. Также необходимо выдержать соосность при посадке.
- Чтобы сделать крыльчатку, из листового метала толщиной 2-3 мм вырезается круг диаметром 29-32 см. В центре сверлится отверстие. Заранее на вале нарезается резьба. На нее надевается вырезанный круг и зажимается с 2 сторон гайками.
- Из того же металла вырезаются лопасти. Их размер и вес должен быть одинаковым. Затем они на равном расстоянии крепятся по краю окружности.
- Для подшипников готовится ступица. Ее можно сделать из трубы, внутренний диаметр которой должен соответствовать наружному подшипнику. Крепится она к улитке.

Чертеж ротора
Изготовление улитки и сборка конструкции
Кожух своей формой напоминает улитку. Отсюда и пошло такое название. Его изготовление и окончательная сборка проходит в следующем порядке:
- К листу металла приваривается труба большого диаметра. С одной ее стороны привариваются 2 направляющие лопатки, а в верхней ее части — патрубок для рукава.
- Чтобы снег летел в рукав, а не рассыпался впереди, передняя част корпуса сверху закрывается на 1/3 диаметра.
- Для крепления ротора к кожуху в стенке улитки сверлится отверстие. В него вставляется вал, и ступица притягивается болтами к стенке. На другую часть вала одевается крыльчатка.
- На выступающий вал с другой стороны одевается шкив для ременной передачи.
- Готовый узел устанавливается на раму.
- Дальнейшая комплектация идет в зависимости от выбранной схемы.
Снегоуборочная машина своими руками изготовление шнека и рамы
Для изготовления рамы применяют стальные уголки 50×50 мм. На нее будет установлена платформа для установки двигателя.
На платформе необходимо выполнить отверстия для установки силового агрегата. Их можно выполнить или с помощью дрели, и с применением газорезки.
Шкивы для передачи крутящего момента желательно изготовить из алюминиевого сплава.
Металл, из которого будет собираться корпус, где будет установлен шнек тоже необходимо, защищать от коррозии. Поэтому имеет смысл использовать оцинкованный материал.
Для того чтобы рама проработала дольше ее необходимо покрыть грунтовкой. Это, может быть, материал под названием ГФ21 или ХВ0278. Поверх нее лучше всего нанести лакокрасочное покрытие. Такое решение защитит раму от механических повреждений и от коррозии.
Сборка шнека
Главным рабочим элементом машины для уборки снега является шнек, который собой представляет режущие лопасти-кольца, которые присоединены к валу привода. В роли вала применяют трубу размером примерно 90 см. В середине трубы необходимо проделать сквозное отверстие, куда в дальнейшем будет установлена лопата для подачи снега. Во время вращения трубы (вала) лопатка начнет откидывать снег.
Прежде чем изготовить шнек для снегоуборщика своими руками, нужно воспользоваться готовыми чертежами или разработать схему, по которой начнут вырезаться кольца. Лопасти шнека делаются из листового металла. Для чего из него вырезают четыре диска, режут их и вытягивают в виде витка. Затем приготовленные части спирали привариваются к трубе, поровну с каждой стороны.
Затем, узнав центр вала, параллельно относительно друг друга приваривают две лопатки, которые и начнут откидывать снег. По бокам трубы привариваются стальные распорки для крепления винтовой конструкции. С одной стороны спиралеобразные лопасти фиксируются к распоркам, со второй — к центральным лопаткам.
Рекомендация: Во время изготовления шнека из бензопилы для снегоуборочной машины важно, чтобы витки стальной спирали находились от центра на одном расстоянии и по направлению к нему. Иначе аппарат будет очень вибрировать
Во время изготовления шнекового корпуса, его длину нужно оставить равной длине вала учитывая отрезок для привода. К бокам вала приваривают цапфы, при помощи которых его ставят на подшипники. Их используют в закрытом исполнении, дабы не допустить попадания воды и снега. Наглядно получить представление про изготовление шнека можно, посмотрев видео самодельного снегоочистителя: своими руками сделать снегоуборщик в данном случае будет гораздо проще.
Начинают изготовление шнекового корпуса с боковин. Для чего из металла отрезают два круга, размер которых превышает сечение узла шнека на 5-7 см. К боковым частям приваривается выгнутый в полукруг металлический лист необходимого размера. В середине боковых частей выполняются отверстия, куда ставится механизм шнека. К боковинам с внешней стороны привариваются подшипники. В участке трубы для привода сваркой крепят ведомую звездочку (подходит звездочка, к примеру, от мопеда).
Затем приступают к изготовлению снегоотвода, который можно сделать из трубы размером около метра и сечением 100 мм. Чтобы в корпусе шнека установить трубу, надо сделать отверстие необходимого диаметра, которое обязано располагаться на задней стенке корпуса. В данное отверстие устанавливается труба снегоотбрасывателя, крепится болтами, а поверх ставится короб.
Каркас для снегоуборочной машины изготавливают с помощью приваривания в раму профилированных труб. К поперечным уголкам рамы подсоединяют планки для фиксации двигателя. Нужно сказать, что силовая установка должна свободно передвигаться вдоль рамы, чтобы была возможность ее зафиксировать в необходимом положении. К каркасу крепится ручка с выведенным управлением.
С учетом вида рельефа каркас снегоуборочной машины оборудуют полозьями или колесами. Для ровных территорий можно установить колеса, для неровной и бугристой поверхности — полозья. Для полозьев основу изготавливают из брусков, куда для хорошего скольжения крепятся пластиковые накладки.
Сборка конструкции на базе других аппаратов
Сборка снегоочистителя часто ведется на базе других аппаратов:
- бензопилы;
- триммера;
- мотоблока.
В этом случае снегоуборочная техника превращается в самоходную машину.
Из мотоблока
Данный ручной механизм почти всегда передвигается при помощи колес, гусеницы используются достаточно редко, потому что сделать именно колесное устройство намного легче.

Колесная конструкция получается более маневренной и легкой в управлении, при этом не уступаю своим функционалом.

Начинать работу надо с подготовки корпуса, лопастей и рамы. Для корпуса, как правило, используется листовая сталь или заготовка из бочки.

И в том, и в том случае используют отверстие, через которое происходит выброска снега. Рабочие кромки могут иметь и гладкое, и зубчатое исполнение.










Если надо убрать только выпавший снег, то стоит отдать предпочтение первому варианту. В случае, когда есть слой жесткого утоптанного слоя, нужно использовать именно зубчатую поверхность.

Помните, что если надо убрать лишь небольшой слой только выпавшего снега, то можно добавить несколько обычных щеток, которые сделают процесс уборки более качественным.

Из бензопилы
При изготовлении такого снегоочистителя от бензопилы используется двигатель. Чтобы установить цепной привод, применяется мотоциклетная цепь и звездочки.
После установки бензопилы на раму большая из них фиксируется на шнеке, а меньшая на вале бензопилы. Между ними натягивается цепь. Тросик газа выводится на рукоятку рамы. Ниже устанавливаются шасси.
На базе триммера
Использование электрического триммера требует дополнительной установки редуктора. Он необходим для того, чтобы передать крутящий момент от триммера к шнеку.
Следует помнить, что редуктор стоит дорого. Поэтому такие конструкции изготавливаются редко.
Снегоуборщик с отвалом
Самое лёгкое — это собрать моторизированный снегоочиститель из уже готового изделия, немного переделав его. Но можно поступить иначе и сделать его самостоятельно.
В первом случае за основу этого агрегата берётся обычный ручной очиститель промышленного образца с двумя или четырьмя колёсами. Во втором — все детали достаются или изготавливаются своими руками.
Материалы для сборки снегоуборщика
- металлические листы 2, 3 или 4 мм;
- трубы калибром 50-70 мм;
- подшипники (по месту);
- угольники для рамы;
- колёса;
- оси;
- бак стиральной машины, котёл или кастрюля;
- звёздочки или шестерни;
- цепи или ремни;
- болты, гайки;
- электроды.
Снегоочистители из промышленных образцов
Агрегат выполняется из мобильных, а не ручных устройств. Есть два варианта таких приспособлений. Первый из них со стационарной осью, а второй — с вращающейся. На обоих аппаратах (или на поворотной штанге) укреплён отвал.
Лучше выбирать вариант с одной или двумя осями, которые вращаются, а колёса жёстко закреплены на них. Тогда потребуется минимальная доработка.
Пошаговая инструкция:
- Снимается одно или два колеса (передние, если снегоочиститель двуосный).
- На освободившуюся ось наваривается (или укрепляется другим образом) звёздочка, например, от мотоцикла. Желательно установить её поближе к ступице одного из колёс.
- Конструкцию собирают обратно.
- К ручке (если вариант одноосный) или к раме привинчивается пластина. На ней закрепляется бензопила так, чтобы цепь, накинутая на приваренную звёздочку, была нормально натянута.
Если ось заварена наглухо, надо сделать следующее:
- Снять колёса.
- Подобрать к ним ось или толстый стержень.
- Выточить ступицы или стаканы, чтобы колёса «сидели» плотно.
- Приварить к раме металлические уголки с отверстиями под новую ось.
- Укрепить ведомую звёздочку (от мотоцикла, например).
- Собрать конструкцию — вставить ось в уголки (старую можно не отрезать, если она не мешает) и насадить колёса.
- На раме или ручке укрепить бензопилу.
При работе таким агрегатом не надо будет тратить много энергии. Нужное усилие создаст двигатель пилы.
Самодельный очиститель бульдозерного типа
Этот вариант повторяет два предыдущих. Разница в том, что большинство деталей и узлов выполняется самостоятельно.
Для его изготовления необходимо достать колёса. Можно позаимствовать их со старого велосипеда. Или снять одну или две полные колёсные пары с тачки или любого транспортного средства, отслужившего срок. Затем подобрать к ним ось, на которой они будут укреплены стационарно.
Вся работа заключается в следующем:
- Из обычных или профильных труб сваривается одно- или двуосная рама.
- К ней привариваются уголки с отверстиями.
- В них вставляют ось с предварительно закреплённой звёздочкой.
- Насаживают колёса.
- Приваривают стационарные трубы или поворотный механизм для отвала.
- Устанавливают пластину с бензопилой.
Изготовление самодельного отвала
Эта часть очистителя выполняется из металлических листов, бочки, трубы большого диаметра или какого-нибудь бака (от электронагревателя, например).
Основные размеры подбираются самостоятельно в зависимости от мощности бензопилы. Отвал более метра длиной делать не рекомендуется, так как двигатель может не вытянуть такой нагрузки.
Выполняя отвал из листов, их предварительно расчерчивают. Затем вырезают детали, которые сваривают друг с другом. Форма этого узла снегоочистителя может быть любой.
При изготовлении отвала из цилиндрической заготовки, её обрезают, как показано на рисунке. Если узел выполняют из трубы, то по бокам устанавливают борта. Снизу (для жёсткости) приклёпывают нож, сделанный из длинной, заострённой полосы металла.
Как обеспечить движущую силу для снегоуборщика?
Ему потребуется бензиновый либо электрический двигатель или мотоблок. Считается, что снегоуборщик для мотоблока подходит, наилучшим образом, поскольку в этом варианте все уже готово. Останется лишь провести установку и подключение, и можно эксплуатировать устройство. Для него можно использовать три версии приставок для очищения от снега:
- Вместе с жесткими, вращающимися кольцами. Они помогут справиться со снегом, который выпал недавно и еще не успел замерзнуть.
- На основе подвесной версии лопатки наделенной ножами. Подойдет для борьбы со снегом, пролежавшим некоторое время и образовавшим плотную форму.
- Но роторный снегоуборщик считается самым надежным вариантом. Он помогает отбрасывать снег на большое расстояние от места, где необходимо образовать достаточное пространство для прохода.

Сравнительный анализ электрических и бензиновых снегоуборщиков
Рассмотрим особенности электрических и самоходных бензиновых снегоуборщиков.
Снегоуборочная бензиновая самоходная машина
Особое преимущество бензинового оборудования в мощности мотора. Модели подобных снегоуборщиков оснащаются двухтактными и четырехтактными двигателями. Бензиновое оборудование имеет корпус из металла, гусеничный привод, шнеково-роторное устройство и ковш забора снега. Вес бензинового агрегата составляет 60 кг. Такая техника может разбивать даже слежавшийся снег. Бензиновые модели – дорогостоящие и при этом экономичные в расходе топлива.

Бензиновая модель
Бензиновые модели могут различаться следующими нюансами:
- наличие нескольких шнеков;
- передвижение производится гусеницами или колесами;
- фары для работы в вечернее время.
Электрический снегоуборщик
Электрические модели имеют более доступную цену. Их легко передвигать и перевозить. Оборудование не нуждается в особом уходе. Резиновые накладки на лопастях шнека защищают покрытия дорожек и площадок от повреждения. Недостатком конструкции является неспособность самостоятельного перемещения. Такая техника особенно актуальна для уборки свежевыпавшего снега.
Плюсы электрических моделей:
- устройство работает относительно тихо;
- не нужно заправлять топливом;
- незначительный вес оборудования;
- отсутствует дым при работе;
- прекрасная эффективность и незначительные затраты.

Простой электрический вариант
Но есть и определенные минусы. Например, небольшая мощность, небольшой радиус воздействия и необходимость постоянно контролировать кабель.
Техника безопасности
Приступая к изготовлению своими руками снегоуборочного оборудования, вы должны внимательно ознакомиться с требованиями техники безопасности:
- работая с болгаркой, обязательно надевайте защитные очки (маску) и наушники;
- работая со сварочным аппаратом, обязательно надевайте защитную маску с черным стеклом;
- сварочные работы и покраску проводите в помещении с хорошей вентиляцией или на открытом воздухе;
- не используйте сварочный аппарат в мокром/сыром помещении или под открытым небом во время дождя;
- надев на себя рабочую одежду, убедитесь, что с нее ничего не свисает;
- закончив работу, обязательно уберите рабочее место, не допускайте скопления стружки и мусора;
- рядом с рабочим местом держите укомплектованную аптечку.
Предупреждения и полезные советы
- Выбрать снегоуборочную машину – это одно, а сделать ее самостоятельно – совершенно другое. Обязательно используйте чертежи, когда будете планировать работу.
- В ручной шнек часто попадают мелкие предметы. Сделанный собственноручно снегоуборщик может сломаться, а двигатель – заклинить, если не поставить специальные предохранители.
- Электродвигатель имеет свой кабель, но в большинстве случаев он не предназначен для работы в сильный мороз. Провод начнет «замерзать», установка будет работать с перебоями. Советуем выбирать провода ПГВКВ, а также SiHF и аналоги.
- Габариты ковша нужно предусмотреть заранее. Например, если планируется расчистка очень узких дорожек, рабочая поверхность на них может просто не поместиться.
- Очень удобно, когда в одноступенчатом снегоуборщике выпускной желоб расположен сверху и сбоку. В этом случае снег преодолевает гораздо меньшее расстояние. Спираль шнека наклоняется под небольшим углом туда, где находится желоб.

Самодельный снегоуборщик изготовленный в гараже
Можно сделать вывод, что изготовление машины по уборке снега является хоть и непростой, но вполне выполнимой задачей.
Затраты на изготовление гораздо меньше, чем если бы вам пришлось покупать такое устройство в магазине. Если говорить о себестоимости, то электрическая установка обходится гораздо дешевле, нежели бензиновая. Да и весит она в разы меньше. Взвесив все «за» и «против», можно с уверенностью говорить о том, что для уборки территорий малой и средней площади удобно и вместе с тем недорого иметь собственный снегоуборщик.
- https://landshaftdesign.info/sdelat-snegouborshhik-svoimi-rukami/
- https://homius.ru/snegouborochnaya-mashina-svoimi-rukami.html
- https://sterbrust.tech/ehlektroinstrument/snegouborshchik-svoimi-rukami.html
- https://furra.ru/oborudovanie/samodelnyj-elektricheskij-snegouborshchik.html
- https://mtz-80.ru/bez-rubriki/snegouborshhik-svoimi-rukami-kak-sdelat-snegouborochnuju-mashinu-chertezhi
- https://tehnika.expert/dlya-sada/prochaya-sadovaya-texnika/snegouborshhik-svoimi-rukami.html
- https://vusadebke.com/instrumenty-i-tehnika/sadovaya-tehnika/snegouborschik-svoimi-rukami.html
- https://sdelai-lestnicu.ru/stroi-tehnika/snegouborsik-svoimi-rukami-samodelnaa-rucnaa-snegouborocnaa-masina-na-kolesah-kak-sdelat-elektriceskij-snegoocistitel-dla-doma-po-certezam
- https://kakpostroit.su/snegouborschik-svoimi-rukami/
- http://landshaftdizajn.ru/snegouborshhik-svoimi-rukami/
- https://EkoChistDon.ru/vidy-othodov/ustrojstvo-snegouborshchika.html
