Методы обезжиривания оборудования. Общие требования к технологическим процессам

Страница 1

Страница 2

Страница 3

Страница 4

Страница 5

Страница 6

Страница 7

Страница 8

Страница 9

Страница 10

Страница 11

Страница 12

Страница 13

Страница 14

Страница 15

Страница 16

Страница 17

Страница 18

Страница 19

Страница 20

Страница 21

Страница 22

Страница 23

Страница 24

Страница 25

Страница 26

Страница 27

Страница 28

Страница 29

Страница 30

Страница 31

Страница 32

Страница 33

Страница 34

Страница 35

Страница 36

Страница 37

Страница 38

Страница 39

Страница 40

Страница 41
Изменением N 2 в настоящий ОСТ внесены изменения
Отраслевой стандарт
ОСТ 26-04-312-83
Методы обезжиривания оборудования. Общие требования к технологическим процессам
(введен в действие письмом Технического управления Минхиммаша от 29 ноября 1983 г. N 11-10-4/1685)
(с изменениями от 4 января 1987 г., 23 июня 1992 г.)
Срок действия установлен с 1 января 1985 г.
Взамен ОСТ 26-04-312-71
Настоящий стандарт распространяется на криогенное, криогенно-вакуумное оборудование и оборудование, работающее с кислородом, в том числе медицинским, азотом и прочими продуктами разделения воздуха, и устанавливает общие технологические требования к методам удаления жировых загрязнений с поверхности изделий (обезжириванию).
Стандарт не устанавливает требований к процессам расконсервации изделий.
Пояснения терминов, применяемых в настоящем стандарте, приведены в справочном приложении 1.
|
1. Общие положения 2. Технические требования 3. Требования безопасности 4. Общие технологические требования 5. Контроль качества обезжиривания Приложение 1 Пояснения терминов Приложение 2 Особенности обезжиривания различных типов оборудования 1. Общие положения 2. Обезжиривание блоков разделения воздуха 3. Обезжиривание криогенных сосудов, баллонов и транспортных цистерн 4. Обезжиривание насосов жидкого кислорода 5. Обезжиривание газификационных установок 6. Обезжиривание криогенных холодных газификаторов типа ГКХ 7. Обезжиривание кислородных компрессоров 8. Обезжиривание трубопроводов и шлангов 9. Обезжиривание арматуры и приборов Приложение 3 Требования к растворителям Приложение 4 Составление ванн с водными моющими растворами, их контроль и корректировка 1. Составление ванн 2. Контроль и корректировка ванн |
1. Общие положения
1.1. Обезжиривание оборудования должно производиться в случае превышения норм содержания жировых загрязнений на поверхности, установленных нормативно-техническими документами, технической документацией (чертежами, техническими условиями и эксплуатационной документацией), при изготовлении, монтаже, ремонте и эксплуатации. Нормы для оборудования, работающего с газообразным кислородом, установлены по ГОСТ 12.2.052, для оборудования, работающего с жидким кислородом — по ОСТ 26-04-1362, для криогенно-вакуумного оборудования — по ОСТ 26-04-2600.
Метод и средства обезжиривания указываются в технологической документации.
В эксплуатационной документации указываются метод, средства и периодичность обезжиривания или критерии, определяющие необходимость обезжиривания
В зависимости от конструктивных особенностей изделия допускается указывать метод обезжиривания в технической документации (чертежах, технических условиях), если этот метод является единственным гарантирующим требуемое качество обезжиривания, или ограничивать применение отдельных методов.
1.1.1. Исключен с 1 июля 1987 г.
1.2. Порядок проведения обезжиривания оборудования при изготовлении должен устанавливаться инструкциями и технологическими процессами, разрабатываемыми на предприятии-изготовителе в соответствии с требованиями настоящего стандарта. При проведении монтажных или ремонтных работ порядок и технологический процесс обезжиривания, разработанные в соответствии с требованиями настоящего стандарта, должны определяться организацией, проводящей монтажные или ремонтные работы, обезжиривание при эксплуатации производится в соответствии с эксплуатационной документацией.
Изменением N 1, утвержденным заместителем министра химического и нефтяного машиностроения 4 января 1987 г., в пункт 1.3 настоящего ОСТа внесены изменения, вступающие в силу с 1 июля 1987 г.
1.3. Обезжиривание отдельных деталей перед сборкой или изделий после сборки на заводе-изготовителе и при монтаже может не производиться, если в процессе изготовления детали, из которых собирается изделие, были обезжирены или прошли химическую или гальваническую обработку по ГОСТ 9.305 (осветление, пассивирование, цинкование и т.п.), а при хранении и сборке было исключено загрязнение поверхности.
В случае попадания жировых загрязнений на детали с гальваническими покрытиями допускается производить их обезжиривание протиркой водными моющими растворами при температуре не выше 40°С. Следует учитывать, что при этом возможно нарушение внешнего вида покрытия.
1.4. Обезжириванию при монтаже не подлежит оборудование, удовлетворяющее требованиям технической документации к содержанию жировых загрязнений на поверхности, имеющее подтверждение в паспорте и прибывшее на место монтажа с сохранными заглушками и в целой упаковке.
1.5. Особенности обезжиривания различных типов оборудования приведены в рекомендуемом приложении 2.
1.6. Соответствие содержания жировых загрязнений установленным нормам подтверждается отметкой в контрольно-маршрутной карте, в технологическом паспорте изделия или в другой технической документации. На основании этих документов в паспорт изделия вносится отметки, например: «Содержание жировых загрязнений не превышает норм, установленных ГОСТ 12.2.052″* или «обезжирено».
1.7. Подготовкой и проведением всех работ по обезжириванию должно руководить назначенное письменным распоряжением администрации ответственное лицо, которое полностью должно отвечать за соблюдение технологии обезжиривания, осуществление своевременного технического контроля и безопасность проведения работ.
2. Технические требования
2.1. Требования к материалам
2.1.1. Для обезжиривания оборудования следует использовать растворители или водные моющие растворы. Необходимость использования растворителей или водных моющих растворов должна быть указана в технологической документации.
2.2. Растворители
2.2.1. Растворители делятся на две группы:
Группа 1 — пожаробезопасные, используются для обезжиривания изделий в сборе как на заводах-изготовителях, так и при эксплуатации оборудования.
Группа 2 — пожаровзрывоопасные, используются для обезжиривания изделий методом протирки, при условии последующего полного удаления растворителей из внутренних полостей обезжиренных изделий.
При применении растворителей группы 2 должны соблюдаться условия, обеспечивающие пожаровзрывобезопасность, согласно п. 3.9.
Применяемые растворители группы 1 и 2, используемые при температуре 10-20°С, в зависимости от моющих и физико-химических свойств, приведены в табл. 1.
Изменением N 1, утвержденным заместителем министра химического и нефтяного машиностроения 4 января 1987 г., в подпункт 2.2.2 настоящего ОСТа внесены изменения, вступающие в силу с 1 июля 1987 г.
2.2.2. При обезжиривании других материалов, кроме указанных в табл. 1, следует произвести испытания на коррозионную совместимость с растворителями и на остаточное содержание жировых загрязнений.
Область применения растворителей
Таблица 1
|
Наименование растворителей |
Остаточное содержание жировых загрязнений, мг/м2, не более |
Область применения |
|
Группа 1 |
||
|
Хладон 113 ГОСТ 23844 |
20 |
Для изделий из любых металлов и сплавов |
|
Хладон 114В2 ГОСТ 15899 |
||
|
Трихлорэтилен ГОСТ 9976 |
20 |
Для изделий из стали, чугуна, меди и сплавов на основе железа, меди и никеля |
|
Тетрахлорэтилен ТУ 6-01-956 |
||
|
Трихлорэтилен ГОСТ 9976 со стабилизатором СТАТ-1-1% ТУ 6-01-927 |
20 |
Для изделий из стали, чугуна меди, алюминия и сплавов на основе железа, меди, никеля, алюминия |
|
Тетрахлорэтилен ТУ 6-01-956 со стабилизатором СТАТ-1-1% ТУ 6-01-927 |
||
|
Группа 2 |
||
|
Нефрасы С2-80/120 и СЗ-80/120 ГОСТ 443 |
100 |
Для изделий из любых металлов и сплавов |
|
Нефрас-С 50/170 ГОСТ 8505 (перегнанный) |
||
|
Бензин-растворитель для лакокрасочной промышленности (уайт-спирит) ГОСТ 3134 |
1000 |
Для предварительного удаления жировых загрязнений изделий из любых металлов и сплавов |
2.2.3. Качество растворителя должно полностью удовлетворять требованиям нормативно-технических документов на растворитель и подтверждено паспортом-сертификатом завода-изготовителя.
Растворители, поступающие на обезжиривание, перед употреблением должны быть проверены по показателям, указанным в обязательном приложении 3.
2.2.4. Обезжиривание растворителем производится 1-2 раза в зависимости от формы деталей и требуемого качества обезжиривания. При проведении двукратного обезжиривания остаточное содержание жировых загрязнений может быть принято равным верхнему пределу, приведенному в табл. 1, без проведения контроля.
2.2.5. Для первичного обезжиривания должны применяться растворители с содержанием жировых загрязнений в соответствии с табл. 2, при этом должен быть обеспечен полный слив растворителя из изделия (остаточный слой растворителя не более 1 мм).
Таблица 2
Допустимое содержание жировых загрязнений
|
На поверхности, мг/м2, не более |
В растворителях, мг/дм3, не более |
|
100 |
100 |
|
200 |
200 |
|
250 |
250 |
|
500 |
500 |
2.2.6. При повторном обезжиривании должны использоваться растворители с содержанием жировых загрязнений не более 50 мг/дм3.
В дальнейшем растворители, удовлетворяющие вышеуказанным требованиям, именуются чистыми.
2.2.7. Применение стабилизатора CTAT-1 обязательно при обезжиривании изделий из алюминия и его сплавов и предпочтительно при обезжиривании других металлов.
2.3. Водные моющие растворы
2.3.1. Пожаробезопасные нетоксичные водные моющие растворы используются для обезжиривания в сборе и в разобранном виде изделий, конструкция которых обеспечивает возможность полного слива раствора и удаления его остатков промывкой водой, как на заводах-изготовителях, так и при монтаже и эксплуатации оборудования.
Изменением N 1, утвержденным заместителем министра химического и нефтяного машиностроения 4 января 1987 г., в подпункт 2.3.2 настоящего ОСТа внесены изменения, вступающие в силу с 1 июля 1987 г.
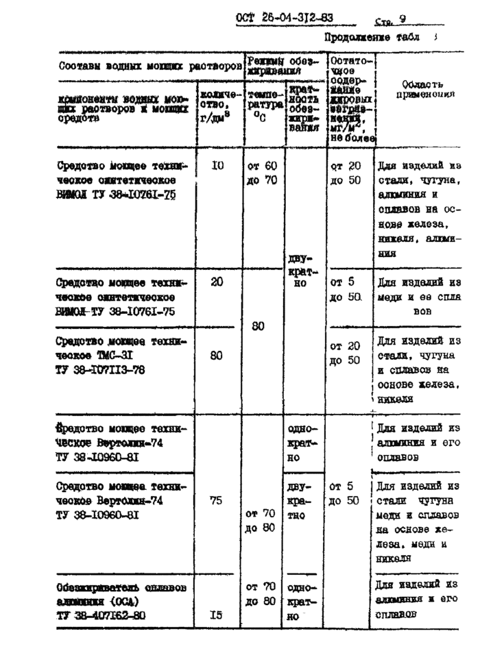
2.3.2. Составы водных моющих растворов, технологические режимы и область применения с указанием материалов приведены в табл. 3. Указания по составлению ванн с водными растворами, их контролю и корректировке даны в обязательном приложении 4.
Таблица 3
Составы водных моющих растворов и режимы обезжиривания
|
Составы водных моющих растворов |
Режимы обезжиривания |
Остаточное содержание жировых загрязнений, мг/м2 |
Область применения |
||
|
компоненты водных моющих растворов и моющих средств |
количество, г/дм3 |
температура °C |
кратность обезжиривания |
||
|
Состав 1 |
15 |
от 60 до 80 |
двукратно |
от 15 до 50 |
Для изделий из стали, чугуна, меди и сплавов на основе железа, меди и никеля |
|
Натрий фосфорнокислый, (тринатрийфосфат) , |
|||||
|
ГОСТ 9337 |
|||||
|
ГОСТ 201 |
|||||
|
Моющее вещество* |
|||||
|
Состав 2 |
от 10 до 50 |
||||
|
Натрия гидроокись (едкий натр) |
10 |
||||
|
ГОСТ 4328 |
|||||
|
ГОСТ 22 63 |
|||||
|
Натрий фосфорнокислый (тринатрийфосфат) |
15 |
||||
|
ГОСТ 9937 |
|||||
|
ГОСТ 201 |
|||||
|
Стекло натриевое жидкое |
2-3 |
||||
|
ГОСТ 13078 |
|||||
|
Моющее вещество* |
|||||
|
Состав 2 |
20 |
от 60 до 80 |
двукратно |
от 15 до 50 |
Для изделий из стали, чугуна, меди, алюминия и сплавов на основе железа, меди, никеля, алюминия |
|
Стекло натриевое жидкое |
|||||
|
ГОСТ 13078 |
|||||
|
Моющее вещество* |
|||||
|
Состав 4 |
2 |
от 55 до 60 |
от 10 до 50 |
Для изделий из стали, чугуна, меди и сплавов на основе железа, меди и никеля, с повышенными требованиями к отсутствию осадков на их поверхности |
|
|
Трилон-Б |
|||||
|
ГОСТ 10652 |
|||||
|
Нитрит натрия технический |
2 |
||||
|
ГОСТ 19906 |
|||||
|
Натрий фосфорнокислый (тринатрийфосфат) |
3 |
||||
|
ГОСТ 9337 |
|||||
|
ГОСТ 201 |
|||||
|
Моющее вещество* |
|||||
|
Препарат моющий МЛ-72 |
50 |
от 60 до 80 |
от 20 до 50 |
Для изделий из стали, чугуна, меди и сплавов на основе железа, меди и никеля |
|
|
ТУ 84-348 |
|||||
|
Синтетическое моющее средство МС-8 |
40 |
от 70 до 80 |
|||
|
ТУ 6-15-978 |
|||||
|
Препарат моющий КМ-2 |
60 |
от 40 до 50 |
Для изделий из стали, чугуна, меди, алюминия и сплавов на основе железа, меди, никеля, алюминия |
||
|
ТУ 6-18-5 |
|||||
|
Средство моющее техническое синтетическое ВИМОЛ |
10 |
от 60 до 70 |
двукратно |
от 20 до 50 |
Для изделий из стали, чугуна, алюминия и сплавов на основе железа, никеля, алюминия |
|
ТУ 38-10761 |
|||||
|
Средство моющее техническое синтетическое ВИМОЛ |
20 |
80 |
от 5 до 50 |
Для изделий из меди и ее сплавов |
|
|
ТУ 38-10761 |
|||||
|
Средство моющее техническое ТМС-31 |
80 |
от 20 до 50 |
Для изделий из стали, чугуна и сплавов на основе железа, никеля, алюминия |
||
|
ТУ 38-107113 |
|||||
|
Средство моющее техническое Вертолин-74 |
75 |
от 70 до 80 |
однократно |
от 5 до 50 |
Для изделий из алюминия и его сплавов |
|
ТУ 38-10960 |
|||||
|
Средство моющее техническое Вертолин-74 |
двукратно |
Для изделий из стали, чугуна, меди и сплавов на основе железа, меди и никеля |
|||
|
ТУ 38-10960 |
|||||
|
Обезжириватель сплавов алюминия (ОСА) |
15 |
однократно |
Для изделий из алюминия и его сплавов |
||
|
ТУ 6-1816 |
|||||
|
Обезжириватель сплавов алюминия (ОСА) |
15 |
от 70 до 80 |
двукратно |
от 20 до 50 |
Для изделий из стали, чугуна, меди и сплавов на основе железа, меди и никеля |
|
ТУ 6-1816 |
|||||
|
Моющие средства бытовой химии** |
50 |
от 60 до 80 |
|||
______________________________
* Используется одно из следующих веществ:
Поверхностно-активное вещество Неонол АФ9.6. ТУ 38.50724 (20г/л) или Неонол АФ9.12 ТУ 38.10362 (5г/л), синтанол ДС-10 по ТУ 6-14-577 — 5 г/дм3; неионогенный препарат синтамид 5 по ТУ 6-02-640 — 5 г/дм3.
** При использовании растворов с моющими средствами бытовой химии обязательным является осмотр обезжиренных изделий после промывки и просушки. В случае обнаружения сухих остатков моющих растворов они должны быть удалены.
2.3.3. Компоненты водных моющих растворов должны соответствовать требованиям нормативно-технических документов, указанных в табл. 3.
2.3.4. Для приготовления водных моющих растворов используется питьевая вода по ГОСТ 2874. Применение воды из системы оборотного водоснабжения не допускается.
2.3.5. При обезжиривании изделий из других материалов, кроме указанных в табл. 3, следует провести их испытания на коррозионную совместимость с водными моющими растворами и на достигаемую чистоту обезжиривания.
2.3.6. Для промывки изделий из черных металлов, после обезжиривания водными моющими растворами рекомендуется применять воду с добавками ингибитора коррозии — нитрита натрия технического по ГОСТ 19906 в количестве 2 г/дм3 воды.
2.3.7. Для сушки изделий и удаления паров следует применять воздух по ГОСТ 9.010 или азот газообразный по ГОСТ 9293. Для удаления паров растворителей группы 2, табл. 1 разрешается применять только азот.
3. Требования безопасности
3.1. Требования безопасности при проведении процесса обезжиривания должны соответствовать ГОСТ 12.3.008.
3.2. При работе с компонентами водных моющих растворов и растворителями, следует выполнять требования безопасности, изложенные в нормативно-технических документах на применяемые вещества, приведенных в табл. 1 и 3.
3.3. При проведении обезжиривания криогенных сосудов, если требуется присутствие в них человека, должны соблюдаться требования «Временной типовой инструкции по организации безопасного проведения газоопасных работ на предприятиях Министерства химической промышленности СССР», утвержденной Госгортехназором СССР и МХП СССР. Перед проведением работ по обезжириванию криогенных сосудов, бывших в эксплуатации, они должны быть отогреты до температур в пределах 12-30°С и провентилированы. Работы следует производить только при содержании кислорода в воздухе внутри сосудов в пределах от 19 до 23%.
В организации, проводящей обезжиривание, должна быть утверждена в установленном порядке инструкция по проведению этих работ.
3.4.Обезжиривание отдельных деталей путем погружения их в ванны с растворителями должно производиться в аппаратах с замкнутым или полузамкнутым циклом обезжиривания, оборудованных местной вентиляцией и исключающих поступление паров растворителей в воздух производственных помещений. При этом необходимо создать непрерывность процесса обезжиривания, сушки и выгрузки деталей. Слив растворителя из оборудования и ванн должен производиться в закрытые сосуды по трубопроводам.
3.5. При обезжиривании оборудования растворителями группы 1 (см. п. 2.2.1.) необходимо обеспечить герметичность оборудования, в котором производится обезжиривание.
3.6. Выбросы воздуха после сушки и продувки должны соответствовать ГОСТ 17.2.3.02.
3.7. Вентиляция помещений должна обеспечивать выполнение требований к воздуху рабочей зоны в соответствии с ГОСТ 12.1.005.
Таблица 4
Предельно допустимые концентрации растворителей в воздухе
|
Наименование растворителей |
Величина предельно допустимой концентрации, мг/м3 |
Класс опасности |
|
Трихлорэтилен |
10 |
3 |
|
Тетрахлорэтилен |
10 |
3 |
|
Хладон 113 |
3000 |
4 |
|
Хладон 114В2 |
1000 |
4 |
|
Бензин-растворитель для резиновой промышленности (в пересчете на С) |
100 |
4 |
|
Нефрас-С 50/170 |
300 |
3 |
|
Уайт-спирит (в пересчете на С) |
300 |
4 |
Изменением N 1, утвержденным заместителем министра химического и нефтяного машиностроения 4 января 1987 г., в пункт 3.8 настоящего ОСТа внесены изменения, вступающие в силу с 1 июля 1987 г.
3.8. Анализ проб воздуха на содержание вредных веществ следует производить по методам, разработанным в соответствии с ГОСТ 12.1.014 и ГОСТ 12.1.016, методическими указаниями и другими нормативно-техническими документами, утвержденными Минздравом СССР.
Изменением N 1, утвержденным заместителем министра химического и нефтяного машиностроения 4 января 1987 г., в пункт 3.9 настоящего ОСТа внесены изменения, вступающие в силу с 1 июля 1987 г.
3.9. При обезжиривании растворителями группы 2 (см. п. 2.2.1. и п. 4.3.7.) должны обеспечиваться пожарная безопасность по ГОСТ 12.1.004, СНИП и ПУЭ.
3.10. Количество хладона 113 и хладона 114B2, заливаемое в обезжириваемые системы или во вспомогательное оборудование, не должно превышать 0,3 кг на 1 м3 помещения.
Изменением N 1, утвержденным заместителем министра химического и нефтяного машиностроения 4 января 1987 г., в пункт 3.11 настоящего ОСТа внесены изменения, вступающие в силу с 1 июля 1987 г.
3.11. Перед входом в помещение, где производится обезжиривание, должны быть вывешены предупреждающие надписи: «Растворитель — яд», «Посторонним вход воспрещен», «Не курить» и другие знаки безопасности, согласно ГОСТ 12.4.026.
3.12. Кубовые остатки растворителей подлежат сдаче на предприятия Минхимпрома или должны подвергаться регенерации у потребителей.
3.13. Рабочие, занятые на работах по обезжириванию, должны быть обеспечены средствами защиты согласно ГОСТ 12.4.011.
Изменением N 1, утвержденным заместителем министра химического и нефтяного машиностроения 4 января 1987 г., в пункт 3.14 настоящего ОСТа внесены изменения, вступающие в силу с 1 июля 1987 г.
3.14. При использовании ультразвуковой очистки следует выполнять требования ГОСТ 12.1.001 и «Санитарных норм и правил при работе на промышленных ультразвуковых установках» от 24.05.77 г.
3.15. При работе с электрическими приборами необходимо соблюдать требования ГОСТ 12.1.019.
3.16. Вопросы слива остатков водных моющих растворов и утилизации должны быть решены проектной организацией в соответствии с действующими руководящими материалами «Правилами охраны поверхностных вод от загрязнения сточными водами» N 1166.
4. Общие технологические требования
4.1. Процесс обезжиривания состоит из следующих операций:
— подготовка к обезжириванию;
— обезжиривание;
— удаление остатков применяемых обезжиривающих средств.
4.2. Подготовка к обезжириванию.
4.2.1. Перед обезжириванием оборудование должно иметь температуру от 12°С до 30°С.
При технической необходимости проведения обезжиривания при более низких или высоких температурах, в каждом конкретном случае, должен быть разработан специальный технологический процесс.
Предохранительные клапаны и контрольно-измерительные приборы следует с оборудования снять и обезжирить отдельно.
4.2.2. Изделия, покрытые консервационными смазками, перед обезжириванием водными моющими растворами или растворителями должны быть расконсервированы в соответствии с ОСТ 26-04-2138.
4.2.3. Перед обезжириванием растворителями, во избежание коррозии, изделия должны быть тщательно просушены.
4.3. Обезжиривание.
4.3.1. Обезжиривание растворителями и водными моющими растворами производится следующими методами:
— заполнением внутренних полостей изделий;
— погружением в ванны;
— циркуляцией растворителей или моющих растворов в промываемых изделиях;
— конденсацией паров растворителя в промываемых изделиях;
— струйной очисткой;
— протиркой;
— ультразвуковой очисткой.
4.3.2. Выбор метода обезжиривания по п. 4.3.1. производится в зависимости от размеров обезжириваемых изделий и имеющихся технических средств обезжиривания.
Предпочтительно обезжиривать изделия до сборки с учетом требований п. 1.3.
4.3.3. Обезжиривание заполнением внутренних полостей изделий или погружением в ванны применяется для отдельных деталей или сборочных единиц, а также для изделий небольшого размера, и производится с использованием растворителей и водных моющих растворов.
Растворитель должен находиться в обезжириваемых изделиях не менее 30 минут. Пребывание растворителя в изделиях не должно превышать 1,5 часа.
Обезжиривание водными моющими растворами производится двукратно с промежуточной и окончательной промывкой горячей водой (60-80°С), температура раствора указана в табл. 3. В каждой ванне с водными моющими растворами изделия должны находиться 30 минут, в ваннах с горячей водой — 15 минут. Время обезжиривания составом N 2, табл. 3 — 15 минут. Пребывание изделий в контакте с водными моющими растворами не должно превышать 2-х часов.
4.3.4. Метод циркуляции растворителей или водных моющих растворов применяется для обезжиривания трубопроводов, шлангов, а также изделий в сборе, конструкция которых обеспечивает возможность омывания циркулирующим раствором всех поверхностей, подлежащих обезжириванию (трубчатые теплообменники и т.п.). Обезжиривание методом циркуляции производится в изделии растворителями или моющими растворами, скорость циркуляции от 0,5 до 1,0 м/с.
При циркуляции растворителя должны соблюдаться следующие условия:
— длительность циркуляции не менее 20 мин. и не более 1,5 часа;
— количество циркулирующего растворителя — не менее объема изделия, при этом должно быть гарантировано омывание растворителем всей обезжириваемой поверхности;
— необходимость повторного обезжиривания устанавливают по результатам анализа растворителя, слитого из изделия (см. п. 5.3.).
При циркуляции моющего раствора должны соблюдаться следующие условия:
— длительность циркуляции не менее 30 мин., но не более 2-х часов;
— количество циркулирущего водного моющего раствора не менее объема изделий, при этом должно быть гарантировано омывание раствором всей обезжириваемой поверхности;
— обезжиривание следует производить двукратно с промежуточной и окончательной промывкой горячей водой.
4.3.5. Метод обезжиривания конденсацией паров растворителя применяется для обезжиривания криогенных сосудов, трубопроводов, шлангов и производится подачей в обезжириваемые полости пара растворителя, нагретого до температуры кипения, и последующей конденсацией пара на обезжириваемой поверхности. Конденсат сливают из оборудования.
К растворителю, заливаемому в испаритель, не предъявляются требования по содержанию жировых загрязнений в соответствии п.п. 2.2.5. и 2.2.6.
Расход растворителя для однократного обезжиривания составляет 5-10 дм3 на 1 м2 обезжириваемой поверхности. Обезжиривание заканчивается при содержании жировых загрязнений в сливаемом из изделия конденсате не более 20 мг/дм3, однако в любом случае расход растворителя должен быть не менее 5 дм3/м2.
4.3.6. Метод струйной очистки применяется для обезжиривания отдельных изделий или внутренних поверхностей сосудов и производится путем подачи на обезжириваемую поверхность растворителя или водного моющего раствора струей под повышенным давлением через специальные насадки, обеспечивающие омывание всей обезжириваемой поверхности. Количество растворителя или водного моющего раствора, подаваемого на обезжириваемую поверхность, должно составлять не менее: для растворителей 25 дм3/м2, для моющих растворов 50 дм3/м2.
При обезжиривании струйным методом промежуточная промывка горячей водой не обязательна.
4.3.7. Метод протирки применяется в случае отсутствия специального оборудования или более эффективных способов обезжиривания.
Этот метод применяется для обезжиривания крупногабаритных изделий, криогенных сосудов, если в них имеются люки, и для малогабаритных изделий при условии свободного доступа к обезжириваемым полостям и производится путем многократной протирки обезжириваемых поверхностей салфетками с подрубленными краями, смоченными горячим водным моющим раствором при температуре 40-45°С.
При условии выполнения требований безопасности допускается использование хладона 113 и хладона 114B2 или растворителей группы 2 для протирки малогабаритных изделий.
4.3.8. Метод ультразвуковой очистки следует применять для обезжиривания изделий сложной конфигурации. Обезжиривание производится растворителями группы 1 или горячими водными моющими растворами (см. табл. 1, 3) в специальных ультразвуковых ваннах. Длительность обезжиривания 10-15 минут. После обезжиривания водными моющими растворами изделия промывают горячей водой.
4.4. Удаление остатков применяемых обезжиривающих средств.
4.4.1. Удаление остатков растворителя из изделий после их обезжиривания производится продувкой сжатым воздухом или азотом, по п. 2.3.7. Для растворителей группы 2 используется только азот. Газ, используемый для продувки, должен быть нагрет до температуры 60-70°С. К концу продувки на выходе из аппарата газ должен иметь температуру не ниже 40-50°С. Длительность продувки зависит от габаритов и формы обезжириваемых изделий и от физико-химических свойств растворителей. Продувку следует вести до полного удаления запаха растворителя. Порядок продувки такой же, как и при отогреве оборудования из холодного состояния. Необходимо исключить попадание в помещение воздуха, загрязненного парами растворителя.
4.4.2. Продувку изделий, предназначенных для хранения и транспортировки медицинского кислорода, следует производить до полного отсутствия паров растворителя в газе; при контрольной продувке должен обеспечиваться не более, чем двукратный обмен газа в изделии в течение 1 часа.
4.4.3. Удаление остатков водных моющих растворов следует производить путем промывки изделий горячей питьевой водой при температуре 70-80°С. Промывку прекращают при отсутствии в воде пены и нейтральной реакции среды (РН-6-8) при проверке универсальной индикаторной бумагой по ТУ 6-09-1181.
4.4.4. После обезжиривания изделий водными моющими растворами методом «протирки» удаляют остатки раствора протиркой сафетками, смоченными теплой водой при температуре 35-40°С. Протирка поверхности салфетками, смоченными водой, заканчивается после отсутствия на протираемой поверхности и на салфетках следов пены. РН последней промывочной воды должен быть 6-8.
4.4.5. Перед сушкой изделий из них полностью должна быть слита вода. Особое внимание следует обратить на полноту удаления воды из внутренних полостей и карманов. Сушку металлических изделий, промытых в воде, производить до полного удаления влаги продувкой сжатым воздухом при температуре 100-120°С, а сборочных единиц с неметаллическими деталями при температуре 70-80°С. К концу продувки температура воздуха на выходе из аппарата должна быть не более, чем на 10-15°С, ниже температуры подаваемого воздуха. Допускается естественная сушка деталей несложных конфигураций и открытых поверхностей с соблюдением техники безопасности.
Перерыв между окончанием промывки и сушкой изделия не должен превышать 10-15 минут. Допускаются пятна белого налета от водных моющих растворов площадью не более 10% от поверхности промываемых изделий.
5. Контроль качества обезжиривания
5.1. Контроль качества обезжиривания и технологических параметров производится при отработке технологического процесса, а также по требованию ОТК или представителя заказчика.
В случае отсутствия контроля, качество обезжиривания должно гарантироваться соблюдением принятой технологии.
5.2. Необходимость контроля обезжиривания изделий, процент контролируемых изделий и избранная методика должны быть оговорены в технологической документации.
5.3. В зависимости от способа обезжиривания и конструкции изделия качество обезжиривания контролируется путем непосредственного определения содержания жировых загрязнений на поверхно
