Совместимость технических средств электромагнитная. Бытовые приборы, электрические инструменты и аналогичные устройства. Радиопомехи индустриальные. Нормы и методы измерений
Действие завершено 01.01.2014
Документ завершил свое действие. Вы можете скачать Руководящий документ ГОСТ Р 51318.14.1-2006 в удобном формате.
Скрыть дополнительную информацию
Страница 1

Страница 2

Страница 3

Страница 4

Страница 5

Страница 6

Страница 7

Страница 8

Страница 9

Страница 10

Страница 11

Страница 12

Страница 13

Страница 14

Страница 15

Страница 16

Страница 17

Страница 18

Страница 19

Страница 20

Страница 21

Страница 22

Страница 23

Страница 24

Страница 25

Страница 26

Страница 27

Страница 28

Страница 29

Страница 30

Страница 31

Страница 32

Страница 33

Страница 34

Страница 35

Страница 36

Страница 37

Страница 38

Страница 39

Страница 40

Страница 41

Страница 42

Страница 43

Страница 44

Страница 45

Страница 46

Страница 47

Страница 48

Страница 49

Страница 50

Страница 51

Страница 52

Страница 53

Страница 54

Страница 55

Страница 56

Страница 57
|
ФЕДЕРАЛЬНОЕ АГЕНТСТВО ПО ТЕХНИЧЕСКОМУ РЕГУЛИРОВАНИЮ И МЕТРОЛОГИИ |
|
|
НАЦИОНАЛЬНЫЙ |
ГОСТР |
|
( /рГчЛ стандарт |
51318.14.1- |
|
1 1И¥ J российской |
|
|
У ФЕДЕРАЦИИ |
2006 |
|
(СИСПР 14-1:2005) |
|
Совместимость технических средств электромагнитная
БЫТОВЫЕ ПРИБОРЫ, ЭЛЕКТРИЧЕСКИЕ ИНСТРУМЕНТЫ И АНАЛОГИЧНЫЕ УСТРОЙСТВА. РАДИОПОМЕХИ ИНДУСТРИАЛЬНЫЕ
Нормы и методы измерений
CISPR 14-1:2005
Electromagnetic compatibility— Requirements for household appliances, electric tools and similar apparatus — Part 1: Emission (MOD)
Издание официальное
04
3
О
8
J.
GBhI с™*’”**-
ГОСТ Р 51318.14.1-2006
Предисловие
Цели и принципы стандартизации в Российской Федерации установлены Федеральным законом от 27 декабря 2002 г. № 184-ФЗ «О техническом регулировании», а правила применения национальных стандартов Российской Федерации — ГОСТ Р 1.0-2004 «Стандартизация в Российской Федерации. Основные положения»
Сведения о стандарте
1 РАЗРАБОТАН ФГУП «Ленинградский отраслевой научно-исследовательский институт радио» (ФГУП ЛОНИИР)иТ ехническим комитетом по стандартизации ТК 30 « Электромагнитная совместимость технических средств» на основе собственного аутентичного перевода стандарта, указанного в пункте 4
2 ВНЕСЕН Техническим комитетом по стандартизации ТК 30 «Электромагнитная совместимость технических средств»
3 УТВЕРЖДЕН И ВВЕДЕН В ДЕЙСТВИЕ Приказом Федерального агентства по техническому регулированию и метрологии от 27 декабря 2006 г. No 465-ст
4 Настоящий стандарт является модифицированным по отношению к международному стандарту СИСПР 14-1:2005 «Электромагнитная совместимость — Требования для бытовых приборов, электрических инструментов и аналогичных устройств — Часть 1: Эмиссия электромагнитных помех» (CISPR 14-1:2005 «Electromagnetic compatibility — Requirements lor household appliances, electric tools and similar apparatus — Parti: Emission»). При этом дополнительные положения и требования, включенные в текст стандарта для учета потребностей национальной экономики Российской Федерации и особенностей российской национальной стандартизации, выделены в тексте курсивом.
Наименование настоящего стандарта изменено относительно наименования указанного международного стандарта для приведения в соответствие с ГОСТ Р1.5—2004 (пункт 3.5).
При применении настоящего стандарта рекомендуется использовать вместоссылочных международных стандартов соответствующие им национальные стандарты Российской Федерации, сведения о которых приведены в дополнительном приложении Г
5 ВВЕДЕН ВПЕРВЫЕ
Информация об изменениях к настоящему стандарту публикуется в ежегодно издаваемом информационном указателе «Национальные стандарты», а текст изменений и поправок — в ежемесячно издаваемых информационных указателях «Национальные стандарты». В случав пересмотра (замены) или отмены настоящего стандарта соответствующее уведомление будет опубликовано в ежемесячно издаваемом информационном указателе «Национальные стандарты». Соответствующая информация, уведомления и тексты размещаются также в информационной системе общего пользования — на официальном сайте Федерального агентства по техническому регулированию и метрологии в сети Интернет
© Стандартинформ. 2007
Настоящий стандарт не может быть полностью или частично воспроизведен, тиражирован и распространен в качестве официального издания без разрешения Федерального агентства Российской Федерации по техническому регулированию и метрологии
ГОСТ Р 51318.14.1-2006
Содержание
1 Область применения……………………………………………1
2 Нормативные ссылки…………………………………………..2
3 Термины и определения…………………………………………3
4 Нормы ИРП…………………………………………………5
4.1 Длительные ИРП…………………………………………..5
4.2 Прерывистые ИРП…………………………………………..9
5 Методы измерения напряжения ИРП в полосе частот от 148.5 кГц до 30 МГц…………..11
5.1 Средства измерений и испытательное оборудование……………………..11
5.2 Подготовка и проведение измерений……………………………….12
5.3 Уровень посторонних радиопомех…………………………………15
6 Методы измерения мощности ИРП в полосе частот от 30 до 300 МГц и напряженности поля ИРП
в полосе частот от 30 до 1000 МГц……………………………………15
6.1 Средства измерений и испытательное оборудование……………………..16
6.2 Измерение мощности ИРП в сетевом шнуре…………………………..16
6.3 Специальные требования для ТС. имеющих всломогатепьные устройства, подключаемые
с помощью проводов, отличных от сетевого шнура………………………….16
6.4 Оценка результатов измерений………………………………….17
6.5 Измерение напряженности поля ИРП………………………………17
7 Рабочие условия ТС при испытаниях, обработка резупьтатов измерений……………..17
7.1 Общие попожения………………………………………….17
7.2 Рабочие условия при испытаниях ТС конкретного вида и их составных частей………..18
7.3 Стандартные рабочие условия при испытаниях и стандартные нагрузки……………20
7.4 Обработка результатов измерений………………………………..32
8 Интерпретация норм ИРП, установленных СИСПР………………………….33
8.1 Значимость норм СИСПР ……………………………………..33
8.2 Типовые испытания …………………………………………34
8.3 Соответствие ТС, выпускаемых серийно, нормам ИРП……………………..35
8.4 Запрет на продажу…………………………………………..
Приложение А (обязательное) Нормы ИРП, создаваемых операциями переключения в ТС конкретного вида, когда применима формупа 20 Ig30/W………………….43
Приложение Б (справочное) Пример испопьзования метода верхнего квартипя для определения
соответствия ТС нормам ИРП………………………………45
Приложение В (справочное) Методические указания по измерению прерывистых (кратковременных) ИРП………………………………………….46
Приложение Г (справочное) Сведения о соответствии национальных стандартов Российской
Федерации ссылочным международным стандартам, ислопьзованным в настоящем стандарте в качестве нормативных ссылок……………………49
Библиография………………………………………………..50
ГОСТ Р 51318.14.1-2006
Предисловие к СИСПР 14-1:2005
Международный стандарт СИСПР 14-1:2005 подготовлен Международным специальным комитетом по радиопомехам (СИСПР) Международной электротехнической комиссии (МЭК). подкомитетом F «Помехи, относящиеся к бытовым приборам, электрическим инструментам и аналогичным устройствам».
Настоящее пятое издание международного стандарта СИСПР 14-1 отменяет и заменяет четвертое издание, опубликованное в 2000 г., Изменение № 1 (2001 г.) и Изменение Np 2 (2002 г.).
IV
ГОСТ Р 51318.14.1-2006
Введение к СИСПР 14-1:2005
Целью настоящего стандарта является установление единообразных требований к уровням индустриальных радиопомех от технических средств, соответствующих области применения настоящего стандарта, определение норм индустриальных радиопомех и методов измерений, а также стандартизация рабочих условий при проведении испытаний и определение порядка оценки результатов испытаний.
v
ГОСТР 51318.14.1-2006 (СИСПР 14-1:2005)
НАЦИОНАЛЬНЫЙ СТАНДАРТ РОССИЙСКОЙ ФЕДЕРАЦИИ Совместимость технических средств электромагнитная
БЫТОВЫЕ ПРИБОРЫ, ЭЛЕКТРИЧЕСКИЕ ИНСТРУМЕНТЫ И АНАЛОГИЧНЫЕ УСТРОЙСТВА.
РАДИОПОМЕХИ ИНДУСТРИАЛЬНЫЕ
Нормы и методы измерений
Electromagnetic compatibility of technical equipment.
Household appliances, electric tools and similar apparatus. Radio disturbance.
Limits and methods of measurements
Дата введения — 2007—07—01
1 Область применения
1.1 Настоящий стандарт устанавливает допустимые значения и методы измерения индустриальных радиопомех (ИРП). создаваемых устройствами и оборудованием, основные функции которых выполняются с помощью двигателей или переключающих либо регулирующих устройств при условии, что радиочастотная энергия не создается специально или не используется для освещения {далее — технические средства).
Стандарт распространяется на технические средства (ТС) следующих видов: бытовые электрические приборы, электрические инструменты, регулирующие (управляющие) устройства на полупроводниковых приборах, электромедицинские установки с приводом от эпектродвигателя. электрические и электронные игрушки, аппараты автоматической расфасовки, кино- и диапроекторы, а также другие ТС. указанные в 7.3.7.
Настоящий стандарт распространяется также на отдельные части ТС, такие как электродвигатели и переключающие устройства (например силовые ипи защитные реле).
Измерения уровней ИРП, применительно к которым нормы в настоящем стандарте не установлены. не проводят.
Требования к измерениям на месте установки ТС находятся на рассмотрении.
Требования, касающиеся устойчивости ТС к электромагнитным помехам, установлены в ГОСТР 51318.14.2.
Настоящий стандарт не распространяется на:-
— ТС. для которых требования к ИРП установлены в других национальных стандартах, разработанных на основе применения международных стандартов МЭК и СИСПР,
Примечание 1 — Примерами таких ТС яапяются:
— светильники, включая переносные светильники для детей (см. (4)). разрядные лампы и другие световые приборы по ГОСТ Р 51318.15.
— радиовещательные приемники, телевизоры, электронные музыкальные инструменты и другая бытовая радиоэлектронная аппаратура по ГОСТ 51318.13и ГОСТР 51515 (см. также 7.3.5.4.2):
— ТС. предназначенные для передачи сигналов по низковольтным электрическим сетям поГОСТР51317.3.8;
— промышленные, научные, медицинские и бытовые высокочастотные установки ло ГОСТР 51318.11.
— оборудование информационных технологий (например персональные компьютеры) по ГОСТР 51318.22:
• электротехническое оборудование, предназначенное для использования на самоходных транспортных средстввх с двигателями внутреннего сгорания по ГОСТР 51318.12;
• устройства радиоуправления, переговорные устройства и другие виды радиопередатчиков, в том числе использующиеся в игрушках;
Издание официальное
1
ГОСТ Р 51318.14.1-2006
— регулирующие устройства и ТС с регулирующими устройствами на полупроводниковых приборах с номинальным входным током более 25 А в одной фазе;
— отдельно используемые блоки питания.
Примечание2— Настоящий стандарт не распространяется на игрушки, питание которых обеспечивается бортовой системой питания автомобиля, судна или самолета.
1.2 Область применения настоящего стандарта охватывает полосу частот от 9 кГц до 400 ГГц, однако нормы ИРП установлены в полосе частот от 150 кГц до 1000 МГц. Измерения на частотах, применительно к которым нормы не установлены, не проводят.
1.3 Многофункциональные ТС, которые одновременно должны соответствовать требованиям, приведенным в различных разделах настоящего стандарта и/или в других стандартах, устанавливающих нормы ИРП. должны при выполнении этими ТС соответствующих функций соответствовать требованиям. приведенным в каждом раздепе настоящего стандарта/других стандартах (см. также 7.2.1).
1.4 В настоящем стандарте нормы ИРП установлены на статистической основе; их выполнение обеспечивает защиту от ИРП служб радиовещания и связи экономичными методами. Но они не гарантируют в некоторых случаях отсутствие мешающего воздействия ИРП на ТС служб радиовещания и связи. Если на практике наблюдается мешающее воздействие ИРП. для его устранения необходимы дополнительные меры подавления ИРП.
1.5 Воздействия электромагнитных явлений, касающиеся безопасности ТС. в настоящем стандарте не рассматриваются.
2 Нормативные ссылки
В настоящем стандарте использованы нормативные ссылки на следующие стандарты;
ГОСТ Р 51317.3.8-99 (МЭК 61000-3-8—97) Совместимость технических средств электромагнитная. Передача сигналов по низковольтным электрическим сетям. Уровни сигналов, полосы частот и нормы электромагнитных помех
ГОСТ Р51318.11—2006 (СИСПР 11:2004) Совместимость технических средств электромагнитная. Промышленные, научные, медицинские и бытовые (ПНМБ) высокочастотные устройства. Радиопомехи индустриальные. Нормы и методы измерений
ГОСТ Р 51318.12-99 (СИСПР 12—97) Совместимость технических средств электромагнитная. Радиопомехи индустриальные от самоходных средств, моторных лодок и устройств с двигателями внутреннего сгорания. Нормы и методы испытаний
ГОСТ Р 51318.13-2006 (СИСПР 13:2006) Совместимость технических средств электромагнитная. Радиовещательные приемники, телевизоры и другая бытовая радиоэлектронная аппаратура. Радиопомехи индустриальные. Нормы и методы измерений
ГОСТ Р 51318.14.2-2006 (СИСПР 14-2:2001) Совместимость технических средств электромагнитная. Бытовые приборы, электрические инструменты и аналогичные устройства. Устойчивость к электромагнитным помехам. Требования и методы испытаний
ГОСТ Р 51318.15-99 (СИСПР 15—96) Совместимость технических средств электромагнитная. Радиопомехи индустриальные от электрического светового и аналогичного оборудования. Нормы и мотоды испытаний
ГОСТ Р 51318.22-2006 (СИСПР 22:2006) Совместимость технических средств электромагнитная. Оборудование информационных технологий. Радиопомехи индустриальные. Нормы и методы измерений
ГОСТ Р 51319-99 Совместимость технических средств электромагнитная. Приборы для измерения индустриальных радиопомех. Технические требования и методы испытаний
ГОСТ Р 51320-99 Совместимость технических средств электромагнитная. Радиопомехи индустриальные. Методы испытаний технических средств — источников индустриальных радио-помех
ГОСТ Р 51515-99 Совместимость технических средств электромагнитная. Помехоустойчивость радиовещательных приемников, телевизоров и другой бытовой радиоэлектронной аппаратуры. Требования и методы испытаний
ГОСТ 14777-76 Радиопомехи индустриальные. Термины и определения ГОСТ 30372-95/ГОСТ Р 50397-92 Совместимость технических средств электромагнитная. Термины и определения
2
ГОСТ Р 51318.14.1-2006
Примечание — При пользовании настоящим стандартом целесообразно проверить действие ссылочных стандартов в информационной системе общего пользования — на официальном сайте Федерального агентства по техническому регулированию и метрологии в сети Интернет или по ежегодно издаваемому информационному указателю «Национальные стандарты», который опубликован по состоянию на 1 января текущего года, и по соответствующим ежемесячно издвваемым информационным указателям, опубликованным в текущем году. Если ссылочный документ заменен (изменен), то при пользовании настоящим стандартом следует руководствоваться замененным (измененным) стандартом. Если ссылочный документ отменен без замены, то положение, в котором дана ссылка на него, применяется в части, не затрагивающей эту ссылку.
3 Термины и определения
В настоящем стандарте применены термины по ГОСТ 14777. ГОСТ30372. [2]. а также следующие термины с соответствующими определениями:
3.1 кратковременная помеха: ИРП длительностью не более 200 мс. амплитуда которой превышает норму для квазипиковых значений непрерывных ИРП и которая отделена от следующей ИРП интервалом времени не менее 200 мс. Длительность ИРП определяют по сигналу, который превышает опорный уровень на промежуточной частоте измерительного приемника (в соответствии с ГОСТ 14777 — измеритель ИРП).
Кратковременная ИРП может состоять из некоторого числа импупьсов. В этом случав соответствующее время отсчитывается от начала первого импульса до конца последнего.
Примечание — К некоторым видам ИРП при определенных условиях это определение не применяют (см. 4.2.3).
3.2 опорный уровень на промежуточной частоте: Уровень немодулированного синусоидального сигнала на выходе промежуточной частоты (ПЧ) измерительного приемника, при котором показание квазипикового детектора равно норме непрерывных ИРП.
3.3 операция переключения: Одно замыкание или одно размыкание переключателя или контакта.
Примечание — Вне зависимости от того, наблюдаются или нет кратковременные ИРП.
3.4 минимальное время наблюдения Тт.Л: Время, необходимое для подсчета минимапьно необходимого числа кратковременных ИРП или операций переключения, начиная с которого считается возможным проведение статистической оценки соответствия установленным нормам (см. также 7.4.2.1).
3.5 частота повторения N кратковременных ИРП: В общем случае, число кратковременных ИРП или операций переключения в течение 1 мин; данное число используется для определения нормы кратковременных ИРП (см. также 7.4.2.3).
3.6 норма на кратковременные ИРП Lk: Соответствующая норма L на квазипиковые значения длительных ИРП (саг. 4.1.1 при измерении квазипиковым детектором), увеличенная на значение, определяемое в зависимости от частоты повторения N кратковременных ИРП (см. 4.2.2.2).
Норму кратковременных ИРП применяют к помехам, оцениваемым по методу верхнего квартиля.
3.7 метод верхнего квартиля: Метод оценки соответствия ТС установленным нормам, допускающий превышение нормы кратковременных ИРП Lk не более чем четвертой частью общего числа кратковременных ИРП, зарегистрированных за время наблюдения Т, равное или превышающее Гт1П.
В спучае операций переключения допускается, чтобы не более одной четверти числа операций переключения, регистрируемых в течение времени наблюдения, создавало кратковременные ИРП, превышающие норму кратковременных ИРП Lh (см. также 7.4.2.6).
3.8 прерывистая ИРП: ИРП, продолжающаяся в течение определенных периодов времени, разделенных интервалами, свободными от ИРП (см. 4.2).
3.9 игрушка: Изделие, предназначенное для использования в игре детьми до 14 лет. В состав игрушек могут входить двигатели, нагревательные элементы, электронные схемы и их комбинации. Напряжение питания игрушки не должно превышать 24 В переменного тока (среднеквадратическое значение) или 24 В постоянного тока без пульсаций и может поступать как от батарей питания, так и от эпектрической сети через адаптер или трансформатор безопасности для игрушек.
Примечание — Трансформаторы, преобразователи и зарядные устройства для игрушек не рассматривают как часть игрушки (см. (3]).
3
ГОСТ Р 51318.14.1-2006
3.10 игрушка с питанием от батарей: Игрушка, единственным источником электрической энергии которой является одна или более батарей питания.
3.11 игрушка с трансформатором: Игрушка, единственным источником энергии которой является сеть электрического питания и которая подсоединяется к сети питания через трансформатор безопасности для игрушек.
3.12 игрушка с комбинированным источником питания: Игрушка, которая может работать одновременно или попеременно как игрушка с питанием от батарей и как игрушка с трансформатором.
3.13 контейнер для батарей: Отделенная от игрушки коробка, в которой размещаются батареи.
3.14 разделительный трансформатор безопасности: Трансформатор, обеспечивающий безопасность подключаемого к нему устройства не только за счет сверхнизкого выходного напряжения, но и за счет того, что входная обмотка эпектрически отделена от выходной, по крайней мере, удвоенной или усиленной изоляцией.
3.15 трансформатор безопасности для игрушек: Разделительный трансформатор безопасности. специально разработанный для питания игрушек, работающих на безопасном сверхнизком напряжении, не превышающем 24 В.
Примечание — Трансформаторный блок может обеспечивать переменный или постоянный ток либо тот и другой.
3.16 набор для конструирования: Совокупность электрических, электронных и^или механических частей, предназначенных для сборки различных игрушек.
3.17 набор для экспериментирования: Совокупность эпектрических или электронных компонентов. предназначенных для сборки игрушек в различных комбинациях.
Примечание — Основная задача набора для экспериментирования — облегчить приобретение знаний путем эксперимента и исспедования. Такой набор не предназначен для создания игрушки или устройства для практического испопьзования.
3.18 функциональная игрушка: Игрушка, представляющая собой модель устройства или установки, испопьзуемых взрослыми, с номинальным напряжением электрического питания не бопее 24 В.
Примечание — Изделие с номинальным напряжением электрического питания более 24 В. используемое детьми по назначению под непосредственным наблюдением взрослого, представляющее собой модель устройства или установки, используемых взрослыми, считается функциональным изделием и не рассматривается как функциональная игрушка.
3.19 переносный светильник для детой: Светильник, перемещаемый с одного места на другое без отключения от источника питания, уровень безопасности которого выше уровня безопасности переносного светильника обычного назначения по [4).
Примечание — Переносный светильник для детей может использоваться детьми без контроля со стороны взрослых (см. 11)).
3.20 видеоигрушка: Игрушка, имеющая экран и управпяющие средства, с помощью которых ребенок может играть и взаимодействовать с изображением, представпенным на экране.
Примечание — Все части, необходимые для работы видеоигрушки, такие как блок управления, джойстик. клавиатура, монитор и соединения, считаются частью игрушки.
3.21 электронная схема: Электрическая схема, включающая в себя по крайней мере один эпек-тронный элемент.
3.22 электронный элемент: Составная часть электронной схемы, в которой проводимость обеспечивается преимущественно за счет движения эпектронов в вакууме, газе или полупроводнике.
Примечание — Резисторы, конденсаторы и катушки индуктивности не относят к электронным элементам.
3.23 нормальная работа игрушки: Условие, при котором с игрушкой, подключенной к рекомендованному изготовителем источнику питания, играют допжным или прогнозируемым образом (при этом подразумевается нормальное поведение детей).
4
ГОСТ Р 51318.14.1-2006
4 Нормы ИРП
На частотах ниже 148.5 кГц и свыше 1000 МГц измерения не проводят, если это не установлено настоящим стандартом для испытуемых ТС конкретного вида.
4.1 Длительные ИРП
Коллекторные двигатели, а также другие устройства, являющиеся частью бытовых электрических приборов, электрических инструментов и аналогичных устройств, могут создавать длительные ИРП. Длительные ИРП могут быть широкополосными (ИРП, создаваемые устройствами коммутации, например механическими переключателями, коммутаторами и полупроводниковыми регуляторами) и узкополосными (ИРП. создаваемые электронными управляющими устройствами, например микропроцессорами).
Примечание — С учетом разделения ИРП на широкополосные и узкополосные а настоящем стандарте установлены два значения норм — для каазипиковых и средних значений ИРП.
4.1.1 Напряжение ИРП на сетевых зажимах в полосе частот от 148,5 кГц до 30 МГц
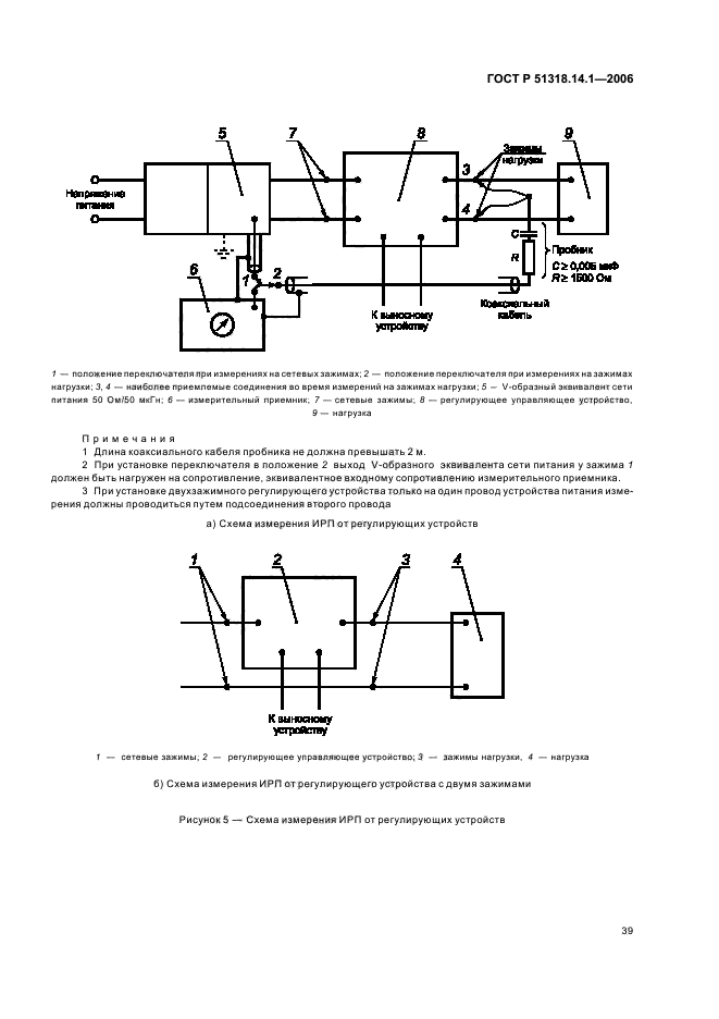
Напряжение ИРП измеряют на зажимах; под зажимами понимают проводящие элементы ТС, предназначенные для многократных подключений к внешним электрическим цепям. Нормы напряжения ИРП на зажимах приведены в таблицах 1,2. Напряжение ИРП на зажимах измеряют в соответствии с разделом 5 между каждым из зажимов и землей.
Примечание — Всемирная административная конференция по радиосвязи своим решением а 1979 г. снизила нижний предел частоты в Регионе 1 до 148,5 кГц. Для устройств, на которые распространяется действие настоящего стандарта, адекватными считаются испытания на частоте 150 кГц, так как частота 148.5 кГц попадает в полосу пропускания измерительного приемника.
4.1.1.1 Значения норм для фазного (фазных) и нейтрального сетевых зажимов всех ТС за исключением электрических инструментов приведены в таблице 1. графы 2 и 3.
4.1.1.2 В графах 4 и 5 таблицы 1 приведены менее жесткие значения норм для напряжения ИРП на дополнительных зажимах ТС. а также на зажимах нагрузки и дополнительных зажимах регулирующих устройств на полупроводниковых приборах.
Значения напряжения ИРП на зажимах, которые могут быть использованы как сетевые, так и нагрузочные (или дополнительные), должны соответствовать нормам напряжения ИРП на сетевых зажимах.
На испытуемые ТС, соединяемые со вспомогательным оборудованием, аппаратурой или устройством (например с полупроводниковыми устройствами, управляющими скоростью, либо с сетевыми вилками с преобразователями переменного тока в постоянный и т.п.) проводами длиной менее 2 м. которые пользователь не может удлинить без специальных инструментов, нормы напряжения ИРП на зажимах не распространяются. Нормы напряжения ИРП на зажимах не распространяются на пылесосы, если провода встроены во всасывающий шланг пылесосов, даже если их длина превышает 2 м.
Примечание — Об измерении на зажимах нагрузки и дополнительных зажимах регулирующих устройств на полупроводниковых приборах см. 5.2.4, на дополнительных зажимах других установок — 5.2.3.
4.1.1.3 Значения норм напряжения ИРП на сетевых зажимах электрических инструментов приведены в таблице 2, графы 2—7, в зависимости от номинальной мощности двигателя (мотора): при этом должна быть исключена мощность любого нагревательного прибора (например мощность нагрева в воздуходувке для пластиковой сварки).
Значения норм напряжения ИРП на зажимах нагрузки и дополнительных зажимах электроинструмента приведены в таблице 1. графы 4,5.
5
ГОСТ Р 51318.14.1-2006
|
Таблица 1— Значения норм напряжения ИРП на зажимах ТС в полосе частот от 148,5 кГц до 30 МГц для бытовых приборов и анапогичных устройств, а также регупирующих устройств на полупроводниковых приборах (см. рисунки 1 и 2) |
||||||||||||||||||||||||||||||||||
|
||||||||||||||||||||||||||||||||||
|
Таблица 2 — Значения норм напряжения ИРП на зажимах ТС в полосе частот от 148.5 кГц до 30 МГц для электрических инструментов(см.рисунок 1) |
||||||||||||||||||||||||||||||||||||||||||||||||||||||
|
||||||||||||||||||||||||||||||||||||||||||||||||||||||
Значение нормы напряжения ИРП на сетевых зажимах Un (таблица 1. графы 2.3) в полосе частот от 0.15 до 0.5 МГц на частоте измерения вычисляют по формулам:
— для квазипикового значения L/„ = 66— 19.1 lg —(1)
0.15
— для среднего значения UH = 59 — 24.9 /9—77 (2)
Значение нормы напряжения ИРП на сетевых зажимах U„ (таблица 2. графы 2—7) в зависимости от номинальной мощности двигателя в полосе частот от 0.15 до 0.35 МГц на частоте измерения вычисляют по формулам:
ГОСТ Р 51318.14.1-2006
— для квазипиковых значений:
UM= 66 — 19.1 lg—
при Р < 700, (3)
при 700 <Рй 1000В, (4)
при Р> 1000: (5)
при Р й 700. (в)
при 700 < Р-11000. (7)
при Р > 1000. (8)
0.15
U. = 70— 19.1 lg—
0.15
Uh- 76— 19, f
— для средних значений:
= 59 — 27.2 lg ——
0. f 5
иы— 63 — 27.2 lg ——
0.15
ин = 69 — 27.2 lg —
0.15
где f— частота. МГц;
Р — номинальная мощность двигателя. Вт.
4.1.1.4 Нормы ИРП для устройств питания электрических ограждений распространяются на:
а) значения напряжения помех на зажимах ограждений для устройств питания всех видов (см. таблицу!, графы 4,5);
б) значения напряжения помех на зажимах сети литания для устройств питания, предназначенных для подключения к сети (см. таблицу 1. графы 2,3);
в) значения напряжения помех на зажимах батареи для устройств питания, предназначенных для работы от батареи (см. таблицу 1, графы 4.5).
Нормы не распространяются на значения напряжения помех на зажимах батареи устройств питания со встроенными батареями (если эти устройства не могут подключаться к сети) или устройств питания с внешними батареями (если длина соединительного провода между устройством питания и батареей менее 2 м и пользователь не может удлинить его без специальных инструментов).
В соответствии с [5] ИРП от устройств питания типа D измеряют при их работе от батарей при длине соединительных проводов между устройством питания и батареей более 2 м.
Примечание — На практике провода ограждения могут являться активными источниками ИРП из-за разрядов высокого напряжения. Производители устройств питания электрических ограждений должны инструктировать попьзователей о необходимости устранения разрядных точек, например мест касания раститепьности или мест разрывов проволоки ограждения.
4.1.1.5 На ТС. работающие от батарей (встроенных или внешних) и имеющие возможность подключения ксети электропитания, распространяются нормы для сетевых зажимов, приведенные в таблице! графы 2, 3.
На ТС со встроенными батареями, которые не могут подключаться к сети электропитания, нормы ИРП в полосе частот от 0.15 до 30 МГц не распространяются. Нормы ИРП не распространяются также на ТС с внешними батареями, если длина соединительного провода между ТС и батареей менее 2 м. Если длина соединительного провода более 2 м или он может быть легко удлинен пол
