Шпон лущеный. Технические условия

Страница 1

Страница 2

Страница 3

Страница 4

Страница 5

Страница 6

Страница 7

Страница 8

Страница 9

Страница 10

Страница 11

Страница 12
5 коп. БЗ 5-89/417
ГОСУДАРСТВЕННЫЙ СТАНДАРТ СОЮЗА ССР
ШПОН ЛУЩЕНЫЙ
ТЕХНИЧЕСКИЕ УСЛОВИЯ
ГОСТ 99-89
Издание официальное
ГОСУДАРСТВЕННЫЙ КОМИТЕТ СССР ПО УПРАВЛЕНИЮ КАЧЕСТВОМ ПРОДУКЦИИ И СТАНДАРТАМ
Москва
УДК 674^-416:006.354 Группа К24
ГОСУДАРСТВЕННЫЙ СТАНДАРТ СОЮЗА ССР
ШПОН ЛУЩЕНЫЙ Технические условия
Cut veneer. Specifications
ГОСТ 99-89
ОКП 55 2100
Срок действия с 01.01.91 до~01.01.93
Несоблюдение стандарта преследуется по закону
Настоящий стандарт распространяется на лущеный шпон из лиственных и хвойных пород древесины.
1. ТЕХНИЧЕСКИЕ ТРЕБОВАНИЯ
1.1. Лущеный шпон должен изготовляться в соответствии с требованиями настоящего стандарта по технологической документации, утвержденной в установленном порядке.
1.2. Размеры
1.2.1. Размеры лущеного шпона должны соответствовать указанным в табл. 1.
Таблица 1
мм
|
i Наименование размеров |
Значения |
1 Градация : |
Пред. сткл. |
|
Длина |
От 800 до 1200 |
100 |
±4 |
|
От 1300 до 2500 |
100 |
±5 |
|
|
Ширина |
От 150 до 750 |
50 |
|
|
От 800 до 2500 |
100 |
±10 |
|
|
Толщина шпона из лист |
0,35; 0,55; 0,75; |
||
|
венных пород древесины |
0,95; 1,15 |
— |
±0,05 |
|
От 1,25 до 4,00 |
0,25 |
±0,10 |
|
|
Шпона из хвойных пород |
От 1,20 до 4,00 |
0,40 |
±0,15 |
|
древесины |
Примечание. По требованию потребителя изготавливают шпон других размеров.
Издание официальное
Перепечатка воспрещена
© Издательство стандартов, 1990
ГОСТ 99-89 С. 10
3.3. Толщину и ширину измеряют с погрешностью 0,01 мм в четырех точках, посередине каждой стороны листа на расстоянии не менее 20 мм от кромки, микрометром по ГОСТ 6507 или другими средствами измерения.
3.4. Параметр шероховатости шпона определяют по ГОСТ 15612.
3.5. Влажность шпона определяют по ГОСТ 20800.
3.6. Косину листа шпона определяют угольником по ГОСТ 3749, накладыванием на смежные кромки листа. Наибольшее отклонение кромки листа от кромки угольника измеряют линейкой по ГОСТ 427 с погрешностью 1 мм.
Допускаются другие приспособления и измерительные средства, обеспечивающие требуемую точность.
4. ТРАНСПОРТИРОВАНИЕ И ХРАНЕНИЕ
4.1. Шпон перевозят в крытых транспортных средствах всеми видами транспорта в соответствии с правилами перевозки грузов, действующими на данном виде транспорта.
4.2. Шпон должен храниться в закрытых помещениях при температуре от минус 4°С до плюс 50°С и относительной влажности воздуха не более 60%.
ГОСТ 99-89 С. 2
1.3. Характеристики
1.3.1. В зависимости от качества древесины и обработки шпон лиственных пород подразделяют на пять сортов: А, АВ, В, ВВ, С, а шпон хвойных пород —на четыре сорта: АХ, АВХ, ВХ, СХ.
1.3.2. В шпоне не допускаются пороки древесины и дефекты обработки, превышающие нормы ограничения, указанные в табл. 2 и 3.
1.3.3. Влажность шпона должна быть (6±2)%.
1.3.4. Листы шпона должны быть обрезаны под прямым углом, косина не должна превышать 5 мм на 1000 мм.
1.3.5. Параметр шероховатости поверхности Rm по ГОСТ 7016 должен быть для шпона лиственных пород не более 200 мкм, для шпона хвойных пород — не более 320 мкм.
1.3.6. Учет шпона производят в кубических и квадратных метрах. Объем отдельного листа шпона определяют с точностью до 0,00001 м3, а объем партии шпона — с точностью до 0,01 м3.
Площадь листа шпона определяют с точностью до 0,01 м2, а площадь, листов партии с точностью до 0,5 м2.
1.3.7. В условном обозначении шпона указывают: наименование продукции; породу древесины; сорт; размеры; обозначение настоящего стандарта.
Пример условного обозначения березового шпона сорта А длиной 1300 мм, шириной 800 мм и толщиной 1,15 мм:
Шпон, береза, A, 1300X800X1J5 ГОСТ 99
1.4. Маркировка
1.4.1. Каждый пакет должен иметь маркировку, содержащую:
наименование предприятия-изготовителя и товарный знак;
условное обозначение шпона;
площаць и объем шпона в квадратных и кубических метрах.
Маркировку наносят непосредственно на пакет или ярлык несмываемой краской с указанием манипуляционного знака «Боится сырости».
1.5. Упаковка
1.5.1. Листы шпона должны быть сформированы в пакеты отдельно по сортам, породам и размерам. Масса пакета должна быть не более 50 кг. По согласованию с потребителем допускается формировать пакеты большей массы.
1—‘1190
Нормы ограничения пороков древесины для лущеного шпона лиственных пород
Пороки древесины н дефекты обработки по ГОСТ 2140 и ГОСТ 15812
А
Для сортов шпона
АВ
В
вв
с
1, Сучки:
а) сросшиеся здоровые: светлые, темные
б) частично сросшиеся здоровые
■) несросшиеся, выпадающие и отверстия от них
Не учитываются размером, мм, не более:
10 I 10 I 20 | 20
Учитываемые сучки допускаются размером, мм, не более:
15 I 20 ! 30 [ 60
в количестве на 1 м2 поверхности листа, шт., не более:
5 15 I 20 I 20
Не допускаются Допускаются в общем числе учитываемых сросшихся здоровых сучков размерами, мм, не более:
10 [ 20 I 25
Не допускаются
в количестве на не более:
5
1 и1 поверхности листа, шт.
10 I
Допускаются
Допускаются
I 20
|в том числе 5 шт.
(размером до 40 мм Допускаются в общем числе учитываемых сросшихся здоровых сучков на 1 м2 поверхности листа размером не более 6 мм в количестве, шт., не более
5151 10 | Ю
и свыше 6 мм. заделанные вставками размером, мм, не более: 60 I 60 ( 80 | 80
в количестве шт., не более
10
10
20
без ограничения
С. 3 ГОСТ 99-89
to
*
Пороки древесины и дефекты обработки по ГОСТ 2140 и ГОСТ 15312
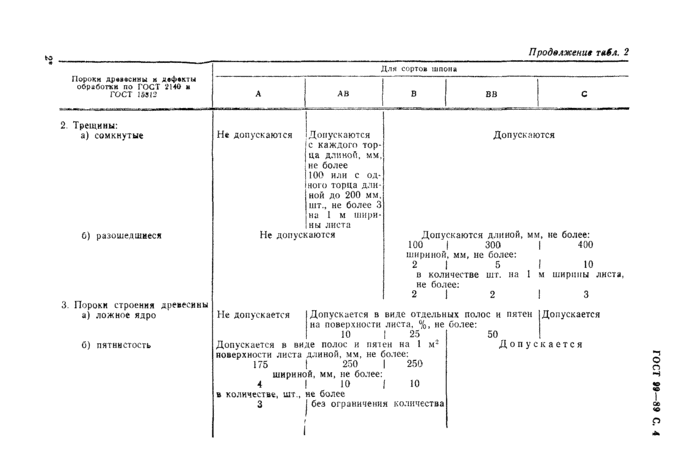
2. Трещины:
а) сомкнутые
6) разошедшиеся
3. Пороки строения древесины а) ложное ядро
б) пятнистость
Для сортов шпона
|
А |
АВ |
В |
вв |
С |
|
Не допускаются |
Допускаются |
Допускаются |
||
|
с каждого торца длиной, мм, не более 100 или с од |
||||
|
ного торца длиной до 200 мм, шт., не более 3 на 1 м шири |
||||
|
ны листа |
||||
|
Не допускаются |
Допускаются длиной, мм, не более: |
|||
|
100 |
| 300 |
| 400 |
||
|
шириной, мм, не более: |
||||
|
2 |
1 5 |
1 ю |
||
|
в количестве шт. на 1 не более: |
м ширины листа, |
|||
|
2 |
1 2 |
1 з |
||
|
Не допускается |
Допускается в |
виде отдельных полос и пятен |
Допускается |
|
|
на поверхности |
листа, %, не |
более: |
||
|
10 |
| 25 |
50 |
||
Допускается в виде полос и пятен на 1 м2 поверхности листа длиной, мм, не более:
175 i 250 | 250
шириной, мм, не более:
4 | 10 I 10
в количестве, шт., не более
3 I без ограничения количества
Допускается
f
V Э 68—6в JL30J
Продолжение табл. 2
|
Пороки древесины и дефекты обработки до ГОСТ 2140 н ГОСТ 15812 |
Для сортов шпона |
|||
|
А |
АВ | в |
1 J вв |
С |
|
|
в) прорость светлая |
Допускается |
|||
|
г) прорость темная |
Не допускаегся |
Допускается в числе учитываемых с росших- |
Допускается |
|
|
ся здоровых сучков, длиной, мм, не более: |
||||
|
6 1 100 |
| 150 |
|||
|
шириной, мм, не |
более: |
|||
|
2 12 |
1 5 |
|||
|
в количестве на I м2 поверхности |
||||
|
листа, шт., не более: |
||||
|
5 1 5 |
1 5 |
|||
|
д) наклон волокон, сви |
Допускаются, |
Допускаются |
||
|
леватость, завиток, глаз |
кроме темных |
|||
|
ки, внутренняя заболонь |
глазков |
|||
|
4. Продубина, желтизна, свет |
Не допускаются |
Допускаются в виде отдельных полос н пя- |
Допускаются |
|
|
лые химические окраски |
тен, %, к поверхности листа |
, не оолее |
||
|
10 I 25 |
I 50 |
|||
|
5. Заболонньге грибные окрас |
Не допускаются |
Допускаются в виде отдельных полос и пя |
Допускаются |
|
|
ки, побурение |
тен без нарушения целостности древесины, |
|||
|
%, к поверхности листа, не более: |
||||
|
10 | 25 |
1 50 |
|||
|
6. Червоточина, наколы |
Не допускаются |
Допускаются по |
нормам пункта \в таблицы |
|
|
7. Царапины, риски |
Не допускаются | |
Допускаются |
||
|
8. Вмятины, вырывы, бугорки, |
Не допускаются |
Допускаются глу |
Допускаются |
|
|
гребешок |
биной (высотой) |
|||
|
до 0,5 мм |
||||
|
9. Закорнна, ворсистость, мши |
Не допускаются |
|||
|
стость, рябь |
||||
п
5 ГОСТ 99-89
Нормы ограничения пороков древесины для лущеного шпона хвойных порой
|
Наименование пороков древесины и дефектов |
Для сортов |
шпона |
||
|
I |
I |
|||
|
обработки по ГОСТ 2140 н ГОСТ 15812 |
АХ |
АВХ |
ВХ |
СХ |
|
1. Сучки |
Допускаются |
|||
|
а) сросшиеся здоровые, свет- |
Допускаются разме- |
Не учитываются размером, мм, не бо- |
||
|
лые темные |
ром, не более, мм |
лее |
||
|
15 |
15 | |
I 30 |
||
|
Учитываемые сучки мером, мм, не более |
допускаются раз- |
|||
|
40 |
I 60 |
|||
|
в количестве, шт., на 1 м2 поверхности |
||||
|
листа, не более: |
||||
|
6) частично сросшиеся |
ю I |
1 20 |
Допускаются |
|
|
Не допускаются |
Допускаются в общем числе сросшихся здоровых сучков размером, мм, не бо- |
|||
|
лее: |
||||
|
10 1 |
1 40 |
|||
|
в количестве, шт,, на |
1 м2 листа |
|||
|
в) несросшиеся, выпадаю |
5 1 |
ю |
||
|
Не допускаются |
Допускаются в общем числе сросших- |
Не учитываются раз |
||
|
щие |
ся здоровых сучков |
размером, не бо- |
мером, мм, не более |
|
|
лее: |
10 |
|||
|
6 ! |
| 40 |
Допускаются разме |
||
|
и свыше, заделанные |
вставками, ра :,к |
ром, мм, не более 75 |
||
|
ром, мм, не более: |
в количестве щт., не |
|||
|
60 | |
I 80 |
более 20 на 1 м2 по |
||
|
в количестве, щт. на |
1 м2 |
верхности листа |
||
|
поверхности листа, не более; |
в том числе разме |
|||
|
10 |
1 10 |
ром, мм, не более 100 в количестве шт., не более 9 на 1 м? поверхности листа |
||
ГОСТ 99-89 С. С
Наименование пороков древесины и дефектов обработки по ГОСТ 2140 и ГОСТ 15812
2. Трещины а) сомкнутые
б) разошедшиеся
3. Кармашки
4. Засмолок
Для сортов шпона
АХ
Допускаются длиной, мм, не более 100 в количестве, не более 3 шт.
Не допускаются
Не допускаются
Не допускается
АВХ
ВХ
СХ
Допускаются
Допускаются шириной, мм, не более:
2 | 5 | 15
длиной, мм, не более:
250 I 400 | 650
в количестве, шт., не более:
3 I 3 | 3
на 1 м ширины листа
Допускаются в числе учитываемых сросшихся сучков длиной, мм, не более:
25 | 25 | 100
в количестве, шт., не более:
2 | 3 | 5
на 1 м2 поверхности листа
При отсутствии дефектов но пункту 1в допускаются длиной, мм, не более:
35 | 120
в количестве, шт., не более:
5 | 5
на 1 м2 поверхности листа Допускается общей Допускается
площадью не более 1/10 поверхности ли-ста
С. 7 ГОСТ 99-89
|
Наименование пороков древесины и дефектов обработки по ГОСТ 2140 н ГОСТ 15812 |
Для сортов |
шпона |
||
|
АХ |
j АВХ |
ВХ |
СХ |
|
|
5. Прорость: |
||||
|
а) светлая |
Допускается |
|||
|
б) темная |
Не допускается |
Допускается в числе сросшихся сучков длиной, мм, не бо- |
||
|
лее: |
||||
|
50 I |
100 |
1 350 |
||
|
шириной, мм, не более: |
||||
|
2 1 |
1 2 |
1 15 |
||
|
в количестве, мм, на 1 м2 поверхности листа |
||||
|
5 1 |
1 5 |
5 |
||
|
6. Наклон волокон, крень, сви |
Допускаются |
|||
|
леватость, завиток |
||||
|
7. Химические окраски |
Не допускаются |
Допускаются |
||
|
8. Грибные ядровые пятна |
Не допускаются |
Допускаются не более, %, поверхности |
Допускаются |
|
|
(полосы) и заболонные |
листа |
|||
|
окраски |
25 | |
50 |
||
|
9. Червоточина, наколы |
Не допускаются |
Допускаются по нормам пункта 1в таблицы |
||
|
10. Царапины, риски |
Не допускаются |
До пускаются |
||
|
11. Вмятины, вырывы, бугор |
Не допускаются |
Допускаются глу |
Допускаются |
|
|
ки, гребешки |
биной (высотой) |
|||
|
12. Закорина, ворсистость, |
до 0,5 мм |
|||
|
мшистость, рябь |
Не допускаются |
|||
Примечания:
1. Пороки древесины, не указанные в табл. 2 и 3, не допускаются.
2. Частично сросшиеся сучки и прорости могут сопровождаться полосками бурого цвета с заостренными концами (усиками), а сучки всех видов — радиальными трещинами.
3. Трещины в здоровых сучках в сортах А и АХ не допускаются, в сортах АВ И АВХ должны быть заделаны замазками.
4. Заделка трещин, отверстий от выпавших сучков и других пороков древесины (дефектов обработки) в шпоне сортов А и АХ не допускается.
ГОСТ 99-89 е. 8
С 9 ГОСТ 99-89
2. ПРИЕМКА
2.1. Шпон принимают партиями. Партией считают любое количество шпона одной породы древесины, одного сорта, размера, оформленное одним документом о качестве, содержащим:
наименование организации, в систему которой входит предприятие-изготовитель;
наименование предприятия-изготовителя и его товарный знак;
условное обозначение шпона;
объем или площадь шпона в кубических или квадратных метрах;
штамп технического контроля.
2.2. Качество и размеры листов шпона проверяют выборочным контролем. По требованию потребителя проверку осуществляют сплошным контролем.
2.3. При выборочном контроле листы шпона в выборку отбирают «вслепую» по ГОСТ 18321 в количестве, указанном в табл. 4.
Таблица 4
|
Объем партии |
Контролируемые показателя |
|||
|
Tin. 1.2.1; 1.3.4 |
ПП. 1.3 2; 1.3 5 |
|||
|
объем выборки |
приемочное число |
объем выборки |
приемочное число |
|
|
До 500 |
8 |
1 |
13 |
1 |
|
От 501 до 1200 |
13 |
1 |
20 |
2 |
|
* 1201 » 3200 |
13 |
1 |
32 |
3 |
|
» 3201 > 10000 |
20 |
2 |
32 |
3 |
2.4. Партию считают соответствующей требованиям настоящего стандарта и принимают, если в выборке:
количество листов шпона, не отвечающих требованиям стандарта, по размерам, косине, нормам ограничения пороков и дефектов обработки меньше или равно приемочному числу, установленному в табл. 4;
влажность шпона соответствует п. 1.3.3.
3. МЕТОДЫ ИСПЫТАНИЙ
3.1. Определение и измерение пороков древесины и дефектов обработки “по ГОСТ 2140 и 15812.
3.2. Длину и ширину шпона измеряют на расстоянии не менее 100 мм от кромки листа с погрешностью 1 мм металлической рулеткой по ГОСТ 7502 или другими средствами измерения.
