Лесоматериалы круглые лиственных пород. Технические условия
Заменяет

Страница 1

Страница 2

Страница 3

Страница 4

Страница 5

Страница 6

Страница 7

Страница 8

Страница 9

Страница 10

Страница 11

Страница 12
Межгосударственный стандарт ГОСТ 9462-88
«Лесоматериалы круглые лиственных пород. Технические условия»
(утв. постановлением Госстандарта СССР от 21 апреля 1988 г. N 33)
Round timber of broad-leaved species.
Взамен ГОСТ 9462-71
Дата введения 1 января 1991 г.
1. Размеры и технические требования
2. Приемка
3. Методы измерения
4. Транспортирование и хранение
Настоящий стандарт распространяется на круглые лесоматериалы лиственных пород, предназначенные для использования в различных отраслях промышленности и строительства.
1. Размеры и технические требования
1.1. В зависимости от качества древесины лесоматериалы заготавливают 1, 2 и 3-го сортов.
1.2. Группы лесоматериалов по толщине устанавливают согласно табл. 1.
Таблица 1
┌─────────────────────────┬─────────────────────────┬───────────────────┐
│ Группа лесоматериалов │ Толщина, см │ Градация по │
│ │ │ толщине, см │
├─────────────────────────┼─────────────────────────┼───────────────────┤
│Мелкие │От 6 до 13 включ. │1 │
├─────────────────────────┼─────────────────────────┼───────────────────┤
│Средние │Св. 14 » 24 » │2 │
├─────────────────────────┼─────────────────────────┼───────────────────┤
│Крупные │От 26 и более │2 │
└─────────────────────────┴─────────────────────────┴───────────────────┘
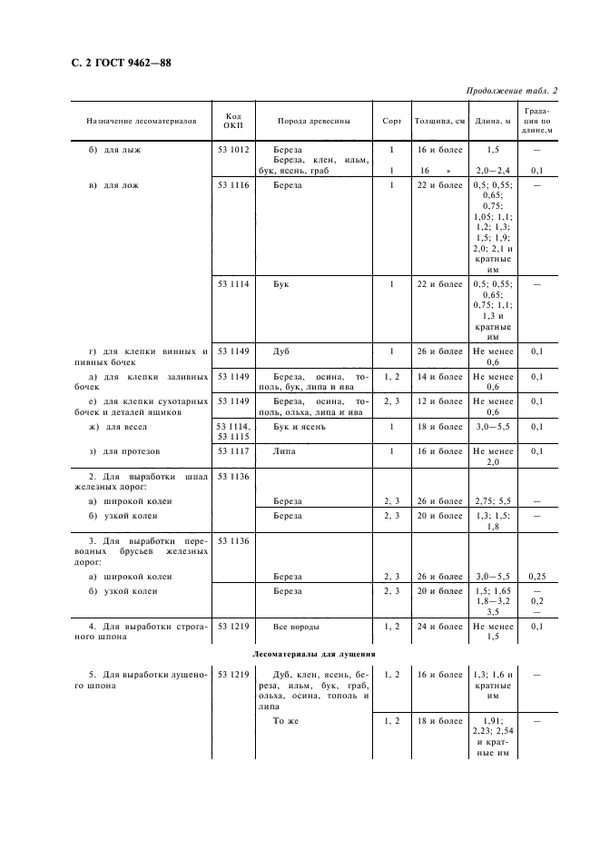
1.3. В зависимости от назначения круглых лесоматериалов их размеры, порода и сорт должны соответствовать указанным в табл. 2.
Таблица 2
┌───────────────────────┬──────────┬──────────────┬─────────┬────────┬────────────────┬───────────┐
│ Назначение │ Код ОКП │ Порода │ Сорт │Толщина,│ Длина, м │Градация по│
│ лесоматериалов │ │ древесины │ │ см │ │ длине, м │
├───────────────────────┴──────────┴──────────────┴─────────┴────────┴────────────────┴───────────┤
│ Лесоматериалы для распиловки и строгания │
├───────────────────────┬──────────┬──────────────┬─────────┬────────┬────────────────┬───────────┤
│1. Для выработки│ │ │ │ │ │ │
│пиломатериалов и│ │ │ │ │ │ │
│заготовок: │ │ │ │ │ │ │
│ ├──────────┼──────────────┼─────────┼────────┼────────────────┼───────────┤
│а) общего назначения │ От │Все породы,│ 1, 2, 3 │ 14 и │ 2,0-6,0 │ 0,25 │
│ │ │кроме дуба,│ │ более │ │ │
│ │ 531113 │бука, ясеня,│ │ │ │ │
│ │ │ильма, клена,│ │ │ │ │
│ │ до │граба │ │ │ │ │
│ │ │ │ │ │ │ │
│ │ 531118 │ │ │ │ │ │
│ ├──────────┼──────────────┼─────────┼────────┼────────────────┼───────────┤
│ │ От │Дуб, бук,│ 1, 2, 3 │ 14 и │ 1,0-6,0 │ 0,1 │
│ │ │ясень, ильм,│ │ более │ │ │
│ │ 531123 │клен, граб │ │ │ │ │
│ │ │ │ │ │ │ │
│ │ до │ │ │ │ │ │
│ │ │ │ │ │ │ │
│ │ 531125 │ │ │ │ │ │
│ ├──────────┼──────────────┼─────────┼────────┼────────────────┼───────────┤
│б) для лыж │ 531012 │Береза Береза,│ 1 │ 16 и │ 1,5 │ — │
│ │ │клен, ильм,│ │ более │ │ │
│ │ │бук, ясень,│ │ │ │ │
│ │ │граб │ 1 │ 16 » │ 2,0-2,4 │ 0,1 │
│ ├──────────┼──────────────┼─────────┼────────┼────────────────┼───────────┤
│в) для лыж │ 531116 │Береза │ 1 │ 22 и │0,5; 0,55; 0,65;│ — │
│ │ │ │ │ более │ 0,75; │ │
│ │ │ │ │ │1,05, 1,1; 1,2; │ │
│ │ │ │ │ │ 1,3; 1,5; 1,9; │ │
│ │ │ │ │ │ 2,0; 2,1 и │ │
│ │ │ │ │ │ кратные им │ │
│ ├──────────┼──────────────┼─────────┼────────┼────────────────┼───────────┤
│ │ 531114 │Бук │ 1 │ 22 и │0,5; 0,55; 0,65;│ — │
│ │ │ │ │ более │ 0,75; │ │
│ │ │ │ │ │ 1,1; 1,3 и │ │
│ │ │ │ │ │ кратные им │ │
│ ├──────────┼──────────────┼─────────┼────────┴────┬───────────┼───────────┤
│г) для клепки винных и│ 531149 │ │ 1 │ 26 и более │ Не менее │ 0,1 │
│пивных бочек │ │ │ │ │ 0,6 │ │
│ ├──────────┼──────────────┼─────────┼─────────────┼───────────┼───────────┤
│д) для клепки заливных│ 531149 │Дуб │ 1, 2 │ 14 и более │ Не менее │ 0,1 │
│бочек │ │Береза, осина,│ │ │ 0,6 │ │
│ │ │то- │ │ │ │ │
│ ├──────────┼──────────────┼─────────┼─────────────┼───────────┼───────────┤
│е) для клепки│ 531149 │поль, бук,│ 2, 3 │ 12 и более │ Не менее │ 0,1 │
│сухотарных бочек и│ │липа и ива│ │ │ 0,6 │ │
│деталей ящиков │ │Береза, осина,│ │ │ │ │
│ │ │тополь, ольха,│ │ │ │ │
│ │ │липа и │ │ │ │ │
│ ├──────────┼──────────────┼─────────┼─────────────┼───────────┼───────────┤
│ж) для весел │ 531114, │ива │ 1 │ 18 и более │ 3,0-5,5 │ 0,1 │
│ │ 531115 │ │ │ │ │ │
│ ├──────────┼──────────────┼─────────┼─────────────┼───────────┼───────────┤
│з) для протезов │ 531117 │Бук и ясень │ 1 │ 16 и более │ Не менее │ 0,1 │
│ │ │ │ │ │ 2,0 │ │
├───────────────────────┼──────────┼──────────────┼─────────┼─────────────┼───────────┼───────────┤
│2. Для выработки шпал│ 531136 │ │ │ │ │ │
│железных дорог: │ │ │ │ │ │ │
│ │ │ │ │ │ │ │
│а) широкой колеи │ │Липа │ 2, 3 │ 26 и более │ 2,75; 5,5 │ — │
│ │ ├──────────────┼─────────┼─────────────┼───────────┼───────────┤
│б) узкой колеи │ │Береза │ 2, 3 │ 20 и более │ 1,3; 1,5; │ — │
│ │ │ │ │ │ 1,8 │ │
├───────────────────────┼──────────┼──────────────┼─────────┼─────────────┼───────────┼───────────┤
│3. Для выработки│ │ │ │ │ │ │
│переводных брусьев│ 531136 │ │ │ │ │ │
│железных дорог: │ │ │ │ │ │ │
│ │ │ │ │ │ │ │
│а) широкой колеи │ │Береза │ 2, 3 │ 26 и более │ 3,0-5,5 │ 0,25 │
│ │ ├──────────────┼─────────┼─────────────┼───────────┼───────────┤
│б) узкой колеи │ │Береза │ 2, 3 │ 20 и более │ 1,5; 1,65 │ — │
│ │ │ │ │ │ │ │
│ │ │ │ │ │ 1,8-3,2 │ 0,2 │
│ │ │ │ │ │ │ │
│ │ │ │ │ │ 3,5 │ — │
├───────────────────────┼──────────┼──────────────┼─────────┼────────┬────┴───────────┼───────────┤
│4. Для выработки│ 531219 │Все породы │ 1, 2 │ 24 и │ Не менее 1,5 │ 0,1 │
│строганого шпона │ │ │ │ более │ │ │
├───────────────────────┴──────────┴──────────────┴─────────┴────────┴────────────────┴───────────┤
│ Лесоматериалы для лущения │
├───────────────────────┬──────────┬──────────────┬─────────┬────────┬────────────────┬───────────┤
│5. Для выработки│ 531219 │Дуб, клен,│ 1, 2 │ 16 и │ 1,3; 1,6 и │ — │
│лущеного шпона │ │ясень, береза,│ │ более │ кратные им │ │
│ │ │ильм, бук,│ │ │ │ │
│ │ │граб, ольха,│ │ │ │ │
│ │ │осина, тополь│ │ │ │ │
│ │ │и липа │ │ │ │ │
│ │ │ ├─────────┼────────┼────────────────┼───────────┤
│ │ │То же │ 1, 2 │ 18 и │1,91; 2,23; 2,54│ — │
│ │ │ │ │ более │ и кратные им │ │
├───────────────────────┼──────────┼──────────────┼─────────┼────────┼────────────────┼───────────┤
│6. Для производства│ 531229 │Осина, тополь,│ 1, 2 │ 16 и │ Не менее 2,0 │ 0,1 │
│спичек │ │липа, ольха │ │ более │ │ │
├───────────────────────┴──────────┴──────────────┴─────────┴────────┴────────────────┴───────────┤
│ Лесоматериалы для выработки целлюлозы и древесной массы (балансы) │
├───────────────────────┬──────────┬──────────────┬─────────┬────────┬────────────────┬───────────┤
│7. Для целлюлозы на│ 531312 │Береза, тополь│ 1 │ 10-24 │1,2; 1,5; 2,0 и │ — │
│химическую переработку │ │и осина │ │ │ кратные им │ │
│ ├──────────┼──────────────┼─────────┼────────┼────────────────┼───────────┤
│Для белой древесной│ 531312 │Тополь, осина │ 1 │ 10-24 │1,2; 1,5; 2,0 и │ — │
│массы │ │ │ │ │ кратные им │ │
├───────────────────────┼──────────┼──────────────┼─────────┼────────┴────┬───────────┼───────────┤
│8. Для сульфитной и│ 531312 │Береза, осина,│ 1,2 │ 6-18 │0,75; 1,0; │ — │
│бисульфитной целлюлозы │ │тополь, ольха │ │ │ 1,1; 1,2; │ │
│ │ │ │ │ │1,25; 2,0 и│ │
│ │ │ │ │ │кратные им │ │
├───────────────────────┼──────────┼──────────────┼─────────┼─────────────┼───────────┼───────────┤
│9. Для сульфатной│ 531312 │Береза, осина,│ 1,2 │ 6-24 │0,75; 1,0; │ — │
│беленой целлюлозы │ │тополь, ольха │ │ │ 1,1; 1,2; │ │
│ │ │ │ │ │1,25; 2,0 и│ │
│ │ │ │ │ │кратные им │ │
│ │ │ ├─────────┼─────────────┼───────────┼───────────┤
│ │ │ │ 3 │ 6-40 │0,75; 1,0; │ — │
│ │ │ │ │ │ 1,1; 1,2; │ │
│ │ │ │ │ │1,25; 2,0 и│ │
│ │ │ │ │ │кратные им │ │
├───────────────────────┼──────────┼──────────────┼─────────┼─────────────┼───────────┼───────────┤
│10. Для сульфатной│ 531312 │ │ 1,2 │ 6-24 │0,75; 1,0; │ — │
│небеленой целлюлозы,│ │ │ │ │ 1,1; 1,2; │ │
│натронной, бисульфитной│ │ │ │ │1,25; 2,0 и│ │
│и нейтрально-сульфитной│ │ │ │ │кратные им │ │
│полуцеллюлозы, │ │ ├─────────┼─────────────┼───────────┼───────────┤
│рафинерной древесной│ │ │ 3 │ 6-40 │0,75; 1,0; │ — │
│массы (РДМ),│ │ │ │ │ 1,1; 1,2; │ │
│термомеханической массы│ │ │ │ │1,25; 2,0 и│ │
│(ТММ), химической│ │ │ │ │кратные им │ │
│термомеханической массы│ │ │ │ │ │ │
│(ХТММ) │ │ │ │ │ │ │
├───────────────────────┴──────────┴──────────────┴─────────┴─────────────┴───────────┴───────────┤
│ Лесоматериалы для использования в круглом виде │
├───────────────────────┬──────────┬─────────────┬──────────┬─────────────┬───────────┬───────────┤
│11. Для строительства │ 531442 │Все породы │ 2 │ 12-24 │ 4,0-6,5 │ 0,5 │
│ │ │ │ │ │ │ │
│12. Для вспомогательных│ 531442 │Все породы │ │ │ │ │
│и временных построек│ │ │ │ │ │ │
│различного назначения│ │Все породы │ 2 │ 8 -11 │ Не менее │ 0,25 │
│(подтоварник) │ │ │ │ │ 3,00 │ │
├───────────────────────┴──────────┴─────────────┴──────────┴─────────────┴───────────┴───────────┤
│Примечания: │
│1. Требования к лесоматериалам для выработки авиационных и резонансных пиломатериалов (заготовок)│
│устанавливаются потребителем, при этом уровень их качества должен быть не ниже 1-го сорта. │
│2. Допускается по согласованию с потребителем выпуск сортиментов в комбинированном виде по длине│
│(толщине), при этом качество и размеры всех сортиментов, содержащихся в комбинированном бревне│
│(кряже), должны соответствовать требованиям, установленным в соответствующих│
│нормативно-технических документах (НТД) на эти сортименты. │
│3. Для изготовления паркетных планок по ГОСТ 862.1, ГОСТ 862.2, ГОСТ 862.3 и ГОСТ 862.4│
│пиловочник мягких лиственных пород (осина, ольха и т.д.) не допускается. │
│(Измененная редакция, Изм. N 1). │
└─────────────────────────────────────────────────────────────────────────────────────────────────┘
1.4. Для выработки пиломатериалов на фрезерно-пильных агрегатах допускаются пиловочные бревна толщиной 12 см.
1.5. Для выработки целлюлозы и полуцеллюлозы допускаются по согласованию с потребителем балансы любой длины от 0,75 до 6,5 м, выработанные из вершинной части хлыста.
1.6. Лесоматериалы для продольной распиловки, строгания, использования в круглом виде, а также балансовое долготье и спичечные кряжи должны иметь припуск по длине от 0,03 до 0,05 м; для лущения, за исключением спичечных кряжей, — от 0,02 до 0,05 м на каждый чурак. При этом фактическая длина бревна или кряжа длиной 2 м и более может быть больше на 0,05 м по сравнению с номинальной вместе с припуском.
Для балансов в чураках припуск по длине не устанавливается. Предельное отклонение по длине балансов +-0,02 м.
1.7. Качество древесины лесоматериалов должно соответствовать требованиям, указанным в табл.3.
Таблица 3
┌───────────────────┬───────────────────────────────────────────────────┐
│Порок древесины по │ Норма ограничения пороков древесины для сортов │
│ ГОСТ 2140 │ │
│ ├────────────────┬─────────────────┬────────────────┤
│ │ 1-го │ 2-го │ 3-го │
├───────────────────┼────────────────┴─────────────────┼────────────────┤
│1. Сучки и пасынок:│ │ │
│ │ │ │
│ │ В мелких лесоматериалах допускаются │
│ │ │ │
│а) все│В средних и крупных лесоматериалах│ Допускаются │
│разновидности, за│ допускаются диаметром, см, не │ │
│исключением │ более: │ │
│табачных сучков │ │ │
│ │ │ │ │
│ │ 3 │ 7 │ │
│ │ │ │ │
│б) табачные │ Не допускаются │ Допускаются диаметром, см, не │
│ │ │ более: │
│ │ │ │ │
│ │ │ 4 │ 7 │
├───────────────────┼────────────────┴─────────────────┴────────────────┤
│2. Грибные│ │
│поражения: │ В мелких лесоматериалах не допускаются │
│ │ │
│а) ядровая гниль и│ Допускаются укладывающиеся во вписанную в торец │
│дупло │ полосу (вырезку) размером не более: │
│ │ │
│ │ в средних лесоматериалах: │
│ │ │ │ │
│ │ 1/10 │ 1/4 │ 1/3 │
│ │ │ │ │
│ │ диаметра соответствующего торца с выходом на один │
│ │ торец │
│ │ │
│ │ в лесоматериалах толщиной от 26 до 38 см: │
│ │ │ │ │
│ │ 1/4 │ 1/3 │ 1/3 │
│ │ │ │ │
│ │диаметра соответствующего торца с │ диаметра │
│ │ выходом на один торец │соответствующего│
│ │ │торца с выходом │
│ │ │на один торец; в│
│ │ │ лесоматериалах │
│ │ │длиной до 3 м — │
│ │ │ 1/2 диаметра │
│ │ │соответствующего│
│ │ │торца с выходом │
│ │ │на второй торец │
│ │ │не более 1/4 его│
│ │ │ диаметра │
│ │ │ │
│ │ в лесоматериалах толщиной 40 см и более: │
│ │ │ │ │
│ │ 1/3 │ 1/2 │ 1/2 │
│ │ │ │ │
│ │диаметра соответствующего торца с │ диаметра │
│ │ выходом на один торец │соответствующего│
│ │ │торца с выходом │
│ │ │на второй торец │
│ │ │не более 1/4 его│
│ │ │ диаметра │
│ │ │ │ │
│б) побурение │ Не допускается │ Допускается без │ Допускается │
│ │ │ белых пятен и │ │
│ │ │ выцветов │ │
│ │ │ │ │
│в) заболонная гниль│ Не допускается │Допускается глубиной по радиусу не│
│ │ │ более 1/10 диаметра │
│ │ │ соответствующего торца │
│ │ │ │
│г) наружная│ Не допускается │
│трухлявая гниль │ │
├───────────────────┼────────────────┬──────────────────────────────────┤
│3. Червоточина │ Не допускается │ Допускается │
│ │ неглубокая и │ │
│ │ глубокая │ │
├───────────────────┼────────────────┼─────────────────┬────────────────┤
│4. Трещины: │ │ │ │
│ │ │ │ │
│а) все│ Допускаются укладывающиеся во │ Допускаются │
│разновидности, │вписанные в торец круг или полосу │ │
│кроме боковых и│ размером не более: │ │
│торцовых от усушки │ │ │
│ │ │ │ │
│ │ 1/3 │ 1/2 │ │
│ │ │ │ │
│ │ диаметра соответствующего торца │ │
│ │ │ │
│б) боковые от│ Допускаются глубиной не более: │
│усушки │ │
│ │ │ │ │
│ │ 1/20 │ 1/5 │ 1/5 │
│ │ │ │ │
│в) торцовые от│ диаметра соответствующего торца │
│усушки │ Допускаются глубиной не более: │
│ │ │ │
│ │ установленного │ диаметра верхнего торца │
│ │ припуска │ │
├───────────────────┼────────────────┴──────────────────────────────────┤
│5. Кривизна: │ │
│ │ │
│а) простая │ Допускается с отношением стрелы прогиба в месте │
│ │ наибольшего искривления к длине сортимента в │
│ │ процентах, не более: │
│ │ │
│ │ в лесоматериалах толщиной до 24 см: │
│ │ │ │ │
│ │ 1 │ 2 │ 3 │
│ │ │ │ │
│ │ в лесоматериалах толщиной до 26 см и более: │
│ │ │ │ │
│ │ 2 │ 3 │ 5 │
│ │ │ │ │
│б) сложная │ Допускается в размере половины нормы простой │
│ │ кривизны │
├───────────────────┼──────────────────────────────────┬────────────────┤
│6. Механические│ Допускаются глубиной не более │ Допускаются │
│повреждения (заруб,│суммы 1/10 диаметра верхнего торца│ │
│запил, скол, отщеп,│и полуразности диаметров бревна в │ │
│вырыв), а также│месте повреждения и верхнего торца│ │
│прорость открытая,│ │ │
│сухобокость и рак │ │ │
│ │ │ │
│ Примечание. Пороки древесины по ГОСТ 2140, не указанные в табл. 3, │
│ допускаются. │
└───────────────────────────────────────────────────────────────────────┘
1.8. В зависимости от назначения круглые лесоматериалы должны отвечать дополнительным требованиям, указанным в табл.4.
Таблица 4
┌──────────────────────┬────────────────────────────────────────────────┐
│ Назначение │ Дополнительное требование │
│ лесоматериалов │ │
├──────────────────────┴────────────────────────────────────────────────┤
│ Лесоматериалы для распиловки │
│ │ │
│1. Для выработки: │ │
│ │ │
│а) пиломатериалов и│Допускаются боковые трещины от усушки,│
│заготовок всех│механические повреждения, прорость и│
│назначений │сухобокость, расположенные в полосе,│
│ │соответствующей размерам, указанным в табл.3,│
│ │подпункт 4а; во 2-м сорте допускаются сучки│
│ │размером не более 10 см │
│ │ │
│б) клепки заливных│Сучки в лесоматериалах 2-го сорта допускаются│
│бочек │размером не более 3 см │
│ │ │
│в) шпал железных дорог│Допускаются открытая прорость, сухобокость,│
│ │гнили при наличии по всей длине бревна сегмента│
│ │здоровой древесины высотой 22 см (для шпал│
│ │широкой колеи) и 14 см (для шпал узкой колеи) с│
│ │выходом одной шпалы на каждый одинарный размер│
│ │длины лесоматериала │
│ │ │
│г) переводных брусьев│Ядровая гниль, табачные сучки и побурение не│
│железных дорог широкой│допускаются. Ложное ядро допускается не более│
│колеи │1/3 диаметра торца │
│ │ │
│д) заготовок для лыж │В партии должно быть не менее 1/3 объема│
│ │лесоматериалов с заросшими сучками, имеющими в│
│ │бровках угол между усами 120° и более. Ложное│
│ │ядро не допускается размером более 0,5 диаметра│
│ │торца в лесоматериалах толщиной до 26 см и 0,6│
│ │диаметра торца — в лесоматериалах толщиной 26 см│
│ │и более. │
│ │Допускается ядровая гниль размером не более 1/3│
│ │диаметра торца с выходом на оба торца │
│ │ │
│ж) резонансных│Зона древесины, свободная от ложного ядра,│
│пиломатериалов и│должна быть не менее 13 см │
│заготовок │ │
│ │ │
│ Лесоматериалы для лущения │
│ │ │
│2. Для выработки│В березовых лесоматериалах 1-го сорта│
│лущеного шпона │допускаются заросшие сучки с бровками, имеющими│
│ │угол между усами 120° и более; в лесоматериалах│
│ │1-го сорта других пород допускаются раневые│
│ │пятна, прикрывающие заросшие сучки, без наплывов│
│ │и растянутые поперек оси ствола. При этом│
│ │поперечный диаметр пятна должен быть более│
│ │продольного: в лесоматериалах буковых, грабовых,│
│ │липовых, ольховых, осиновых и тополевых — в два│
│ │раза и более; в лесоматериалах дубовых, кленовых│
│ │и ясеневых — в три раза и более. Ядровая гниль и│
│ │дупло допускаются размером не более 10 см в│
│ │центральной части торца. Боковые трещины от│
│ │усушки не допускаются. Открытая и закрытая│
│ │прорости, механические повреждения, трещины│
│ │(кроме боковых трещин усушки), сухобокость, рак│
│ │допускаются вне зоны лущения. Зона лущения│
│ │должна быть не менее 5 см в первом сорте и 4 см│
│ │- во втором сорте по радиусу как от внутренней│
│ │поверхности коры к центру, так и от центра к│
│ │коре (вне зоны «карандаша»). Торцовые трещины, в│
│ │т.ч. трещины от усушки, допускаются в пределах│
│ │вписанного в торец круга размером не более│
│ │установленного в табл.3, подпункт 4а. │
│ │Кривизна в чураках толщиной 16 и 18 см не должна│
│ │превышать норм 1-го сорта. │
│ │Лесоматериалы длиной 1,30 и 1,60 м толщиной 16│
│ │см и лесоматериалы длиной 1,91 м и более│
│ │диаметром 18 см допускаются в количестве не│
│ │более 10% │
│ │ │
│ Лесоматериалы для выработки целлюлозы и древесной массы │
│ │ │
│3. Для балансов │Обугленность не допускается. │
│ │Червоточина, трещины, механические повреждения│
│ │допускаются. │
│ │В балансах для сульфатной целлюлозы сучки всех│
│ │разновидностей, пасынок, открытая прорость и│
│ │сухобокость допускаются. │
│ │В балансах для целлюлозы на химическую│
│ │переработку, для сульфитной и бисульфитной│
│ │небеленой целлюлозы и для белой древесной массы│
│ │ядровая гниль и табачные сучки не допускаются. │
│ │В балансах 1 и 2-го сортов кривизна допускается│
│ │размером не более 3%. │
│ │Балансы допускается поставлять колотыми, при│
│ │этом их толщина по расколу и по внешней│
│ │окружности не должна быть менее 5 см. │
│ │Для сульфатной целлюлозы и бисульфитной│
│ │полуцеллюлозы допускается использование│
│ │древесного сырья с нормами ограничения пороков│
│ │древесины, согласованными между поставщиком и│
│ │потребителем и установленными в отраслевой НТД. │
│ │По согласованию с потребителем допускается│
│ │изготовление балансов толщиной до 14 см с│
│ │длинами, установленными в лесоматериалах для│
│ │выработки пиломатериалов общего назначения. │
│ │Максимальная толщина балансов одинарной длины│
│ │(чураков) не ограничивается. │
│ │ │
│ Лесоматериалы для использования в круглом виде │
│ │ │
│4 Лесоматериалы для│Грибные поражения (табл.3, подпункт 2а) и│
│строительства и│табачные сучки не допускаются │
│подтоварник │ │
└──────────────────────┴────────────────────────────────────────────────┘
1.7, 1.8. (Измененная редакция, Изм. N 1).
1.9. При одновременном наличии заболонной и ядровой гнили в лесоматериалах 3-го сорта заболонная гниль допускается глубиной по радиусу не более 1/20 диаметра соответствующего торца. В дубовых лесоматериалах допускается одновременное наличие обеих гнилей в нормах, установленных в табл.3.
1.10. Лесоматериалы, предназначенные для распиловки, строгания и лущения, выпускают неокоренными; допускается обдир коры. В лесоматериалах 1-го сорта для лущения обдир коры не должен превышать 15% общей площади сортимента.
1.11. Колотые балансы должны быть окорены. Допускаются участки коры и луба, занимающие не более 20% поверхности.
1.12. Балансы и лесоматериалы, используемые в круглом виде, могут быть как в коре, так и окоренными.
1.13. Нестойкие против побурения лесоматериалы должны предъявляться к перевозке железнодорожным и водным (в судах и баржах) транспортом в коре. Торцы таких лесоматериалов (кроме балансов) должны быть покрыты влагозащитными замазками.
1.14. Скос пропила допускается в пределах припуска по длине при условии сохранения его минимального значения. В балансах скос пропила не нормируется.
Козырьки, образующиеся при валке деревьев, корневые лапы и наросты должны быть опилены. Козырьки в лесоматериалах для выработки пиломатериалов (кроме авиационных и резонансных) и в балансах (кроме балансов для древесной массы) допускаются.
Сучья должны быть срезаны (обрублены) вровень с поверхностью неокоренного бревна. Допускаются сучки высотой не более 2 см от поверхности неокоренного бревна.
1.13, 1.14. (Измененная редакция, Изм. N 1).
1.15. Инородные включения, обнаруживаемые при визуальном осмотре лесоматериалов, должны быть удалены.
1.16. Лесоматериалы должны быть рассортированы в соответствии с требованиями ГОСТ 2292.
1.17. Маркировка круглых лесоматериалов — по ГОСТ 2292.
1.18. Пакетирование круглых лесоматериалов — по ГОСТ 2292.
1.19. Порода, длина, толщина и сорт лесоматериалов должны быть указаны в спецификации потребителя.
(Введен дополнительно, Изм. N 1).
2. Приемка
2.1. Правила приемки и учет лесоматериалов — по ГОСТ 2292.
3. Методы измерения
3.1. Измерение размеров и определение объема лесоматериалов — по ГОСТ 2292.
3.2. Определение, классификация и способы измерения пороков древесины — по ГОСТ 2140.
3.3. Для определения качества древесины лесоматериалов при их приемке допускается выборочная обрезка торцов на величину не более припуска по длине 1-2% поступившего сырья и (или) снятие коры.
3.4. Высоту остатков сучьев измеряют в сантиметрах без учета высоты присучкового наплыва.
4. Транспортирование и хранение
4.1. Транспортирование лесоматериалов — по ГОСТ 2292.
4.2. Хранение лесоматериалов — по ГОСТ 9014.0, ГОСТ 9014.1, ГОСТ 9014.2 и ГОСТ 9014.3.
