Резьба круглая диаметром 40 мм для противогазов и калибры к ней. Основные размеры
Заменяет

Страница 1

Страница 2

Страница 3

Страница 4
МЕЖГОСУДАРСТВЕННЫЙ СТАНДАРТ
РЕЗЬБА КРУГЛАЯ ДИАМЕТРОМ 40 мм ДЛЯ ПРОТИВОГАЗОВ И КАЛИБРЫ К НЕЙ
Основные размеры
ГОСТ
8762-75
Round throating diameter 40 mm for gas-mask with the gauges main dimensions and the tolerances
Дата введения 01.01.76
Настоящий стандарт распространяется на круглую резьбу диаметром 40 мм для деталей противогазов и устанавливает размеры элементов резьбы, а также размеры калибров для проверки резьбы и контркалибров для контроля калибров.
1. РЕЗЬБА
1.1. Профиль и основные размеры элементов резьбы должны соответствовать указанным на черт. 1 и в табл. 1.
|
Черт. I |
|
Таблица 1 В миллиметрах |
||||||||||||||||||||||||||||
|
||||||||||||||||||||||||||||
П р ii м с ч а и и с. Наименьший размер внутреннего диаметра болта и наибольший размер наружного диаметра гайки настоящим стандартом не устанавливают.
Пример условного обозначения круглой резьбы для противогазов:
Резьба круглая 404 ГОСТ 8762-75
Перепечатка воскрешена
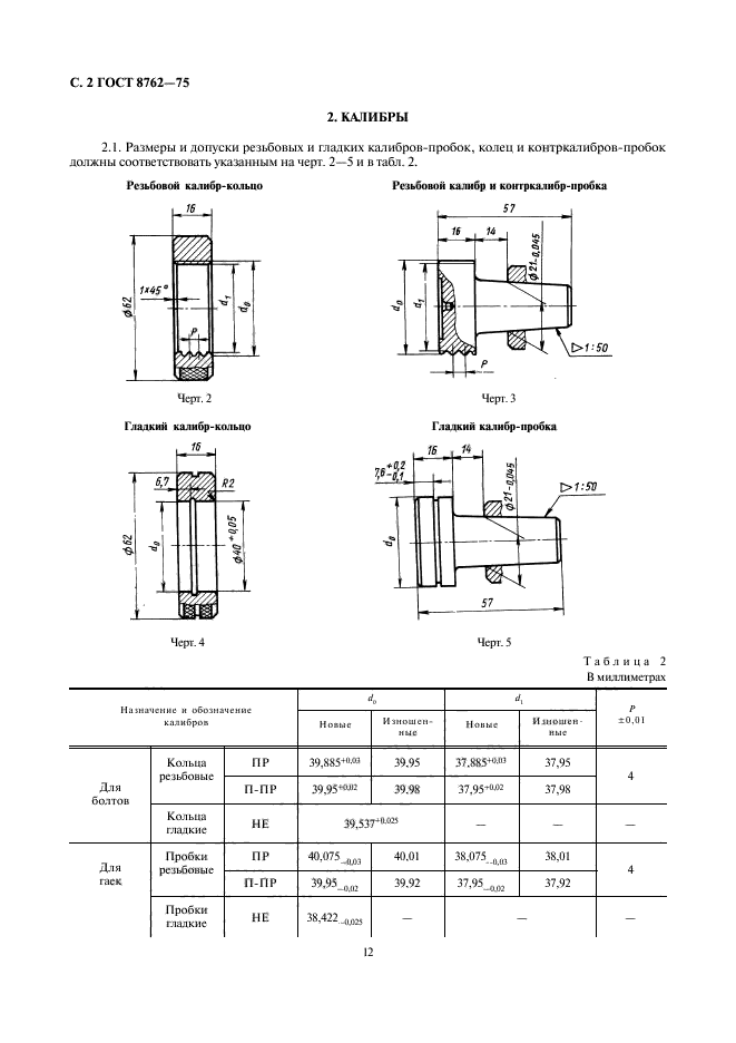
С. 2 ГОСТ 8762-75
2. КАЛИБРЫ
2.1. Размеры н допуски резьбовых и гладких калибров-пробок, колец и контркалибров-пробок должны соответствовать указанным на черт. 2—5 и в табл. 2.
Резьбовом калибр-колыш Резьбовой калибр и кокгркалибр-пробка
Гладкий калибр-кольцо Гладкий калибр-пробка
|
Таблица 2 В миллиметрах |
|||||||||||||||||||||||||||||||||||||||||||||||||||||||||||
|
|||||||||||||||||||||||||||||||||||||||||||||||||||||||||||
12
ГОСТ 8762-75 С. 3
|
Окончание табл. 2 |
|||||||||||||||||||||||||||
|
|||||||||||||||||||||||||||
Пример условного обозначения резьбового калибра:
Калибр-кольцо 404 ПР ГОСТ 8762- 75
То же, гладкого калибра:
Калибр-пробка 404 НЕ ГОСТ 8762-75
То же. резьбового контркалибра:
Контркалибр -пробка 404 К-II ГОСТ 8762-75
Примечая м с. Условные обозначения, принятые настоящим стандартом, нс должны использоваться в случаях обязательного применения колов Общесоюзного классификатора промышленной и сельскохозяйственной продукции1.
2.2. Расположение полей допусков наружного диаметра болта и внутреннего — гайки должно соответствовать схеме, указанной на черт. 6.
Наибольший предельный
НЕ
-Q
размер
I
ПР
lift FT*
[Калибры для гаек
W СП]
редешый’-^*
к » \Гаы6ры для бвл/wS |
°П □
наибольший предельный размер
П-ПР
наименьший предельный размер
—-а
П-ПР
и
1
Наименьший предельный размер
НЕ
■О
Поля допусхоВ па изгвтоВление
□
Поля допусков на износ
Черт. 6
13
1
На территории Российской Федерации действует ОК 005—93.
С. 4 ГОСТ 8762-75
2.3. Рабочий проходной резьбовой калибр обозначают буквами ПР. приемный проходной резьбовой калибр — 11-ПР. гладкий непроходной калибр — НЕ, контркалибр резьбовой контрольный приемный — К-/1. контркалибр резьбовой износа — К-И.
2.4. Контркалибр К-II предназначен для контроля калибра ИР и перевода его в П-ПР.
2.5. Приемный калибр //-///’предназначен для проверки деталей после их антикоррозионного покрытия, контркалибр К-И — для выбраковки изношенных резьбовых калибров И-IIP.
2.6. Прн проверке резьбы резьбовой калибр-пробка должен свободно ввинчиваться в деталь, а гладкий калибр-пробка не должен входить в деталь под собственным весом ниже имеющейся на калибре риски.
Резьбовой калибр-колыю должен свободно навинчиваться на дет&ть. а надевание гладкого калибр-катыш на один виток детали не яатяется браковочным признаком.
При м с ч а и и с. Допускается изменение конструкции и габаритов калибров ири сохранении размеров элементов резьбы.
2.7. Технические требования к резьбовым калибрам, маркировка, упаковка, транспортирование и хранение — по ГОСТ 2016.
2.S. Технические требования к гладким калибрам, маркировка, упаковка, транспортирование и хранение — по ГОСТ 2015.
ИНФОРМАЦИОННЫЕ ДАННЫЕ
1. УТВЕРЖДЕН И ВВЕДЕН В ДЕЙСТВИЕ Постановлением Государственного комитета стандартов Совета Министров СССР от 11.02.75 № 394
2. ВЗАМЕН ГОСТ 8762-58
3. В стандарте учтены требования рекомендации но стандартизации PC 1200—67 в части круглой резьбы
4. ССЫЛОЧН Ы Е НОРМАТИВНО-ТЕХН ИЧЕСКИЕ ДОКУМ ЕНТЫ
|
Обозначение НТД. иа которым |
Номер пункта |
|
дама ссылка |
|
|
ГОСТ 2015-84 |
2Я |
|
ГОСТ 2016-86 |
2.7 |
5. Ограничение срока действия снято по Постановлению Госстандарта от 30.12.81 № 6119
6. ПЕРЕИЗДАНИЕ
14


