Стекло листовое термически полированное. Технические условия

Страница 1

Страница 2

Страница 3

Страница 4

Страница 5

Страница 6

Страница 7

Страница 8

Страница 9

Страница 10

Страница 11

Страница 12

Страница 13

Страница 14

Страница 15

Страница 16

Страница 17
Цена 5 коп.
ГОСУДАРСТВЕННЫЙ СТАНДАРТ
СОЮЗА ССР
СТЕКЛО ЛИСТОВОЕ ТЕРМИЧЕСКИ ПОЛИРОВАННОЕ
ТЕХНИЧЕСКИЕ УСЛОВИЯ
ГОСТ 7132-78
Издание официальное
ГОСУДАРСТВЕННЫЙ КОМИТЕТ СССР по СТАНДАРТАМ Москва
РАЗРАБОТАН Министерством промышленности строительных мате» риалов СССР
ИСПОЛНИТЕЛИ
А. Г. Шабанов, Т. Л. Ширкевич, М. Л. Глмкман, Л. С. Марина, М. А. Диден-кова, Л. Я. Повиткова
ВНЕСЕН Министерством промышленности строительных материалов СССР
Член Коллегии В. И. Добужинский
УТВЕРЖДЕН И ВВЕДЕН В ДЕЙСТВИЕ Постановлением Государственного комитета стандартов Совета Министров СССР от 28 июня 1978 г. № 1709
ГОСТ 7132-78 Стр. 9
плоского экрана, на который матовой краской нанесены под углом 40о±30′ черные и белые полосы шириной 25±1 мм;
опорного держателя с рамкой для установки образцов, снабженной градусной шкалой и способной вращаться вокруг вертикальной оси.
Мощность установленных ламп и их расположение должны обеспечивать освещенность экрана 2000±600 лк.
4.6.4. Подготовка к испытанию
Испытания проводят в затемненном помещении. Для определения оптических искажений в проходящем свете образец стекла вставляют в рамку держателя таким образом, чтобы направление выработки было вертикальным и по шкале держателя устанавливают угол падения 75° (угол падения образуется в горизонтальной плоскости перпендикуляром к плоскости стекла и лучом зрения).
4.6.5. Проведение испытания
Определяют общий характер оптических искажений по всему стеклу. Затем медленно уменьшают угол падения до тех пор, пока искажения полос экрана при просмотре сквозь стекло не станут незаметными.
Найденный угол характеризует значение оптических искажений стекла в проходящем свете.
При определении угла оптических искажений не учитывают единичные нитевидные искажения с углом ниже нормируемого, если их не более двух на 1 м стекла. Допускаемая ошибка измерения оптических искажений составляют ±3°.
4.7. Определение оптических искажений стекла в отраженном свете
4.7.1. Сущность метода состоит в проектировании на поверхность стекла картины из равноотстоящих полос, отражении этой картины поверхностью стекла на специальный экран и измерении отклонений полученной картины от установленных размеров.
Испытания проводятся в затемненном помещении с использованием установки, приведенной на черт. 2.
4.7.2. Аппаратура и приспособления
Диапроектор типа ЛЭТИ-60 с объективом с фокусным расстоянием 92 мм.
Диапозитив — линейный растр, изготовленный из прозрачного материала (фотопленка, стекло и др.) с нанесенными на него непрозрачными параллельными линиями с шагом растра, равным 0,293=^0,005 мм. (Шаг растра™сумма ширины одной линии и расстояния между двумя линиями).
Экран белый размером не менее 800×600 мм. Экран должен быть плоским и жестким.
УДК 666.1 SI -.006.354 Группа И11
ГОСУДАРСТВЕННЫЙ СТАНДАРТ СОЮЗА С С Р
СТЕКЛО ЛИСТОВОЕ ТЕРМИЧЕСКИ ПОЛИРОВАННОЕ
Технические условия
Sheet thermally polished glass. Specifications
гост
7132—78
Взамен ГОСТ 7132-61
Постановлением Государственного комитета стандартов Совета Министров СССР» от 28 июня 1978 г. № 1709 срок действия установлен
с 01.07, 1979 г. до 01.07. 1984 г.
Несоблюдение стандарта преследуется по закону
Настоящий стандарт распространяется на листовое термически полированное стекло, предназначенное для изготовления зеркал, изделий остекления средств транспорта, мебели, применения в строительстве и других целей.
1. ТИПЫ И РАЗМЕРЫ
1.1. Термически полированное стекло выпускается двух видов:
зеркальное — для изготовления изделий, к которым предъявляются повышенные требования по оптическим показателям: зеркал, ветровых стекол автомобилей и специальных изделий.
Допускается применять для остекления всех видов транспорта, мебели, строительных сооружений и других целей, которым соответствуют регламентируемые свойства полированного стекла данного вида;
Издание официальное ★
Перепечатка воспрещена © Издательство стандартов, 1978
Стр. 2 ГОСТ 7132-78
техническое — для остекления всех видов транспорта (кроме ветровых стекол автомобилей), мебели и строительных сооружений.
Допускается применять для изготовления зеркальных декоративных элементов и других целей, которым соответствуют регламентируемые свойства полированного стекла данного вида.
1.2. Стекло выпускают следующих размеров:
длина — от 600 до 1600 мм,
ширина — от 400 до 1300 мм.
Размеры должны быть кратными 50.
Отклонения размеров не должны превышать:
±2 мм — для листов площадью до 1 м2;
±3 мм»для листов площадью свыше 1 м2.
По согласованию между изготовителем и потребителем допускается изготовлять стекло с другими допусками на размеры.
1.3. Стекло выпускают толщиной 3; 4; 5 и 6 мм. Предельные отклонения по толщине не должны превышать ^4 *мм.
2. ТЕХНИЧЕСКИЕ ТРЕБОВАНИЯ
2.1. Листы стекла должны изготовляться в соответствии с требованиями настоящего стандарта.
2.2. Толщина листов стекла должна быть равномерной. Разно-толщинность одного листа стекла не должна превышать:
0,2 мм — для стекла толщиной 3 мм;
0,3 мм — для стекла толщиной 4—6 мм.
Для стекла высшего сорта толщиной 4—6 мм разнотолщинность не должна превышать 0,2 мм.
2.3. Листы стекла должны быть прямоугольной формы. Отклонение от прямого угла, измеренное на расстоянии 500 мм от вершины угла, не допускается более 2 мм.
2.4. Коэффициент общего светопропускания стекла не должен быть менее 0,84 (в пересчете на 1 см толщины).
2.5. Стекло должно быть бесцветным. Допускается зеленоватый и голубоватый оттенки. Цветные и иризирующие пятна не допускаются.
2.6. Листы стекла должны иметь ровные кромки и целые углы. Сколы и щербины в кромках листа (считая от края к середине листа), а также отбитость углов (по биссектрисе угла) не допускаются более величины, равной толщине листа,
В стекле высшего сорта сколы, щербины в кромках листов и отбитость углов не допускаются более 3 мм.
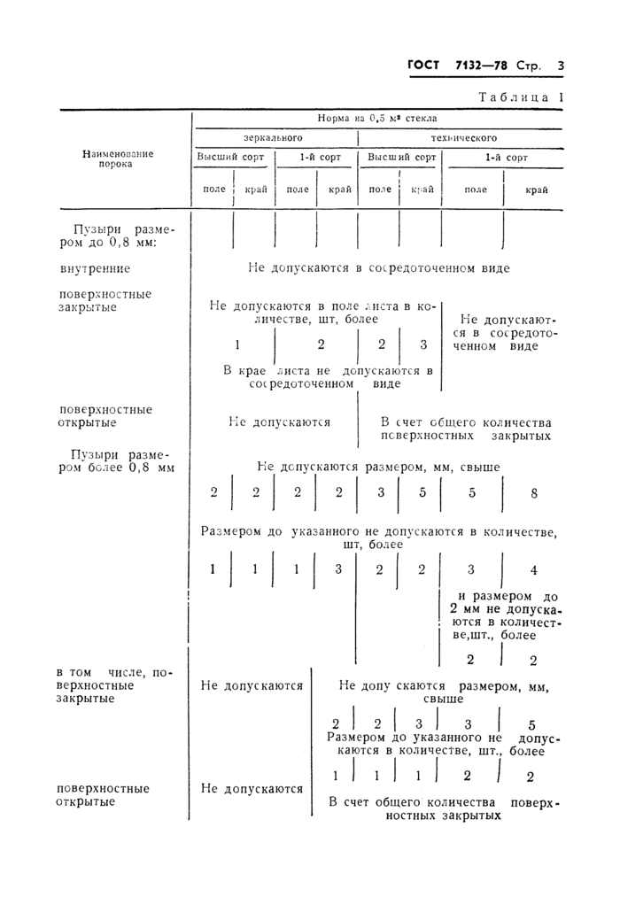
2.7. Пороки, допускаемые в стекле, не должны превышать норм, указанных в табл. 1.
Наименование
порока
Пузыри разме ром до 0,8 мм:
внутренние
поверхностные
закрытые
поверхностные
открытые
Пузыри размером более 0,8 мм
в том числе, поверхностные закрытые
поверхностные
открытые
Таблица I
Норма на 0,5 м* стекла
|
зеркального |
технического |
||||
|
Высший сорт |
1-й |
сорт |
Высший сорт |
1-й |
сорт |
|
1 поле } край 1 |
поле |
край |
1 1 поле | край |
поле |
край |
Не допускаются в сосредоточенном виде
Не допускаются в поле листа в ко личестве, шт, более
1
2
2
3
Не допускаются в сосредото ченном виде
В крае листа не допускаются в сос редоточенном виде
Не допускаются
В счет общего количества поверхностных закрытых
2
Не допускаются размером, мм, свыше
2
2
2
3
5
5
8
Размером до указанного не допускаются в количестве,
шт, более
и размером до 2 мм не допускаются в количест-ве,шт., более
Не допускаются
Не допускаются
Не допу скаются размером, мм, свыше
2 | 2 | 3 | 3 | 5
Размером до указанного не допускаются в количестве, шт., более
1 I 1 I 1 I 2 | 2
В счет общего количества поверхностных закрытых
Продолжение табл. /
Наименование
порока
Норма на 0,5 м* стекла
зеркального
технического
|
Высший сорт |
1-й |
сорт |
Высший сорт |
1-Й сорт |
|||
|
поле |
край |
поле |
край |
поле |
край |
поле |
край |
Инородные неразрушающие включения и свиль узловая
Инородные разрушающие включения
Свиль нитевидная
Царапины:
волосные
грубые
Пороки поверхности (отпечатки валов, налипания, выколки, матовые пятна н др.): слабые
грубые
Не допускаются
Не допускаются размером, мм, свыше
Размером до указанного не допускаются в количестве, шт., более
1 I 2
и размером до 0,8 мм не допускаются в сосредоточенном виде
Не допускаются
Не допускается
Не допускается, шт., более
1 I 1 I Ч 2 I 3
Не допускаются общей длиной, мм, более
75 I 150 J 75 Не допускаются
150 | 150 | 300
Не допускаются общей длиной, мм.
Не допускаются в сосредоточенном виде
10
10
более 50 50
150
Не допускаются
Не допускаются площадью более 10 мм2 и площадью до 10 мм2 не допускаются в сосредоточенном виде Не допускаются
Не допускаются в сосредоточенном виде
Не допускаются
площадью, мм% 10
более 5
Продолжение табл. 1
Сосредоточенность ; (расстояние между пороками)
Количество видов пороков на одном листе площадью: до 0,5 м2 свыше 0,5 м2
Норма на 0,5 м* стекла
|
Наименование порока |
зеркального | технического |
|||||||
|
Высший сорт |
1-й сорт |
Высший сорт |
1-й сорт |
|||||
|
поле |
край |
поле |
край |
поле |
край |
поле |
край |
|
|
Площа; указание пускают личестве бо.т 1 |
ХЬЮ до эй не до-ся в ко-шт„ iee 1 |
|||||||
4 е допускается, мм, менее
150
150
100
50
Не допускаются видов, шт„ более
Примечания;
1. Краем листа считается полоса вдоль его контура шириной 0,15 линейных размеров листа. Остальная площадь считается полем листа,
2. Пороки, не предусмотренные табл. 1 и видимые с расстояния 0,6 м, приравниваются к тем порокам, с которыми они имеют наибольшее сходство.
2,8. Оптические показатели стекла должны соответствовать требованиям, указанным в табл. 2.
Таблица 2
Наименование
порока
Требования к стеклу
зеркальному
техническому
Высший сорт
1-й сорт
Высший сорт
1-й сорт
Оптические искажения, видимые в проходящем
свете
Оптические искажения, видимые в отраженном
свете
Не допускаются видимые при просматривании сквозь стекло под углом, град, менее
40
30
20
10
Не допускаются искажения величины отраженного растра, мм, более
10
15
Стр. 6 ГОСТ 7132-78
3. ПРАВИЛА ПРИЕМКИ
3.1. Стекло принимают партиями. Партией считают количество стекла одного вида, отправляемое в один адрес и оформленное одним документом о качестве.
3.2. Для проверки качества стекла по толщине, линейным размерам, показателям внешнего вида объем выборки устанавливают в соответствии с табл. 3.
Таблица 3
|
Размер партии, листы, шт. |
Ступе!.’и контроля |
Объем одной выборки, шт i |
Объем двух выборок, шт. ■ |
Приемочное число |
Браковочное число |
|
9—15 |
Первая |
2 |
0 |
2 |
|
|
Вторая |
2 |
4 |
] |
2 |
|
|
16—25 |
Первая |
3 |
0 |
2 |
|
|
Вторая |
3 |
6 |
1 |
2 |
|
|
26-50 |
Первая |
5 |
0 |
3 |
|
|
Вторая |
5 |
10 |
3 |
4 |
|
|
51-90 |
Первая |
8 |
1 |
4 |
|
|
Вторая |
8 |
16 |
4 |
5 |
|
|
91 —150 |
Первая |
13 |
2 |
5 |
|
|
Вторая |
13 |
26 |
6 |
7 |
|
|
151—280 |
Первая |
20 |
3 |
7 |
|
|
Вторая |
20 |
40 |
8 |
9 |
|
|
281 — 500 |
Первая |
32 |
5 |
9 |
|
|
Вторая |
32 |
64 |
12 |
13 |
|
|
501-1200 |
Первая |
еО |
7 |
11 |
|
|
Вторая |
50 |
100 |
18 |
19 |
|
|
1201—3200 |
Первая |
80 |
11 |
16 |
|
|
Вторая |
80 |
160 |
26 |
27 |
3.3. Партия считается годной при двухступенчатом контроле,, если количество дефектных листов в первой выборке меньше или равно приемочному числу.
Партия бракуется, если количество дефектных листов равно или более браковочного числа.
Если количество дефектных листов в первой выборке больше приемочного, но меньше браковочного числа, отбирают вторую выборку.
Количество дефектных листов при первой и второй выборках складывают и их сумма не должна превышать приемочного числа для обеих выборок.
3.4. Для проверки прямоугольное™, коэффициента общего све~ топропускания, оптических искажений стекла отбирают из числа листов, принятых по п. 3.2:
от партии до 150 шт. — 2 листа; свыше 150 шт. — 5 листов.
ГОСТ 7132-78 Стр 7
При несоответствии хотя бы одного листа требованиям пп. 2.2; 2.3 и 2.7, повторную проверку по этому показателю проводят на удвоенном количестве листов.
При получении неудовлетворительных результатов повторной проверки более чем на одном листе, партия бракуется-
4. МЕТОДЫ ИСПЫТАНИЙ
4.1. Длину и ширину листов стекла проверяют металлической линейкой по ГОСТ 427-75 или металлической рулеткой по ГОСТ 7502-69 с погрешностью не более 1 мм.
4.2. Толщину стекла измеряют микрометром по ГОСТ 6507-78 с погрешностью не более 0,0! мм в четырех точках по контуру по середине каждой стороны листа. За толщину принимают среднее арифметическое этих измерений. Разница между наибольшей и наименьшей толщиной ( разнотолщинность) не должна превышать указанной в п. 2.2.
4.3. Прямоугольность листов проверяют наложением угольника на лист стекла и измерением отклонения от прямоугольного направления на расстоянии 500 мм от вершины угла.
4.4. Коэффициент общего светопропускания определяют по ГОСТ 111-78.
4.5. Проверку внешнего вида стекла производят в проходящем свете осмотром листа стекла, установленного перпендикулярно к лучу зрения на расстоянии около 0,6 м. В качестве источника освещения используют рассеянный дневной свет без прямого солнечного или лампы дневного света типа ЛД-80 или ЛДЦ-80 по ГОСТ 6825-70, расположенные на черном фоне на расстоянии 150—200 мм друг от друга и около 1000 мм от проверяемого стекла.
Определение размеров пороков проводят измерением наибольшего размера по наиболее четко выраженным границам очертаний.
Размер неразрушающих включений и узловой свили определяют без учета отходящих тонких свилей, последние относят к нитевидной свили.
Количество допустимых пороков (N) вычисляют по формуле
где п — допустимые нормы пороков по табл. 1;
S — площадь стекла, м2.
При этом полученные значения округляют до целого числа.
Расстояние между пороками (кроме царапин) определяют между их центрами; для царапин — по наименьшему расстоянию между ними. Сосредоточенные пороки одного вида суммируют и приравнивают по размеру к одному соответствующему пороку.
4.6. Определение оптических искажений стекла в про ходящем свете
4.6.1. Сущность метода состоит в просмотре сквозь стекло специального контрастного экрана, представляющего собой систему равноотстоящих черно-белых полос, наклоненных под углом 45° к горизонту, и определении угла падения, при котором искажения черно-белой решетки становятся незаметными.
Размеры, отмеченные*, уточняются при наладке оборудования.
1 — экран; 2 — осветители; 3 — устройство для поворота стекла; 4 —стекло, 5 — наблюдатель
Черт. 1
4.6.2. Отбор образцов
Из каждого листа стекла в направлении, перпендикулярном вытягиванию, вырезают образец шириной 300—400 мм.
4.6.3. Аппаратура и приспособления
Установка для определения оптических искажений (черт. 1) состоит из:

