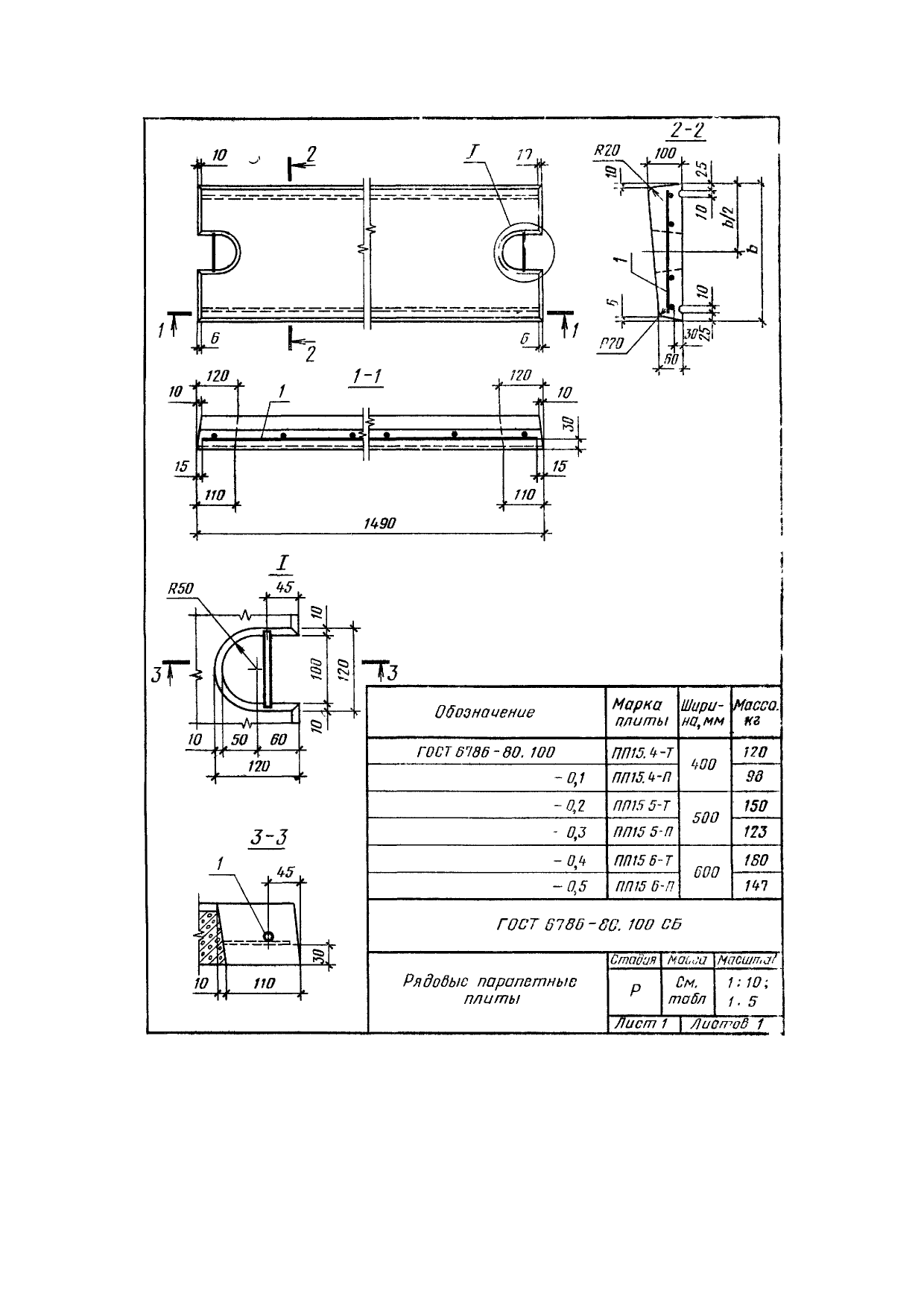
Плиты парапетные железобетонные для производственных зданий. Технические условия
На нашем сайте можно бесплатно скачать ГОСТ 6786-80 (1991) в удобном формате. Узнать актуальный статус ГОСТА «Плиты парапетные железобетонные для производственных зданий. Технические условия» на 2016 год.
Скрыть дополнительную информацию

Страница 1

Страница 2

Страница 3

Страница 4

Страница 5

Страница 6

Страница 7

Страница 8

Страница 9

Страница 10

Страница 11

Страница 12

Страница 13

Страница 14
