Вещества взрывчатые. Методы определения бризантности

Страница 1

Страница 2

Страница 3

Страница 4

Страница 5

Страница 6

Страница 7

Страница 8

Страница 9

Страница 10

Страница 11

Страница 12

Страница 13

Страница 14

Страница 15

Страница 16

Страница 17

Страница 18

Страница 19

Страница 20

Страница 21

Страница 22

Страница 23

Страница 24
ГОСУДАРСТВЕННЫЙ СТАНДАРТ СОЮЗА ССР
ВЕЩЕСТВА ВЗРЫВЧАТЫЕ
МЕТОДЫ ОПРЕДЕЛЕНИЯ БРИЗАНТНОСТИ
ГОСТ 5984-80
Издание официальное
ГОСУДАРСТВЕННЫЙ К^МТЕТ СССР ПО СТАНДАРТАМ
Москва
УДК 662.2/.3.001.4 : 006.354 Группа Л79
ГОСУДАРСТВЕННЫЙ! СТАНДАРТ СОЮЗА ССР
ВЕЩЕСТВА ВЗРЫВЧАТЫЕ Методы определения бризантности
Explosives. Methods for determination of brisance
ГОСТ
5984-80* *
Взамен ГОСТ 5984-51
Постановлением Государственного комитета СССР по стандартам от 30 сентября 1980 г. № 4886 срок введения установлен
с 01.01.82
Несоблюдение стандарта преследуется по закону
Настоящий стандарт устанавливает методы определения бри-заитнооти: по обжатию свинцовых цилиндров — для порошкообразных, гранулированных, литых, прессованных, пластичных, жидких н вязкотекучих индивидуальных взрывчатых веществ (далее в тексте—ВВ) и смесей на их основе с критическим диаметром до (30 мм и по обжатию медных крешерных цилиндрических столбиков для ВВ с предельным диаметром детонации не более 20 мм.
Сущность методов заключается в том, что под воздействием энергии взрыва заряда ВВ заданных параметров (массы, плотности, геометрических размеров) происходит обжатие свинцовых цилиндров или медных крешерных столбиков, размер которого характеризует бризантное действие ВВ.
Пояснения терминов «критический диаметр» и «предельный диаметр» даны в справочном приложении 1.
1. МЕТОД ОПРЕДЕЛЕНИЯ БРИЗАНТНОСТИ ПО ОБЖАТИЮ СВИНЦОВОГО
ЦИЛИНДРА
1.1. Отбор проб
1.1.1. Проба для определения бризантности должна быть достаточной для проведения двух испытаний. Масса испытуемой навески для порошкообразных и гранулированных ВВ должна быть (504:0,01) г пли (25±0,01) г. Для испытания пластичных, жид-
Издание официальное Перепечатка воспрещена
★
* Переиздание февраль 1984 г. с Изменением М 1> утвержденным в марте 1984 г.; Пост. М} 1138 от 30.03.84 (МУС 7—84).
© Издательство стандартов, 1984
ГОСТ 5984-80 Стр. 10
переплавкой цилиндров, бывших в употреблении. Каждый цилиндр отливают в один прием при температуре (400±10)°С,
Если размер обжатия цилиндров при испытании партии более 16 мм, то допускается добавлять к свинцу не более 0,1% цинка по ГОСТ 3640-79.
2. Механическую обработку торцевых поверхностей производят не ранее чем через 24 ч после отливки.
3. В партию комплектуют цилиндры, отлитые из одной плавки свинца.
4. Каждую партию маркируют.
5. Каждую партию цилиндров подвергают испытанию на жесткость обжатием цилиндров при подрыве образцового тротила.
СХЕМА ИСПЫТАНИЯ ПО ОБЖАТИЮ СВИНЦОВЫХ ЦИЛИНДРОВ
Исполнение I
Исполнение II
Исполнение III
/—электродетонатор или капсюль—детонатор; 2— картонный кружок; 3— бумажная гильза; 4—испытуемый заряд; 5—стальной диск; 6—цилиндр;
7—йлнта; 8—промежуточный детонатор; кольцо.
Черт. 4
Примечание. При испытании порошкообразных н гранулированных ВВ верхний картонный кружок допускается не применять.
ГОСТ 5984-80 Стр. 2
кпх и вязкотекучих ВВ применяют навеску ВВ массой, обеспечивающей заполнение взрывчатым веществом бумажной гильзы на высоту (40±0,5) мм или (20±0,5) мм.
(Измененная редакция, Изм. № 1).
1.1.2. Порошкообразные ВВ испытывают при плотности (1+0,03) г/см3, гранулированные ВВ — при насыпной плотности, остальные — при естественных плотностях.
Допускается испытывать порошкообразные ВВ при эксплуатационных плотностях, оговоренных в стандартах и технических условиях на конкретное ВВ.
1.1.3. При определении бризантности гранулированных ВВ, в том числе и с разрушенной структурой, гранулы должны быть измельчены в шаровой мельнице лабораторного типа или агатовой или деревянной ступке до полного прохождения через сетку № 9 по ГОСТ 3826-66.
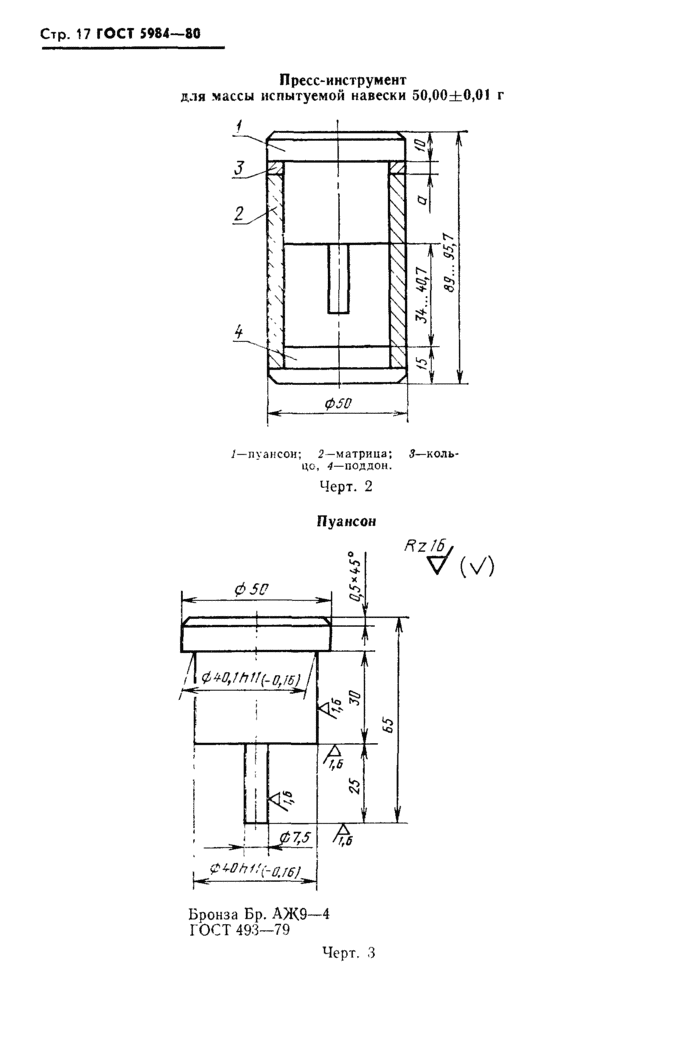
1.1.3а. ВВ в прессованном виде испытывают в форме цилиндрического заряда массой (50,0±0,01) г, диаметром (40,0+0,2) мм и плотностью, указанной в стандартах или технических условиях на конкретное ВВ. Заряд должен иметь углубление для электродетонатора или капсюля-детонатора диаметром (7,5+0,1) мм и глубиной (15± 1) мм.
(Введен дополнительно, Изм. № 1).
1.1.4. Отобранные пробы ВВ упаковывают в соответствии с требованиями стандартов и технических условий на конкретное ВВ. Каждая проба должна иметь этикетку с указанием:
марки ВВ или его шифра;
массы навески;
химической стойкости (для вновь разрабатываемых ВВ);
плотности;
даты изготовления ВВ;
даты отбора пробы;
фамилии лица, отбиравшего пробу.
1.2. Аппаратура, материалы и реактивы
Весы лабораторные с погрешностью не более 0,01 г.
Штангенциркуль по ГОСТ 166-80 с ценой деления по нониусу 0,1 мм.
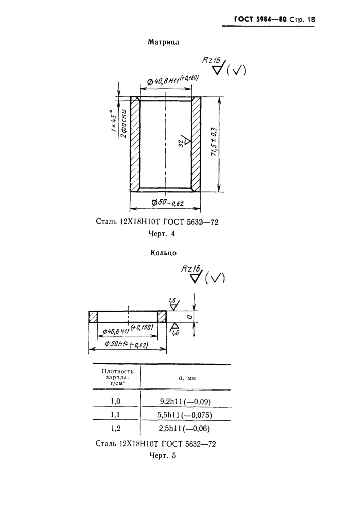
Стальные диски, стальные кольца, свинцовые цилиндры (обязательное приложение 2 черт. 1—3) шаблоны (рекомендуемое приложение 2а черт. 1) для изготовления бумажных гильз, пресс-инструмент для ручной подпрессовки порошкообразных ВВ (рекомендуемое приложение 2а).
Допускается применять пресс-инструмент другой конструкции, обеспечивающей соблюдение требований по размерам и плотностям согласно п. 1.3.
Плита стальная квадратная размером не менее 200X200X20 мм или круглая диаметром не менее 200 мм и высотой не менее 20 мм с шероховатостью Rz=’S‘2 мкм по ГОСТ 2789-73.
Деревянная или агатовая ступка с пестиком.
Кружки из картона по ГОСТ 2824-75, наружным диаметром (39,8±0,25) мм, диаметром отверстия (7,5±0,1) мм, толщиной 1,3—2,0 мм.
Гильзы с толщиной стенок 0,15—0,20 мм из бумаги по ГОСТ 6662-73, или ГОСТ 2228-81, или ГОСТ 8273-75 размером 65X150 мм, склеенные при помощи шаблона (черт. 1, приложение 2а, рекомендуемое). К гильзе приклеивают дно из той же бумаги, вырезая круг диаметром 60 мм, надрезают его до диаметра 40 мм, загибают надрезанные края на наружную часть гильзы и приклеивают их. При испытании жидких и вязкотекучих ВВ гильзы покрывают парафином по ГОСТ 23683-79.
Электродетонаторы мгновенного действия по ГОСТ 9089-75 или капсюли-детонаторы по ГОСТ 6254-74.
Деревянные цилиндры диаметром 7,5±0,1 мм и длиной 50 мм.
Шнур огнепроводный по ГОСТ 3470-80 длиной не менее I м.
Образцовый тротил-тротил представляет собой кристаллы светло-желтого цвета размером 310—930 мкм без посторонних включений, с температурой затвердевания не менее 80,2°С, определяемой по ГОСТ 4117-78.
Промежуточный детонатор из тротила, с температурой затвердевания не менее 80,2°С, измельченного и просеянного через сито № 15 по ГОСТ 4403-77, диаметром 20±0,1 мм, высотой 20±0,5 мм при плотности (1,59±0,01) г/см3, массой не более 10 г, имеющей отверстие под электуродетонатор или капсюль-детонатор диаметром 7,5 мм и глубиной (10+0,5) мм.
Подрывная машинка ПИВ-100 или подрывное устройство другого типа.
Клей из поливинил ацетатной дисперсии по ГОСТ 18992-80.
Допускается применять другой клей, обеспечивающий прочность склеенного шва гильз.
Ацетон по ГОСТ 2768-79 или ГОСТ 2603-79.
Бензин по ГОСТ 1012-72 или ГОСТ 8505-80.
(Измененная редакция, Изм. № 1).
1.3. Подготовка к испытаниям
1.3.1. Навески ВВ, взятые в соответствии с п. 1.1, помещают в бумажные гильзы, изготовленные по шаблону, которые помещают в матрицу пресс-инструмента и подпрессовывают вручную или на ручном прессе до плотности в соответствии с п. 1.1.2.
Жидкие и вязкотекучие ВВ помещают во влагоизолированные бумажные гильзы.
Устанавливают в углубление сформованного заряда ВВ деревянный цилиндр.
ГОСТ 5984—8Q Стр. 4
1.3.2. Для проведения испытаний отбирается 2%, но не менее четырех цилиндров от партии, обеспечивающих при испытании на образцовом тротиле массой заряда (50±0,01) г при плотности 1,0 г/см3 от электродетонатора мгновенного действия или капсюля-детонатора размер обжатия свинцового цилиндра (16,5zhl,0) мм (среднее арифметическое серии контрольных испытаний).
Измеряют высоту каждого цилиндра штангенциркулем в четырех диаметрально противоположных точках с погрешностью до 0,1 мм и определяют среднее арифметическое значение, которое принимают за первоначальную высоту свинцового цилиндра (/г0 мм).
1.3.1. 1.3.2. (Измененная редакция, Изм. № 1).
1.3.3. На каждую партию свинцовых цилиндров составляют паспорт по форме, указанной в рекомендуемом приложении 4.
1.4. П р о в е д е н и е испытании
1.4Л. В гнездо заряда ВВ устанавливают электродетонатор или капсюль-детонатор (предварительно вынув из гнезда деревянный цилиндр), осуществляют монтаж испытательной сборки в соответствии с черт. 4 (исполнение I) обязательного приложения 2. Установленную систему центрируют (центрование проверяется визуально) и проводят подрыв заряда ВВ.
Допускается испытательную сборку закреплять на плите с помощью шпагата. В этом случае плита должна иметь крючки для крепления заряда.
(Измененная редакция, Изм. № 1).
1.4.2. После проведения испытаний свинцовые цилиндры тщательно очищают от загрязнений и измеряют штангенциркулем их высоту в соответствии с ч. 1.3.2.
1.4.3. В случае отсутствия детонации в условиях п. 1.4.1 ВВ испытывают по схеме, приведенной на черт. 4 (исполнение //) обязательного приложения 2, в стальных оболочках-кольцах.
1.4.4. В случае отсутствия детонации ВВ при испытании в условиях п. 1.4.3 допускается испытывать ВВ при инициировании от промежуточного детонатора черт. 4 (исполнение ///) обязательного приложения 2.
1.4.5. В случае, если размер обжатия свинцового цилиндра будет больше или равен 25 мм, то последующие испытания проводят с уменьшенными вдвое навесками ВВ (для порошкообразных и гранулированных — массой (25±0,01) г, а для остальных — при навесках, обеспечивающих получение заряда высотой (20±0,5) мм).
1.4.3.—1.4.5. (Измененная редакция, Изм. № 1).
1.5. Обработка результатов испытаний
1.5.1. Бризаитность Дhc (размер обжатия цилиндра), мм, определяют по формуле
Д/tcts= /ift,
где h0 — средняя высота цилиндра до обжатия, мм; йк — средняя высота цилиндра после обжатия, мм.
Стр. 5 ГОСТ 5984-80
1.5.2. Для каждого ВВ проводят не менее двух параллельных определений и вычисляют среднее арифметическое, округляемое де целого числа. Расхождение между значениями допускается не более 1,0 мм.
1.5.3. Результаты испытаний записывают в протокол согласно рекомендуемому приложению 5.
1.6. Допускается определять бризантность промышленных ВВ по импульсу взрыва (на баллистическом маятнике) по технической документации, утвержденной в установленном порядке.
(Введен дополнительно, Изм. № 1).
2. МЕТОД ОПРЕДЕЛЕНИЯ БРИЗАНТНОСТИ ПО ОБЖАТИЮ МЕДНЫХ КРЕШЕРНЫХ ЦИЛИНДРИЧЕСКИХ СТОЛБИКОВ (КРЕШЕРОВ)
2.1. Отбор проб
2.1.1. Масса пробы должна быть достаточной для проведения трех испытаний зарядов ВВ заданных геометрических размеров.
2.1.2. ВВ в прессованном и литом виде испытывают в форме цилиндрического заряда диаметром (20,0±0,1) мм и высотой (Ю0±1) мм, скомплектованного из нескольких прессованных шашек, а жидкие и вязкотекучие — в бумажных гильзах внутренним диаметром (20,0±0,1) мм, высотой (Ю0±1) мм, с толщиной стенок 0,4—0,6 мм, склеенных из нескольких слоев бумаги по ГОСТ 6662-73 или ГОСТ 2228-81, или ГОСТ 8273-75. Нижний торец гильзы заклеивают бумажным дном.
2.2. А пп а р ату р а, материалы и реактивы
Микрометр, обеспечивающий измерение в пределах 0—25 мм
с погрешностью 0,01 мм.
Бризантометр (обязательное приложение 2, черт. 5—12).
Столбики медные крешерные цилиндрические диаметром 8 мм, высотой 13 мм по технической документации, утвержденной в установленном порядке.
Клей БФ-2 по ГОСТ 12172-74. Допускается любой другой клей, обеспечивающий прочность шва.
Бумага для патронирования по ГОСТ 0662-73, ГОСТ 2228-81 или ГОСТ 8273-75.
Плита стальная размерами не менее 200X200X20 мм с шероховатостью поверхности, на которую устанавливается основание бризантометра, Rz = 32 мкм по ГОСТ 2789-73.
Лента электроизоляционная ПХВ по ГОСТ 16214-70.
Образцовый заряд — заряд, скомплектованный из пяти прессованных шашек диаметром (20±0,1) мм, высотой (20±0,2) мм, плотностью (1,65±0,01) г/см3, изготовленных из флегматизиро-ванного гексогена, содержащего 5—6% флегматизатора.
ГОСТ 5984-80 Стр. 6
Мастика канифольно-церезиновая: смесь церезина по ГОСТ 2488-79 и канифоли по ГОСТ 19113-73 в соотношении 1:1.
Ацетон по ГОСТ 2768-79 или ГОСТ 2603-79.
Бензин по ГОСТ 1012-72 или ГОСТ 8505-80.
Электродетонаторы мгновенного действия — по ГОСТ 9089-75.
(Измененная редакция, Изм. № 1).
2.3. П о д гото в к а к испытаниям
2.3.1. Прессованные и литые шашки в местах соединения по образующей скрепляют изоляционной лентой или расплавом ка-нифольно-церезиновой мастики.
Сверху на заряд устанавливают и прикрепляют в соответствии с п. 2.3.1 прессованную цилиндрическую шашку из флегматизиро-ванного гексогена (размером 20X20 мм с гнездом диаметром (7,5±0,1) мм и глубиной 10±0,5 мм), плотность шашки не менее 1,65 г/см3.
Схема сборки заряда показана на черт. 6 (исполнение I) обязательного приложения 2.
2.3.2. В бумажную оболочку, заполненную ВВ (жидким илд вязкотекучим), сверху устанавливают шашку в соответствии с п. 2.3.1 и прикрепляют ее изоляционной лентой (схема сборки по черт. 6 исполнение II обязательного приложения 2). При заполнении бумажной оболочки обеспечивают равномерное распределение ВВ, измеряют высоту наполнения.
2.3.1, 2.3.2. (Измененная редакция, Изм. № 1).
2.3.3. Перед испытанием все детали бризантометра обезжиривают ацетоном или бензином и протирают марлевым тампоном.
2.3.4. Сборка бризантометра производится в следующей последовательности: по черт. 5 обязательного приложения 2 в основание ввертывают наковальню, на наковальню устанавливают крешер, цилиндр, в цилиндр помещают поршень, склеивают накладку и пластинку, смазывают поверхности А тонким слоем клея.
Работу бризантометра проверяют испытанием образцового заряда ВВ.
Сборку заряда производят по черт. 6 (исполнение I) обязательного приложения 2.
Заряд к верхней пластине бризантометра приклеивают клеем БФ или расплавом канифольно-церезиновой мастики.
Бризантометр считают годным к применению, если при испытании образцового заряда размер обжатия медного крешерного цилиндрического столбика размером 8X13 мм будет составлять (3,80±0,08) мм (среднее арифметическое трех испытаний).
Проверку бризантометра производят перед каждой серией испытаний ВВ, но не реже одного раза в день.
(Измененная редакция, Изм. № 1),
2.4. Проведение испытаний
2.4Л. Подготовленный бризантометр устанавливают на стальной плите в соответствии с черт. 6 обязательного приложения 2, которую располагают на ровной поверхности грунта или на бетонированном основании. Заряд устанавливают на верхнюю пластину бризантометра в соответствии с п. 2.3.4.
Испытания проводят при обеспечении соосного расположения всех элементов бризантометра и заряда ВВ. Соосность определяется визуально. В гнездо промежуточного детонатора устанавливают электродетонатор и производят подрыв заряда.
(Измененная редакция, Изм. № 1).
2.4.2. Перед каждым испытанием заменяют медный крешер, а при необходимости и накладки.
2.5. Обработка результатов
2.5.1. Размер обжатия определяют как среднее арифметическое трех параллельных испытаний для каждого испытуемого ВВ.
2.5.2. Результат испытаний в процентах вычисляют по формуле
Ом —
мж
•100;
где ДАМ — среднее арифметическое значение размера обжатия крешера испытуемым ВВ, мм;
ДА „о(3— среднее арифметическое значение размера обжатия крешера образцовым ВВ, мм.
(Измененная редакция, Изм. № 1).
2.5.3. Измерения величины обжатия считают действительными, если относительная погрешность измерений, определенная по формуле, не превышает ±2%
ДАмотн
ААМ—А/tм* ^ 1QQ
ДЛ„
2 Ahmi
t=i
где ДАМ1 — единичное значение размера обжатия крешера.
2.5.4. Результаты испытаний записывают в протокол согласно рекомендуемому приложению 5.
3. ТРЕБОВАНИЯ БЕЗОПАСНОСТИ
3.1. Все работы, связанные с подготовкой и испытанием взрывчатых веществ на предприятиях-изготовителях, необходимо проводить в соответствии с требованиями правил эксплуатации производств, утвержденных в установленном порядке и согласованных
ГОСТ 5984-80 Стр. 8
с ЦК профсоюза и с Главным санитарным врачом СССР, а на предприятиях—потребителях ВВ в соответствии с «Едиными правилами безопасности при взрывных работах», утвержденных 28 марта 1967 г. Госгортехнадзором СССР.
(Измененная редакция, Изм. № 1).
ПРИЛОЖЕНИЕ 1 Справочное
ТЕРМИНЫ, ПРИМЕНЯЕМЫЕ В СТАНДАРТЕ, И ИХ ПОЯСНЕНИЯ
Термин
Пояснение
Критический диаметр
Диаметр, меньше которого распространение детонации по заряду становится невозможным
Предельный диаметр
Диаметр, больше которого детонация остается постоянной
ПРИЛОЖЕНИЕ 2 Обязательное
Диск
Кольцо
НВ 150 … 200. Сталь У8А ГОСТ 1435—74. Допускается любая сталь с НВ *50 … 200.
Черт. 1
v’M
* Размеры для справок.
48X3,5 ГОСТ 8734-75 Труба 20 гост $733—74
Черт. 2
Цилиндр
V Ы)
Примечания:
1. Цилиндры отливают из свинца по ГОСТ 3778-77 в металлически* формах со шлифованной внутренней поверхностью.
Допускается отливать цилиндры из 50% свинца по ГОСТ 3778-77 и 50% свинцовых цилиндров, бывших в употреблении, или только из свинца, полученного
