Текстолит и асботекстолит конструкционные. Технические условия
Заменяет

Страница 1

Страница 2

Страница 3

Страница 4

Страница 5

Страница 6

Страница 7

Страница 8

Страница 9

Страница 10

Страница 11

Страница 12

Страница 13

Страница 14

Страница 15

Страница 16

Страница 17

Страница 18

Страница 19

Страница 20

Страница 21

Страница 22

Страница 23

Страница 24

Страница 25

Страница 26

Страница 27

Страница 28
ГОСТ 5-78* Текстолит и асботекстолит конструкционные. Технические условия Стр. 1 кз 28.
ГОСУДАРСТВЕННЫЙ СТАНДАРТ
СОЮЗА ССР
ТЕКСТОЛИТ И АСБОТЕКСТОЛИТ КОНСТРУКЦИОННЫЕ
ТЕХНИЧЕСКИЕ УСЛОВИЯ
ГОСТ 5-78
Издание официальное Е
БЗ 1—92
ГОССТАНДАРТ РОССИИ Москва
I
УДК 678.067.2:006.354 Группа Л27
ГОСУДАРСТВЕННЫЙ СТАНДАРТ СОЮЗА ССР
ТЕКСТОЛИТ И АСБОТЕКСТОЛИТ КОНСТРУКЦИОННЫЕ
ГОСТ
5—78
Технические условия
Constructive textile and asbestos laminates.
4. Specifications
*
ОКП 22 5612, ОКП 22 5613
Срок действия с 01.01.79
до 01.01.94
Настоящий стандарт распространяется на конструкционные текстолит и асботекстолит, представляющие собой слоистые листовые прессованные материалы, состоящие из нескольких слоев хлопчатобумажной или асбестовой ткани, пропитанной термореактивной фенолоальдегидной, крезолоальдегидной, ксиленолоаль-дегидной смолой или смолой из смеси фенольного сырья и устанавливает требования к текстолиту, изготовляемому дляк нужд народного хозяйства и для поставки на экспорт.
(Измененная редакция, Изм. № 1, 2).
1. ОСНОВНЫЕ ПАРАМЕТРЫ И РАЗМЕРЫ
1.1: В зависимости от свойств применяемой ткани и назначения устанавливаются следующие марки текстолита и асботекстолита, указанные в табл. 1.
Коды ОКП для каждой марки текстолита и асботекстолита в зависимости от толщины и применяемой ткани приведены в приложении 1.
Издание официальное ‘ Jf’W J *
★ О
Е
© Издательство стандартов, 1978 © Издательство стандартов, 1992
Переиздание с Изменениями
Настоящий стандарт не может быть полностью или частично воспроизведен, тиражирован и распространен без разрешения Госстандарта России.
«
ГОСТ 5-78 С. 2
|
Таблица 1 |
||||||||||||||||||||||||||||||
|
С. 3 ГОСТ 5-78
Продолжение табл. t
Масса I м* ткани, г, не более
Марка
СМОЛЫ ИЛИ
лака
Артикул
ткани
Примени ем ость
Наимеиоваяие, марка в сорт
|
Поделочный металлургический текстолит ПТМ-1 ПТМ-2 Асботекстолит А, Г |
2008—2021, 2023, 2026 и другие артикулы хлопчатобумажных тканей технического назначения 6995, 4720 и другие артикулы хлопчатобумажных тканей технического назначения 820 200 900— 1100 АТ-1 сухого ткачества |
СФЖ-304, СФЖ-391, СФЖ-3311 другие и СФЖ-304 ЛБС-2, СФЖ-335 и Другие |
Для изготовления вкладышей подшипников прокатных станов и других изделий технического назначения То же Для изготовления тормозных и иных фрикционных устройств, прокладок, деталей механического сцепления и других технических деталей, а также теплоизоляционный материал |
900— ЛБС-2, Для изготовления тор-1100 СФЖ-335 и мозных и иных фрик-
АТ-1 и АТ-7 сухого ткачества
1450— другие ционных устройств, про-1600 кладок, деталей механи
ческого сцепления и других технических деталей, а также теплоизоляционный материал
— —v
Примечание. Для изготовления текстолита марки ПТ первого сорта допускается применять нетканое полотно (для марки ПТ высшего сорта по соглашению с потребителем).
(Измененная редакция, Изм. № 1, 2).
ГОСТ 5-78 С. 4
1.2. Условное обозначение состоит из наименования материала, его марки, толщины, сорта и обозначения настоящего стандарта.
Пример условного обозначения текстолита марки ПТК высшего сорта, толщиной 20,0 мм:
Текстолит ПТК-20, сорт высший ГОСТ 5-78
То же, асботекстолита марки Б, толщиной 30,0 мм:
Асботекстолит Б—30 ГОСТ 5-78
(Измененная редакция, Изм. № 2).
1.3. Номинальная толщина листов текстолита и асботекстолита и предельные отклонения должны соответствовать табл. 2.
. Таблица 2
|
мм |
||||||||||||||||||||||||||||||||||||||||||||||||||||||||||||||||||||||||||||||||||||||||||||||||||||||||||||||||||||||||||||||||||||||||||||||||||||||||||||||||||||||||||||||||||||||||||||||||||||||||||||||||||||||||||||||||||||||||||||||||||||||||||||||||||||||||||||
|
||||||||||||||||||||||||||||||||||||||||||||||||||||||||||||||||||||||||||||||||||||||||||||||||||||||||||||||||||||||||||||||||||||||||||||||||||||||||||||||||||||||||||||||||||||||||||||||||||||||||||||||||||||||||||||||||||||||||||||||||||||||||||||||||||||||||||||
С. 5 ГОСТ 5-78
Продолжение табл. 2
|
мм „ . _ > _ _ |
||||||||||||||||||||||||||||||||||||||||||||||||||||||||||||||||||||||||||||||||||||||||||||||||||||||||||||||||||||||||||||||||||||||||||||||||||||||||||||||||||||||||||||||||||||||||||||||||||||||||||||||||||||||||||||||||||||||||
|
||||||||||||||||||||||||||||||||||||||||||||||||||||||||||||||||||||||||||||||||||||||||||||||||||||||||||||||||||||||||||||||||||||||||||||||||||||||||||||||||||||||||||||||||||||||||||||||||||||||||||||||||||||||||||||||||||||||||
(Измененная редакция, Изм. № 1, 2).
1.4. Текстолит изготовляют листами шириной от 450 до 950 мм и длиной от 600 до 1950 мм, асботекстолит марок А и Б — шириной от 400 до 800 мм и длиной от 600 до 1400 мм, марки Г — шириной от 1350 до 1450 мм и длиной от 2350 до 2450 мм.
1.5. По соглашению с потребителем допускается изготовлять слоистый материал меньших размеров.
2. ТЕХНИЧЕСКИЕ ТРЕБОВАНИЯ
2.1. Текстолит и асботекстолит должны изготовляться в соответствии с требованиями настоящего стандарта по технологическому регламенту, утвержденному в установленном порядке.
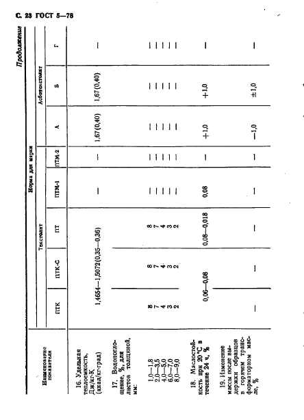
2.2. По физико-механическим показателям текстолит и асботекстолит должны соответствовать нормам, указанным в табл. 3.
|
Таблица 3 |
|||||||||||||||||||||||||||||||||||||||||||||||||||||||||||||||||||||||||||||||||||
|
л £ |
|
||||||||||||||||||||||||||||||||||||||||||||||||||||||||||||||||||||||||||||||||||
*1
0
Г)
н
01
I
-J
00
rs
Продолжение
о
s
о
CD g 12J О И 3 ^ . о со ®
Норма для иаркн
0
Г»
н
Сл
1
оо
Т екстолит
Асботекстолит
Наименование
показателя
ПТК
ПТ
Метод
испытания
0
1
н
С
Первый
сорт
Высший сорт
Первый
сорт
Высший
сорт
%
ь
с
£
н
с
4. Водопоглоще-ние, %, не более
По ГОСТ 4650-80 и п. 4.12 настоящего стандарта
По п. 4.14
0,75
0,70
0,90
1,00
1,00
0,70
1,00
2,00
2,00
2,00
s:
s:
з
н 5. Термостой-g кость
СП
Образцы при нагревании не должны давать трещин и вздутий
Примечания:
1. Допускаются неровности, раковины и царапины от прокладок: для текстолита марок ПТК высшего сорта, ПТК-С, ПТ высшего сорта, ПТГ-1, не превышающие половины допуска по толщине; для текстолита марок ПТК первого сорта, ПТ первого сорта, ПТМ-1, ПТМ-2 и асботекстолита марок А, Б, Г, не превышающие допуска по толщине. Для всех марок допускается на поверхности листа неравномерность глянца, а для текстолита марки ПТМ-1 и асбо-
текстолита марки Г — не более двух разрывов верхнего слоя ткани. Асботекстолит марок А и Б должен соответствовать образцам, согласованным между изготовителем и потребителем и утвержденным в установленном порядке.
2. На поверхности листов допускаются дефекты, предусмотренные нормативно-технической документацией на тка-мни, а также засоренность частицами коробочек хлопка.
f 3. Для текстолита толщиной менее 8 мм прогиб листа не нормируют. Для асботекстолита толщиной более 10 мм g прогиб листа должен быть не более 10 мм на каждый 1 м измеряемой длины.
м 4. Для асботекстолита марки А, предназначенного для авиационной промышленности, норма по ударной вязко* §:ти должна быть не менее 34 кДж/м2 (35 кгс-см/м2).
( Измененная редакция, Изм. № 3).
И
С
U1
<1
ГОСТ 5-78 С. 8
2.3. Торцовые и боковые плоскости листов должны быть обрезаны. Не допускаются на обрезанных торцах расслоения, трещины, осмоления, темные полосы по всей длине и посторонние включения. Асботекстолит марки Г поставляется без обрезки.
(Измененная редакция, Изм. № 2). \
2.-4. Слоистый материал механически обрабатывают обтачива^ нием, фрезерованием (распиливанием) и сверлением без образования трещин, сколов и расслоений.
2.5. Дополнительные показатели качества текстолита и асбо текстолита указаны в приложении 2.
(Измененная редакция, Изм. № 1). ,
3. ПРАВИЛА ПРИЕМКИ
3.1. Текстолит и асботекстолит принимают партиями. Партией считают количество листов материала одной марки, изготовленного из ткани или нетканого полотна, пропитанного смолой одной марки, отпрессованного по одному технологическому режиму и сопровождаемого одним документом о качестве, содержащим:
а) наименование предприятия-изготовителя и его товарный знак;
б) наименование материала, марку, сорт;
в) артикул применяемой ткани для марки ПТК; *
г) номер партии;
д) дату изготовления;
е) результаты проведенных испытаний или подтверждение а соответствии партии требованиям настоящего стандарта;
ж) обозначение,настоящего стандарта.
Документ о качестве текстолита, поставляемого на экспорт, должен соответствовать требованиям внешнеэкономических организаций.
Масса партии текстолита не должна, превышать суточной, выработки, а асботекстолита должна быть не более 3 т.
(Измененная редакция, Изм. № 1,3).
3.2. Для проверки соответствия текстолита и асботекстолита требованиям настоящего стандарта проводят приемосдаточные,, периодические и типовые испытания.
3.3. Приемосдаточные испытания должны проводиться на соответствие требованиям, указанным в пп. 1.3 и 2.3 на каждом листе партии материала. Листы, не выдержавшие испытаний, бракуют.
(Измененная редакция, Изм. № 3).
3.4. Периодические испытания должны проводиться не реже одного раза в месяц на соответствие требованиям, указанным в. пп. 1.4, 2.2 (табл. 3).
С. 9 ГОСТ 5-78
Для периодических испытаний отбирают 1% листов от партии, прошедшей приемосдаточные испытания, но не менее двух листов.
(Измененная редакция, Изм. №1,3).
3.5. Типовые испытания должны проводиться на соответствие требованиям пп. 1.3, 2.2 при изменении технологического режима, а также при замене исходных материалов. Объем выборки — 3 % листов от партии, но не менее двух листов.
3.6. При получении неудовлетворительных результатов периодических испытаний по любому показателю хотя бы на одном листе проводят проверку этого же листа на удвоенном количестве образцов. При подтверждении неудовлетворительных результатов проводят повторные испытания на удвоенной выборке листов от той же партии. Результаты повторных испытаний распространяются на всю партию.
4. МЕТОДЫ ИСПЫТАНИЙ
4.1. Образцы для испытания вырезают из листов толщиной 10 мм и более и обрабатывают любым способом, предусмотренным в п. 2.4.
Для испытания листов толщиной до 10 мм образцы изготовляют из листов толщиной не менее 10 мм, отпрессованных одновременно с тонким текстолитом на производственных прессах.
Образцы для испытаний текстолита марки ПТГ-1 изготовляют из листов толщиной (4±0,8) мм.
Для определения разрушающего напряжения при сжатии образцы изготовляют размерной механической обработкой с двух сторон из листов толщиной более 30 мм.
Образцы для физико-механических испытаний вырезают вдоль основы ткани. Листы после изготовления из них образцов присоединяют к партии.
(Измененная редакция, Изм. № 2).
4.2. Перед физико-механическими испытаниями образцы кондиционируют по ГОСТ 12423-66 не менее 3 ч при стандартной атмосфере 23, при этом относительная влажность не нормируется. Образцы испытывают сразу после извлечения их из камеры кондиционирования.
(Измененная редакция, Изм. № 1).
4.3. Толщину листов до 20 мм включительно измеряют МК 25—1 или МЛ 25—1 по ГОСТ 6507-90 или микрометром другого типа с ценой деления 0,01 мм, а более 20 мм — штангенциркулем по ГОСТ 166-89, с ценой деления 0,1 мм.
Толщину листов замеряют в 10 точках, расположенных по периметру листа на расстоянии от края 15—20 мм для текстолита марок ПТК высшего и первого сорта, ПТК-С, ПТ высшего и пер-
ГОСТ 5—78 С. 10
вого сорта, ПТГ-1, и 40—45 мм для текстолита марок ПТМ-1, ПТМ-2 и асботекстолита марок А, Б, Г. Все значения измеряемой толщины должны быть в пределах допусков, указанных в табл. 2. Длину и ширину листов измеряют мерительным инструментом с погрешностью измерения до 1 мм.
( Измененная редакция, Изм. № 2). !
4.4—4.6. (Исключены, Изм. № 3).
4.7. Изгибающее напряжение при разрушении определяют по ГОСТ 4648-71.
(Измененная редакция, Изм. № 1).
4.8. (Исключен, Изм. № 3).
4.9. Разрушающее напряжение при сжатии определяют по ГОСТ 4651-82 на образцах в виде прямоугольной призмы с квадратным основанием, сторона которой равна 10 мм, высота 15 мм при скорости испытания (1,35гЬ50%) мм/мин.
Испытательная машина должна быть оснащена специальным реверсирующим устройством, обеспечивающим совпадение про* дольной оси образца с направлением действия силы при испытании.
(Измененная редакция, Изм. ЛЬ 1).
4.10. Ударную вязкость! по Шарпи определяют по ГОСТ 4647-80 на пяти образцах типа 1 без надреза при скорости удара маятника (3,8±Ю%) м/с.
(Измененная редакция, Изм. № 1, 2.)
4.11. (Исключен, Изм. № 3). •
4.12. Водопоглощение определяют по ГОСТ 4650-80 в холодной воде на образцах без защитного покрытия торцовых частей. Водопоглощение асботекстолита марки Г определяют на образцах в форме квадрата со стороной, равной (50± 1) мм, толщиной, равной (40±1)мм.
Перед испытанием допускается образцы подсушивать в термостате при (105±3) ° С в течение 1 ч.
(Измененная редакция, Изм. № 2).
4.13. Усилие при испытании по пп. 4.7 и 4.10 прилагают перпендикулярно слоям материала.
(Измененная редакция, Изм. № 3).
4.14. О п р е д е л е н и е термостойкости
Для определения термостойкости в баню с трансформаторным маслом (ГОСТ 982-80), предварительно нагретую до 120° С, помещают три образца размером (10±0,2Х 15±0,2х 120±2) мм так, чтобы они полностью были погружены в масло и не соприкасались друг с другом. После выдержки в течение 2 ч при 120° С образцы вынимают и осматривают их внешний вид. При этом образцы не должны обугливаться и давать трещин и вздутий.
€. 11 ГОСТ S—78 ’
5. МАРКИРОВКА, УПАКОВКА, ТРАНСПОРТИРОВАНИЕ И ХРАНЕНИЕ
5.1. На каждый лист текстолита и асботекстолита ставят штамп несмывающейся краской или запрессовывают ярлык, на котором указывают:
а) наименование предприятия-изготовителя и его товарный знак;
б) наименование материала, марки, сорта и толщины;
в) номер партии;
г) дату изготовления;
д) обозначение настоящего стандарта.
’5.2. Листы слоистого материала толщиной не более 10 мм упаковывают в деревянные ящики или ящики-обрешетки из сухого дерева, выложенные внутри упаковочной бумагой по ГОСТ 8273-75.
Масса нетто одного ящика или обрешетки не должна превышать 100 кг. Листы толщиной более 10 мм не упаковывают. Допускается листы толщиной не более 10 мм не упаковывать в ящики при условии обеспечения сохранности внешнего вида.
(Измененная редакция, Изм. № 1).
5.3. Транспортная маркировка — по ГОСТ 14192-77 с нанесением знака опасности по ГОСТ 19433-88 (классификационный шифр 9133) и следующих дополнительных данных:
а) наименование предприятия-изготовителя или его товарный знак;
б) наименование материала, марки, сорт;
в) номер партии;
г) (Исключен, Изм. № 1);
д) массу нетто;
е) дату изготовления;
ж) обозначение настоящего стандарта.
(Измененная редакция, Изм. № if 2, 3).
5.4. Текстолит, поставляемый на экспорт, маркируют и упаковы
вают в соответствии с требованиями внешнеэкономических организаций. |
(Измененная редакция, Изм. № 1, 3).
5.5. Текстолит и асботекстолит перевозят в крытых транспортных, средствах (железнодорожных вагонах, контейнерах, автомашинах и др.) с обязательным предохранением от увлажнений и механических повреждений.
5.6. Слоистый материал должен храниться в закрытом сухом и чистом помещении в горизонтальном положении на полках или подкладках на расстоянии от пола не менее 5 см. При длительном хранении температура воздуха в помещении должна быть от ми-
ГОСТ Б—78 С, 12
нус 10 до плюс 35° С, относительная влажность не должна превышать 80%.
(Измененная редакция, Изм. № 2).
6. ГАРАНТИИ ИЗГОТОВИТЕЛЯ
6.1. Изготовитель гарантирует соответствие текстолита и асботекстолита требованиям настоящего стандарта при соблюдении условий транспортирования и хранения.
(Измененная редакция, Изм. № 2).
6.2. Гарантийный срок хранения текстолита марок ПТК, ПТК-С, ПТ, ПТМ-1, ПТМ-2 — три года, асботекстолита — два года со дня изготовления.
(Измененная редакция, Изм, № 1).
7. ТРЕБОВАНИЯ БЕЗОПАСНОСТИ
7.1. Текстолит и асботекстолит нетоксичны. При механической обработке может выделяться пыль фенопласта, которая действует раздражающе на открытые участки тела и дыхательные пути. Предельно допустимая концентрация пыли в воздухе производственного помещения 6 мг/м3.
7.2. Механическая обработка слоистого материала должна проводится в помещениях, оборудованных приточно-вытяжной вентиляцией. Рабочие места должны быть оснащены местными отсасывающими устройствами, обеспечивающими минимальное содержание пыли в воздухе.
7.3. Текстолит — горючий материал, не склонный к тепловому самовозгоранию. Аэровзвесь пыли текстолита взрывоопасна. Нижний концентрационный предел распространения пламени (воспламенения) НКПР — не менее 52,5 г/м3. Температура самовоспламенения — не менее 464 ° С.
Асботекстолит — трудногорючий материал. Температура самовоспламенения — более 500 ° С.
Показатели пожароопасности определены по ГОСТ 12.1.044-89.
При загорании применять огнетушащие средства: распыленную воду, пену.
При воздействии высоких температур из текстолита и асботекстолита могут выделяться фенол, его гомологи, углекислый газ и углеводороды метанового ряда, при этом следует пользоваться противогазом марки А.
(Измененная редакция, Изм. №2).
Система NormaCS® www.normacs.ru 24.02.2007 08:57:46
ГОСТ 5-78* Текстолит и асботекстолит конструкционные. Технические условия
со
■J
0
Г>
н
СП
1
оо
Номинальная толщина, мм
ПТК на шифоне
Высший
Первый
Высший
Первый
Высший
Первый
Высший
Первый
Высший
Первый
Высший
Первый
Высший
Первый
Высший
Первый
Высший
Первый
Высший
Первый
Высший
Первый
Вьисший
Первый
0,5
0,5
0,7
0,7
0,8
0,8
1,0
1,0
1,2
1,2
1.5
1.5 1,8 1,8 2,0 2,0 2,2 2,2
2.5
2.5 ‘3,0 ‘3,0
3.5
3.5
22 5612 0701 22 5612 0801 22 5612 0702 22 5612 0802 22 5612 0703 22 5612 0803 22 5612 0704 22 5612 0804 22 5612 0705 22 5612 0805 22 5612 0706 22 5612 0806 22 5612 0707 22 5612 0807 22 5612 0708 22 5612 0808 22 5612 0709 22 5612 0809 22 5612 0710 22 5612 0810 22 5612 0711 22 5612 0811 22 5612 0712 22 5612 0812
О
S
U
to
со
|
ПТК на сарже ПТК на миткале ПТ |
||||||||||||||||||||||||||||||||||||||||||||||||||||||||||||||||||||||||||||||||||||||||||||||||||||||||||||||||||||||||||||||||||||||||||||||||||||||||||||||||||||||||||||||||||||||||||||||||||||||||||||||||||||||||
|
Код ОКП для текстолита марок
Таблица 1
КОДЫ ОКП ДЛЯ МАРОК ТЕКСТОЛИТА И АСБОТЕКСТОЛИТА
ПРИЛОЖЕНИЕ I Обязательное
Сорт
Система NormaCS® www.normacs.ru 24.02.2007 08:57:47
ГОСТ 5-78* Текстолит и асботекстолит конструкционные. Технические условия
|
Продолжение табл. 1 |
|||||||||||
|
|||||||||||
22 5612 0113 22 5612 0213 22 5612 0114 22 5612 0214 22 5612 0115 22 5612 0215 22 5612 0116 22 5612 0216 22 5612 0117 22 5612 0217 22 5612 0118 22 5612 0218 22 5612 0119 22 5612 0219 22 5612 0120 22 5612 0220 22 5612 0121 22 5612 0221 22 5612 0122 22 5612 0222 22 5612 0123 22 5612 0223 22 5612 0124 22 5612 0224 22 5612 0125 22 5612 0225 22 5612 0126 22 5612 0226 22 5612 0127 22 5612 0227 22 5612 0128 22 5612 0228
-1
О
0 н
СП
1
|
4,0 |
Высший |
22 5612 0713 |
22 5612 0513 |
|
4,0 |
Первый |
22 5612 0813 |
22 5612 0613 |
|
4,5 |
Высший |
22 5612 0714 |
22 5612 0514 |
|
4,5 |
Первый |
22 5612 0814 |
22 5612 0614 |
|
5,0 |
Высший |
22 5612 0715 |
22 5612 0515 |
|
5,0 |
Первый |
22 5612 0815 |
22 5612 0615 |
|
6,0 |
Высший |
22 5612 0716 |
22 5612 0516 |
|
6,0 |
Первый |
22 5612 0816 |
22 5612 0616 |
|
7,0 |
Высший |
22 5612 0717 |
22 5612 0517 |
|
7,0 |
Первый |
22 5612 0817 |
22 5612 0617 |
|
8,0 |
Высший |
22 5612 0718 |
22 5612 0518 |
|
8,0 |
Первый |
22 5612 0818 |
22 5612 0618 |
|
9,0 |
Высший |
22 5612 0719 |
22 5612 0519 |
|
9,0 |
Первый |
22 5612 0819 |
22 5612 0619 |
|
10,0 |
Высший |
22 5612 0720 |
22 5612 0520 |
|
10,0 |
Первый |
22 5612 0820 |
22 5612 0620 |
|
11,0 |
Высший |
22 5612 0721 |
22 5612 0521 |
|
11,0 |
Первый |
22 5612 0821 |
22 5612 0621 |
|
12,0 |
Высший |
22 5612 0722 |
22 5612 0522 |
|
12,0 |
