Здания и сооружения. Методы определения воздухопроницаемости ограждающих конструкций в натурных условиях
Заменяет

Страница 1

Страница 2

Страница 3

Страница 4

Страница 5

Страница 6

Страница 7

Страница 8

Страница 9

Страница 10

Страница 11

Страница 12

Страница 13

Страница 14

Страница 15

Страница 16

Страница 17

Страница 18

Страница 19

Страница 20
межгосударственный совет по стандартизации, метрологии и сертификации
(мгс)
INTERSTATE COUNCIL FOR STANDARDIZATION, METROLOGY AND CERTIFICATION
(ISC)
|
МЕЖГОСУДАРСТВЕННЫЙ |
ГОСТ |
ЗДАНИЯ И СООРУЖЕНИЯ
Методы определения воздухопроницаемости
ограждающих конструкций в натурных условиях
|
|
Москва Стандартинформ 2011 |
Предисловие
Цели, основные принципы и основной порядок проведения работ по межгосударственной стандартизации установлены ГОСТ 1.0-92 «Межгосударственная система стандартизации. Основные положения» и ГОСТ 1.2-2009 «Межгосударственная система стандартизации. Стандарты межгосударственные, правила и рекомендации по межгосударственной стандартизации. Правила разработки, принятия, применения, обновления и отмены» и межгосударственными строительными нормами МСН 1.01-01-96 «Система межгосударственных нормативных документов в строительстве. Основные положения»
Сведения о стандарте
1 РАЗРАБОТАН Учреждением Научно-исследовательский институт строительной физики Российской Академии архитектуры и строительных наук (НИИСФ РААСН)
2 ВНЕСЕН Техническим комитетом по стандартизации ТК 465 «Строительство»
3 ПРИНЯТ Межгосударственной научно-технической комиссией по стандартизации, техническому нормированию и сертификации в строительстве (дополнение к приложению Е протокола № 36 от 21 октября 2009 г.)
За принятие проголосовали:
|
Краткое наименование страны по MK (ИСО 3166) 004-97 |
Код страны по MK (ИСО 3166) 004-97 |
Сокращенное наименование органа государственного управления строительством |
|
Азербайджан |
AZ |
Госстрой |
|
Армения |
AM |
Министерство градостроительства |
|
Казахстан |
KZ |
Агентство по делам строительства и жилищно-коммунального строительства |
|
Киргизия |
KG |
Госстрой |
|
Молдова |
MD |
Министерство строительства и регионального развития |
|
Российская Федерация |
RU |
Министерство регионального развития |
|
Таджикистан |
TJ |
Агентство по строительству и архитектуре при Правительстве |
|
Узбекистан |
UZ |
Госархитектстрой |
4 В настоящем стандарте учтены основные нормативные положения международного стандарта ИСО 9972:2006 «Тепловые характеристики зданий. Определение воздухопроницаемости зданий. Метод создания давления с помощью вентилятора» (ISO 9972:2006 «Thermal performance of buildings — Determination of air permeability of buildings. Fan pressurization method»)
5 ВВЕДЕН В ДЕЙСТВИЕ Приказом Федерального агентства по техническому регулированию и метрологии от 10 ноября 2010 г. № 361-ст в качестве национального стандарта Российской Федерации
6 ВЗАМЕН ГОСТ 31167-2003
Информация о введении в действие (прекращении действия) настоящего стандарта и изменений к нему на территории указанных выше государств публикуется в указателях национальных (государственных) стандартов, издаваемых в этих государствах, а также в сети Интернет на сайтах соответствующих национальных органов по стандартизации. В случае пересмотра, изменения или отмены настоящего стандарта соответствующая информация также будет опубликована в сети Интернет на сайте Межгосударственного совета по стандартизации, метрологии и сертификации в каталоге «Межгосударственные стандарты».
СОДЕРЖАНИЕ
|
1 Область применения. 3 2 Нормативные ссылки. 3 3 Термины и определения. 4 4 Сущность метода. 4 5 Выбор помещения для испытания. 4 6 Аппаратура и оборудование. 4 7 Подготовка к испытаниям.. 9 8 Проведение испытаний. 11 9 Обработка результатов. 12 10 Оценка погрешности измерений. 14 11 Требования безопасности. 14 Приложение А. Форма бланка записи результатов испытаний. 14 Приложение Б. Форма графика зависимости объемного расхода воздуха Qenv через ограждающую конструкцию от разности давлений Dрenv между испытуемым объемом и наружной средой. 15 Приложение В. Вычисление доверительных границ погрешности измерений разности давлений воздушного потока на вентиляторе. 16 Приложение Г. Методы расчета для проверки соответствия фактических значений нормируемым.. 16 Приложение Д. Классы воздухопроницаемости ограждающих конструкций. 17 |
ГОСТ 31167-2009
МЕЖГОСУДАРСТВЕННЫЙ СТАНДАРТ
ЗДАНИЯ И СООРУЖЕНИЯ
Методы определения воздухопроницаемости
ограждающих конструкций в натурных условиях
Buildings and structures. Methods for determination of air permeability of building envelopes in field conditions
Дата введения — 2011-03-01
1 Область применения
Настоящий стандарт распространяется на ограждающие конструкции (далее — ограждения) помещений, в том числе квартир, групп помещений жилых, общественных, административных, бытовых, сельскохозяйственных, вспомогательных зданий и сооружений (далее — помещения), а также зданий в целом, и устанавливает методы определения воздухопроницаемости ограждений в натурных условиях.
Стандарт не распространяется на ограждения с открытыми по условию технологии проемами.
2 Нормативные ссылки
В настоящем стандарте использованы нормативные ссылки на следующие нормативные документы:
ГОСТ 8.207-76 Государственная система обеспечения единства измерений. Прямые измерения с многократными наблюдениями. Методы обработки результатов наблюдений. Основные положения
ГОСТ 12.1.005-88* Система стандартов безопасности труда. Общие санитарно-гигиенические требования к воздуху рабочей зоны
_____________
* Изменение действует только на территории Российской Федерации.
ГОСТ 12.2.007.1-75 Система стандартов безопасности труда. Машины электрические вращающиеся. Требования безопасности
ГОСТ 112-78 Термометры метеорологические стеклянные. Технические условия
ГОСТ 6359-75 Барографы метеорологические анероидные. Технические условия
ГОСТ 6376-74 Анемометры ручные со счетным механизмом. Технические условия
ГОСТ 7502-98 Рулетки измерительные металлические. Технические условия
ГОСТ 10921-90 Вентиляторы радиальные и осевые. Методы аэродинамических испытаний
ГОСТ 11442-90 Вентиляторы осевые общего назначения. Общие технические условия
ГОСТ 18140-84 Манометры дифференциальные ГСП. Общие технические условия
ГОСТ 27925-88 Характеристики рабочие и конструкция электрических вентиляторов и регуляторов скорости к ним
ГОСТ 30494-96 Здания жилые и общественные. Параметры микроклимата в помещениях
СНиП 23-02-2003 Тепловая защита зданий
СанПиН 2.1.2.1002-00 Санитарно-эпидемиологические требования к жилым зданиям и помещениям
Примечание — При пользовании настоящим стандартом целесообразно проверить действие ссылочных нормативных документов на территории государства по соответствующему указателю стандартов, составленному по состоянию на 1 января текущего года, и по соответствующим информационным указателям, опубликованным в текущем году. Если ссылочный документ заменен (изменен), то при пользовании настоящим стандартом следует руководствоваться заменяющим (измененным) документом. Если ссылочный документ отменен без замены, то положение, в котором дана ссылка на него, применяется в части, не затрагивающей эту ссылку.
3 Термины и определения
В настоящем стандарте применены следующие термины с соответствующими определениями:
3.1 инфильтрация: Перемещение воздуха через ограждения из окружающей среды в помещение вследствие ветрового и теплового напоров, формирующих перепад давления воздуха снаружи и внутри помещения.
3.2 воздухопроницаемость: Свойство ограждения пропускать воздух.
3.3 объемная воздухопроницаемость: Воздухопроницаемость, равная объемному расходу воздуха в единицу времени, приходящемуся на 1 м2 ограждения, и выражаемая в кубических метрах на квадратный метр в час [м3/(м2 × ч)].
3.4 массовая воздухопроницаемость: Воздухопроницаемость, равная массовому расходу воздуха в единицу времени, приходящемуся на 1 м2 ограждения и выражаемая в килограммах на квадратный метр в час [кг/(м2 · ч)].
3.5 кратность воздухообмена замкнутого объема при испытаниях: Отношение при испытаниях объемного расхода воздуха к внутреннему объему в единицу времени, выражаемая в часах в минус первой степени (ч-1).
3.6 кратность воздухообмена замкнутого объема при разности давлений в 50 Па: Отношение объемного расхода воздуха к внутреннему объему в единицу времени при разности давлений между испытуемым объемом и наружной средой в 50 Па, выражаемое в часах в минус первой степени (ч-1).
4 Сущность метода
Сущность метода заключается в том, что в испытуемое помещение нагнетают или отсасывают из него воздух и после установления стационарного воздушного потока через вентилятор при фиксированном перепаде давления между испытуемым помещением и наружной средой измеряют расход воздуха через вентилятор и приравнивают его к расходу воздуха, фильтрующегося через ограждения, ограничивающие испытуемое помещение. По результатам измерений вычисляют обобщенные характеристики воздухопроницаемости ограждений испытуемого помещения.
5 Выбор помещения для испытания
5.1 Помещением для испытания может быть эксплуатируемый или полностью подготовленный к сдаче в эксплуатацию индивидуальный дом или другое небольшое (объемом не более 500 м3) здание, квартира, помещение или группа помещений в здании любого назначения, которые имеют в процессе испытания температуру внутреннего воздуха более 10 °С. Помещение для испытания должно иметь проем (дверной или оконный), в который может быть установлена испытательная аппаратура.
5.2 В многоэтажном здании следует испытывать не менее трех квартир, в том числе одну угловую на первом или последнем этаже.
5.3 Ограждения помещения не должны иметь отверстий и щелей, свободно пропускающих воздух внутрь испытуемого объема и из него.
5.4 В испытуемое помещение не включают помещения с самостоятельной вентиляцией (котельные, гаражи).
6 Аппаратура и оборудование
6.1 Установка для определения воздухопроницаемости ограждений помещений (далее — установка) должна включать в себя следующий набор оборудования и контрольно-измерительных приборов:
— воздухонепроницаемую раздвижную дверь (раму) с отверстием для вентилятора, устанавливаемую в проем ограждения испытуемого помещения; допускается иное конструктивное исполнение раздвижной двери (рисунки 1 и 2);
— вентилятор по ГОСТ 11442, ГОСТ 27925 с переменной, плавно регулируемой скоростью вращения (на рисунках 3 и 4);
— микроманометр № 1 (рисунок 5) по ГОСТ 18140 с точностью ±2 Па со шкалой от 0 до 60 Па для измерения перепада давлений между наружным и внутренним воздухом;
— два микроманометра № 2 и № 3 (рисунок 5) по ГОСТ 18140 с точностью ±2 Па со шкалой от 0 до 125 Па (№ 2) и от 0 до 500 Па (№ 3) для измерения перепада давлений между внутренним (наружным) воздухом и воздухом, проходящим через кожух вентилятора;
— ртутный термометр по ГОСТ 112 с точностью ±1 °С со шкалой от минус 50 °С до плюс 50 °С для измерения температуры воздуха;
— барометр или барограф по ГОСТ 6359 с диапазоном измерения атмосферного давления воздуха, характерным для района испытания;
— ручной анемометр по ГОСТ 6376 для измерения скорости ветра;
— стальную рулетку по ГОСТ 7502 для измерения внутренних размеров помещений и ограждающих конструкций.
1 — липучие элементы; 2 — уплотнительный профиль из пористой резины; 3 — липучая полоса;
4 — прорезь для стопорного болта; 5 — гайка для стопорного болта
Рисунок 1 — Элементы раздвижной деревянной рамы
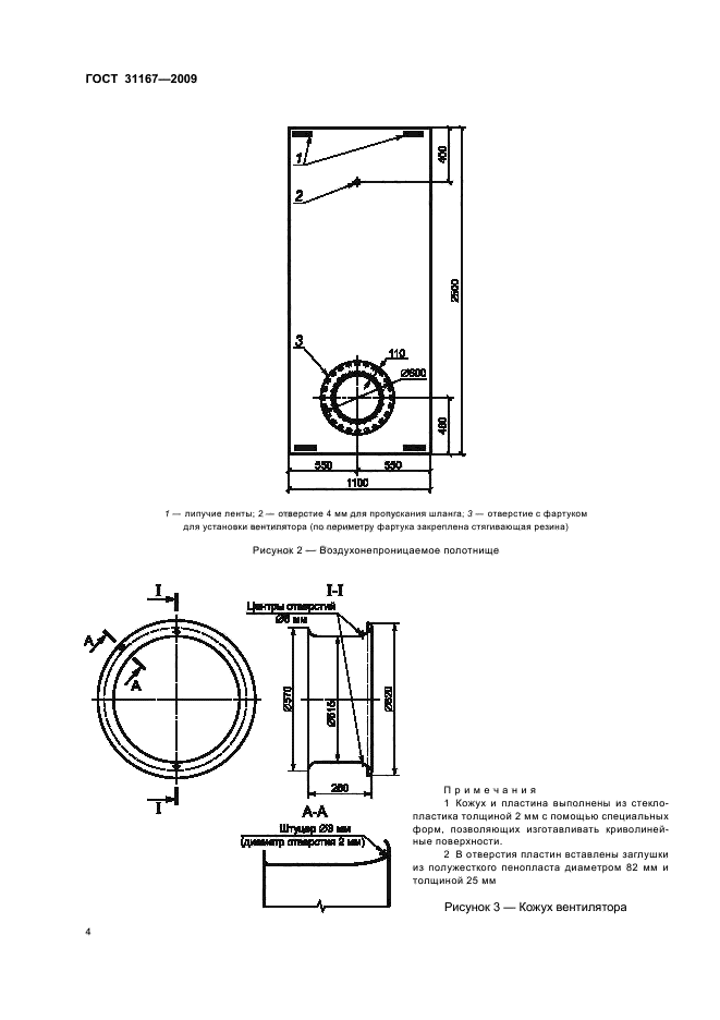
1 — липучие ленты; 2 — отверстие 4 мм для пропускания шланга; 3 — отверстие с фартуком
для установки вентилятора (по периметру фартука закреплена стягивающая резина)
Рисунок 2 — Воздухонепроницаемое полотнище
Примечания
1 Кожух и пластина выполнены из стеклопластика толщиной 2 мм с помощью специальных форм, позволяющих изготавливать криволинейные поверхности.
2 В отверстия пластин вставлены заглушки из полужесткого пенопласта диаметром 82 мм и толщиной 25 мм
Рисунок 3 — Кожух вентилятора
Рисунок 4 — Пластина с отверстиями к кожуху вентилятора
1 — кожух вентилятора; 2 — воздухонепроницаемое полотнище; 3 — раздвижная рама;
4 — дополнительная пластина с калиброванными отверстиями
Рисунок 5 — Схема монтажа установки при проведении испытаний
ограждений на воздухопроницаемость
Кроме того, в комплект установки входят:
— распорная раздвижная штанга, представляющая собой две алюминиевые трубки, одна из которых — меньшего диаметра вдвинута в полость трубки большего диаметра. Штанга снабжена стопорным винтом, который фиксирует взаимное расположение трубок, позволяя изменять длину штанги. Один конец штанги имеет резиновый наконечник, другой — фторопластовую пяту, шарнирно закрепленную на торце штанги;
— струбцина для крепления панели с микроманометрами на дверном полотнище;
— гибкие шланги для измерения давления.
6.2 Раздвижная дверь (рама) состоит из воздухонепроницаемого полотнища и четырех Г-образных плоских элементов, имеющих продольные прорези и несквозные отверстия с резьбой, в которые введены стопорные болты с рукояткой, проходящие через прорезь другого элемента таким образом, что все элементы образуют прямоугольную раму, позволяющую изменить ее размеры для установки в различные дверные или оконные проемы. По наружному периметру рама имеет уплотнительный профиль, предотвращающий прохождение воздуха через неплотности (см. рисунок 1).
6.3 Воздухонепроницаемое полотнище из прорезиненной ткани или полимерной пленки в нижней части имеет круглое отверстие с фартуком для установки в него вентилятора (см. рисунок 2). Для обеспечения герметичного примыкания полотнища к кожуху вентилятора по периметру отверстия прикреплен фартук с резиновым жгутом, диаметр кольца которого в свободном состоянии меньше диаметра кожуха вентилятора. В верхней части полотнища имеется отверстие для пропуска шланга для измерения давления среды с противоположной стороны, где размещены микроманометры.
6.4 Вентилятор должен быть снабжен регулятором числа оборотов, позволяющим изменять скорость вращения крыльчатки, фиксировать ее на определенном уровне и обеспечивать производительность по воздуху от 0 до 4500 м3 для создания и поддержания избыточного или пониженного давления в испытуемом объеме, и переключателем направления движения воздушного потока.
Вентилятор размещают в специальном кожухе (см. рисунок 3) минимальным диаметром 515 мм, имеющем гладкую внутреннюю поверхность. Если вентилятор, установленный в проем, создает разность давлений между наружной и внутренней средой менее 60 Па, то отверстие кожуха вентилятора перекрывают дополнительной пластиной в виде круглого диска с восемью отверстиями диаметром 68 мм, имеющими скругленные гладкие края в направлении движения проходящего через кожух воздуха, и центральным отверстием для охлаждения мотора вентилятора (см. рисунок 4). В кожухе и в диске имеются патрубки для измерения давления внутри кожуха на входе воздушного потока.
Если и в этом случае вентилятор не обеспечивает перепада давления более 60 Па, в отверстия последовательно вставляют 4, 6, 7 заглушек, при этом отверстие с патрубком и центральное отверстие должны быть свободны. Заглушки выполняют в виде круглых дисков с конусной поверхностью по периметру с минимальным диаметром 85 мм из полужесткого пенопласта с закрытоячеистой структурой.
6.5 Три микроманометра закрепляют на одной панели и подключают к системе гибких шлангов.
Гибкие шланги одним концом подсоединяют к штуцерам микроманометров, другим — к среде (наружному, внутреннему воздуху, зоне кожуха, через которую подается воздух вентилятора), давление которой фиксируют.
При наличии в месте проведения испытаний порывистого ветра со скоростью более 5 м/с в шланг для измерения давления наружного воздуха вводят пластмассовый штуцер (демпфер), имеющий существенно меньший диаметр проходного отверстия для сглаживания колебаний давления воздуха в шланге.
6.6 Вентилятор после установки внутри специально изготовленного кожуха со съемной пластиной с отверстиями калибруют на расход воздуха через кожух вентилятора в кубических метрах в час (м3/ч) по показаниям микроманометра в зависимости от разности давлений на нем путем испытаний с использованием поверенной системы измерения воздушного потока согласно ГОСТ 10921. Система вентилятор — микроманометр должна обеспечивать точность измерений расхода воздуха в пределах ±10 %.
7 Подготовка к испытаниям
7.1 Подготовка помещения
7.1.1 В испытуемых помещениях выключают все оборудование для сжигания топлива, вытяжные и приточные вентиляторы и кондиционеры воздуха, а также термостаты на радиаторах.
7.1.2 Плотно закрывают все наружные двери кроме одной, вентиляционные отверстия, форточки, каналы вытяжных вентиляторов, а также вытяжные каналы отопительного оборудования (печей, каминов, теплообменников, сушилок, газовых водонагревателей, вытяжных зонтов и т.д.).
7.1.3 Открывают все внутренние двери испытуемой группы помещений, закрывают двери помещений, не включенных в испытание. Во избежание запыления испытуемого помещения из топок сжигания твердого топлива удаляют или в них покрывают воздухонепроницаемым материалом золу.
7.1.4 Измеряют температуру наружного и внутреннего воздуха и скорость ветра около здания. Испытание разрешается проводить в случае, если разность температур наружного воздуха и воздуха внутри помещения не превышает 30 °С и скорость ветра на высоте 1,5 м от земли не более 8 м/с.
7.1.5 С помощью рулетки измеряют габаритные размеры испытуемых помещений и размеры оконных и прочих проемов в наружных ограждениях. По результатам измерений вычерчивают план испытуемого помещения и составляют спецификацию размеров и типов оконных заполнений, а также высот помещений. Полученные в результате измерений параметры сопоставляют с проектными данными, отмечая отличия от проектного решения.
7.2 Подготовка установки
7.2.1 Воздухонепроницаемую раздвижную дверь (раму) с вентилятором устанавливают при испытании:
— отдельного дома — во входную дверь в дом;
— квартиры — во входную дверь квартиры;
— группы помещений — в дверь помещения, с которым сообщаются все остальные испытуемые помещения;
— одного помещения — в любую дверь этого помещения.
При невозможности по каким-либо причинам использовать для испытания дверной проем воздухонепроницаемую дверь устанавливают в оконный или какой-либо другой проем.
7.2.2 В выбранном проеме закрепляют воздухонепроницаемое полотнище с помощью раздвижной рамы. При наличии тамбура при входе в дом раздвижную дверь устанавливают в любом дверном проеме тамбура, при этом остальные двери тамбура должны быть открыты.
Последовательность операций по установке раздвижной двери:
Сначала регулируют размер рамы по ширине проема, затем по высоте. На нижней перекладине рамы закрепляют полотнище, заведя край его под уплотнительную прокладку и фиксируя на нижних элементах крепления (см. рисунок 1), при этом отверстие для вентилятора должно быть снизу, затем натягивают полотнище на верхнюю перекладину, фиксируя на верхних элементах крепления. Одну из боковых сторон заводят в проем и, натягивая полотнище с другой стороны, вставляют раму в проем и осуществляют крепление рамы в проеме с помощью распорной раздвижной штанги. При этом длина штанги должна на 5 — 10 см превышать ширину проема рамы. Для окончательного закрепления рамы в проеме штангой распирают середину вертикальных перекладин и оставляют ее в качестве распорки на время испытаний.
7.2.3 В нижнее отверстие полотнища, снабженное по периметру фартуком из того же воздухонепроницаемого материала, вставляют вентилятор и с помощью фартука герметизируют снаружи кожух вентилятора от прохождения воздуха вне кожуха. Испытания проводят в испытуемом помещении как при пониженном давлении, так и при повышении давления (см. рисунок 5).
7.2.4 Панель с микроманометрами закрепляют в непосредственной близости от проема, в который вставлен вентилятор. Гибкие шланги к микроманометрам подсоединяют согласно схеме, приведенной на рисунке 5. Самый длинный шланг от микроманометра № 1 выводят наружу здания таким образом, чтобы открытый конец шланга отстоял от наружной поверхности ограждения не менее чем на 10 см. Конец шланга для измерения давления внутри помещения располагают вдали от вентилятора, где должно быть исключено влияние воздушного потока. Шланг от микроманометров № 2 и № 3 подсоединяют к патрубку в кожухе вентилятора или на пластине с отверстиями.
7.2.5 При подключении мотора вентилятора к электросети следует соблюдать правила техники безопасности при работе с электроприборами в соответствии с требованиями 11.1. Проверяют работоспособность мотора его кратковременным запуском на малых оборотах. При этом следует убедиться в соблюдении требуемого направления потока.
8 Проведение испытаний
8.1 Температуру и давление наружного воздуха, температуру внутри испытуемого помещения измеряют до включения вентилятора.
8.2 После включения вентилятора создают стабильную разность давлений между испытуемым объемом и наружной средой в 50 Па. При этом записывают в бланке записи результатов испытаний (приложение А) разность давлений наружного и внутреннего воздуха Dрenv, Па, по микроманометру № 1, разность давлений воздушного потока на вентиляторе Dpven, Па, по микроманометрам № 2 и № 3, и температуру внутреннего воздуха.
8.3 Если разность давлений воздушного потока на вентиляторе будет менее 60 Па, то во входное отверстие кожуха вентилятора устанавливают пластину с восемью отверстиями и требуемым числом заглушек.
8.4 При этом повторяют испытание, снижая каждый раз разность давлений между наружным и внутренним воздухом на 10 Па, проводя последнее измерение не менее чем при 10 Па.
8.5 При записи значений Dpven в бланке испытаний отмечают наличие пластины и число закрытых отверстий.
8.6 После первой серии испытаний проводят следующую серию в обратном порядке, повышая Dрenv на 10 Па, начиная испытания с 10 Па. Всего проводят минимум шесть серий испытаний.
8.7 После завершения испытаний измеряют температуру внутреннего и наружного воздуха.
8.8 Для определения воздухопроницаемости наружных стен, покрытия, чердачного и цокольного перекрытий помещения с внутренней стороны на испытуемую конструкцию устанавливают дополнительную раздвижную раму с воздухонепроницаемым полотнищем, выполненную согласно 6.2. Установку рамы осуществляют с обеспечением плотного прижатия наружного периметра рамы к примыкающим ограждениям помещения согласно 7.2.2.
Для определения воздухопроницаемости внутренних ограждений (стен, перегородок, перекрытий) помещения в смежном помещении создают то же давление, что и снаружи.
Испытания согласно 8.1 — 8.7 проводят дважды — сначала при отсутствии дополнительной рамы, затем при установленной дополнительной раме.
8.9 При определении воздухопроницаемости окна дополнительную раздвижную раму с воздухонепроницаемым полотнищем устанавливают в светопроеме с обеспечением плотного прижатия наружного периметра рамы к внутренним оконным откосам и подоконнику согласно 7.2.2.
Испытание согласно 8.1 — 8.7 проводят дважды — сначала при отсутствии дополнительной рамы, затем при установленной в проеме дополнительной раме. При этом наибольшую разность давлений между испытуемым объемом и наружной средой устанавливают в 100 Па.
8.10 Для исключения влияния боковых утечек воздуха в смежные помещения (боковые, нижнее и верхнее) при определении воздухопроницаемости наружной стены рядового помещения многоэтажного здания также используют установки для определения воздухопроницаемости помещений согласно разделам 6 и 7. При проведении испытания с использованием дополнительных установок создают одинаковую разность давлений наружного и внутреннего воздуха в испытуемом и смежных помещениях (см. рисунок 6).
Испытания в испытуемом помещении проводят согласно 8.1 — 8.7.
Рисунок 6 — Схема расположения дополнительных установок (№ 2, № 3, № 4 и № 5) в
смежных помещениях по отношению к испытуемому помещению, помеченному № 1
9 Обработка результатов
9.1 Вычисляют среднее арифметическое значение разностей давлений воздушного потока на вентиляторе Dpven при каждой разности давлений Dрenv в испытуемом объеме и снаружи согласно 8.2 и 8.4.
9.2 Определяют измеренный объемный расход воздуха Qven, м3/ч, проходящий через вентилятор, при каждой разности давлений Dрenv по формуле
Qven = c (Dpven)l, (1)
где Dpven — средняя арифметическая разность давлений воздушного потока на вентиляторе, Па;
с, l — константы, полученные при калибровке вентилятора в соответствии с 6.6, принимают в зависимости от установки пластины с отверстиями и числа заглушек.
9.3 Измеренный объемный расход воздуха корректируют на стандартные атмосферные условия: р = 101,3 кПа, tint = 20 °С = 293 К — и определяют объемный расход воздуха Qenv, м3/ч, через ограждения по формуле
Qenv = k Qven, (2)
где k — поправочный коэффициент на стандартные атмосферные условия, вычисляемый:
а) при понижении давления в испытуемом объеме по формуле
(3)
б) при повышении давления в испытуемом объеме по формуле
(3)
где tint, text — температуры воздуха внутри и снаружи испытуемых помещений в процессе испытаний, °С;
pext — истинное барометрическое давление наружного воздуха в период испытаний, кПа;
Dрenv — разность давлений наружного и внутреннего воздуха, кПа.
9.4 Строят в логарифмических координатах экспериментальную зависимость объемного расхода воздуха через ограждение Qenv от разности давлений Dреnv (приложение Б). Экспериментальные зависимости аппроксимируют прямой линией по методу наименьших квадратов и по этой зависимости определяют объемный расход воздуха через ограждения Q50 при Dреnv,50 = 50 Па и Q10 при Dреnv,10 = 10 Па.
Показатель режима фильтрации воздуха через ограждения / определяют по формуле
l = [ln(Q50/Q10)]/(lnDpenv,50/lnDpenv,10). (5)
9.5 Кратность воздухообмена испытуемого помещения при разности давлений 50 Па п50, ч-1, определяют по формуле
n50 = Q50/V, (6)
где V — объем испытуемого помещения, м3.
9.6 Массовый расход воздуха q10, кг/ч, определяют по формуле
q10 = rQ10. (7)
где r — плотность воздуха, кг/м3, определяемая по формуле
r = 353/(273 + t), (8)
где t = text — в случае понижения давления; t = tint — в случае повышения давления.
9.7 Среднюю массовую воздухопроницаемость ограждений испытуемого помещения G, кг/(м2×ч), при разности давлений 10 Па, определяют по формуле
G = q10/A, (9)
где А — суммарная площадь ограждений испытуемого помещения по внутренним размерам, м2.
9.8 За результат определения массовой воздухопроницаемости ограждений помещения Gk, кг/(м2 × ч), принимают разность результатов определения по 9.6 массовых расходов воздуха помещения в эксплуатируемом состоянии и помещения с загерметизированным ограждением, отнесенных к площади испытуемого ограждения Аk, м
(10)
где q10 — массовый расход воздуха через ограждения помещения при разности давлений 10 Па, испытанного в принятых условиях, кг/ч;
— то же, при загерметизированном ограждении согласно 8.8;
Аk — площадь испытуемого ограждения, м2.
9.9 Методы расчета для проверки соответствия фактических значений кратности воздухообмена п50 и сопротивления воздухопроницанию ограждений Rinf нормируемым значениям приведены в приложениях Г и Д.
9.10 Применение метода позволяет определить кратность воздухообмена п50 испытуемого помещения при разности давлений 50 Па снаружи и внутри, массовую воздухопроницаемость ограждения и сопротивление воздухопроницанию ограждения Rinf с относительной ошибкой, не превышающей ±15 %.
10 Оценка погрешности измерений
Точность определения измеренного объемного расхода воздуха Qven, проходящего через вентилятор, зависит от точности измерения разности давлений воздушного потока на вентиляторе Dpven. Оценку погрешности измерений выполняют согласно ГОСТ 8.207 для каждой из пяти разностей давлений снаружи и внутри испытуемого объема Dреnv по приложению В. Доверительные границы eQ случайной погрешности значений объемного расхода воздуха Qven для каждой из пяти разностей давлений Dреnvвычисляют по формуле
eQ = ±c(el), (11)
где с и l — то же, что и в формуле (1);
e — доверительные границы случайной погрешности измерений разности давлений воздушного потока на вентиляторе Dpven, определяемые по приложению В.
11 Требования безопасности
11.1 При работе с электрическим вентилятором следует соблюдать требования безопасности в соответствии с ГОСТ 12.2.007.1 и ГОСТ 11442 (раздел 3).
11.2 До проведения испытаний следует проверить надежность крепления стекол в оконных переплетах от выдавливания при изменении давления внутри помещения во время испытаний.
11.3 При включенном моторе не следует находиться в зоне потока воздуха около вентилятора.
Приложение А
(рекомендуемое)
Форма бланка записи результатов испытаний
|
Дата |
||||||||||||||||||||||||||||||||||||||||
|
Барометрическое давление, кПа _____________________________________________ |
||||||||||||||||||||||||||||||||||||||||
|
Скорость ветра, м/с _______________________________________________________ |
||||||||||||||||||||||||||||||||||||||||
|
Наименование помещения для испытания ____________________________________ |
||||||||||||||||||||||||||||||||||||||||
|
Адрес ___________________________________________________________________ |
||||||||||||||||||||||||||||||||||||||||
|
Тип здания ______________________________________________________________ |
||||||||||||||||||||||||||||||||||||||||
|
Площади, м2: |
||||||||||||||||||||||||||||||||||||||||
|
— полезная _______________________________________________________________ |
||||||||||||||||||||||||||||||||||||||||
|
— ограждений испытуемого помещения, в том числе: |
||||||||||||||||||||||||||||||||||||||||
|
— стен ___________________________________________________________________ |
||||||||||||||||||||||||||||||||||||||||
|
— окон ___________________________________________________________________ |
||||||||||||||||||||||||||||||||||||||||
|
— пола ___________________________________________________________________ |
||||||||||||||||||||||||||||||||||||||||
|
— потолка ________________________________________________________________ |
||||||||||||||||||||||||||||||||||||||||
|
Высота, м: помещений испытуемого объема __________________________________ |
||||||||||||||||||||||||||||||||||||||||
|
Вид наружных ограждений: |
||||||||||||||||||||||||||||||||||||||||
|
— стен ___________________________________________________________________ |
||||||||||||||||||||||||||||||||||||||||
|
— окон ___________________________________________________________________ |
||||||||||||||||||||||||||||||||||||||||
|
— покрытия _______________________________________________________________ |
||||||||||||||||||||||||||||||||||||||||
|
— перекрытия (пола) 1-го этажа ______________________________________________ Вентилятор без пластины/с пластиной (нужное подчеркнуть) Число заглушек — 0, 4, 6, 7 (нужное обвести) Испытание на повышение/понижение давления (нужное подчеркнуть)
Результаты измерений по микроманометрам
| ||||||||||||||||||||||||||||||||||||||||






