Совместимость технических средств электромагнитная. Бытовые приборы, электрические инструменты и аналогичные устройства. Радиопомехи индустриальные. Нормы и методы измерений
На нашем сайте можно бесплатно скачать Руководящий документ ГОСТ 30805.14.1-2013 в удобном формате. Узнать актуальный статус документа «Совместимость технических средств электромагнитная. Бытовые приборы, электрические инструменты и аналогичные устройства. Радиопомехи индустриальные. Нормы и методы измерений» на 2016 год.
Скрыть дополнительную информацию
Выберите формат отображения документа:

Страница 1

Страница 2

Страница 3

Страница 4

Страница 5

Страница 6

Страница 7

Страница 8

Страница 9

Страница 10

Страница 11

Страница 12

Страница 13

Страница 14

Страница 15

Страница 16

Страница 17

Страница 18

Страница 19

Страница 20

Страница 21

Страница 22

Страница 23

Страница 24

Страница 25

Страница 26

Страница 27

Страница 28

Страница 29

Страница 30

Страница 31

Страница 32

Страница 33

Страница 34

Страница 35

Страница 36

Страница 37

Страница 38

Страница 39

Страница 40

Страница 41

Страница 42

Страница 43

Страница 44

Страница 45

Страница 46

Страница 47

Страница 48

Страница 49

Страница 50

Страница 51

Страница 52

Страница 53

Страница 54

Страница 55

Страница 56

Страница 57

Страница 58
МЕЖГОСУДАРСТВЕННЫЙ СОВЕТ ПО СТАНДАРТИЗАЦИИ, МЕТРОЛОГИИ И СЕРТИФИКАЦИИ
(МГС)
INTERSTATE COUNCIL FOR STANDARDIZATION, METROLOGY AND CERTIFICATION (ISC)
ГОСТ 30805.14.1-2013
межгосударственный (CISPR 14-1:2005)
стандарт [ГОСТ P 51318.14.1—2006
(СИСПР 14-1:2005)]
Совместимость технических средств электромагнитная
БЫТОВЫЕ ПРИБОРЫ, ЭЛЕКТРИЧЕСКИЕ ИНСТРУМЕНТЫ И АНАЛОГИЧНЫЕ УСТРОЙСТВА. РАДИОПОМЕХИ ИНДУСТРИАЛЬНЫЕ
Нормы и методы измерений
(CISPR 14-1:2005, MOD)
Издание официальное
Москва
Стандартинформ
2014
Предисловие
Цели, основные принципы и основной порядок проведения работ по межгосударственной стандартизации установлены ГОСТ 1.0-92 «Межгосударственная система стандартизации. Основные положения» и ГОСТ 1.2-2009 «Межгосударственная система стандартизации. Стандарты межгосударственные, правила и рекомендации по межгосударственной стандартизации. Правила разработки, принятия, применения, обновления и отмены»
Сведения о стандарте
1 ПОДГОТОВЛЕН Санкт-Петербургским филиалом «Ленинградское отделение Научно-исследовательского института радио» {Филиал ФГУП НИИР-ЛОНИИР) и Техническим комитетом по стандартизации ТК 30 «Электромагнитная совместимость технических средств»
2 ВНЕСЕН Федеральным агентством по техническому регулированию и метрологии (Росстандарт)
3 ПРИНЯТ Межгосударственным советом по стандартизации, метрологии и сертификации (протокол от 25 марта 2013 г. №55-П)
За принятие проголосовали:
|
Краткое наименование страны no МК (ИСО 3166(004-97 |
Код страны по МК (ИСО 3166) 004-97 |
Сокращенное наименование национального органа по стандартизации |
|
Беларусь |
BY |
Госстандарт Республики Беларусь |
|
Киргизия |
KG |
Кыргызстандарт |
|
Молдова |
MD |
Моддова-Стандарт |
|
Россия |
RU |
Росстандарт |
|
Узбекистан |
UZ |
Узстандарт |
4 Приказом Федерального агентства по техническому регулированию и метрологии от 22 июля 2013 г. Np417-ct межгосударственный стандарт ГОСТ 30805.14.1-2013 (CISPR 14-1:2005) введен в действие в качестве национального стандарта Российской Федерации с 01 января 2014 г.
5 Настоящий стандарт модифицирован по отношению к международному стандарту CISPR 14-1:2005 Electromagnetic compatibility — Requirements for household appliances, electric tools and similar apparatus — Part 1: Emission (Электромагнитная совместимость. Требования для бытовых приборов, электрических инструментов и аналогичных устройств. Часть 1. Электромагнитная эмиссия).
Международный стандарт CISPR 14-1:2005 подготовлен Международным специальным комитетом по радиопомехам (CISPR) Международной электротехнической комиссии (IEC), подкомитетом F «Помехи. относящиеся к бытовым приборам, электрическим инструментам и аналогичным устройствам».
Настоящее пятое издание международного стандарта CISPR 14-1:2005 отменяет и заменяет четвертое издание, опубликованное в 2000 г.. Изменение 1 (2001 г.) и Изменение 2 (2002 г).
Перевод с английского языка (еп).
Наименование настоящего стандарта изменено относительно наименования международного стандарта для приведения в соответствие с ГОСТ 1.5-2001 (подраздел 3.6).
Ссылки на международные стандарты, которые приняты в качестве межгосударственных стандартов. заменены в разделе «Нормативные ссылки» и тексте стандарта ссылками на соответствующие межгосударственные стандарты.
В настоящем стандарте термин «радиочастотное возмущение» («radio disturbance») заменен на термин «индустриальная радиопомеха» в целях соблюдения принятой терминологии. Дополнительные фразы и слова, внесенные в текст стандарта для уточнения области распространения и объекта стандартизации, выделены полужирным курсивом.
Сведения о соответствии межгосударственных стандартов ссылочным международным стандартам приведены в дополнительном приложении ДА.
Степень соответствия — модифицированная (MOD).
Стандарт разработан на основе применения ГОСТ Р 51318.14.1-2006 (СИСПР 14-1:2005)
6 ВВЕДЕН ВПЕРВЫЕ
ГОСТ 30805.14.1-2013
Информация об изменениях к настоящему стандарту публикуется в ежегодном информационном указателе «Национальные стандарты», а текст изменений и поправок — в ежемесячном информационном указателе «Националы<ые стандарты». В случав пересмотра (замены) или отмены настоящего стандарта соответствующее уведомление будет опубликовано в ежемесячном информационном указателе «Национальные стандарты». Соответствующая информация, уведомление и тексты размещаются также в информационной системе общего пользования — на официальном сайте Фвдералыюго агентства по техническому регулированию и метрологии в сети Интернет
© Стандартинформ, 2014
В Российской Федерации настоящий стандарт не может быть полностью или частично воспроизведен. тиражирован и распространен в качестве официального издания без разрешения Федерального агентства по техническому регулированию и метрологии
III
|
зБ(жхВ) К s м клико* и& яе те иор |
Рисунок 2 — Значения норм напряжения ИРП на зажимах ТС в полосе частот от 148,5 кГц до 30 МГц для регулирующих устройств
ГОСТ 30805.14.1-2013
95
ГОСТ 30805141-2013
‘MiVVw
TYttyvj
< 200 мс -
Примечание — Одна кратковр; не иная ИРП.
ИРП продолжительностью не более 200 мс, состоящая из непрерывной последовательности импульсов и наблюдаемая на выходе промежуточной частоты (ПЧ) измерительного приемника
Зф
I |
1<
Примечание — Одна кратковременная ИРП.
ИРП, состоящая из отдельных импульсов длительностями менее 200 мс, разделенных интервалами менее 200 мс, и продолжающаяся не более 200 мс, наблюдаемая на выходе ПЧ измерительного
приемника
ЗЪ)
|
||||||||
|
•ь»—< 200 мс |
*. 20СМС •—
> 200 мс
Примечание — Две кратковременных ИРП.
Две ИРП длительностью не более 200 мс каждая, разделенные интервалом не менее 200 мс, наблюдаемые на выходе ПЧ измерительного приемника
Зс)
Рисунок 3 — Примеры прерывистых ИРП, нормируемых как кратковременные
96
ГОСТ 30805.14.1-2013
Приме чание — отдельные импульсы длительностью менее 200 мс, разделенные интервалами, ьаждый из которых менее 200 мс, продолжающиеся более 200 мс и наблюдаемые на выходе ПЧ измерительного прием ни и
4а)
> 200 мс
U- < 200 не
—<200 мс
— <200 мс
Примечание — Две ИРП, разделенные интервалом менее 200 мс и имеющие полную длительность более 200 мс, наблюдаемые на выходе ПЧ измерительного приемника
4Ь)
Рисунок 4 — Примеры пр ерывистых ИРП, нормируемых как непр ерывные
97
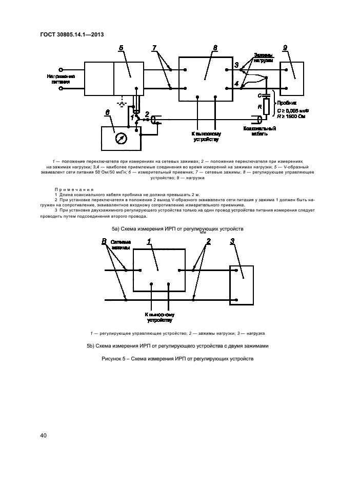
1 — положение переключателя при измерениях на сетевых зажимах, 2 — положение переключателя при измерениях на зажимах нагрузки; 3.4-наиболее приемлемые соединения во время измерений на зажимах нагрузки, 5 -V-образный эквивалент сети питания 50 0м/50 мкГн, 6 — измерительный приемник; 7 — сетевые зажимы; 8 — регулирующее управляющее устройство, 9 -нагрузка
ГОСТ 30805141-2013
Примечания
1 Длина коаксиального кабеля пробника не должна превышать 2 м.
2 При установке переключателя в положение 2 выход V-образного эквивалента сети питания у зажима 1 должен быть нагружен на сопротивление, эквивалентное входному сопротивлению измерительного приемника
3 При установке двухзажимного регулирующего устройства только на один провод устройства пи та кия измерения следует проводить путем подсоединения второго провода.
5 а) Схема измерения И РП от регулирующих устройств
98
1- регулирующее управляющее устройство; 2 — зажимы нагрузки; 3 — нагрузка
ГОСТ 30805.14.1-2013
5Ь) Схема измерения И РП от регулирующего устройства с двумя з ажимами
Рисунок 5 — Схема измерения ИРП от регулирующих устройств
99
1 — устройство питания электрического ограждения, 2 — V-образный эквивалент сети питания (см 5.1.2); 3 — измерительный приемник, 4 — провода к сети электропитания или к батарее, 5 — элементы эквивалентной схемы ограждения (полное сопротивление нагрузки 300 Ом обеспечивается резистором 250 ом соединенным последовательно с сопротивлением 50 Ом V-образного эквивалента сети питания), 6 — резистор утечки сопротивлением 500 Ом (следует добавить в эквивалентную схему, указанную выше в позиции5)
Примечание — Если устройство работает от батарей, применение левого V-образного эквивалента сети питания не является обязательным Правый V-образный эквивалент сети обеспечивает защиту измерительного прибора от импульсов в эквивалентной схеме ограждения
ГОСТ 30805141-2013
__5
ЮОООоФ
Рисунок 6 — Схема измерений напряжения ИРП, создаваемых на зажимах устройств питания электрических ограждений
100
Примечания
ГОСТ 30805.14.1-2013
1 При измерениях напряжения ИРП на входных сетевых зажимах (полоса частот от0,15 до 30 МГц) расстояние до ближайшей части полотна от точки Хне должно превышать 1 м
2 При измерениях мощности ИРП (полоса частот от 30 до 300 МГц) расстояние от трансформатора (преобразователя) или у:тройства ручного управления до ближайшей части полотна должно быть увеличено (до б м) для обеспечения возможности использования поглощающих клещей.
3 Расстояние Л (где это возможно) должно быть 0,1 м
Рисунок 7 — Схема изь^эения ИРП от самоходных средств, движущихся по полотну
101
Значения норм напряжения ИРП на зажимах нагрузки и дополнительных зажимах электрического инструмента приведены в графах 4. 5 таблицы 1.
Таблица 1 — Значения норм напряжения ИРП на зажимах ТС 8 полосе частот от 148.5 кГц до 30 МГц (см. рисунки 1. 2)
|
Бытовые приборы и аналогичные устройства, а таите регулирующие устройства на полупроводниковых приборах |
||||||
|
Полоса частот. МГц |
Значение нормы напряжения ИРП на сетевых зажимах |
Значение нормы напряжения ИРП на зажимах для подключения нагрузки и дополнительных зажимах |
||||
|
Квазиликовсо значение. дБ (мкв) |
Среднее значение*. дБ (мкв) |
Квазипикоеос значение, дБ (мкв) |
Среднее значение*. дБ (мкВ) |
|||
|
1 |
2 |
3 |
4 |
5 |
||
|
0.15—0.50 |
От 66’* до 56 |
От 59“ до 46 |
80 |
70 |
||
|
0.50—5,00 |
56 |
46 |
74 |
64 |
||
|
5—30 |
60 |
50 |
74 |
64 |
||
|
Электрический инструмент |
||||||
|
Полоса частот. МГц |
Значение нормы напряжения ИРП на сетевых зажимах двигателя |
|||||
|
с номинальной мощностью, не превышающей 700 Вт |
с номинальной мощностью более 700 Вт. но менее 1000 Вт |
с номинальной мощностью, превышающей 1000 Вт |
||||
|
Кааэипиковое значение, дБ (мкВ) |
Среднее значение* дБ (мкв) |
Каазипиковос значение. дБ (мкв) |
Среднее значение*. дБ (мкв) |
Квазипикоеое значение, дБ (мкв) |
Среднее значение*. дБ (мкв) |
|
|
1 |
6 |
7 |
8 |
9 |
10 |
11 |
|
0.15—0.35 |
От 66” до 59 |
От 59” до 49 |
От 70“ до 63 |
От 63” до 53 |
От 76” до 69 |
От 69” до 59 |
|
0.35—5.00 |
59 |
49 |
63 |
53 |
69 |
59 |
|
5—30 |
64 |
54 |
68 |
58 |
74 |
64 |
|
— Если при использовании приемника с квазипиковым детектором выполняется норма ИРП для измерений с детектором средних значений, то испытуемое ТС следует считать соответствующим обеим нормам ИРП. В этом случае средние значения не измеряют. м Уменьшается линейно с увеличением логарифма частоты. Примечание — Нормы средних значений ИРП являются экспериментальными и после накопления опытных данных могут быть уточнены. |
||||||
Значение нормы напряжения ИРП на сетевых зажимах UM (графы 2,3 таблицы 1) в полосе частот от 0,15 до 0,5 МГц на частоте измерения вычисляют по формулам:
— для квазипикового значения UH = 66-19,1lg-^—, (1)
0,15
— для среднего значения UH = 59- 24,9lg-^—. (2)
0,15
Значение нормы напряжения ИРП на сетевых зажимах U„ (графы 6—11 таблицы 1) в зависимости от номинальной мощности двигателя в полосе частот от 0,15 до 0,35 МГц на частоте измерения вычисляют по формулам:
для квазипиковых значений:
6
ГОСТ 30805.14.1-2013
UH = бб -19, Ид-!— 0,15
U„ =70-19, Ид— 0.15
U =76 -19, Ид— 0.15
при Р -1 700. при 700 < Р й 1000 при Р > 1000:
(3)
(4)
(5)
для средних значений:
U„ = 59-27,2lg-!— 0.15
UH = 63-27,2IQ-L-0.15
Uh = 69-27,2lg — 0,15
при Р £ 700, при 700 < Р<. 1000. приР > 1000.
(6)
(7)
(8)
где f — частота, МГц,
Р — номинальная мощность двигателя. Вт.
4.1.1.4 Нормы ИРП для устройств питания электрических ограждений распространяются на следующие значения напряжения помех на зажимах:
a) ограждений для устройств питания всех видов (графы 4, 5 таблицы 1);
b) сети питания для устройств питания, предназначенных для подключения к сети (графы 2. 3 таблицы 1);
c) батареи для устройств питания, предназначенных для работы от батареи (графы 4. 5 таблицы 1).
Нормы не распространяются на значения напряжения помех на зажимах батареи устройств питания со встроенными батареями (если эти устройства не могут подключаться к сети) или устройств питания с внешними батареями (если длина соединительного провода между устройством питания и батареей менее 2 м и пользователь не может удлинить его без специального инструмента).
ИРП от устройств питания типа D измеряют при их работе от батарей при длине соединительных проводов между устройством питания и батареей более 2 м (см. (9)).
Примечание — На практике провода ограждения могут являться активными источниками ИРП из-за разрядов высокого напряжения. Производители устройств питания электрических ограждений должны инструктировать пользователей о необходимости устранения разрядных точек, таких как места касания растительности или места разрывов проволоки ограждения.
4.1.1.5 На ТС. работающие от батарей (встроенных или внешних) и имеющие возможность подключения к сети электропитания, распространяются нормы для сетевых зажимов, приведенные в графах 2. 3 таблицы 1. На ТС со встроенными батареями, которые не могут подключаться к сети электропитания. нормы ИРП в полосе частот от 0.15 до 30 МГц не распространяются.
Нормы ИРП не распространяются также на ТС с внешними батареями, если длина соединительного провода между ТС и батареей менее 2 м. Если длина соединительного провода более 2 м или он может быть легко удлинен пользователем без специального инструмента, то на ТС распространяются нормы, приведенные в графах 4. 5 таблицы 1.
4.1.2 Мощность ИРП в полосе частот от 30 до 300 МГц
Значения норм мощности ИРП приведены в таблице 2.
Мощность ИРП измеряют на всех зажимах испытуемого ТС в соответствии с разделом 6.
Таблица 2 — Значения норм мощности ИРП в полосе частот от 30 до 300 МГц
|
Бышвые приборы и аналогичные устройства, а также регулирующие устройства иа полупроводниковых приборах |
||
|
Полоса частот. МГц |
Значение нормы мощности ИРП |
|
|
Квазипикопое значение, дБ (пВт) |
Среднее значение*. дБ (пвг) |
|
|
1 |
2 |
3 |
|
30—300 |
От 45** до 55 |
От 35″ до 45 |
7
Окончание таблицы 2
Электрический инструмент
Значение нормы мощности ИРП для испытуемых ТС с двигателями
|
Полоса частот. МГц |
не превышающей 700 Вт |
с номинальной мощностью более 700 Вт. но менее 1000 8т |
С номинальной мощностью, превышающей 1000 Вт |
|||
|
Квазиликовое значение. дБ (лвт| |
Среднее значение*. дБ (пВт) |
Квазиликовое значение, дБ (пВт) |
Среднее значение*. дБ (пВт) |
Квазиликовое значение. дБ (пВт| |
Среднее значение*. дБ (пВт) |
|
|
1 |
4 |
S |
6 |
7 |
в |
9 |
|
30—300 |
От 45” до 55 |
От 35″ до 45 |
От 49” до 59 |
От 39” до 49 |
От 55″ до 65 |
От 45” ДО 55 |
‘ Если при использовании приемника с квазипиковым двтект ором выполняется норма ИРП для измерений с детектором средних значений, то испытуемое ТС следует считать соответствующим обеим нормам ИРП В этом случае средние значения не измеряют.
Увеличивается линейно с увеличением логарифма частоты.
Примечание — Нормы средних значений ИРП являются экспериментальными и после накопления опытных данных могут быть уточнены.
Значение нормы мощности ИРП Рн на сетевых зажимах бытовых приборов и аналогичных устройств (графы 2, 3 таблицы 2) в полосе частот от 30 до 300 МГц на частоте измерения вычисляют по формулам:
— для квазипикового значения Рн =43,9+—; (9)
» 27
— для среднего значения Рн=33,9 + —. (10)
|
Значение нормы мощности ИРП Рн на сетевых зажимах электрических инструментов (графы 4—9 таблицы 2) в полосе частот от 30 до 300 МГц на частоте измерения вычисляют по формулам: • для квазипиковых значений: |
||
|
Р„ = 43,9 + — » 27 |
при Pi 700, |
(11) |
|
рн и 47,9 + — » 27 |
при 700 < Pi 1000. |
(12) |
|
Рн = 53,9 + — н 2? |
приР>1000 |
(13) |
|
— для средних значений: |
||
|
Р = 33,9 + — » 27 |
при Pi 700, |
(14) |
|
Р„ = 37,9 + — » 27 |
при 700 < Pi 1000. |
(15) |
|
Р = 43,9 + — м 27 |
при Р > 1000. |
(16) |
где f — частота, МГц;
Р — мощность, Вт.
4.1.2.1 Нормы мощности ИРП, приведенные в графах 2, 3 таблицы 2. распространяются на все испытуемые ТС, за исключением указанных в 4.1.2.2—4.1.2.4.
4.1.2.2 На ИРП от испытуемых ТС. работающих от батарей (встроенных и внешних), которые могут подключаться к сети электропитания, распространяются нормы, приведенные в графах 2. 3 таблицы 2. совместно с 4.1.2.3 и 4.1.2.4. На ИРП от испытуемых ТС со встроенными батареями, которые не могут подключаться к сети электропитания, нормы мощности ИРП не распространяются.
ГОСТ 30805.14.1-2013
4.1.2.3 На ИРП от электрического инструмента распространяются нормы, приведенные в графах 4—9 таблицы 2 в соответствии с номинальной мощностью двигателя; мощность любого нагревательного прибора должна быть исхлючена (например, мощность нагрева воздуходувки для пластиковой сварки).
4.1.2.4 Нормы мощности ИРП в полосе частот от 30 до 300 МГц не распространяются на регулирующие устройства на полупроводниковых приборах, устройства питания электрических ограждений, выпрямители, устройства для зарядки батарей и преобразователи, которые не содержат какого-либо внутреннего генератора частоты или тактовых импульсов, работающего на частотах свыше 9 кГц.
4.1.3 Напряженность поля ИРП в полосе частот от 30 до 1000 МГц
Нормы напряженности поля ИРП для ТС со встроенными батареями, которые не могут подключаться к сети электропитания, приведены в таблице 3; измерения проводят в соответствии с ГОСТ30805.22.
Таблица 3 — Нормы напряженности поля ИРП (квазипиковые значения) в полосе частот от 30 до 1000 МГц при измерениях на расстоянии 10 м от источника
|
Полоса частот. МГи |
Кваэиликооое значение нормы напряженности поля ИРП, дБ (нг.В/м) |
|
|
электрические игрушки |
ТС. кроие электрических игрушек |
|
|
30—230′ 230—1000 |
30 37 |
30 |
|
’ На граничной частоте применяют меньшее значение нормы. |
||
Допускается выполнение измерений на меньшем расстоянии, но не менее 3 м. Значение нормы, соответствующее использованному измерительному расстоянию, находят путем пересчета указанной в таблице 3 нормы на основе обратно пропорциональной зависимости с коэффициентом уменьшения 20 дБ на декаду.
В спорном случае измерения повторяют на расстоянии 10 м от источника.
4.2 Прерывистые ИРП
При операциях переключения ТС. управляемых термостатами, приборов (станков) с программным управлением и других электроуправляемых устройств возникают прерывистые ИРП. Качество принимаемых на фоне прерывистых ИРП аудио- или видеосилталов (субъективное восприятие) зависит от амплитуды и частоты повторения данных ИРП. Поэтому прерывистые ИРП принято классифицировать по видам.
Прерывистые ИРП измеряют только с помощью квазипикового детектора, как указано в 5.1.1.
Методические указания по измерению прерывистых (кратковременных) ИРП приведены в приложении С.
4.2.1 Нормы прерывистых ИРП зависят, главным образом, от характера ИРП и частоты повторения N кратковременных ИРП в соответствии с 4.2.2 и 4.2.3.
При нормировании прерывистых ИРП используют значения норм, применяемые для непрерывных ИРП (см. 4.2.2.1) и кратковременных ИРП (см. 4.2 2.2).
Нормы прерывистых ИРП в полосе частот от 30 до 300 МГЦ не устанавливают.
4.2.2 Напряжение прерывистых ИРП в полосе частот от 148,5 кГц до 30 МГц
4.2.2.1 К прерывистым ИРП от ТС различного типа, нормируемым как длительные ИРП (см. таблицу 1). относят;
a) прерывистые ИРП. отличные от кратковременных;
b) кратковременные ИРП с частотой повторения N. равной или большей 30.
Напряжение прерывистых ИРП. приведенных в 4.2.3, не нормируют (см. 4.2.3.1).
Примечание — Примеры прерывистых ИРЛ. нормируемых как непрерывные, приведены на рисунках 4а). 46).
4.2.2.2 Значение нормы кратковременных ИРП Ц,. используемой для нормирования прерывистых ИРП. получают из соответствующей нормы L для непрерывных ИРП (см. 4.1.1) путем ее увеличения на 44 дБ при N < 0.2 или на 20 lg( 30 / N) дБ при 0,2 £ N < 30.
Примечание — Примеры прерывистых ИРП. нормируемых как кратковременные, приведены на рисунках За)—Зс). См. также приложение А. таблицы А.1 и А.2.
9
4.2.2.3 Значение нормы L, кратковременных ИРП установлено для частот повторения N кратковременных ИРП. определяемых в рабочих условиях испытаний ТС. при интерпретации результатов измерений в соответствии с разделом 7.
4.2.3 Действующие исключения
При определенных условиях к некоторым видам прерывистых помех неприменимо определение кратковременной помехи (см. 3.4).
В настоящем пункте приведены условия, которые в соответствии с 4.2.1—4.2.2 применяют ко всем видам ТС. Алгоритм испытания ТС на соответствие нормам на кратковременные ИРП при измерении прерывистых ИРП представлен на рисунке 9.
Условия, при которых возможно ослабление норм для испытуемых ТС конкретного типа, приведены в приложении А; в таблице А.2 приведен перечень ТС. в которых для определения частоты повторения N кратковременных ИРП подсчитывают число операций переключения.
4.2.3.1 Отдельные операции переключения
ИРП. возникающие при отдельных операциях переключения, проводимых непосредственно путем ручного переключения органов управления и переключателей, имеющихся в испытуемом ТС (или вне его), либо осуществляемых косвенным образом, при испытаниях на соответствие нормам, установленным в настоящем стандарте, не учитывают, если указанные операции переключения предназначены:
a) только для подключения или отключения сети;
b) только для выбора программы;
c) для управления мощностью или скоростью при ограниченном числе возможных фиксированных положений:
d) для изменения ручной установки органа управления с непрерывной регулировкой, например устройства изменения скорости потока воды или электронного термостата.
Примерами таких переключателей являются переключатели (с положением «Вкл./Выкл.») электрических печатных машин, ручные переключатели для регулировки потоков воздуха или тепла в вентиляторных электрообогревателях и фенах для сушки волос, а также переключатели, приводимые в действие косвенным образом (в шкафах, сервантах или холодильниках), сенсорные переключатели и т. п.
Переключатели, обычно работающие в режиме многократной коммутации, например переключатели швейных машин, вычислительных машин, оборудования для пайки и т. п. в настоящий подпункт не включены (см. 7.2.3 и 7.3.2.4с)].
При испытании ТС на соответствие нормам ИРП. установленным в настоящем стандарте, не учитывают ИРП. создаваемые работой любого переключающего устройства или органа управления испытуемого ТС, который включен в конструкцию ТС только для его отключения от сети в целях обеспечения безопасности.
4.2.3.2 Комбинация кратковременных ИРП в течение времени менее 600 мс
В устройствах с программным управлением комбинация кратковременных ИРП в течение времени менее 600 мс допускается один раз за цикл выбранной программы.
Для других испытуемых ТС такая комбинация кратковременных ИРП допускается один раз в течение минимального времени наблюдения, что также относится к термостатически управляемым трехфазным переключателям, создающим три помехи последовательно в каждой из трех фаз и нейтрали. Комбинацию кратковременных ИРП следует рассматривать как одну кратковременную ИРП.
4.2.3.3 Мгновенная коммутация
Испытуемые ТС считают соответствующими нормам независимо от амплитуды кратковременных ИРП (см. таблицы А.1 и А.2). если выполняются следующие условия:
— частота повторения кратковременных ИРП — не более 5:
— ни одна из созданных кратковременных ИРП не имеет длительность более 20 мс;
— длительность 90 % созданных кратковременных ИРП — менее 10 мс.
При невыполнении какого-либо из этих условий действуют нормы в соответствии с 4.2.2.
4.2.3.4 Интервал между кратковременными ИРП менее 200 мс
Для испытуемых ТС. создающих кратковременные ИРП с частотой повторения N менее 5. любые две ИРП. длительность каждой из которых не более 200 мс. следует оценивать как две кратковременные ИРП даже в том случае, если интервал между ними менее 200 мс.
В этом случае помехи (например от холодильников), вид которых представлен на рисунке 4Ь. рассматривают как две кратковременные ИРП. а не как непрерывную ИРП.
ГОСТ 30805.14.1-2013
5 Методы измерения напряжения ИРП в полосе частот от 148,5 кГц до 30 МГц
Настоящий раздел устанавливает основные требования к измерению напряжений ИРП. создаваемых на зажимах ТС в полосе частот от 148.5 кГц до 30 МГц. Рабочие условия при выполнении измерений приведены в разделе 7.
Схемы измерений напряжения ИРП от различных ТС приведены на рисунках 5—7.
5.1 Средства измерений и испытательное оборудование
При выполнении измерений применяют средства измерений и испытательное оборудование, указанные ниже.
5.1.1 Измерительные приемники (измерители ИРП)
Измерительные приемники с квазипиковым детектором или детектором средних значений должны соответствовать требованиям, установленным в ГОСТ 30805.16.1.1.
Примечание — Оба детектора могут быть встроены в один приемник и измерения допускается проводить с помощью либо квази пикового детектора, либо детектора средних значений.
5.1.2 Эквивалент сети питания
Для обеспечения нормированного полного сопротивления между зажимами испытуемого ТС и эталонным заземлением на высоких частотах, а также для защиты схемы измерений от посторонних ВЧ напряжений в сети питания, применяют V-образный эквивалент сети питания.
Следует использовать V-образный эквивалент с номинальным полным сопротивлением 50 Ом/50 мкГн или 50 Ом/50 мкГн ♦ 5 Ом в соответствии с требованиями, установленными в ГОСТ 30805.16.1.2.
Для того, чтобы на частоте измерения полное сопротивление сети питания не влияло на полное сопротивление V-образного эквивалента сети, между V-образным эквивалентом и сетью питания включают развязывающее устройство, значение полного сопротивления которого соответствует частоте измерения. Применение развязывающего устройства позволяет также уменьшить влияние посторонних радиопомех, возникающих в сети литания (см. также 5.3).
Измерительный приемник подключают к V-образному эквиваленту сети питания коаксиальным кабелем с характеристическим сопротивлением 50 Ом.
5.1.3 Пробник напряжения
При измерении на зажимах ТС. отличных от сетевых (см. 5.2.3.2), например зажимах нагрузки и управляющих зажимах (см. 5.2.4.4). следует использовать пробник напряжения. Пробник напряжения также следует использовать на сетевых зажимах ТС, если применение V-образного эквивалента сети питания неизбежно ведет к чрезмерному воздействию на испытуемое ТС или измерительную схему, например, при испытании двигателей и электронагревательных устройств, потребляющих ток более 25 А в одной фазе.
Пробник напряжения состоит из резистора сопротивлением не менее 1500 Ом. последовательно соединенным с конденсатором, реактивное сопротивление которого в полосе частот от 150 кГц до 30 МГц должно быть пренебрежимо мало по сравнению с сопротивлением резистора (см. ГОСТ 30805.16.1.2).
Результаты измерения должны корректироваться в соответствии с распределением напряжения между пробником и входным сопротивлением измерительного приемника. При корректировке следует принимать в расчет только резистивные составляющие полных сопротивлений.
Если сопротивление резистора слишком мало и оказывает влияние на функционирование испытуемого ТС, то значение сопротивления необходимо увеличить [например, до 15 кОм. включив последовательно с резистором емкость 500 пФ (см. ГОСТ 30805.16.1.2)].
5.1.4 Эквивалент руки
При измерении напряжения ИРП от ТС. которые при их эксплуатации необходимо держать

