Преобразователи термоэлектрические. Номинальные статические характеристики преобразования

Страница 1

Страница 2

Страница 3

Страница 4

Страница 5

Страница 6

Страница 7

Страница 8

Страница 9

Страница 10

Страница 11

Страница 12

Страница 13

Страница 14

Страница 15

Страница 16

Страница 17

Страница 18

Страница 19

Страница 20

Страница 21

Страница 22

Страница 23

Страница 24

Страница 25

Страница 26

Страница 27

Страница 28

Страница 29

Страница 30

Страница 31

Страница 32

Страница 33

Страница 34

Страница 35

Страница 36

Страница 37

Страница 38

Страница 39

Страница 40

Страница 41

Страница 42

Страница 43

Страница 44

Страница 45

Страница 46

Страница 47

Страница 48

Страница 49

Страница 50

Страница 51

Страница 52

Страница 53

Страница 54

Страница 55

Страница 56

Страница 57

Страница 58

Страница 59

Страница 60

Страница 61

Страница 62

Страница 63

Страница 64

Страница 65

Страница 66

Страница 67

Страница 68

Страница 69

Страница 70

Страница 71

Страница 72

Страница 73

Страница 74

Страница 75

Страница 76

Страница 77

Страница 78

Страница 79

Страница 80

Страница 81

Страница 82

Страница 83

Страница 84

Страница 85

Страница 86

Страница 87
35 коп.
ГОСУДАРСТВЕННЫЙ СТАНДАРТ СОЮЗА ССР
ПРЕОБРАЗОВАТЕЛИ
ТЕРМОЭЛЕКТРИЧЕСКИЕ
НОМИНАЛЬНЫЕ СТАТИЧЕСКИЕ ХАРАКТЕРИСТИКИ ПРЕОБРАЗОВАНИЯ
ГОСТ 3044-84 (СТ СЭВ 1059—85J
Издание официальное
ГОСУДАРСТВЕННЫЙ КОМИТЕТ СССР ПО УПРАВЛЕНИЮ КАЧЕСТВОМ ПРОДУКЦИИ И СТАНДАРТАМ Москва
Прежде чем пользоваться ГОСТ 3044-84 «Преобразователи термоэлектрические. Номинальные статические характеристики преобразования» внесите следующие исправления:
|
В каком месте |
Напечатано |
Должно был |
|
Таблица 2, графа «Т. э. д, с„ мВ, для температуры 2°С»; |
7,924 |
7,^42 |
|
графа «Т. э. д. с., мВ, для температуры 3°С»; |
8,839 |
8,639 |
|
графа «Т. э. д. с., мВ, для температуры 9°С»; |
23,863 |
23,683 |
|
графа «Т. э. д. с., мВ, для температуры 6ЭС». |
82,719 |
28,719 |
|
92,035 |
29,035 |
|
|
Таблица Зя графа *Т. э. д. с., мВ, для температуры 9°С»; |
17,644 |
17,664 |
|
графа «Т. э. д. с., мВ, для температуры 3°С». |
22,833 |
22,883 |
|
Таблица 11а,, графа «Т. э. д. с., мВ, для температуры 5°С». |
13,983 |
13,993 |
ГОСТ 3044-84 «Преобразователи термоэлектрические. Номинальные статические характеристики преобразования», М., Изд-во
стандартов, 1989
Продолжение табл. 2
|
Температура рабочего конца, °С |
Т. э. д. |
мВ, для температуры, °С |
||||||||
|
0 |
1 |
2 |
3 |
4 |
5 |
6 |
7 |
8 |
9 |
|
|
1190 |
19,000 |
19,015 |
19,029 |
19,044 |
19,059 |
19,073 |
19,088 |
19,102 |
19,117 |
19,132 |
|
1200 |
19,146 |
19,161 |
19,176 |
19,190 |
19,205 |
19,219 |
19,234 |
19,249 |
19,263 |
19,278 |
|
1210 |
19,292 |
19,307 |
19,322 |
19,336 |
19,351 |
19,365 |
19,380 |
19,394 |
19,409 |
19,423 |
|
1220 |
19,438 |
19,453 |
19,467 |
19,482 |
19,496 |
19,511 |
19,525 |
19,540 |
19,554 |
19,569 |
|
1230 |
19,583 |
19,598 |
19,612 |
19,626 |
19,641 |
19,655 |
19,670 |
19,684 |
19,699 |
19,713 |
|
1240 |
19,728 |
19,742 |
19,756 |
19,771 |
19,785 |
19,800 |
19,814 |
19,829 |
19,843 |
19,857 |
|
1250 |
19,872 |
19,885 |
19,900 |
19,915 |
19,929 |
19,944 |
19,958 |
19,972 |
19,987 |
20,001 |
|
1260 |
20,015 |
20,030 |
20,044 |
20,058 |
20,073 |
20,087 |
20,101 |
20,115 |
20,130 |
20,144 |
|
1270 |
20,158 |
20,173 |
20,187 |
20,201 |
20,215 |
20,230 |
20,244 |
20,258 |
20,272 |
20,287 |
|
1280 |
20,301 |
20,315 |
20,329 |
20,343 |
20,358 |
20,372 |
20,386 |
20,400 |
20,414 |
20,429 |
|
1290 |
20,443 |
20,457 |
20,471 |
20,485 |
20,500 |
20,514 |
20,528 |
20,542 |
20,556 |
20,570 |
|
1300 |
20,584 |
20,599 |
20,613 |
20,627 |
20,641 |
20,655 |
20,669 |
20,683 |
20.697 |
20,711 |
|
1310 |
20,725 |
20,739 |
20,754 |
20,768 |
20,782 |
20,796 |
20,810 |
20,824 |
20,838 |
20,852 |
|
1320 |
20,866 |
20,880 |
20,894 |
20,908 |
20,922 |
20,936 |
20,950 |
20,964 |
20,978 |
20 992 |
|
1330 |
21,006 |
21,020 |
21,034 |
21,048 |
21,062 |
21,076 |
21,090 |
21,104 |
21,117 |
21,131 |
|
1340 |
21,145 |
21,159 |
21,173 |
21,187 |
21,201 |
21,215 |
21,229 |
21,243 |
21,257 |
21,270 |
|
1350 |
21,284 |
21,298 |
21,312 |
21,326 |
21,340 |
21,354 |
21,367 |
21,381 |
21,395 |
21,409 |
|
1360 |
21,423 |
21,437 |
21,450 |
21,464 |
21,478 |
21,492 |
21,506 |
21,519 |
21,533 |
21,547 |
|
1370 |
21,561 |
21,574 |
21,588 |
21,602 |
21,616 |
21,629 |
21,643 |
21,657 |
21,671 |
21,684 |
|
1380 |
21,698 |
21,712 |
21,725 |
21,739 |
21,753 |
21,767 |
21,780 |
21,794 |
21,808 |
21,821 |
|
1390 |
21,835 |
21,849 |
21,862 |
21,876 |
21,889 |
21,903 |
21,917 |
21,930 |
21,944 |
21,958 |
|
1400 |
21,971 |
21,985 |
21,998 |
22,012 |
22,026 |
22,039 |
22,053 |
22,066 |
22,080 |
22,093 |
|
1410 |
22,107 |
22,121 |
22,134 |
22,148 |
22,161 |
22,175 |
22,188 |
22,202 |
22,215 |
22,229 |
|
1420 |
22,242 |
22,256 |
22,269 |
22,083 |
22,296 |
22,310 |
22,323 |
22,337 |
22,350 |
22,364 |
|
1430 |
22,377 |
22,391 |
22,404 |
22,417 |
22,431 |
22,444 |
22,458 |
22,471 |
22,485 |
22,498 |
|
1440 |
22,511 |
22,525 |
22,538 |
22,552 |
22,565 |
22,578 |
22,592 |
22,605 |
22,618 |
22,632 |
|
1450 |
22,645 |
22,658 |
22,672 |
22,685 |
22,698 |
22,712 |
22,725 |
22,738 |
22,752 |
22,765 |
|
1460 |
22,778 |
22,792 |
22,805 |
22,818 |
22,831 |
22,845 |
22,858 |
22,871 |
22,884 |
22,898 |
|
1470 |
22,911 |
22,924 |
22,937 |
22,951 |
22,964 |
22,977 |
22,990 |
23,003 |
23,017 |
23,030 |
|
1480 |
23,043 |
23,056 |
23,069 |
23,083 |
23,096 |
23,109 |
23,122 |
23,135 |
23.148 |
23,162 |
С. 8 ГОСТ 3044-14
УДК 536.532 : 006.354 Группа П24
ГОСУДАРСТВЕННЫЙ СТАНДАРТ СОЮЗА ССР
ПРЕОБРАЗОВАТЕЛИ ТЕРМОЭЛЕКТРИЧЕСКИЕ ГОСТ
Номинальные статические характеристики преобразования
Thermoelectric converters. Nominal static graduation tables
ОКП 42 1150
3044—84 (CT СЭВ 1059-85)
e части преобразователей типов TXAr TXK, TMK
Срок действия с 01 04 86
до 01.01.92
с 01.01.87
Несоблюдение стандарта преследуется по закону
1. Настоящий стандарт распространяется на термоэлектрические преобразователи с металлическими электродами и устанавливает номинальные статические характеристики (НСХ) преобразования термопар, т. е. зависимость термоэлектродвижущей силы (т. э. д. с.) термопар от температуры рабочего конца при температуре свободных концов 0°С.
НСХ преобразования термопар термоэлектрических преобразователей составлены в соответствии с МПТШ-68 по ГОСТ 8.157-75.
Степень соответствия настоящего стандарта СТ СЭВ 1059—85 приведена в приложении 7а.
(Измененная редакция, Изм. № 2).
2. Типы термоэлектрических преобразователей, условные обозначения НСХ преобразования термопар термоэлектрических преобразователей, диапазоны измеряемых термопар при длительном и кратковременном применении должны соответствовать приведенным в табл. 1.
Издание официальное ★
Перепечатка воспрещена
Издательство стандартов, 1989
С. 2 ГОСТ 3044-84
3. Расчет пределов допускаемых отклонений т. э. д. с. термопар термоэлектрических преобразователей в температурном эквиваленте от номинального значения следует проводить по формулам,, указанным в обязательном приложении 1.
1—3, (Измененная редакция, Изм. № 1).
4. Режим кратковременного применения должен быть указан в стандартах или технических условиях на термоэлектрические преобразователи конкретных типов в зависимости от условий их эксплуатации.
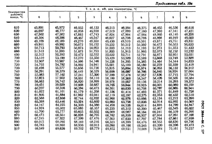
5. НСХ преобразования термопар термоэлектрических преобразователей в зависимости от диапазона температур должны соответствовать приведенным в табл. 2—9, 9а—12а.
НСХ преобразования ВР (А)-2 и ВР (А)-3 в диапазоне температур 1800—2500°С приведены в приложениях 2 и 3.
НСХ преобразования ВР (А)-1, в диапазоне температур 2500— 2800°С приведена в справочном приложении 4.
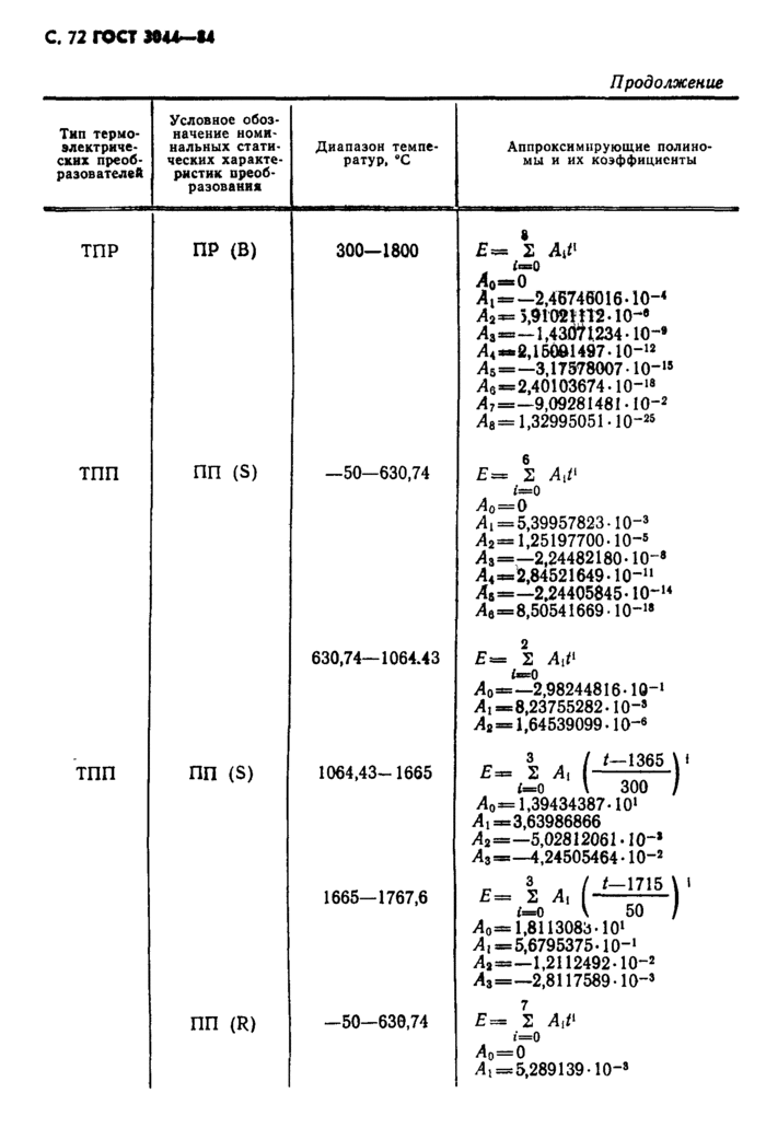
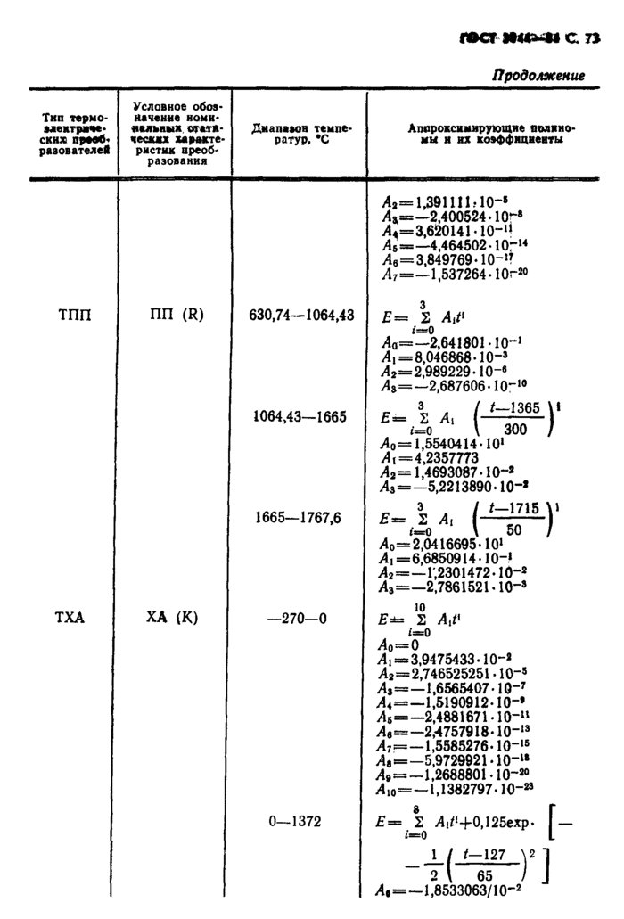
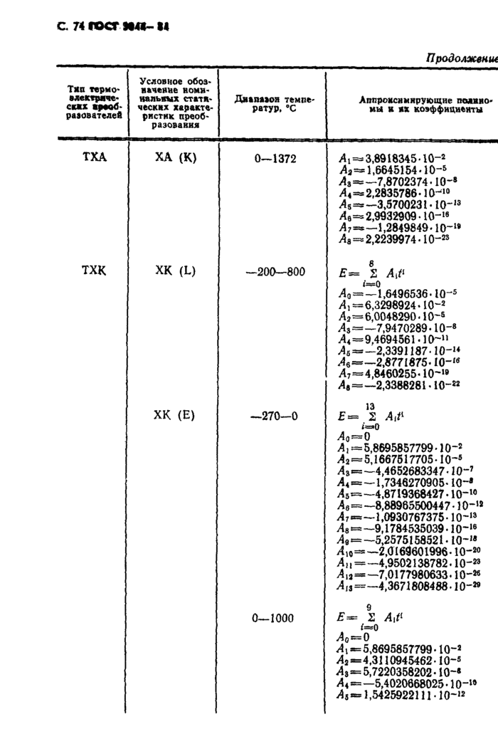
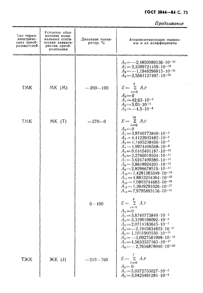
Аппроксимирующие полиномы НСХ преобразования термопар термоэлектрических преобразователей приведены в справочном приложении 7.
(Измененная редакция, Изм. № 1, 2).
6. (Исключен, Изм, № 1)*
7. По требованию потребителя допускается изготовлять термоэлектрические преобразователи с номинальными статическими характеристиками преобразования, отличными от установленных настоящим стандартом.
(Введен дополнительно, Изм. № 2).
Таблица 1
|
Тип термоэлектрических преобразователей |
Условное обозначение номинальных статических характеристик преобразования |
Материал термоэлектрода |
Диапазон измеряемых температур при длительном применении, °С |
Предельная температура при кратковременном применении, °С |
|
|
положительного |
отрицательного |
||||
|
ТВР |
ВР (А)-1 ВР (А)-2 ВР (А)-3 |
Сплав вольфрам-рений ВР 5 (95% W+5% Re) |
Сплав вольфрам-рений ВР20 (80% W+20% Re) |
0—2200 0—1800 0—1800 |
2500 |
|
ТПР |
ПР (В) |
Сплав платинородий ПР-30 (70% Pt+30% Rh) |
Сплав платинородий ПР-0 (94% Pt+6% Rh) |
300—1600 |
1800 |
|
ТПП |
ПП (S) |
Сплав платинородий ПР-10 (90% Pt+10% Rh) |
Платина Пл Т (Pt) |
0-1300- |
1600 |
|
ПП (R) |
Сплав платинородий ПР-13 (87% Pt+13% Rh) |
0—1300 |
1600 |
||
|
ТХА |
ХА (К) |
Сплав хромель Т НХ9,5 (90,5% Ni+9,5% Сг) |
Сплав алюмель НМц АК2-2-1 (94,5% N1+ +5,5% А1, Si, Мп, Со) |
Минус 200— плюс 1000 |
1300 |
|
тхк |
ХК (L) |
Сплав копель МНМц 43— 0,5 (56% Си+44% №) |
Минус 200— плюс 600 |
800 |
|
|
ХК (Е) |
Сплав константан (55% Си+45% Ni, Mn, Fe) |
Минус 200— плюс 700 |
900 |
||
|
тмк |
МК (М) |
Медь Ml (Си) |
Сплав копель МНМц 43— 0,5 (56% Си+44% №) |
Минус 200-плюс 100 |
100 |
|
МК (Т) |
Сплав константан (55% Си+45% Ni, Mn, Fe) |
Минус 200— плюс 400 |
400 |
||
|
ТЖК |
ЖК (J) |
Железо (Fe) |
Минус 200-плюс 700 |
900 |
|
Примечание. Химический состав материалов термоэлектродов ориентировочный.
ГОСТ 3044-84 С. 3
Таблица 2
Тип ТВР
Номинальная статическая характеристика преобразования ВР (А)-1
|
Т. э. д. с/.. |
мВ, для температуры, |
°с |
||||||||
|
Температура рабочего конца, *С |
0 |
1 |
2 |
3 |
А |
б |
6 |
7 |
8 |
9 |
|
0 |
0,000 |
0,012 |
0,024 |
0,036 |
0,048 |
0,060 |
0,072 |
0,085 |
0,097 |
0,109 |
|
10 |
0,121 |
0,134 |
0,146 |
0,158 |
0,171 |
0,183 |
0,196 |
0,208 |
0,221 |
0,233 |
|
20 |
0,246 |
0,258 |
0,271 |
0,284 |
0,296 |
0,309 |
0,322 |
0,335 |
0,348 |
0,360 |
|
30 |
0,373 |
0,386 |
0,399 |
0,412 |
0,425 |
0,438 |
0,451 |
0,464 |
0,477 |
0,490 |
|
40 |
0,504 |
0,517 |
0,530 |
0,543 |
0,556 |
0,570 |
0,583 |
0,596 |
0,610 |
0,623 |
|
50 |
0,637 |
0,650 |
0,663 |
0,677 |
0,690 |
0,704 |
0,718 |
0,731 |
0,745 |
0,758 |
|
60 |
0,772 |
0,786 |
0,799 |
0,813 |
0,827 |
0,841 |
0,855 |
0,868 |
0,882 |
0,896 |
|
70 |
0,910 |
0,924 |
0,938 |
0,952 |
0,966 |
0,980 |
0,994 |
1,008 |
1,022 |
1,036 |
|
80 |
1,050 |
1,064 |
1,079 |
1,093 |
1,107 |
1,121 |
1,135 |
1Л 50 |
1,164 |
1,178 |
|
90 |
1,193 |
1,207 |
1,221 |
3,236 |
1,250 |
1.265 |
1,279 |
3,293 |
1,308 |
1,322 |
|
100 |
1,337 |
1,352 |
1,366 |
1,381 |
1,395 |
1,410 |
1,425 |
1,439 |
1,454 |
1,469 |
|
по |
1,483 |
1,498 |
1,513 |
1,528 |
1,542 |
1,557 |
1,572 |
1,587 |
1,602 |
1,617 |
|
120 |
1,632 |
1,646 |
1,661 |
1,676 |
1,691 |
1,706 |
1,721 |
1,736 |
1,751 |
1,766 |
|
130 |
1,781 |
1,796 |
1,812 |
1,827 |
1,842 |
1,857 |
1,872 |
1,887 |
1,902 |
1,918 |
|
140 |
1,933 |
1,948 |
1,963 |
1,979 |
1,994 |
2,009 |
2,025 |
2,040 |
2,055 |
2,071 |
|
150 |
2,086 |
2,101 |
2,117 |
2,132 |
2,148 |
2,163 |
2,178 |
2,194 |
2,209 |
2,225 |
|
160 |
2,240 |
2,266 |
2,272 |
2,287 |
2,303 |
2,318 |
2,334 |
2,349 |
2,365 |
2,381 |
|
170 |
2,396 |
2,412 |
2,428 |
2,443 |
2,459 |
2,475 |
2,490 |
2,506 |
2,522 |
2,538 |
|
180 |
2,553 |
2,569 |
2,585 |
2,601 |
2,617 |
2,632 |
2,648 |
2,664 |
2,680 |
2,696 |
|
190 |
2,712 |
2,728 |
2,743 |
2,759 |
2,775 |
2,791 |
2,807 |
2,823 |
2,839 |
2,855 |
|
200 |
2,871 |
2,887 |
2,903 |
2,919 |
2,935 |
2,951 |
2,967 |
2,983 |
2,999 |
3,015 |
|
210 |
3,032 |
3,048 |
3,064 |
3,080 |
3,096 |
3,112 |
3,128 |
3,144 |
3,161 |
3,177 |
|
220 |
3,193 |
3,209 |
3,225 |
3,242 |
3,258 |
3,274 |
3,290 |
3,306 |
3,323 |
3,339 |
|
230 |
3,355 |
3,372 |
3,388 |
3,404 |
3,420 |
3,437 |
3,453 |
3,469 |
3,486 |
3,502 |
|
240 |
3,518 |
3,535 |
3,551 |
3,568 |
3,584 |
3,600 |
3,617 |
3,633 |
3,650 |
3,666 |
|
250 |
3,682 |
3,699 |
3,715 |
3,732 |
3,748 |
3,765 |
3,781 |
3,798 |
3,814 |
3,831 |
|
260 |
3,847 |
3,864 |
3,880 |
3,897 |
3,913 |
3,930 |
3,946 |
3,963 |
3,979 |
3,996 |
С. 4 ГОСТ 3044—S4
Продолжение табл. 2
|
Температура рабочего конца, °С |
т. э, д. с,., |
мВ, для температуры, |
°С |
|||||||
|
0 |
1 |
2 |
3 |
4 |
5 |
6 |
7 |
8 |
9 |
|
|
270 |
4,012 |
4,029 |
4,046 |
4,062 |
4,079 |
4,095 |
4,112 |
4,129 |
4,145 |
4,162 |
|
280 |
4,178 |
4,195 |
4,212 |
4,228 |
4,245 |
4,262 |
4,278 |
4,295 |
4,312 |
4,328 |
|
290 |
4,345 |
4,362 |
4,378 |
4,395 |
4,412 |
4,428 |
4,445 |
4,462 |
4,479 |
4,495 |
|
300 |
4,512 |
4,529 |
4,545 |
4,562 |
4,579 |
4,596 |
4,612 |
4,629 |
4,646 |
4,663 |
|
310 |
4,680 |
4,696 |
4,713 |
4,730 |
4,747 |
4,763 |
4,780 |
4,797 |
4,814 |
4,831 |
|
320 |
4,848 |
4,864 |
4,881 |
4,898 |
4,915 |
4,932 |
4,949 |
4,965 |
4,982 |
4,999 |
|
330 |
5,016 |
5,033 |
5,050 |
5,067 |
5,083 |
5,100 |
5,117 |
5,134 |
5,151 |
5,168 |
|
340 |
5,185 |
5,202 |
5,218 |
5,235 |
5,252 |
5,269 |
5,286 |
5,303 |
5,320 |
5,337 |
|
350 |
5,354 |
5,371 |
5,388 |
5,404 |
5,421 |
5,438 |
5,455 |
5,472 |
5,489 |
5,506 |
|
360 |
5,523 |
5,540 |
5,557 |
5,574 |
5,591 |
5,608 |
5,625 |
5,642 |
5,659 |
5,676 |
|
370 |
5,693 |
5,710 |
5,727 |
5,744 |
5,761 |
5,778 |
5,794 |
5,811 |
5,828 |
5,845 |
|
380 |
5,862 |
5,879 |
5,896 |
5,913 |
5,930 |
5,947 |
5,964 |
5,981 |
5,998 |
6,015 |
|
390 |
6,032 |
6,049 |
6,066 |
6,083 |
6,100 |
6,117 |
6,135 |
6,152 |
6,169 |
6,186 |
|
400 |
6,203 |
6,220 |
6,237 |
6,254 |
6,271 |
6,288 |
6,305 |
6,322 |
6,339 |
6,356 |
|
410 |
6,373 |
6,390 |
6,407 |
6,424 |
6,441 |
6,458 |
6,475 |
6,492 |
6,509 |
6,526 |
|
420 |
6,543 |
6,560 |
6,577 |
6,594 |
6,611 |
6,628 |
6,646 |
6,663 |
6,680 |
6,697 |
|
430 |
6,714 |
6,731 |
6,748 |
6,765 |
6,782 |
6,799 |
6,816 |
6,833 |
6,850 |
6*867 |
|
440 |
6,884 |
6,901 |
6,918 |
6,935 |
6,952 |
6,970 |
6,987 |
7,004 |
7,021 |
7,038 |
|
450 |
7,055 |
7,072 |
7,089 |
7,106 |
7,123 |
7,140 |
7,157 |
7,174 |
7,191 |
7,208 |
|
460 |
7,225 |
1,242 |
7,260 |
7,277 |
7,294 |
7,311 |
7,328 |
7,345 |
7,362 |
7,379 |
|
470 |
7,396 |
7,413 |
7,430 |
7,447 |
7,464 |
7,481 |
7,498 |
7,515 |
7,532 |
7,549 |
|
480 |
7,567 |
7,584 |
7,601 |
7,618 |
7,635 |
7,652 |
7,669 |
7,686 |
7,703 |
7,720 |
|
490 |
7,737 |
7,754 |
7,771 |
7,788 |
7,805 |
7,822 |
7,839 |
7,856 |
7,873 |
7,890 |
|
500 |
7,908 |
7,925 |
7,924 |
7,959 |
7,976 |
7,993 |
8,010 |
8,027 |
8,044 |
8,061 |
|
510 |
8,078 |
8,095 |
8,112 |
8,129 |
8,146 |
8,163 |
8,180 |
8,197 |
8,214 |
8,231 |
|
520 |
8,248 |
8,265 |
8,282 |
8,299 |
8,316 |
8,333 |
8,350 |
8,367 |
8,384 |
8,401 |
|
530 |
8,418 |
8,435 |
8,452 |
8,469 |
8,486 |
8,503 |
8,520 |
8,537 |
8,554 |
8,571 |
|
540 |
8,588 |
8,605 |
8,622 |
8,839 |
8,656 |
8,673 |
8,690 |
8,707 |
8,724 |
8,741 |
|
550 |
8,758 |
8,775 |
8,792 |
8,809 |
8,826 |
8,843 |
8,860 |
8,877 |
8,894 |
8,911 |
|
560 |
8,928 |
8,945 |
8,962 |
8,979 |
8,996 |
9,013 |
9,030 |
9,047 |
9,064 |
9,081 |
|
570 |
9,098 |
9,115 |
9,132 |
9,149 |
9,165 |
9,182 |
9,199 |
9,216 |
9,233 |
9,250 |
ГОСТ 3044-84 С. 5
Продолжение табл. 2
Т. э. д. сЬ, мВ, для температуры, °С
|
Температура рабочего конца, °С |
0 |
1 |
2 |
3 |
4 |
5 |
6 |
7 |
8 |
9 |
|
580 |
9,267 |
9,284 |
9,301 |
9,318 |
9,335 |
9,352 |
9,369 |
9,386 |
9,403 |
9,419 |
|
590 |
9,436 |
9,453 |
9,470 |
9,487 |
9,504 |
9,521 |
9,538 |
9,555 |
9,572 |
9,589 |
|
600 |
9,605 |
9,622 |
9,639 |
9,656 |
9,673 |
9,690 |
9,707 |
9,724 |
9,741 |
9,757 |
|
610 |
9,774 |
9,791 |
9,808 |
9,825 |
9,842 |
9,859 |
9,876 |
9,892 |
9,909 |
9,926 |
|
620 |
9,943 |
9,960 |
9,977 |
9,994 |
10,010 |
10,027 |
10,044 |
10,061 |
10,078 |
10,095 |
|
630 |
10,111 |
10,128 |
10,145 |
10,162 |
10,179 |
10,196 |
10,212 |
10,229 |
10,246 |
10,263 |
|
640 |
10,280 |
10,296 |
10,313 |
10,330 |
10,347 |
10,364 |
10,380 |
10,397 |
10,414 |
10,431 |
|
650 |
10,448 |
10,464 |
10,481 |
10,498 |
10,515 |
10,531 |
10,548 |
10,565 |
10,582 |
10,599 |
|
660 |
10,615 |
10,632 |
10,649 |
10,666 |
10,682 |
10,699 |
10,716 |
10,733 |
10,749 |
10,766 |
|
670 |
10,783 |
10,799 |
10,816 |
10,833 |
10,850 |
10,866 |
10,883 |
10,900 |
10,916 |
10,933 |
|
680 |
10,950 |
10,967 |
10,983 |
11,000 |
11,017 |
11,033 |
11,050 |
11,067 |
11,083 |
11,100 |
|
690 |
11,117 |
11,134 |
11,150 |
11,167 |
11,184 |
11,200 |
11,217 |
11,234 |
11,250 |
11,267 |
|
700 |
11,283 |
11,300 |
11,317 |
11,333 |
11,350 |
11,367 |
11,383 |
11,400 |
11,417 |
11,433 |
|
710 |
11,450 |
11,466 |
11,483 |
11,500 |
11,516 |
11,533 |
11,550 |
11,566 |
11,583 |
11,599 |
|
720 |
11,616 |
11,632 |
11,649 |
11,666 |
11,682 |
11,699 |
11,715 |
11,732 |
11,749 |
11,765 |
|
730 |
11,782 |
11,798 |
11,815 |
11,831 |
11,848 |
11,864 |
11,881 |
11,898 |
11,914 |
11,931 |
|
740 |
11,947 |
11,964 |
11,980 |
11,997 |
12,013 |
12,030 |
12,046 |
12,063 |
12,079 |
12,096 |
|
750 |
12,112 |
12,129 |
12,145 |
12,162 |
12,178 |
12,195 |
12,211 |
12,228 |
12,244 |
12,261 |
|
760 |
12,277 |
12,294 |
12,310 |
12,327 |
12,343 |
12,359 |
12,376 |
12,392 |
12,409 |
12,425 |
|
770 |
12,442 |
12,458 |
12,475 |
12,491 |
12,507 |
12,524 |
12,540 |
12,557 |
12,573 |
12,589 |
|
780 |
12,606 |
12,622 |
12,639 |
12,655 |
12,671 |
12,688 |
12,704 |
12,721 |
12,737 |
12,753 |
|
790 |
12*770 |
12,786 |
12,802 |
12,819 |
12,835 |
12,852 |
12,868 |
12,884 |
12,901 |
12,917 |
|
800 |
12,933 |
12,950 |
12,966 |
12,982 |
12,999 |
13,015 |
13,031 |
13,048 |
13,064 |
13,080 |
|
810 |
13,096 |
13,113 |
13,129 |
13,145 |
13,162 |
13,178 |
13,194 |
13,210 |
13,227 |
13,243 |
|
820 |
13,259 |
13,276 |
13,292 |
13,308 |
13,324 |
13,341 |
13,357 |
13,373 |
13,389 |
13,406 |
|
830 |
13,422 |
13,438 |
13,454 |
13,470 |
13,487 |
13,503 |
13,519 |
13,535 |
13,551 |
13,568 |
|
840 |
13,584 |
13,600 |
13,616 |
13,632 |
13,649 |
13,665 |
13,681 |
13,697 |
13,713 |
13,729 |
|
850 |
13,746 |
13,762 |
13,778 |
13,794 |
13,810 |
13,826 |
13,842 |
13,859 |
13,875 |
13,891 |
|
860 |
13,907 |
13,923 |
13,939 |
13,955 |
13,971 |
13,988 |
14,004 |
14,020 |
14,036 |
14,052 |
|
870 |
14,068 |
14,084 |
14,100 |
14,116 |
14,132 |
14,148 |
14,164 |
14,181 |
14,197 |
14,213 |
|
880 |
14,229 |
14,245 |
14,261 |
14,277 |
14,293 |
14,309 |
14,325 |
14,341 |
14,357 |
14,373 |
С. 6 ГОСТ 3044-84
|
Температура рабочего конца, 9С |
Т. э. д. се. |
|||
|
0 |
1 |
2 |
3 |
|
|
890 |
11,389 |
14,405 |
14,421 |
14,437 |
|
900 |
‘14,549 |
14,565 |
14,581 |
14,597 |
|
910 |
14,708 |
14,724 |
14,740 |
14,756 |
|
920 |
14,867 |
14,883 |
14,899 |
14,915 |
|
930 |
15,026 |
15,042 |
15,058 |
15,074 |
|
940 |
15,184 |
15,200 |
15,216 |
15,232 |
|
950 |
15,342 |
15,358 |
15,374 |
15,390 |
|
960 |
15,500 |
15,515 |
15,531 |
15,547 |
|
970 |
15,657 |
15,672 |
15,688 |
15.704 |
|
980 |
15,813 |
15,829 |
15,845 |
15,860 |
|
990 |
15,970 |
15,985 |
16,001 |
16,016 |
|
1000 |
16,125 |
16,141 |
16,157 |
16,172 |
|
1010 |
16,281 |
16,296 |
16,312 |
16,327 |
|
1020 |
16,436 |
16,451 |
16,467 |
16,482 |
|
1030 |
16,590 |
16,606 |
16,621 |
16,637 |
|
1040 |
16,744 |
16,760 |
16,775 |
16,790 |
|
1050 |
16,898 |
16,913 |
16,929 |
16,944 |
|
1060 |
17,051 |
17,066 |
17,082 |
17,097 |
|
1070 |
17,204 |
17,219 |
17,234 |
17,249 |
|
1080 |
17,356 |
17,371 |
17,386 |
17,402 |
|
1090 |
17,508 |
17,523 |
17,538 |
17,553 |
|
1100 |
17,659 |
17,674 |
17,689 |
17,704 |
|
1110 |
17,810 |
17,825 |
17,840 |
17,855 |
|
1120 |
17,960 |
17,975 |
17,990 |
18,005 |
|
ИЗО |
18,110 |
18,125 |
18,140 |
18,155 |
|
1140 |
18,2 | |||
