Головки соединительные для пожарного оборудования. Типы, основные параметры и размеры
Действие завершено 01.05.2009
Утратил силу в РФ
Заменяет

Страница 1

Страница 2

Страница 3

Страница 4

Страница 5

Страница 6

Страница 7

Страница 8

Страница 9

Страница 10

Страница 11
ГОСТ 28352-89
МЕЖГОСУДАРСТВЕННЫЙ СТАНДАРТ
ГОЛОВКИ СОЕДИНИТЕЛЬНЫЕ ДЛЯ
ПОЖАРНОГО ОБОРУДОВАНИЯ
ТИПЫ, ОСНОВНЫЕ ПАРАМЕТРЫ И РАЗМЕРЫ
Москва
Стандартинформ
2006
МЕЖГОСУДАРСТВЕННЫЙ СТАНДАРТ
|
ГОЛОВКИ СОЕДИНИТЕЛЬНЫЕ ДЛЯ ПОЖАРНОГО Типы, основные параметры и размеры Connecting heads for fire equipment. |
ГОСТ |
Дата введения 01.01.92
Настоящий стандарт распространяется на соединительные напорные и всасывающие головки (далее — головки), предназначенные для соединения напорных, всасывающих и напорно-всасывающих пожарных рукавов между собой и с пожарным оборудованием.
Стандарт устанавливает требования к головкам, изготовляемым для нужд народного хозяйства и экспорта.
1. ТИПЫ
В зависимости от назначения головки подразделяют на следующие типы:
НАПОРНЫЕ
ГР — рукавная напорная (черт. 1, табл. 1);
ГМ — муфтовая напорная (черт. 2, табл. 2);
ГЦ — цапковая напорная (черт. 3, табл. 3);
ГП — переходная напорная (черт. 4, табл. 4);
ГЗ — головка-заглушка напорная (черт. 5, табл. 5).
ВСАСЫВАЮЩИЕ
ГРВ — рукавная всасывающая (черт. 6, табл. 6);
ГМВ — муфтовая всасывающая (черт. 7, табл. 7);
ГЗВ — головка-заглушка всасывающая (черт. 8, табл. 8).
2. ОСНОВНЫЕ ПАРАМЕТРЫ И РАЗМЕРЫ
2.1. Конструкция головок должна обеспечивать:
смыкаемость головок вручную (без применения ключа) на величину 1,0 — 1,5 ширины клыка;
смыкаемость и герметичность головок между собой и с головками одинакового условного прохода других типов с помощью ключей по ГОСТ 14286 (кроме головок Dy 25);
неразъемность головок под воздействием напора в рукавных линиях.
2.2. Каждую головку комплектуют резиновым кольцом по ГОСТ 6557, обеспечивающим эксплуатацию в климатических зонах У, ХЛ и Т по ГОСТ 15150 для категории размещения 1.
2.3. Каждая головка (кроме типа ГЦ, ГМ и Dу 25) должна иметь 4 равномерно расположенных по окружности выступа, размеры которых должны обеспечивать надежный захват за них ключа по ГОСТ 14286.
2.4. Присоединительные размеры головок должны соответствовать указанным на черт. 1 — 9 и в табл. 1 — 9.
Головки напорные
Тип ГР
Черт. 1
Примечание. Черт. 1 — 9 не определяют конструкцию головок.
Таблица 1
Размеры, мм
|
Типоразмер |
Условный проход Dy |
Рабочее давление, МПа, (кгс/см2) |
D |
D1 |
d |
l, не менее |
L, не более |
|
|
номин. |
пред. откл. |
|||||||
|
ГР-25 |
25 |
2,0 (20) |
60 |
28,4 |
+0,1 |
19 |
35 |
65 |
|
ГР-50 |
50 |
1,6 (16) |
98 |
50,5 |
42 |
52 |
92 |
|
|
ГР-70 |
70 |
1,6 (16) |
128 |
66,0 |
+0,3 |
57 |
56 |
108 |
|
ГР-80 |
80 |
1,6 (16) |
142 |
77,0 |
-0,5 |
69 |
60 |
120 |
|
ГР-150 |
150 |
1,2 (12) |
242 |
150,0 |
+0,5 |
136 |
95 |
173 |
|
-0,7 |
||||||||
Пример условного обозначения соединительной рукавной напорной головки типоразмера ГР-70:
Головка напорная ГР-70 ГОСТ 28352-89
Тип ГМ
Черт. 2
Таблица 2
Размеры, мм
|
Типоразмер |
Условный проход Dy |
Рабочее давление, МПа, (кгс/см2) |
D |
d |
d1 |
l |
L, не более |
|
ГМ-25 |
25 |
2,0 (20) |
60 |
19 |
G 1-B |
17 |
40 |
|
ГМ-50 |
50 |
1,6 (16) |
98 |
43 |
G 2-B |
21 |
44 |
|
ГМ-70 |
70 |
1,6 (16) |
128 |
57 |
G 2,5-B |
25 |
56 |
|
ГМ-80 |
80 |
1,6 (16) |
142 |
68 |
G 3-B |
28 |
60 |
|
ГМ-150 |
150 |
1,2 (12) |
242 |
136 |
G 6-B |
35 |
78 |
Пример условного обозначения соединительной муфтовой напорной головки типоразмера ГМ-70:
Головка напорная ГМ-70 ГОСТ 28352-89
Тип ГЦ
Черт. 3
Таблица 3
Размеры, мм
|
Типоразмер |
Условный проход Dy |
Рабочее давление, МПа, (кгс/см2) |
D |
d |
d1 |
l |
L, не более |
|
ГЦ-25 |
25 |
2,0 (20) |
60 |
G 1-B |
19 |
14,0 |
40 |
|
ГЦ-50 |
50 |
1,6 (16) |
98 |
G 2-B |
43 |
22,5 |
55 |
|
ГЦ-70 |
70 |
1,6 (16) |
128 |
G 2,5-B |
57 |
25,0 |
61 |
|
ГЦ-80 |
80 |
1,6 (16) |
142 |
G 3-B |
68 |
28,0 |
68 |
|
ГЦ-150 |
150 |
1,2 (12) |
242 |
G 6-B |
136 |
45,0 |
98 |
Пример условного обозначения соединительной цапковой напорной головки типоразмера ГЦ-70:
Головка напорная ГЦ-70 ГОСТ 28352-89
Тип ГП
Черт. 4
Таблица 4
Размеры, мм
|
Типоразмер |
Условный проход Dy |
Рабочее давление, МПа, (кгс/см2) |
D |
d |
d1 |
L, не более |
|
ГП-50´25 |
50´25 |
2,0 (20) |
98 |
19 |
42 |
105 |
|
ГП-70´50 |
70´50 |
1,6 (16) |
128 |
42 |
55 |
155 |
|
ГП-80´50 |
80´50 |
1,6 (16) |
142 |
42 |
67 |
167 |
|
ГП-80´70 |
80´70 |
1,6 (16) |
142 |
57 |
67 |
160 |
Пример условного обозначения соединительной переходной напорной головки типоразмера ГП-70´50:
Головка напорная ГП-70´50 ГОСТ 28352-89
Тип ГЗ
Черт. 5
Таблица 5
Размеры, мм
|
Типоразмер |
Условный проход |
Рабочее давление, МПа, (кгс/см2) |
D |
L, не более |
|
ГЗ-25 |
25 |
2,0 (20) |
60 |
40 |
|
ГЗ-50 |
50 |
1,6 (16) |
98 |
75 |
|
ГЗ-70 |
70 |
1,6 (16) |
128 |
80 |
|
ГЗ-80 |
80 |
1,6 (16) |
142 |
90 |
|
ГЗ-150 |
150 |
1,2 (12) |
242 |
125 |
Пример условного обозначения соединительной напорной головки-заглушки типоразмера ГЗ-70:
Головка-заглушка напорная ГЗ-70 ГОСТ 28352-89
Головки всасывающие
Тип ГРВ
Черт. 6
Таблица 6
Размеры, мм
|
Типоразмер |
Условный проход Dy |
Рабочее давление, МПа, (кгс/см2) |
D |
D1 |
d |
l, не менее |
L, не более |
|
|
номин. |
пред. откл. |
|||||||
|
ГРВ-80 |
80 |
1,0 (10) |
142 |
75 |
± 0,4 |
64 |
100 |
172 |
|
ГРВ-100 |
100 |
0,1 (1,0) |
175 |
100 |
± 0,5 |
87 |
100 |
172 |
|
ГРВ-125 |
125 |
0,1 (1,0) |
210 |
124 |
± 0,5 |
110 |
140 |
220 |
Пример условного обозначения соединительной рукавной всасывающей головки типоразмера ГРВ-80:
Головка всасывающая ГРВ-80 ГОСТ 28352-89
Тип ГМВ
Черт. 7
Таблица 7
Размеры, мм
|
Типоразмер |
Условный проход Dy |
Рабочее давление, МПа, (кгс/см2) |
D |
d1 |
d |
l |
L, не более |
|
ГМВ-80 |
80 |
1,0 (10) |
142 |
М95´4 |
64 |
28 |
64 |
|
ГМВ-100 |
100 |
0,1 (1,0) |
175 |
М125´6 |
87 |
40 |
76 |
|
ГМВ-125 |
125 |
1,0 (10) |
210 |
М150´6 |
110 |
40 |
81 |
Пример условного обозначения соединительной муфтовой всасывающей головки типоразмера ГМВ-80:
Головка всасывающая ГМВ-80 ГОСТ 28352-89
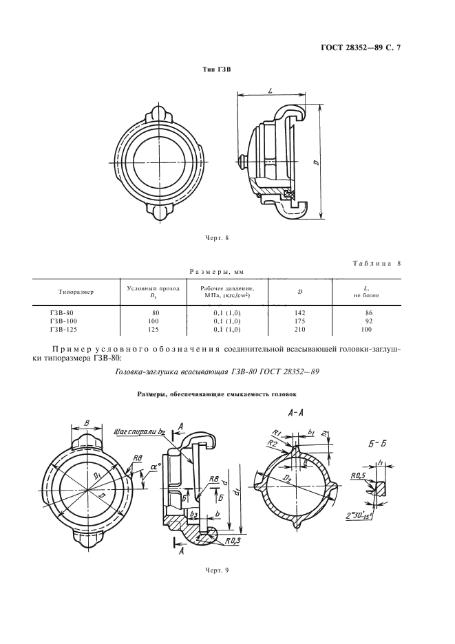
Тип ГЗВ
Черт. 8
Таблица 8
Размеры, мм
|
Типоразмер |
Условный проход |
Рабочее давление, МПа, (кгс/см2) |
D |
L, не более |
|
ГЗВ-80 |
80 |
0,1 (1,0) |
142 |
86 |
|
ГЗВ-100 |
100 |
0,1 (1,0) |
175 |
92 |
|
ГЗВ-125 |
125 |
0,1 (1,0) |
210 |
100 |
Пример условного обозначения соединительной всасывающей головки-заглушки типоразмера ГЗВ-80:
Головка-заглушка всасывающая ГЗВ-80 ГОСТ 28352-89
Размеры, обеспечивающие смыкаемость головок
Черт. 9
Таблица 9
Размеры, мм
|
Условный проход Dy |
D |
D1 |
D2, не более |
d |
d1 |
В |
||||
|
Номин. |
Пред. откл. |
Номин. |
Пред. откл. |
Номин. |
Пред. откл. |
Номин. |
Пред. откл. |
|||
|
25 |
46 |
± 0,2 |
40 |
-0,5 |
— |
40 |
+0,5 |
47 |
+0,33 |
18 |
|
-0,2 |
+0,2 |
|||||||||
|
50 |
85 |
-0,87 |
77 |
-0,74 |
77 |
78 |
+0,54 |
86 |
+0,54 |
28 |
|
70 |
103 |
94 |
-0,87 |
94 |
95 |
104 |
32 |
|||
|
80 |
115 |
106 |
106 |
107 |
116 |
35 |
||||
|
100 |
149 |
-1 |
139 |
-1 |
136 |
140 |
+0,63 |
150 |
+0,63 |
38 |
|
125 |
175 |
165 |
160 |
166 |
176 |
40 |
||||
|
150 |
195 |
-1,15 |
185 |
-1,15 |
195 |
185 |
197 |
40 |
||
Продолжение табл. 9
Размеры, мм
|
Условный проход Dy |
b |
b1 |
b2 |
b3 |
h |
h1, не менее |
a |
|||
|
Номин. |
Пред. откл. |
Номин. |
Пред. откл. |
Номин. |
Пред. откл. |
|||||
|
25 |
4,5 |
-0,1 |
— |
4 |
11 |
+0,27 |
3,5 |
-0,18 |
— |
10° |
|
50 |
7 |
+0,22 |
4 |
7 |
12 |
4,6 |
6 |
20° |
||
|
70 |
8 |
5 |
8 |
12 |
5,75 |
7 |
25° |
|||
|
80 |
9 |
5 |
8 |
14 |
6,7 |
-0,22 |
7 |
25° |
||
|
100 |
9,5 |
5 |
9 |
15 |
7,25 |
10 |
30° |
|||
|
125 |
10 |
6 |
10 |
18 |
7,85 |
10 |
30° |
|||
|
150 |
12 |
7 |
10 |
15 |
7,85 |
10 |
30° |
|||
(Поправка).
ИНФОРМАЦИОННЫЕ ДАННЫЕ
1. РАЗРАБОТАН И ВНЕСЕН Министерством строительного, дорожного и коммунального машиностроения СССР
2. УТВЕРЖДЕН И ВВЕДЕН В ДЕЙСТВИЕ Постановлением Государственного комитета СССР по стандартам от 29.11.89 № 3522
3. ВЗАМЕН ГОСТ 2217-76 и ГОСТ 12964-80
4. ССЫЛОЧНЫЕ НОРМАТИВНО-ТЕХНИЧЕСКИЕ ДОКУМЕНТЫ
|
Обозначение НТД, на который дана ссылка |
Номер пункта |
|
ГОСТ 6557-89 |
2.2 |
|
ГОСТ 14286-69 |
2.1; 2.3 |
|
ГОСТ 15150-69 |
2.2 |
5. ИЗДАНИЕ (декабрь 2005 г.) с Поправкой (ИУС 12-91)
СОДЕРЖАНИЕ
|
1. Типы.. 1 2. Основные параметры и размеры.. 1 |









