Дюбели полиамидные для строительства. Технические условия
Действие завершено 01.07.1995
Утратил силу в РФ
Документ завершил свое действие. Вы можете скачать Руководящий документ ГОСТ 26998-86 в удобном формате.
Скрыть дополнительную информацию
Выберите формат отображения документа:

Страница 1

Страница 2

Страница 3

Страница 4

Страница 5

Страница 6

Страница 7

Страница 8

Страница 9

Страница 10

Страница 11

Страница 12

Страница 13

Страница 14

Страница 15

Страница 16

Страница 17

Страница 18

Страница 19
Цена 3 коп.
ГОСУДАРСТВЕННЫЙ СТАНДАРТ СОЮЗА ССР
ДЮБЕЛИ ПОЛИАМИДНЫЕ ДЛЯ СТРОИТЕЛЬСТВА
ТЕХНИЧЕСКИЕ УСЛОВИЯ
ГОСТ 26998-86
Издание официальное
Е
ГОСУДАРСТВЕННЫЙ СТРОИТЕЛЬНЫЙ КОМИТЕТ СССР М • с к в а
РАЗРАБОТАН
Министерством монтажных и специальных строительных работ СССР
Центральным научно-исследовательским и проектно-экспериментальным институтом организации, механизации и технической помощи строительству (ЦНИИОМТП) Госстроя СССР
ИСПОЛНИТЕЛИ
М. М. Радзивиловский; Н. Д. Федотов; Г. А. Матвеева; П. П. Алексеенко,
канд. техн. наук; А. В. Белов, канд. техн. наук; Р. А. Каграманов, канд. техн. наук; В. В. Баконин
ВНЕСЕН Министерством монтажных и специальных строительных работ СССР
Зам. министра К. К. Липодат
УТВЕРЖДЕН И ВВЕДЕН В ДЕЙСТВИЕ Постановлением Государственного комитета СССР по делам строительства от 12 августа 1986 г. № 112
ГОСТ J6998—86 Стр. 9
Допускается упаковку дюбелей, предназначенных для продажи через розничную торговую сеть, производить в коробки из картона по ГОСТ 7933-75. Крышку коробки приклеивают к ее корпусу клеевой лентой по ГОСТ 18251-72.
В каждый пакет (коробку) должны быть упакованы дюбели одного типа.
6.4.1. При поставке дюбелей для нужд строительства и продажи через розничную торговую сеть шурупы и шайбы, в Отдельности, должны быть завернуты в оберточную бумагу по ГОСТ 8273—75 и уложены в один пакет (коробку) с дюбелями в количестве, соответствующем количеству дюбелей.
Верх полиэтиленового пакета должен быть сварен или прошит.
Полиэтиленовые пакеты с дюбелями, шурупами и шайбами, предназначенными для нужд строительства, должны быть уложены в бумажные мешки по ГОСТ 2226-75; верх мешка должен быть загнут и прошит проволокой по ГОСТ 3282-74 или нитками по ГОСТ 14961-77, Масса бумажного мешка с упакованными дюбелями (брутто) — не более 40 кг.
Полиэтиленовые пакеты (коробки) с дюбелями, шурупами и шайбами, предназначенными для продажи через розничную торговую сеть должны быть уложены в ящики из гофрированного картона по ГОСТ 9142-84; клапаны ящика должны быть склеены клеевой лентой по ГОСТ 18251-72; допускается обвязка ящиков неполированным шпагатом по ГОСТ 17308-85 в две нити в параллель крест-накрест. Масса ящика с дюбелями (брутто) — не более 20 кг.
В каждый мешок (ящик) должны быть упакованы дюбели одного типа.
В каждый мешок (ящик) с дюбелями должен быть вложен упаковочный лист, содержащий следующие данные:
товарный знак предприятия-изготовителя;
полное наименование министерства и предприятия-изготовителя;
наименование и условное обозначение дюбеля;
количество дюбелей в мешке (ящике);
штамп ОТК;
дату изготовления;
розничную цену (для дюбелей, предназначенных для продажи через розничную торговую сеть);
штамп упаковщика.
6.4.2. При поставке дюбелей на экспорт шурупы и шайбы должны быть законсервированы по ГОСТ 9.014-78, вариант ВЗ—1, консервационным маслом К—17 по ГОСТ 10877-76, завернуты в парафинированную бумагу по ГОСТ 9569-79 или другую аналогичную бумагу или в пакет из полиэтиленовой пленки по ГОСТ
УДК 621.8S6:006.3S4 Группа Е78
ГОСУДАРСТВЕННЫЙ СТАНДАРТ СОЮЗ/ ССР
ДЮБЕЛИ ПОЛИАМИДНЫЕ ДЛЯ СТРОИТЕЛЬСТВА Технические условия
Polyamide dowels for building. Specifications
ГОСТ
26998-86
окп 34 4995
Постановлением Государственного комитета СССР по делам строительства от 12 августа 1986 г. № 112 срок введения установлен
с 01.01.87
Несоблюдение стандарта преследуется по закону
Настоящий стандарт распространяется на дюбели из полиамида (далее — дюбели) видов климатического исполнения УЗ и ТЗ по ГОСТ 15150-69, применяемые для крепления шурупами диаметром 4 и 5 мм по ГОСТ 1144-80 различных изделий (кроме подъемно-транспортных механизмов) к строительным конструкциям из бетона и кирпича, предназначенные для нужд строительства, для продажи через розничную торговую сеть и для поставки на экспорт.
Перепечатка воспг
Издание официальное Е
© Издательство стандартов, 1986
Стр. 2 ГОСТ 26998-86
1. ТИПЫ, ПАРАМЕТРЫ, КОНСТРУКЦИЯ И РАЗМЕРЫ
1.1. Устанавливают следующую структуру условного обозначения дюбелей:
A JL»»JL~JL 2L
_____Наименование изделия
__Длина дюбеля
Диаметр шурупа
Диаметр отверстия под дюбель
Вид климатического исполнения
_Обозначение настоящего стандарта
Пример условного обозначения дюбеля длиной 25 мм, с шурупом диаметром 4 мм, отверстием под дюбель 6 мм, вида климатического исполнения УЗ;
Дюбель 25—4-6УЗ ГОСТ 26998-86
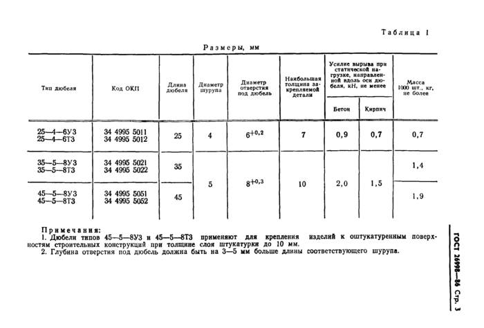
1.2. Типы, параметры дюбелей и коды ОКП должны соответствовать приведенным в табл. 1.
Размеры, мм
Таблица 1
|
Тип дюбеля |
Код ОКП |
Длина дюбеля |
Диаметр шурупа |
Диаметр отверстия под дюбель |
Наибольшая толщина за* крепляемой детали |
Усилие вырыва при статической нагрузке, направленной вдоль оси дюбеля, кН, не менее |
Масса 1000 шт., кг, не более |
|
|
Бетон |
Кирпич |
|||||||
|
25—4—6УЗ 25—4—6ТЗ |
34 4995 5011 34 4995 5012 |
25 |
4 |
6+0,2 |
7 |
0,9 |
0,7 |
0,7 |
|
35—5—8УЗ 35—5—8ТЗ |
34 4995 5021 34 4995 5022 |
35 |
5 |
3+о,з |
10 |
2,0 |
1,5 |
1,4 |
|
45—5—8УЗ 45—5—8ТЗ |
34 4995 5051 34 4995 5052 |
45 |
1,9 |
|||||
Примечания:
1. Дюбели типов 45—5—8УЗ и 45—5—8ТЗ применяют для крепления изделий к оштукатуренным поверхностям строительных конструкций при толщине слоя штукатурки до 10 мм.
2. Глубина отверстия под дюбель должна быть на 3—5 мм больше длины соответствующего шурупа.
ГОСТ 26998—М Стр. 3
ctp. 4 гост тп~ъь
1.3. Конструкция и размеры дюбелей должны соответствовать указанным на чертеже и в табл. 2.
Таблица 2
мм
|
Тип дюбеля |
1 |
L |
и |
t* |
и |
h |
К |
|
|
25—4—6УЗ 25—4—6ТЗ |
25±0,3 |
0,7 |
3,5:4:0,8 |
2,8+0,8 |
2,0 |
3,5 |
0,7 |
0,5+0>о |
|
35—5—8УЗ 35—5—8ТЗ |
35±0,3 |
1,5 |
5,0± 0,8 |
3,6±0,8 |
3,0 |
5,0 |
1,0 |
0,8 |
|
45—5—8УЗ 45—5—8ТЗ |
45±0,3 |
Продолжение табл. 2
мм
|
Тип дюбеля |
fta |
d |
|
d9 |
d* |
d* |
ds |
d. |
|
25 4 6УЗ 25—4—6ТЗ |
2,0 |
7,0 |
6,2 |
4,3±0,2 |
4,5 |
1,5 |
6,0 |
9,0 |
|
35—5—8УЗ 35—5—8ТЗ |
2,5 |
9,5 |
8,2 |
5,6±0,2 |
6,0 |
2,0 |
8,0 |
11,0 |
|
45—5—8УЗ 45-5—8ТЗ |
Примечание. Неуказанные предельные отклонения размеров:
, t,
+V» — 2 *
ГОСТ 26ОД-16 Стр. 5
159130′ ‘fSij.
и
h.
*M 4>
•ьЧчз
izi A-A
Примечание Литейные радиусы 0,5 мм.
2. ТЕХНИЧЕСКИЕ ТРЕБОВАНИЯ
2.1. Для изготовления дюбелей следует применять следующие материалы по ОСТ 6—06—С9—83: полиамид ПА 6—210/310 или полиамид ПА 6—210/311 — для дюбелей вида климатического исполнения УЗ; полиамид ПА—6—211—15 — для дюбелей вида климатического исполнения ТЗ.
2.2. На наружной и внутренней поверхности дюбелей не должно быть трещин, отслоений, вздутий, раковин и вмятин.
На внутренней поверхности дюбелей допускаются кольцевые выступы, высота и ширина которых не должна быть более 0,2 мм.
Стр. 6 ГОСТ 26998-86
2.3. Номинальные значения климатических факторов — по ГОСТ 15150-69.
3. КОМПЛЕКТНОСТЬ
3.1. В комплект поставки дюбелей входят: дюбель— 1 шт.;
шуруп по ГОСТ 1144-80 в соответствии с табл. 3 — 1 шт.; шайба по ГОСТ 10450-78 в соответствии с табл. 3— 1 шт.; эксплуатационная документация по ГОСТ 2.601-68 (для дюбелей, изготавливаемых для нужд строительства и поставки на экспорт) — 1 экз. на грузовое место;
эксплуатационная документация по ГОСТ 2.606-71 (для дюбелей, предназначенных для продажи через розничную торговую сеть) — 1 экз. на пакет (коробку) с дюбелями.
Количество экземпляров эксплуатационной документации при поставке дюбелей на экспорт может отличаться от указанного, если это оговорено в заказе-наряде внешнеторговой организации.
Таблица 3
|
Тип дюбеля |
Шуруп по ГОСТ 1144-80 |
Шайба по ГОСТ 10450-78 |
|
25—4—6 УЗ |
1—4×30.016 |
4.01.016 |
|
25—4—6 ТЗ |
1—4X30.029 |
4.01.029 |
|
35-5—8 УЗ |
1—5X40.016 |
5.01.016 |
|
35-5-8 ТЗ |
1—5X40.029 |
5.01.029 |
|
45-5-8 УЗ |
1—5X60.016 |
5.01.016 |
|
45-5-8 ТЗ |
1—5Х 60.029 |
5.01.029 |
4. ПРАВИЛА ПРИЕМКИ
4.1. Для проверки соответствия дюбелей требованиям настоящего стандарта устанавливают следующие виды контрольных ис-пытаний:
приемо-сдаточные;
периодические.
4.2. Приемо-сдаточным испытаниям подвергают каждую партию дюбелей.
Объем партии устанавливает предприятие-изготовитель, но не-более сменного выпуска дюбелей.
При приемо-сдаточных испытаниях следует проводить сплошной контроль на соответствие требованиям п. 2.2 (в части внешнего вида), разд. 3, пп. 6.1—6.4 и выборочный контроль на соответствие требованиям п. 1.1 (в части размеров I, dlt d2). Объем выборки — 0,5% дюбелей от партии, но не менее 20 шт.
ГОСТ 26m—М Стр. 7
Результаты выборочного контроля считают отрицательными при несоответствии указанным требованиям хотя бы одного дюбеля.
4.3. При периодических испытаниях следует проводить контроль на соответствие всем требованиям настоящего стандарта; периодичность испытаний — не реже раза в три года, кроме контроля размеров по п. 1.1, который следует проводить не реже раза в год.
Испытания следует проводить на дюбелях, прошедших приемосдаточные испытания. Объем выборки — не менее 30 дюбелей каждого типа.
При получении неудовлетворительных результатов периодических испытаний хотя бы по одному из показателей, проводят повторные испытания удвоенного количества дюбелей. Допускается проводить повторные испытания для проверки требований, по которым получены отрицательные результаты. Результаты повторных испытаний являются окончательными.
S. МЕТОДЫ КОНТРОЛЯ
5.1. Проверку размеров I, 1и к, к, d, du d2> ds, d6 проводят непосредственным измерением дюбелей, проверка остальных размеров — контролем размеров технологической оснастки. Проверку следует производить штангенциркулем со значениями отсчета по нониусу: 0,05 мм — для наружных измерений и 0,1 мм — для внутренних измерений; проверку угловых размеров следует производить угломером со значением отсчета по нониусу не более 10′.
5.2. Массу дюбелей следует проверять взвешиванием 1000 дюбелей каждого типа с точностью до 5 г.
5.3. Проверку усилия вырыва дюбеля следует проводить с помощью устройства, позволяющего обеспечивать и измерять это усилие, приложенное по оси дюбеля. Цена деления динамометра должна быть не более 50 Н.
Дюбели должны быть закреплены в блоках из бетона (кирпича). Диаметры отверстий под дюбели должны соответствовать указанным в табл. 1.
5.4. Проверку материала дюбелей .следует проводить по сертификатам и другим документам предприятий-поставщиков.
5.5. Проверку внешнего вида дюбелей (п. 2.2), комплектности (разд. 3), маркировки (пп. 6.1—6.2) и упаковки (п. 6.4) следует проводить визуально.
5.6. Климатические испытания по п. 2.3 проводят на дюбелях с ввинченными в них шурупами, установленных в бетонный блок, следующими методами:
при испытании на теплоустойчивость — по методу 201—1 или 202—1 ГОСТ 16962-71; время выдержки в камере тепла при ус* тановившейся температуре—не менее 2 ч;
при испытании на холодоустойчивость — по методу 203—1 или 204—1 ГОСТ 16962-71; время выдержки в камере холода при установившейся температуре — не менее 2 ч;
при испытании на влагоустойчивость — по методу 207—2 ГОСТ 16962-71. Режим испытаний должен соответствовать: степени жесткости III — для дюбелей вида климатического исполнения УЗ;
степени жесткости VII — для дюбелей вида климатического исполнения ТЗ.
После извлечения бетонного блока с дюбелями из испытательных камер их выдерживают в нормальных климатических условиях по ГОСТ 15150-69 не менее 2 ч; затем производят проверку соответствия усилия вырыва дюбеля нормативным значениям» приведенным в табл. 1.
6. МАРКИРОВКА, УПАКОВКА, ТРАНСПОРТИРОВАНИЕ И ХРАНЕНИЕ
6.1. Маркировка дюбелей, предназначенных для нужд строительства и продажи через розничную торговую сеть, должна содержать:
технические данные: длину дюбеля, диаметр шурупа, диаметр отверстия под дюбель (разделенные тире); товарный знак предприятия-изготовителя; дату изготовления (год, месяц);
розничную цену (для дюбелей, предназначенных для продажи ‘через розничную торговую сеть).
Маркировку технических данных и товарный знак наносят на дюбели в соответствии с чертежом; дату изготовления и розничную цену указывают в упаковочном листе и эксплуатационной документации (для дюбелей, предназначенных для продажи через розничную торговую сеть).
6.2. Маркировку дюбелей, предназначенных для экспорта, следует наносить на ярлык, она должна содержать:
технические данные;
дату изготовления (год, месяц);
надпись «Сделано в СССР».
Маркировку технических данных наносят также на дюбели.
6.3. Маркировку технических данных следует выполнять шрифтом ПО—1,5 по ГОСТ 2930-62.
6.4. Упаковку дюбелей следует производить в пакеты из полиэтиленовой пленки по ГОСТ 10354-82 в следующих количествах:
до 100 шт.—для нужд строительства и поставки на экспорт; до 20 шт. — для продажи через розничную торговую сеть.
