Древесина модифицированная. Метод определения стабильности размеров
На нашем сайте можно бесплатно скачать Руководящий документ ГОСТ 25579-83 в удобном формате. Узнать актуальный статус документа «Древесина модифицированная. Метод определения стабильности размеров» на 2016 год.
Скрыть дополнительную информацию
Страница 1

Страница 2

Страница 3

Страница 4

Страница 5

Страница 6

Страница 7

Страница 8
Х55П-М
Щи/, /
ГОСУДАРСТВЕННЫЙ СТАНДАРТ СОЮЗА ССР
ДРЕВЕСИНА МОДИФИЦИРОВАННАЯ
МЕТОД ОПРЕДЕЛЕНИЯ СТАБИЛЬНОСТИ РАЗМЕРОВ
ГОСТ 25579-83
Издание официальное
Ценз I иоп.
|
государственный |
л.
РАЗРАБОТАН Министерством высшего и среднего специального образования РСФСР
ИСПОЛНИТЕЛИ
Н. И. Винник, «анд. твхм. неук (руководитель темы), В. И. Калинин
ВНЕСЕН Министерством высшего и среднего специального образования РСФСР
Зам. минисго* Э. К. Калинин
УТВЕРЖДЕН И ВВЕДЕН В ДЕЙСТВИЕ Постановлением Государственного комитета СССР по стандартам от 5 января 1983 г. № 10
УДК 674.112.543.717:006.154 Группа Н29
ГОСУДАРСТВЕННЫЙ СТАНДАРТ СОЮЗА ССР
ДРЕВЕСИНА МОДИФИЦИРОВАННАЯ
ГОСТ
25579-83
Метод определения стабильности размером
Modified Wood.
Method for termination of dimensions stability
Постановлением Государственного комитета СССР по стандартам от 5 январе 1983 г. Me 10 срок действия установлен
С 01.07.83 до 01.07.8®
Несоблюдение стандарта преследуется по закону
Настоящий стандарт распространяется на модифицированную древесину и устанавливает метод определения стабильности размеров образцов после выдержки ври заданной температуре и влажности.
1. ОТБОР ОБРАЗЦОВ
1.1. Отбор, изготовление и хранение образцов — но ГОСТ 16483.0-78.
1.2. Количество образцов для определения стабильности размеров должно быть не менее трех.
1.3. Размеры образцов в миллиметрах должны соответствовать указанным на черт. 1—3.
1.4. Отклонение от номинальных размеров образцов — по ГОСТ 16483.0-78.
1.5. Параметр шероховатости поверхности образцов Rzwtt по ГОСТ 7016-75 не должен превышать 200 мкм.
Перепечатка воспрещена © Издательство стандартов, 1983
Издание официальное
Cip. 2 ГОСТ 2J579—Ы
|
Обрллем ■ виде брусж* |
|
Черт. I Обралец • «идг «Ивиного цилиндр* Образец * виде полого цилиндр* |
2. АППАРАТУРА И МАТЕРИАЛЫ
Климатическая камера, обеспечивающая температуру от минус 40 до плюс 80 вС и относительную влажность воздуха от 60 до 90%.
Микрометр по ГОСТ 6507-78: нутромер индикаторный по
ГОСТ 868-72; индикатор часового типа по ГОСТ 577-68; штангенциркуль по ГОСТ 166-80. обеспечивающие погрешность измерения не более 0,1 мм.
Марганцовокислый калий по ГОСТ 5777-71.
ГОСТ 25579—*3 Стр. 3
3. ПОДГОТОВКА ОБРАЗЦОВ
3.1. На образцы наносят меткн концентрированным раствором марганцовокислого калии в точках, указанных на черт. 1—3.
3.2. Образцы до испытаний кондиционируют не менее 24 ч в помещении при температуре (20±2)°С и относительной влажности воздуха (65 ±5)%.
4. ПРОВЕДЕНИЕ ИСПЫТАНИЙ
4.1. Образцы измеряют в местах, обозначенных метками, с погрешностью не более 0,1 мм.
У прямоугольного образца измеряют длину L, ширину В и толщину Т.
У цилиндрического образца измеряют длину Lu, наружный диаметр и внутренний диаметр D,,
4.2. Образцы помещают в климатическую камеру, в которой установлен один из режимов температуры и влажности, указанный в п. 4.3, н выдерживают их в течение 24 ч, после чего извлекают из климатической камеры и кондиционируют не менее 2 ч при температуре (20±2)°С и относительной влажности воздуха (65±5)%.
Выдержку в том же режиме и кондиционирование повторяют, после чего образцы снова измеряют в тех же точках, как указано в п. 4.1.
4.3. Режимы выдержки образцов в климатической камере:
|
режим 1 — темп ратура минус 40°С, влажность 60%; |
||||||||||||||||||||||||||||||
|
||||||||||||||||||||||||||||||
|
5. ОБРАБОТКА РЕЗУЛЬТАТОВ |
5.1. Относительное изменение длины (ДL), ширины (ДВ), толщины (АТ), наружного диаметра (ДD„ ) и внутреннего диаметра (ДО.) образцов в процентах вычисляют с точностью не более 0,5% по формулам:
AL= -Ь=Ь.. . то *■*
АЛ- *L- • 100
Д . 100
* и
,100.
Стр. 4 ГОСТ 21579-13
и0
1°о,
где Lo. ^о. То, Ац, 0% — начальные размеры образцов;
Li, Ви Т\, DИ|, D,, — размеры образцов после выдержки в установленном режиме.
5.2. За результат испытаний принимают среднее арифметическое значение трех параллельных определений, допускаемое расхождение между которыми не должно превышать 3%.
Редактор Т. В. Сяыха Технический редактор Л. Я Митрофанова Корректор А. Г. Старостин
Слано » и*б I2.0I.B3 Похп. a nea. lo OiW 0.375 it- д. 0,21 уч.-яаа. а. Твр. М00 Цена 3 коп.
Opxeiu «Звак Почата» Издательство стандартов. 123S57, Моек»». НооопрссяеисхяА вер.. S. Калужская тиаографяя стандартов. ул. Московская. J66, Заа. 263
Групп* кг*
Изменение Sk I ГОСТ 25579-83 Древеенна модифицированная Метод опред»* лении стабильности размеров
Утверждено и введено я действие Постановлением Государственного комитета СССР по стандартам от 21.12.87 4728
Дата ««едения 01.07.88
Под наименованием стандарта йроставить код: ОКСТУ 5309.
Вводную часть изложить в новой редакция. «Настоящий стандарт рао пространяется на марки модифицированной древесины по ГОСТ 24588—81,
размеры заготовок которых позволяют вырезать образец требуемых размеров, и устанавливает метод определения стабильности размеров.
Метод заключается в определения разности между начальными размерам! образцов и размерами образцов после выдержки их в установленном режим* при опрелелениых температурах в влажности».
Раздел I дополнить пунктом —1.1а {перед п. 1.1): «1.1а. Отбор и хрввенве заготовок для изготовления образцов — по ГОСТ 9629-81».
Пункты 1.4. 1.5 изложить в новой редакции: «1.4. Предельные отклонения от размеров образцов ке должны превышать гО.1 ми.
1.5. Значение параметра шероховатости поверхности образцов (/?mm4X) не должно превышать 200 мкм по ГОСТ 7016-82.
Поверхность образна не должна иметь сх-чков. трещин и дефектов обработки по ГОСТ &62$—81».
Раздел 2. Заменить ссылки: ГОСТ 868-72 на ГОСТ 868-82. ГОСТ 5777-71 на ГОСТ 5777-84.
Пункт 4.1. Второй абзац. Заменить слова: «У прямоугольного образца* на «У образца » виде бруска»; третий абзац. Заменить слова: «У цилиндре* чесхого образца» на «У образца в виде полого цилиндра»; заменить обозначение: Lu на L:
дополнить абзацем: «У образца а виде сплошного цилиндра измеряют длину L и диаметр £>„*.
Пункт 5.1. Исключить слова: «с точностью не более 0.5 %»;
дополнить ‘абзацем: «Результаты округляют с точностью до первого десятичного знака»
Пункт 5.2 дополни7ь абзацем: «Результаты измерений и расчетов заносят в* протокол испытания (см. приложение)».
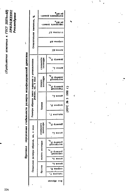
Стандарт дополнить приложением:
(Продолжения см. с. 224)
ДО
(Продолжение изменения к ГОСТ 25579-83)
ПРИЛОЖЕНИЕ
Рекомендуемое
Протокол определения стабильности размеров модифицированной древесины
Разшгры обредд поела нцд+ржкл • устачоал режиме, мм. в я их с
Начальные раздери образца, мм, в аидс
Ог*у ятмк-ое намесеимс, %
СПЛОШНОГО
цилиндра
бруска
полого ижлнпхра
5 * 8
? X
I!
3
а
=
к
О.
В
3
go
it
ta
5 ч
2
£&
|
* |
|||
|
г! |
•sQ |
||
|
1 сь а |
4 |
4 |
1 а |
|
• 3 |
? X |
5LS |
|
|
3 |
■1 |
• * X ц |
бруска
|
полого цклмидрв сплошного цилиндра |
||||||||||||||||||||
|
(ИУС № 3 1988 г.)


