Соединения приборов и устройств ГСП с внешними пневматическими линиями. Типы, основные параметры и размеры. Технические требования
Заменяет

Страница 1

Страница 2

Страница 3

Страница 4

Страница 5

Страница 6

Страница 7

Страница 8

Страница 9

Страница 10

Страница 11

Страница 12

Страница 13

Страница 14

Страница 15

Страница 16

Страница 17

Страница 18

Страница 19
AS№-№
-t
ГОСУДАРСТВЕННЫЙ СТАНДАРТ СОЮЗА ССР
СОЕДИНЕНИЯ ПРИБОРОВ И УСТРОЙСТВ ГСП С ВНЕШНИМИ ПНЕВМАТИЧЕСКИМИ ЛИНИЯМИ
ТИПЫ, ОСНОВНЫЕ ПАРАМЕТРЫ И РАЗМЕРЫ. ТЕХНИЧЕСКИЕ ТРЕБОВАНИЯ ГОСТ 25165-82
Издание официальное
Ц*ма 5 коп.
ГОСУДАРСТВЕННЫЙ КОМИТЕТ СССР ПО СТАНДАРТАМ Москва
‘ U’} -X V ll’.t П e /
JlCtn им I,.u<~<■<<■<<" J
m r U’Cf> (>,>, /£ o f rj л ,;/f у
t (jиШцу/ £ t /i/1
/. :(■ /’/, Vi’///
Редактор В. С. Бабкина Технический редактор В. И. Тишева Корректор Г. И. Чуйко
Схлво и UJC. 05.il.3’ ПчДв. • пм, 01 CO W 1.0 уел. п. х. 1.25 уел. кр.-отт. OAJ уч.-ИМ л
Тирож 20.004 Цен* 5 коя.
О,а. на «Зил Почста> Нзл ателье rw «анхартои, 123340, Mocnai, ГСП. 11о1опр*сксиск** пер.. х- 3.
ии’и.п^.чкап З1ш»|раф1.’н 11-.иательег»» iT;ma*ptuu. ул М«илауго 12,’М. Тчк. ill*
УДК 621.643: 631 2 : 006.354 Группа П04
ГОСУДАРСТВЕННЫЙ СТАНДАРТ СОЮЗА ССР
|
СОЕДИНЕНИЯ ПРИБОРОВ И УСТРОЙСТВ ГСП С ВНЕШНИМИ ПНЕВМАТИЧЕСКИМИ ЛИНИЯМИ Типы, осноемые параметры и размеры. Технические требования Connections о: SSI instrument1 and dcvk-c* wh external pneumatic lines. Т>рс*. basic parameters and dimensions. Technical requirements |
ГОСТ 25165—32* Взамен ГОСТ 209J4—75, ГОСТ 20960—7J. ГОСТ 15579-70 ■ части соединении с внешними пневматическими |
линиями
Постановлением Государственного комитета СССР по стандартам от 10 марта 1982 г. Н? 936 срок действия установлен
е 01.07.83
до 01.07.88
Несоблюдение стандарта преследуется по закону
Настоящий стандарт распространяется на соединения приборов н устройств Государственной системы промышленных приборов и средств автоматизации (ГСП) с внешними трубопроводами, предназначенными для передачи пневматических сигналов и энергии питания.
Стандарт устанавливает типы, основные параметры и размеры гнезд и соединений, а также технические требования к ним.
Стандарт не распространяется на соединения элементов и блоков пневмоавтоматики, монтируемых внутри корпуса прибора или шкафа и не имеющих непосредственной стыковки* с внешними командными п питающими линиями связи, а также на соединения с внешними трубопроводами с условными проходами менее 4 мм.
1. ТИПЫ, ОСНОВНЫЕ ПАРАМЕТРЫ И РАЗМЕРЫ
1.1. В зависимости от типа резьбы гнезда подразделяют на исполнения:
1 — гнездо с метрической резьбой;
2 — гнездо с конической резьбой.
1.2. Основные параметры и размеры гнезд должны соответствовать указанным на черт. 1 и в табл. 1.
Гнездо следует применять для соединений типов 2, 3, 55, 00 и 4, кроме случая, когда соединение типа 4 входит в состав пневматического разъема.
1
Переиздание (октябрь 198-1 г.) с Изменением Л* /. итогряеденным в сентябре 19*4 г.; Пост М 327» от 2409.81 (НУС 12-34).
© Издательство стандартов, 1985
Стр. 2 ГОСТ 2S1M—«2
Допускается применять соединенно типа 00 со штуцером, не предназначенным дли ввинчивания в гнездо.
Исполнение 2
|
Исполнение I |
Чорт. 1
|
Таблица I Размеры в мм |
|||||||||||||||||||
|
Пример условного обозначения гнезда типоразмера 1-02 исполнения 2:
Гнездо 1-02-2 ГОСТ 25165-82
1.3. Соединения приборов и устройств подразделяют на следующие типы:
2 — соединения с врезающимся кольцом;
3 — соединения по наружному конусу для эластичных труб;
4 — соединения безрезьбовые для эластичных труб;
53 — соединения с уплотняющей гайкой для эластичных труб; IX) —» соединения по наружному конусу.
Соединения типа 00 подразделяют на исполнения:
/ — для металлических труб с наружным диаметром б мм;
ГОСТ 2SHS-S2 Стр. 5
2 — для металлических труб с наружным диаметром 8 мм;
3 — для пластмассовых труб.
1.4. Основные параметры и размеры соединений типа 2 должны соответствовать указанным на черт. 2 и в табл. 2.
|
Соединение с яреллюшимся кольцом ffodx*e*S Подкя«ч5, |
• Размер для справок.
штуцер по ГОСТ 21868-73; J шицпл гйЛкя по Г ОС, МЗЫ— 78: 3—яреэающсеся кольцо во ГОСТ 235Я-78; 1—проклаяк* мсполяпим / но ГОСТ 233S8—78
Черт. 2
|
Таблица 2 Размеры в мм |
|||||||||||||||||||||||||||||
|
|||||||||||||||||||||||||||||
Пример условного обозначения соединения типоразмера 2-01:
Соединение 2-01 ГОСТ 25J65-82
1.5. Основные параметры и размеры соединении типа 3 должны о<ютветствовать указанным на черт. 3 и в табл. 3.
Стр. л ГОСТ J516S—S3
• Размер для справок.
|
/—штуцер: S—каминам гайка; 3 прск-млн!. Чсрг. 3 Таблица 3 Размеры в мм |
|||||||||||||||||||||||||||
|
|||||||||||||||||||||||||||
Пример условного обозначения соединения типоразмера 3-01:
Соединение по наружному конусу для эластичных тр\ 6
Под к л геи Л
Соединение 3-01 ГОСТ 25/65—82
Конструкция и размеры деталей соединения типа 3 указаны в рекомендуемом приложении 3.
(Измененная редакция, Изм. J6 I).
1.6. Основные параметры и размеры соединений типа 4 должны соответствовать указанным на черт. 4 и в табл- 4.
|
Соединение белрем.боюе для эластичных труб |
|
/—нмпиель Черт. 4 Примечание. Материал ниппеля — металл или пластмасса. |
ГОСТ 25165-82 Стр. 5
|
Таблица 4 Размеры в мм |
||||||||||||||||||||||||||
|
Допускается применять соединение типа 4 для передачи пневматических сигналов и давления питания в операторских и щитовых помещениях в составе пневматических разъемов, обеспечивающих отсоединение внешней линии связи от прибора без снятия трубки с ниппеля.
При использовании соединения типа 4 без пневматического разъема ниппель должен иметь ввертную резьбу М10Х1-
Пример условного обозначения соединения типоразмера 4 02:
Соединение 4-02 ГОСТ 25165-82
1.7. Основные параметр’-! и размеры соединений типа 55 должны соответствовать указанным на черт. 5 и в табл. 5.
|
Соединение с уплотняющей ганкой для эластичных труб Дг/ (Ittds-ifw s |
|
/—штуцер: ?-лрохл:дха; J—уплотняющая гаОха. Черт. 5 |
* Размер для елрэвок.
Примечание. Соединение типа 55 в новых разработках не применять.
Стр. 6 ГОСТ 25165—И
|
Р л з м е р ы в мм Таблица 5 |
|||||||||||||||||||||||||||
|
|||||||||||||||||||||||||||
|
Пример условного обозначения соединения типоразмера 55-02: |
|||||||||||||||||||||||||||
Соединение 55-02 ГОСТ 25165-82
1.8. Основные параметры и размеры соединений типа 00 должны соответствовать указанным на черт. бив табл. б.
Соединение по наружному конусу
|
Исполнение 1 для металлических труб |
|
Исполнение 2 для металлических труб |
|||||||||||||||||||
|
|||||||||||||||||||
|
Исполнение 3 для пластмассовых труб |
|
Черт. 6 |
ГОСТ 2SI65—82 Crp. 7
|
Таблица 6 Размеры в мм |
|||||||||||||||||||||||||||||
|
|||||||||||||||||||||||||||||
Пример условного обозначения соединения типоразмера 00 03 исполнения 3:
Соединение 00-03-3 ГОСТ 25165-82
Конструкция и размеры деталей соединения типа 00 указаны в рекомендуемом приложении 4.
(Измененная редакция, Изм. Л* 1).
2. ТЕХНИЧЕСКИЕ ТРЕБОВАНИЯ
2 1. Соединения следует изготовлять в соответствии с требова-ни ям-! настоящего стандарта по рабочим чертежам, утвержденным в установленном порядке.
2.2. Соединения должны обеспечивать герметичность при воздействии условных давлений, указанных в разд. 1, или рабочих давлений, установленных стандартами или техническими условиями на приборы и устройства конкретных типов.
Примечание. Значение условного давления 0.16 МПа (1.6 хгс/см*), указанием в таГхтицах настоящего стандарта, соответствует значенню 0,14 МП* (1,4 кгс/см4) номинального рабочего давления сжатого воздуха.
2 3. По устойчивости к воздействиям температуры и влажности окружающего воздуха соединения должны соответствовать одной из групп по ГОСТ 12997-76 и данным, укззаиным в табл. 7.
|
Таблица 7 |
|
|
Тины гнезд и соединения |
Группы по ГОСТ 1J997—ТО • |
|
Гподо и соединения тегов 2 и 00 с иетшн-чсскшк трубами |
Все группы |
|
Соспшкния типов 3. 55 и 00 с пластмассовыми трубами |
В1, В2. ВЗ. В 4. В5. СЗ |
|
Соединение типа 1 с пластмассовыми н резиновыми тр\6ам;: |
BI. В2, ВЗ. В5 |
Стр. 8 ГОСТ 3S16S—82
2.4. Соединения всех типов, кроме типа 4, должны бить устойчивыми к механическим воздействиям одного из исполнений по ГОСТ 12997-76 или ГОСТ 171G7-71.
Соединения типа 4 должны быть устойчивыми к механическим воздействиям для обыкновенного исполнения по ГОСТ 12997-76.
2.5. Материалы деталей соединений указаны в справочном приложении I. Допускается изготовлять детали из других материалов, не ухудшающих качества соединений.
2.6. В зависимости от типа соединений следует применять трубы, указанные в рекомендуемом приложении 2.
2.7. /Метрическая резьба по ГОСТ 24705-81. Поля допусков по ГОСТ 16093-81 для внутренних резьб: СИ и 7Н — без покрытия. 6G и 7G — под покрытия; для наружных резьб: Gg и 8g—без покрытия, бе— под покрытие.
2.8. Резьба деталей должна иметь полный, чистый и гладкий профиль. На ней не должно быть надорванных или смятых витков.
2.9. Параметры шероховатости по ГОСТ 2789-73 должны быть не более:
Ra 5 мкм — для поверхностей резьб и уплотняющих поверхностен металлических деталей соединений;
Ra 2,5 мкм — для поверхностей пластмассовых детален соединений.
2.10. Поверхности металлических деталей соединений должны быть чистыми и не должны иметь забоин, заусенцев, трещин, следов расслоений, раковин, окалин и признаков коррозии.
2.11. Поверхность пластмассовых деталей должна Сыть гладкой. без трещин, вздутий к вмятин.
Литники и облой на деталях из пластмасс должны быть удалены заподлицо с поверхностью.
Примечание. На деталях на пластмасс, кроне уплотняющих поверхностей, допускаются: следы от разъема пресс-формы, отпечатки от выталкивавших элементов прссс-форыы. угяжииы п следы ойреэкн дигонкоа а виде впадин и вист \ нов не более 0,2 мы
2.12. Соединения и их детали должны быть взаимозаменяемы.
Примечание Прч условии обеспечения собираемости деталей и взаимозаменяемости соединении допускается изготовлять детали с отклонениями от размеров, указанных п рекомендуемых приложениях 3 и 4.
(Измененная редакция, Изм. AJ I).
2.13. Средний срок службы соединений должен быть не менее 6 лет или среднего срока службы приборов.
Под предельным состоянием понимается поломка корпусных деталей, деформация уплотнительных поверхностей, срыв резьбы, делающие невозможной дальнейшую эксплуатацию соединений.
ГОСТ 25165-82 Стр. 9
ПРИЛОЖЕНИЕ I Справочное
|
МАТЕРИАЛЫ ДЕТАЛЕЙ СОЕДИНЕНИЙ |
|||||||||||||||
|
ПРИЛОЖЕНИЕ 2 Рекомендуемое
|
ТРУБЫ, ИСПОЛЬЗУЕМЫЕ ДЛЯ СОЕДИНЕНИЙ |
||||||||||||
|
Crp. 10 ГОСТ 25165—S3
ПРИЛОЖЕНИЕ : Рекомендуемое
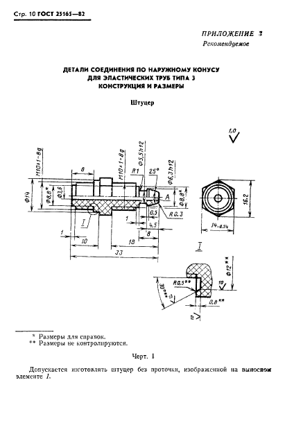
ДЕТАЛИ СОЕДИНЕНИЯ ПО НАРУЖНОМУ КОНУСУ ДЛЯ ЭЛАСТИЧЕСКИХ ТРУБ ТИПА J КОНСТРУКЦИЯ И РАЗМЕРЫ
Штуцер
ГОСТ 25145-82 Стр. It
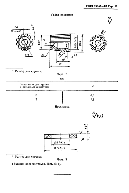
|
Гайкл млхидиая |
|
* Размер для справок. Черт. 2 |
6.3 7.1
|
Ifcmmsfiv ян тобки с наружным дидестром |
|
|
Прокладка |
|
20,
v(v)
|
(Вьедсмо дополнительно, И.*м. л* I). |
с*0. t? ГОСТ 2S165—82
ПРИЛОЖЕНИЕ 4 Р(ьоменд:хпое
ДЕТАЛИ СОЕДИНЕНИЯ ПО НАРУЖНОМУ КОНУСУ ТИПА 00 КОНСТРУКЦИЯ И РАЗМЕРЫ
Штуцер
Ит&.шение I
|
«• &з?м*’Г> |
I Вариант
ГОСТ 2S16S— 81 Сто. 13
Ислолче.’иг ‘i
i/w)
|
А-~\ |
Ч да* А — А
Черт. I (продолжение)
Таблица I
|
Размеры в хм |
||||||||||||||||||
|
Штч::*яа исполнений I и 2 допускается изготовлять без проточки из сходс резьбы -М12Х1, при этом длина резьбы должна Сыть увеличена на ширину проточки для обеспечении свинчивания с накидной гайкой.
Штузе? исполнения 2 допускается ИЗГОТОВЛЯТЬ без проточки на сходе коническом i v
Стр. 14 ГОСГ 251*5-12
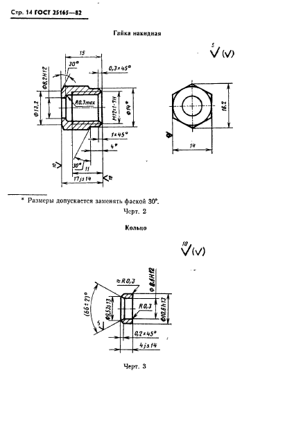
Гайка накидная
\/Ы)
|
16.7 |
Размеры допускается заменять фаской 30*.
Черт. 2
Кольце
\/Ы)
ГОСТ 25165-82 Стр. 15
Втулка
vV)
|
Наконечник |
* Размер для справок.
П р si v с ч а н и а. На ловс-рхносги конуса о&лой ис допускается.
Черт. 5
Стр. \6 ГОСТ 2S16S—82
|
Шаййз |
|
|||||||||||||||
|
Прокладка |
|||||||||||||||
!Ы)
Черт. 7
(Васдсно дополнительно, Hsm. to I).
Изменение J* 2 ГОСТ 26165-82 Соединенна приборов н устройств ГСП с внешними пневматическими линиями. Типы, основные параметры и размеры. Технические требования
Утверждено и введено в действие Постановлением Государственною комитета СССР по стандартам от 1 в 07.87 № 3109
Дата введения 01.07.88
П)«кты 2.3. 2.4. Заменить ссылку: ГОСТ 14997-76 ка ГОСТ 12997-84 Пункт 2.4. Исключить слова- ГОСТ 17167.-71».
Приложение 1. Заменить ссылку: ГОСТ 16338-77 на ГОСТ 16338-85; заменить обозначение: 21 -075—11 на 278—71, 203—12.
(И УС № II 1987 г.)
|
Цена 5 коп. |
|||||||||||||||||||||||||||||||||||||||||||||||||||
|
|||||||||||||||||||||||||||||||||||||||||||||||||||
ПРОИЗВОДНЫЕ ЕДИНИЦЫ СИ, ИМЕЮЩИЕ СПЕЦИАЛЬНЫЕ НАИМЕНОВАНИЯ
|
A-K4Ji Л я |
Ьрмт <•>•> |
|||
|
■ И1 |
•и» |
Ov»»h |
pfCCHO* |
»:м*м« я до- П01ММ1«ЛЫ«МС ЬДМ4М^М Си |
|
Частота |
герц |
Иг |
Гц |
С-1 |
|
Сила |
ньютон |
N |
н |
М-КГС-2 |
|
Давление |
паскаль |
!>:» |
Па |
м~’ • кг-с*а |
|
Энергия |
джоуль |
J |
д* |
М7КГС»* |
|
Мощность |
ватт |
W |
Вт |
м’-кг-с—* |
|
Количество электричества |
кулои |
с |
Кп |
, с-А |
|
Электрическое напряжение |
вольт |
V |
8 |
м,-иг-е~,*А”’ |
|
Электрическая емкость |
фарад |
F |
Ф |
м-?«г-‘-с’ А* |
|
Электрическое сопротивление |
ом |
о |
См |
м’-кг-с*»3 -А-* |
|
Электрическая проводимость |
сименс |
S |
См |
м-Чг-‘-с’ А* |
|
Поток могиитной индукции |
•ебер |
Wb |
86 |
м* • кг- с“*А“‘ |
|
Магнитная индукция |
тесла |
т |
Тп |
кг с-* А-‘ |
|
Индуктивность |
генри |
н |
Гм |
м*-кг с-* А-* |
|
Световой поток |
люмен |
1т |
лм |
МСР’ |
|
Освещенность |
пюкс |
1х |
ПК |
• кд • ср |
|
Активность радионуклида |
беккерель |
Bq |
Бк |
с-‘ |
|
Поглощенмоя доаа иониаирую- |
грай |
Оу |
ГР |
|
|
щего излучения Эквивалентная дом налучеиия |
1к»еэт |
Sv |
3* |
Мг-с-» |






