Единая система конструкторской документации. Нанесение размеров и предельных отклонений
Заменяет

Страница 1

Страница 2

Страница 3

Страница 4

Страница 5

Страница 6

Страница 7

Страница 8

Страница 9

Страница 10

Страница 11

Страница 12

Страница 13

Страница 14

Страница 15

Страница 16

Страница 17

Страница 18

Страница 19

Страница 20

Страница 21

Страница 22

Страница 23

Страница 24

Страница 25

Страница 26

Страница 27

Страница 28

Страница 29

Страница 30

Страница 31

Страница 32

Страница 33

Страница 34

Страница 35

Страница 36

Страница 37
МЕЖГОСУДАРСТВЕННЫЙ СОВЕТ ПО СТАНДАРТИЗАЦИИ, МЕТРОЛОГИИ И СЕРТИФИКАЦИИ
(МГС)
INTERSTATE COUNCIL FOR STANDARDIZATION, METROLOGY AND CERTIFICATION
(ISC)
|
МЕЖГОСУДАРСТВЕННЫЙ |
ГОСТ |
Единая система конструкторской документации
НАНЕСЕНИЕ РАЗМЕРОВ
И ПРЕДЕЛЬНЫХ ОТКЛОНЕНИЙ
|
|
Москва Стандартинформ 2012 |
Предисловие
Цели, основные принципы и основной порядок проведения работ по межгосударственной стандартизации установлены ГОСТ 1.0-92 «Межгосударственная система стандартизации. Основные положения» и ГОСТ 1.2-2009 «Межгосударственная система стандартизации. Стандарты межгосударственные, правила и рекомендации по межгосударственной стандартизации. Правила разработки, принятия, применения, обновления и отмены»
Сведения о стандарте
1 РАЗРАБОТАН Федеральным государственным унитарным предприятием «Всероссийский научно-исследовательский институт стандартизации и сертификации в машиностроении» (ФГУП «ВНИИНМАШ»), Автономной некоммерческой организацией «Научно-исследовательский центр CALS-технологий «Прикладная логистика» (АНО НИЦ CALS-технологий «Прикладная логистика»)
2 ВНЕСЕН Федеральным агентством по техническому регулированию и метрологии
3 ПРИНЯТ Межгосударственным советом по стандартизации, метрологии и сертификации (протокол от 12 мая 2011 г. № 39)
За принятие стандарта проголосовали:
|
Краткое наименование страны по MK (ИСО 3166) 004-97 |
Код страны по MK (ИСО 3166) 004-97 |
Сокращенное наименование национального органа по стандартизации |
|
Азербайджан |
AZ |
Азстандарт |
|
Армения |
AM |
Минэкономики Республики Армения |
|
Беларусь |
BY |
Госстандарт Республики Беларусь |
|
Казахстан |
KZ |
Госстандарт Республики Казахстан |
|
Кыргызстан |
KG |
Кыргызстандарт |
|
Молдова |
MD |
Молдова-Стандарт |
|
Российская Федерация |
RU |
Росстандарт |
|
Таджикистан |
TJ |
Таджикстандарт |
|
Узбекистан |
UZ |
Узстандарт |
|
Украина |
UA |
Госпотребстандарт Украины |
4 Приказом Федерального агентства по техническому регулированию и метрологии от 3 августа 2011 г. № 211-ст межгосударственный стандарт ГОСТ 2.307-2011 введен в действие в качестве национального стандарта Российской Федерации с 1 января 2012 г.
5 ВЗАМЕН ГОСТ 2.307-68
Информация о введении в действие (прекращении действия) настоящего стандарта публикуется в указателе «Национальные стандарты».
Информация об изменениях к настоящему стандарту публикуется в указателе «Национальные стандарты», а текст изменений — в информационных указателях «Национальные стандарты». В случае пересмотра или отмены настоящего стандарта соответствующая информация будет опубликована в информационном указателе «Национальные стандарты»
Содержание
|
1 Область применения. 2 2 Нормативные ссылки. 2 3 Термины и определения. 3 4 Основные положения. 5 5 Нанесение размеров. 9 6 Нанесение предельных отклонений размеров. 26 |
ГОСТ 2.307-2011
МЕЖГОСУДАРСТВЕННЫЙ СТАНДАРТ
Единая система конструкторской документации
НАНЕСЕНИЕ РАЗМЕРОВ И ПРЕДЕЛЬНЫХ ОТКЛОНЕНИЙ
Unified system of design documentation.
Drawing of dimensions and limit deviations
Дата введения — 2012-01-01
1 Область применения
Настоящий стандарт устанавливает правила нанесения размеров и предельных отклонений в графических документах на изделия всех отраслей промышленности и строительства.
2 Нормативные ссылки
В настоящем стандарте использованы нормативные ссылки на следующие межгосударственные стандарты:
ГОСТ 2.052-2006 Единая система конструкторской документации. Электронная модель изделия. Общие положения
ГОСТ 2.308-2011 Единая система конструкторской документации. Указание допусков формы и расположения поверхностей
ГОСТ 2.414-75 Единая система конструкторской документации. Правила выполнения чертежей жгутов, кабелей и проводов
ГОСТ 2.417-91 Единая система конструкторской документации. Платы печатные. Правила выполнения чертежей
ГОСТ 2.419-68 Единая система конструкторской документации. Правила выполнения документации при плазовом методе производства
ГОСТ 6636-69 Основные нормы взаимозаменяемости. Нормальные линейные размеры
ГОСТ 25346-89 Основные нормы взаимозаменяемости. Единая система допусков и посадок. Общие положения, ряды допусков и основных отклонений
ГОСТ 25347-82 Основные нормы взаимозаменяемости. Единая система допусков и посадок. Поля допусков и рекомендуемые посадки
ГОСТ 25348-81 Основные нормы взаимозаменяемости. Единая система допусков и посадок. Ряды допусков, основных отклонений и поля допусков для размеров свыше 3150 мм.
ГОСТ 25349-88 Основные нормы взаимозаменяемости. Единая система допусков и посадок. Поля допусков деталей из пластмасс
ГОСТ 30893.1-2002 (ИСО 2768-1-89) Основные нормы взаимозаменяемости. Общие допуски. Предельные отклонения линейных и угловых размеров с неуказанными допусками
(Поправка).
Примечание — При пользовании настоящим стандартом целесообразно проверить действие ссылочных стандартов в информационной системе общего пользования — на официальном сайте Федерального агентства по техническому регулированию и метрологии в сети Интернет или по ежегодно издаваемому информационному указателю «Национальные стандарты», который опубликован по состоянию на 1 января текущего года, и по соответствующим ежемесячно издаваемым информационным указателям, опубликованным в текущем году. Если ссылочный стандарт заменен (изменен), то при пользовании настоящим стандартом следует руководствоваться заменяющим (измененным) стандартом. Если ссылочный стандарт отменен без замены, то положение, в котором дана ссылка на него, применяется в части, не затрагивающей эту ссылку.
3 Термины и определения
В настоящем стандарте применены следующие термины с соответствующими определениями:
3.1
электронная модель изделия (модель): Электронная модель детали или сборочной единицы по ГОСТ 2.102.
[ГОСТ 2.052-2006, статьяЗ.1.1]
3.2
электронный макет: Электронная модель изделия, описывающая его внешнюю форму и размеры, позволяющая полностью или частично оценить его взаимодействие с элементами производственного и (или) эксплуатационного окружения, служащая для принятия решений при разработке изделия и процессов его изготовления и использования.
[ГОСТ 2.052-2006, статья 3.1.15]
3.3 справочные размеры: Размеры, не подлежащие выполнению по данному графическому документу и указываемые для большего удобства пользования этим документом.
3.4 установочные и присоединительные размеры: Размеры, определяющие величины элементов, по которым данное изделие устанавливают на месте монтажа или присоединяют к другому изделию.
3.5 габаритные размеры: Размеры, определяющие предельные внешние (или внутренние) очертания изделия.
3.6
общий допуск размера: Предельные отклонения (допуски) линейных или угловых размеров, указываемые на чертеже или в других технических документах общей записью и применяемые в тех случаях, когда предельные отклонения (допуски) не указаны индивидуально у соответствующих номинальных размеров.
[ГОСТ 30893.1-2002, статья 3.1]
3.7
плоскость обозначений и указаний: Плоскость в модельном пространстве, на которую выводится визуально воспринимаемая информация, содержащая значения атрибутов модели, технические требования, обозначения и указания.
[ГОСТ 2.052-2006, статья 3.1.8]
3.8
предельное отклонение: Алгебраическая разность между предельным и соответствующим номинальным размерами. Различают верхнее и нижнее предельные отклонения.
[ГОСТ 25346-89, статья 1.1.9]
3.9
размер: Числовое значение линейной величины (диаметра, длины и т.п.) в выбранных единицах измерения.
[ГОСТ 25346-89, статья 1.1.1]
3.10
номинальный размер: Размер, относительно которого определяются отклонения.
[ГОСТ 25346-89, статья 1.1.6]
3.11
база: Поверхность или выполняющее ту же функцию сочетание поверхностей, ось, точка, принадлежащая заготовке или изделию и используемая для базирования.
[ГОСТ 21495-76, таблица, пункт 2]
3.12
конструкторская база: База, используемая для определения положения детали или сборочной единицы в изделии.
[ГОСТ 21495-76, таблица, пункт 13]
3.13
основная база: Конструкторская база данной детали или сборочной единицы, используемая для определения их положения в изделии.
[ГОСТ 21495-76, таблица, пункт 14]
3.14
квалитет (степень точности): Совокупность допусков, рассматриваемых как соответствующие одному уровню точности для всех номинальных размеров.
[ГОСТ 25346-89, статья 1.1.17]
3.15
отверстие: Термин, условно применяемый для обозначения внутренних элементов деталей, включая и нецилиндрические элементы.
[ГОСТ 25346-89, статья 1.1.20]
3.16
вал: Термин, условно применяемый для обозначений наружных элементов деталей, включая и нецилиндрические элементы.
[ГОСТ 25346-89, статья 1.1.19]
4 Основные положения
4.1 Основанием для определения величины изображенного изделия и его элементов служат размерные числа, указанные в графическом документе.
Исключение составляют случаи, предусмотренные ГОСТ 2.414, ГОСТ 2.417, ГОСТ 2.419, когда величину изделия или его элементов определяют по изображениям, выполненным с достаточной степенью точности.
Основанием для определения требуемой точности изделия при изготовлении являются указанные предельные отклонения размеров, а также предельные отклонения формы и расположения поверхностей.
При визуализации (отображении) модели изделия на электронном устройстве (например, экране дисплея) размеры и предельные отклонения следует располагать в соответствии с требованиями ГОСТ 2.052.
4.2 Общее количество размеров должно быть минимальным, но достаточным для изготовления и контроля изделия.
4.3 Справочные размеры отмечают знаком «*», а в технических требованиях записывают: «*Размеры для справок». Если все размеры справочные, их знаком «*» не отмечают, а в технических требованиях записывают: «Размеры для справок».
На строительных чертежах справочные размеры отмечают и оговаривают только в случаях, предусмотренных в соответствующих документах, утвержденных в установленном порядке.
4.4 К справочным относят следующие размеры:
а) один из размеров замкнутой размерной цепи. Предельные отклонения таких размеров на чертеже не указывают (см. рисунок 1);
Рисунок 1
б) размеры, перенесенные с графических документов изделий-заготовок (см. рисунок 2);
Рисунок 2
в) размеры, определяющие положение элементов детали, подлежащих обработке по другой детали (см. рисунок 3);
Рисунок 3
г) размеры на сборочном чертеже, по которым определяют предельные положения отдельных элементов конструкции, например ход поршня, ход штока клапана двигателя внутреннего сгорания и т. д.;
д) размеры на сборочном чертеже, перенесенные с чертежей деталей и используемые в качестве установочных и присоединительных;
е) габаритные размеры на сборочном чертеже, перенесенные с чертежей деталей или являющиеся суммой размеров нескольких деталей;
ж) размеры деталей (элементов) из сортового, фасонного, листового и другого проката, если они полностью определяются обозначением материала, приведенным в графе 3 основной надписи.
Примечание — Справочные размеры, указанные в перечислениях б)-ж), допускается наносить как с предельными отклонениями, так и без них.
4.5 В графических документах на изделия у размеров, контроль которых технически затруднен, наносят знак «*», а в технических требованиях помещают надпись «*Размеры обеспеч. инстр.».
Примечание — Указанная надпись означает, что выполнение установленного чертежом размера с предельным отклонением должно гарантироваться размером инструмента или соответствующим технологическим процессом.
При этом размеры инструмента или технологический процесс проверяют периодически в процессе изготовления изделий.
Периодичность контроля инструмента или технологического процесса устанавливает предприятие-изготовитель совместно с представительством заказчика.
4.6 Не допускается повторять размеры одного и того же элемента на разных изображениях, в технических требованиях, основной надписи и спецификации. Исключение составляют справочные размеры, приведенные в 4.4, перечисления б), ж).
Если в технических требованиях необходимо дать ссылку на размер, нанесенный на изображение, то этот размер или соответствующий элемент обозначают буквой, а в технических требованиях помещают запись, аналогичную приведенной на рисунке 4.
Рисунок 4
На строительных чертежах размеры допускается повторять.
4.7 Линейные размеры и их предельные отклонения в графических документах и в спецификациях указывают в миллиметрах без обозначения единицы измерения.
Для размеров и предельных отклонений, приводимых в технических требованиях и пояснительных надписях на поле чертежа, обязательно указывают единицы измерения.
4.8 Если в графическом документе размеры необходимо указать не в миллиметрах, а в других единицах измерения (сантиметрах, метрах и т. д.), то соответствующие размерные числа записывают с обозначением единицы измерения (см, м) или указывают их в технических требованиях.
На строительных чертежах единицы измерения в этих случаях допускается не указывать, если они оговорены в соответствующих документах, утвержденных в установленном порядке.
4.9 Угловые размеры и предельные отклонения угловых размеров указывают в градусах, минутах и секундах с обозначением единицы измерения, например 4°; 4°30′; 12°45’30»; 0°30’40»; 0°18′; 0°5’25»; 0°0’30»; 30° ± 1°; 30° ± 10′.
4.10 Для размерных чисел применять простые дроби не допускается, за исключением размеров в дюймах.
4.11 Размеры, определяющие расположение сопрягаемых поверхностей, проставляют, как правило, от конструкторских баз с учетом возможностей выполнения и контроля этих размеров.
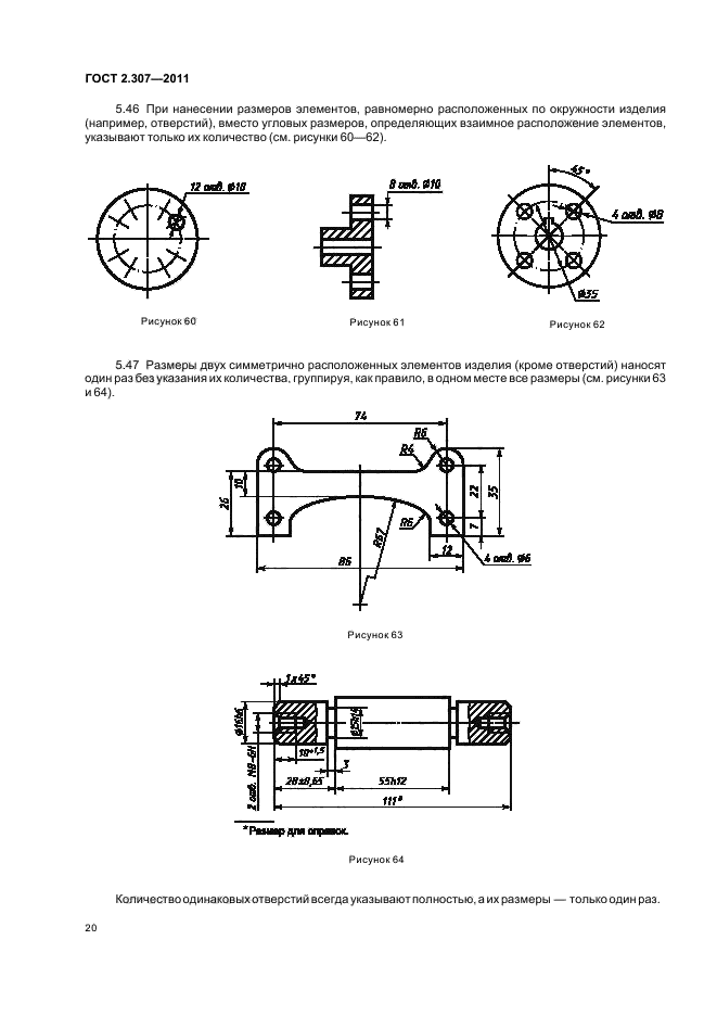
4.12 При расположении элементов предмета (отверстий, пазов, зубьев и т. п.) на одной оси или на одной окружности размеры, определяющие их взаимное расположение, наносят следующими способами:
— от основной базы (поверхности, оси) — см. рисунки 5а и 5б;
— установлением размеров нескольких групп элементов от нескольких основных баз — см. рисунок 5в;
— установлением размеров между смежными элементами (цепочкой) — см. рисунок 6.
Рисунок 5
Рисунок 6
4.13 Размеры в графическом документе не допускается наносить в виде замкнутой цепи, за исключением случаев, когда один из размеров указан как справочный (см. рисунок 1).
На строительных чертежах размеры наносят в виде замкнутой цепи, кроме случаев, предусмотренных в соответствующих документах, утвержденных в установленном порядке.
Размеры, определяющие положение симметрично расположенных поверхностей у симметричных изделий, наносят, как показано на рисунках 7 и 8.
Рисунок 7
Рисунок 8
4.14 Для всех размеров, нанесенных на рабочих графических документах, указывают предельные отклонения.
Допускается не указывать предельные отклонения:
а) для размеров, определяющих зоны различной шероховатости одной и той же поверхности, зоны термообработки, покрытия, отделки, накатки, насечки, а также диаметры накатанных и насеченных поверхностей. В этих случаях непосредственно у таких размеров наносят знак «»»;
б) для размеров деталей изделий единичного производства, установленных с припуском на пригонку.
На таких чертежах в непосредственной близости от указанных размеров наносят знак «*», а в технических требованиях указывают:
«* Размеры с припуском на пригонку по дет…..»,
«* Размеры с припуском на пригонку по черт…..»,
«* Размеры с припуском на пригонку по сопрягаемой детали».
На строительных чертежах предельные отклонения размеров указывают только в случаях, предусмотренных в соответствующих документах, утвержденных в установленном порядке.
4.15 При выполнении рабочих чертежей деталей, изготовляемых отливкой, штамповкой, ковкой или прокаткой с последующей механической обработкой части поверхности детали, указывают не более одного размера по каждому координатному направлению, связывающего механически обрабатываемые поверхности с поверхностями, не подвергаемыми механической обработке (см. рисунки 9 и 10).
|
|
|
|
Рисунок 9 |
Рисунок 10 |
4.16 Если элемент изображен с отступлением от масштаба изображения, то размерное число следует подчеркнуть (см. рисунок 11).
Рисунок 11
5 Нанесение размеров
5.1 Размеры в графических документах указывают размерными числами и размерными линиями.
5.2 При нанесении размера прямолинейного отрезка размерную линию проводят параллельно этому отрезку, а выносные линии — перпендикулярно к размерным (см. рисунок 12).
Рисунок 12
5.3 При нанесении размера угла размерную линию проводят в виде дуги с центром в его вершине, а выносные линии — радиально (см. рисунок 13).
Рисунок 13
5.4 При нанесении размера дуги окружности размерную линию проводят концентрично дуге, а выносные линии — параллельно биссектрисе угла и над размерным числом наносят знак «
» (см. рисунок 14).
Рисунок 14
Допускается располагать выносные линии размера дуги радиально и, если имеются еще концентричные дуги, необходимо указывать, к какой дуге относится размер (см. рисунок 15).
Рисунок 15
5.5 При нанесении размеров деталей, подобных изображенной на рисунке 16, размерные линии следует проводить в радиусном направлении, а выносные — по дугам окружностей (см. рисунок 16).
Рисунок 16
5.6 Размерную линию с обоих концов ограничивают стрелками, упирающимися в соответствующие линии, кроме случаев, приведенных в 5.17, 5.18, 5.21 и 5.22, и при нанесении линии радиуса, ограниченной стрелкой со стороны определяемой дуги или скругления.
На строительных чертежах взамен стрелок допускается применять засечки на пересечении размерных и выносных линий, при этом размерные линии должны выступать за крайние выносные линии от 1 до 3 мм.
5.7 В случаях, показанных на рисунке 17, размерную и выносные линии проводят так, чтобы они вместе с измеряемым отрезком образовали параллелограмм.
Рисунок 17
5.8 Допускается проводить размерные линии непосредственно к линиям видимого контура, осевым, центровым и другим линиям (см. рисунки 18 и 19).
|
|
|
|
Рисунок 18 |
Рисунок 19 |
5.9 Размерные линии предпочтительно наносить вне контура изображения.
5.10 Выносные линии должны выходить за концы стрелок размерной линии на 1-5 мм.
5.11 Минимальные расстояния между параллельными размерными линиями должны быть 7 мм, а между размерной и линией контура — 10 мм и выбраны в зависимости от размеров изображения и насыщенности чертежа.
5.12 Необходимо избегать пересечения размерных и выносных линий (см. рисунок 18).
5.13 Не допускается использовать линии контура, осевые, центровые и выносные линии в качестве размерных.
5.14 Выносные линии проводят от линий видимого контура, за исключением случаев, указанных в 5.15 и 5.16, и случаев, когда при нанесении размеров на невидимом контуре отпадает необходимость в вычерчивании дополнительного изображения.
5.15 Размеры контура криволинейного профиля наносят, как показано на рисунках 18 и 19.
5.16 Если надо показать координаты вершины скругляемого угла или центра дуги скругления, то выносные линии проводят от точки пересечения сторон скругляемого угла или центра дуги скругления (см. рисунок 20).
Рисунок 20
5.17 Если вид или разрез симметричного предмета или отдельных симметрично расположенных элементов изображают только до оси симметрии или с обрывом, то размерные линии, относящиеся к этим элементам, проводят с обрывом, и обрыв размерной линии делают дальше оси или линии обрыва предмета (см. рисунок 21).
Рисунок 21
На строительных чертежах в подобных случаях все размеры допускается указывать только до оси симметрии, а размерные линии на пересечении с осью симметрии ограничивать крестиком из засечек.
5.18 Размерные линии допускается проводить с обрывом в следующих случаях:
а) при указании размера диаметра окружности независимо от того, изображена ли окружность полностью или частично; при этом обрыв размерной линии делают дальше центра окружности (см. рисунок 22);
Рисунок 22
б) при нанесении размеров от базы, не показанной на изображении (см. рисунок 23).
Рисунок 23
5.19 При изображении изделия с разрывом размерную линию не прерывают (см. рисунок 24).
Рисунок 24
5.20 Величины элементов стрелок размерных линий выбирают в зависимости от толщины линий видимого контура и вычерчивают их приблизительно одинаковыми на всем чертеже. Форма стрелки и примерное соотношение ее элементов показаны на рисунке 25а и 25б.
а
б
Рисунок 25
5.21 Если длина размерной линии недостаточна для размещения на ней стрелок, то размерную линию продолжают за выносные линии (или соответственно за контурные, осевые, центровые и т. д.) и стрелки наносят, как показано на рисунке 26.
Рисунок 26
5.22 При недостатке места для стрелок на размерных линиях, расположенных цепочкой, стрелки допускается заменять засечками, наносимыми под углом 45° к размерным линиям (см. рисунок 27), или четко наносимыми точками (см. рисунок 28).
|
|
|
|
Рисунок 27 |
Рисунок 28 |
5.23 При недостатке места для стрелки из-за близко расположенной контурной или выносной линии последние допускается прерывать (см. рисунки 26 и 29).
Рисунок 29
5.24 Размерные числа наносят над размерной линией возможно ближе к ее середине (см. рисунок 30).
Рисунок 30
5.25 При нанесении размера диаметра внутри окружности размерные числа смещают относительно середины размерных линий.
5.26 При нанесении нескольких параллельных или концентричных размерных линий на небольшом расстоянии друг от друга размерные числа над ними рекомендуется располагать в шахматном порядке (см. рисунок 31).
Рисунок 31
5.27 Размерные числа линейных размеров при различных наклонах размерных линий располагают, как показано на рисунке 32.
Рисунок 32
Если необходимо нанести размер в заштрихованной зоне, соответствующее размерное число наносят на полке линии-выноски (см. рисунок 33).
Рисунок 33
5.28 Угловые размеры наносят так, как показано на рисунке 34. В зоне, расположенной выше горизонтальной осевой линии, размерные числа помещают над размерными линиями со стороны их выпуклости; в зоне, расположенной ниже горизонтальной осевой линии, — со стороны вогнутости размерных линий. В заштрихованной зоне наносить размерные числа не рекомендуется. В этом случае размерные числа указывают на горизонтально нанесенных полках.
Рисунок 34
Для углов малых размеров при недостатке места размерные числа помещают на полках линий-выносок в любой зоне (см. рисунок 35).
Рисунок 35
5.29 На строительных чертежах допускается линейные и угловые размерные числа и надписи наносить без полок линий выносок.
5.30 Если для написания размерного числа недостаточно места над размерной линией, то размеры наносят, как показано на рисунке 36; если недостаточно места для нанесения стрелок, то их наносят, как показано на рисунке 37.
|
|
|
|
Рисунок 36 |
Рисунок 37 |
Способ нанесения размерного числа при различных положениях размерных линий (стрелок) на чертеже определяют наибольшим удобством чтения.
5.31 Размерные числа и предельные отклонения не допускается разделять или пересекать какими бы-то ни было линиями изображения. Не допускается разрывать линию контура для нанесения размерного числа и наносить размерные числа в местах пересечения размерных, осевых или центровых линий. В месте нанесения размерного числа осевые, центровые линии и линии штриховки прерывают (см. рисунки 38 и 39).
|
|
|
|
Рисунок 38 |
Рисунок 39 |
5.32 Размеры, относящиеся к одному и тому же конструктивному элементу (пазу, выступу, отверстию и т. д.), рекомендуется группировать в одном месте, располагая их на том изображении, на котором геометрическая форма данного элемента показана наиболее полно (см. рисунок 40).
Рисунок40
5.33 При нанесении размера радиуса перед размерным числом помещают прописную букву R.
5.34 Если при нанесении размера радиуса дуги окружности необходимо указать размер, определяющий положение ее центра, то последний изображают в виде пересечения центровых или выносных линий.
При большом радиусе центр допускается приближать к дуге, в этом случае размерную линию радиуса показывают с изломом под углом 90° (см. рисунок 41).
Рисунок 41
5.35 Если не требуется указывать размеры, определяющие положение центра дуги окружности, то размерную линию радиуса допускается не доводить до центра и смещать ее относительно центра (см. рисунок 42).
Рисунок 42
5.36 При проведении нескольких радиусов из одного центра размерные линии любых двух радиусов не располагают на одной прямой (см. рисунок 43).
Рисунок 43
При совпадении центров нескольких радиусов их размерные линии допускается не доводить до центра, кроме крайних (см. рисунок 44).
Рисунок 44
5.37 Размеры радиусов наружных скруглений наносят, как показано на рисунке 45, внутренних скруглений — на рисунке 46.
|
|
|
|
Рисунок 45 |
Рисунок 46 |
Радиусы скругления, размер которых не более 1 мм, на изображении не указывают и их размеры наносят, как показано на рисунке 47.
Рисунок 47
Способ нане
















































