Плиты железобетонные для покрытий городских дорог. Арматурные и монтажно-стыковые изделия. Конструкция и размеры
На нашем сайте можно бесплатно скачать ГОСТ 21924.3-84 (с изм 1 1988) в удобном формате. Узнать актуальный статус ГОСТА «Плиты железобетонные для покрытий городских дорог. Арматурные и монтажно-стыковые изделия. Конструкция и размеры» на 2016 год.
Скрыть дополнительную информацию

Страница 1

Страница 2

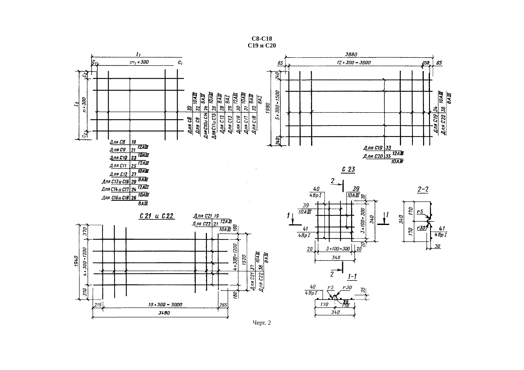
Страница 3

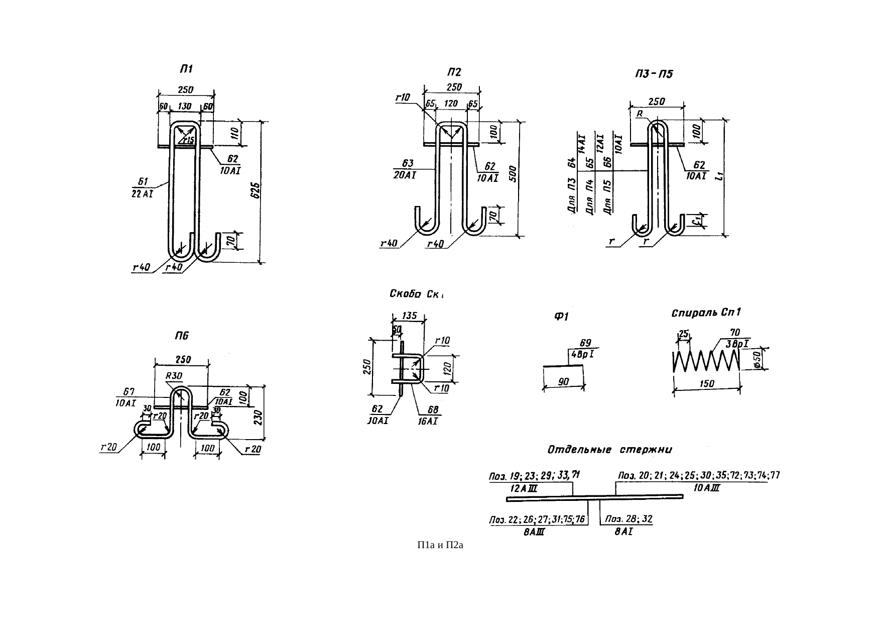
Страница 4

Страница 5

Страница 6

Страница 7

Страница 8

Страница 9

Страница 10
