СПДС. Отопление, вентиляция и кондиционирование воздуха. Рабочие чертежи
На нашем сайте можно бесплатно скачать ГОСТ 21.602-79 (с изм. 1 1981) в удобном формате. Узнать актуальный статус ГОСТА «СПДС. Отопление, вентиляция и кондиционирование воздуха. Рабочие чертежи» на 2016 год.
Скрыть дополнительную информацию

Страница 1

Страница 2

Страница 3

Страница 4

Страница 5

Страница 6

Страница 7

Страница 8

Страница 9

Страница 10

Страница 11

Страница 12

Страница 13

Страница 14

Страница 15

Страница 16

Страница 17

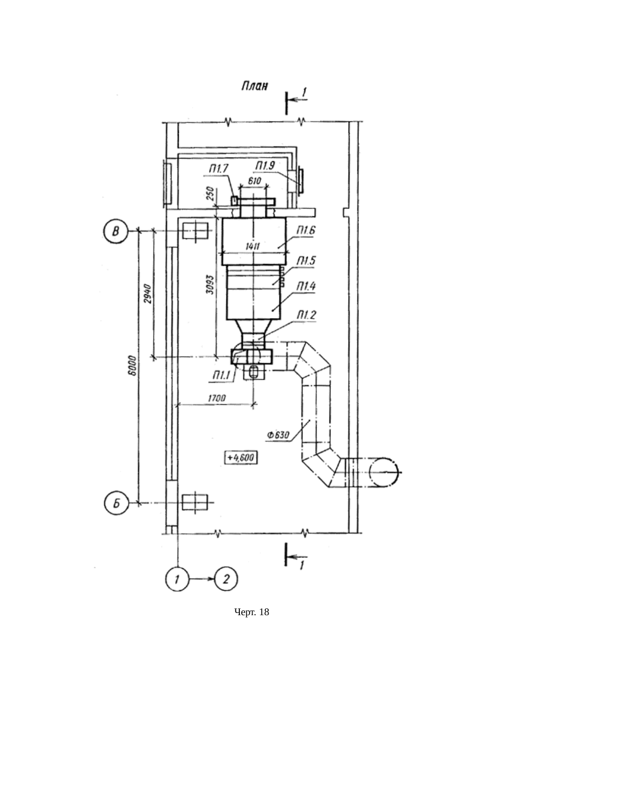
Страница 18

Страница 19

Страница 20

Страница 21

Страница 22
