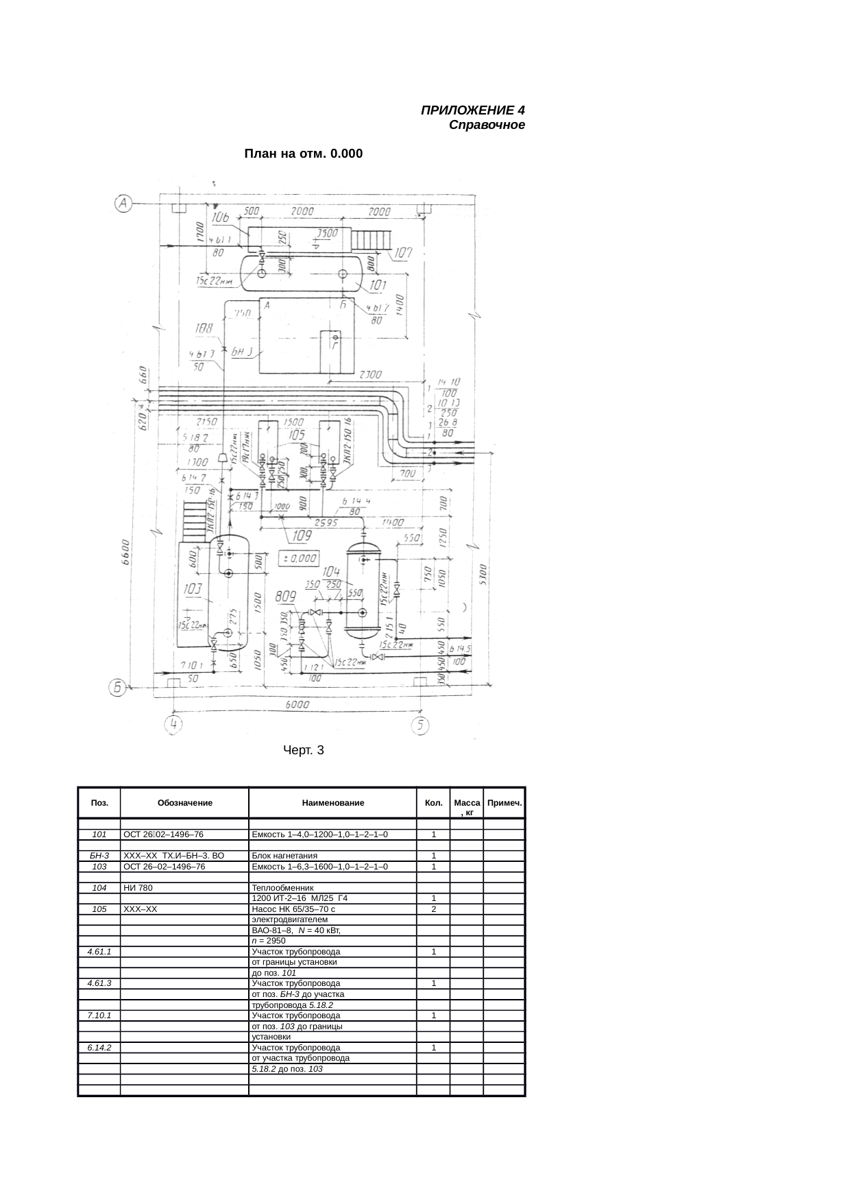
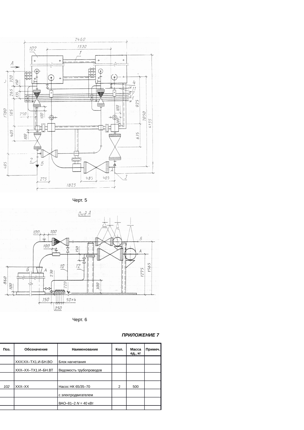
СПДС. Технология производства. Основные требования к рабочим чертежам
На нашем сайте можно бесплатно скачать ГОСТ 21.401-88 в удобном формате. Узнать актуальный статус ГОСТА «СПДС. Технология производства. Основные требования к рабочим чертежам» на 2016 год.
Скрыть дополнительную информацию

Страница 1

Страница 2

Страница 3

Страница 4

Страница 5

Страница 6

Страница 7

Страница 8

Страница 9

Страница 10

Страница 11

Страница 12

Страница 13

Страница 14

Страница 15

Страница 16

Страница 17
