Статистический приемочный контроль по количественному признаку. Планы контроля
Действие завершено 01.07.2000
Утратил силу в РФ
Документ завершил свое действие. Вы можете скачать Руководящий документ ГОСТ 20736-75 в удобном формате.
Скрыть дополнительную информацию
Выберите формат отображения документа:

Страница 1

Страница 2

Страница 3

Страница 4

Страница 5

Страница 6

Страница 7

Страница 8

Страница 9

Страница 10

Страница 11

Страница 12

Страница 13

Страница 14

Страница 15

Страница 16

Страница 17

Страница 18

Страница 19

Страница 20

Страница 21

Страница 22

Страница 23

Страница 24

Страница 25

Страница 26

Страница 27

Страница 28

Страница 29

Страница 30

Страница 31

Страница 32

Страница 33

Страница 34

Страница 35

Страница 36

Страница 37

Страница 38

Страница 39

Страница 40

Страница 41

Страница 42

Страница 43

Страница 44

Страница 45

Страница 46

Страница 47

Страница 48

Страница 49

Страница 50

Страница 51

Страница 52

Страница 53

Страница 54

Страница 55

Страница 56

Страница 57

Страница 58

Страница 59

Страница 60

Страница 61

Страница 62

Страница 63

Страница 64

Страница 65

Страница 66

Страница 67

Страница 68

Страница 69

Страница 70

Страница 71

Страница 72

Страница 73

Страница 74

Страница 75

Страница 76

Страница 77

Страница 78

Страница 79

Страница 80

Страница 81

Страница 82

Страница 83

Страница 84

Страница 85

Страница 86

Страница 87

Страница 88

Страница 89

Страница 90

Страница 91

Страница 92

Страница 93

Страница 94

Страница 95

Страница 96

Страница 97

Страница 98

Страница 99

Страница 100

Страница 101

Страница 102

Страница 103

Страница 104

Страница 105

Страница 106

Страница 107

Страница 108

Страница 109

Страница 110

Страница 111

Страница 112

Страница 113

Страница 114

Страница 115

Страница 116

Страница 117

Страница 118

Страница 119

Страница 120

Страница 121
ГОСУДАРСТВЕННЫЙ СТАНДАРТ СОЮЗА ССР
СТАТИСТИЧЕСКИЙ ПРИЕМОЧНЫЙ КОНТРОЛЬ ПО КОЛИЧЕСТВЕННОМУ ПРИЗНАКУ
ПЛАНЫ КОНТРОЛЯ
ГОСТ 20736-75 (СТ СЭВ 1672-79)
Издание официальное
ГОСУДАРСТВЕННЫЙ КОМИТЕТ СССР ПО СТАНДАРТАМ Москва
УДК 658.562.012.7(083.74) Группа Т59
ГОСУДАРСТВЕННЫЙ СТАНДАРТ СОЮЗА ССР
СТАТИСТИЧЕСКИЙ ПРИЕМОЧНЫЙ КОНТРОЛЬ ПО КОЛИЧЕСТВЕННОМУ ПРИЗНАКУ
Планы контроля
Sampling Inspection by variables. Control plans
гост
20736-75* * (CT СЭВ 1672-79)
Постановлением Государственного комитета стандартов Совета Министров СССР от 10 апреля 1975 г. № 909 срок введения установлен
с 01.01.76
Настоящий стандарт распространяется на все виды штучной продукции, поступающей на контроль в виде одиночных или последовательности партий, и устанавливает планы и порядок проведения статистического приемочного контроля качества продукции по количественному признаку при нормальном распределении контролируемого параметра.
В случае необходимости нормальность распределения контролируемого параметра проверяют по ГОСТ 11.006-74.
Обозначения терминов приведены в справочном приложении 1.
Стандарт полностью соответствует СТ СЭВ 1672—79.
1. ОБЩИЕ ПОЛОЖЕНИЯ
1.1. Контроль по количественному признаку заключается в том, что у единиц продукции измеряют значения контролируемого параметра, вычисляют выборочное среднее арифметическое значение и оценивают его отклонение от одной (верхней или нижней) или двух заданных границ. Эти отклонения сравнивают с заранее установленными контрольными нормативами и по результатам этого сравнения принимают решение о соответствии или несоответствии продукции установленным требованиям.
Издание официальное Перепечатка воспрещена
* Переиздание (июль 1982 г.), Изменением № 1, утвержденным в декабре 1981 г.; Пост. № 5656 от 25.12Л981 г.
(МУС 3—82).
© Издательство стандартов! 1982
Стр. 10 ГОСТ 20736-75
3. ВЫБОР ПЛАНА КОНТРОЛЯ, КОГДА ДИСПЕРСИЯ КОНТРОЛИРУЕМОГО ПАРАМЕТРА НЕИЗВЕСТНА И ОЦЕНИВАЕТСЯ ПО РАЗМАХУ 1Д-ПЛАН)
3.1. Контроль при одной заданной границе (верхней или нижней) контролируемого пара’ метра.
Способ 1.
3.1.1. По заданному объему партии N и выбранному уровню контроля из табл. 1 находят код объема выборки. По коду объема выборки и установленному значению AQL из. табл. 11—12 находят объем выборки п и контрольный норматив kR.
3.1.2. Из п значений контролируемого параметра выборки Хи х2 … хп по формуле (1) вычисляют его выборочное среднее арифметическое значение.
Для определения среднего размаха- выборку, в которой результаты измерений расположены в порядке их получения, разбивают на подгруппы по пять результатов измерений в каждой (с 1 по 5-й, с 6 по 10-й и т. д.). В каждой подгруппе определяют размах как разность между максимальным и минимальным значениями контролируемого параметра в подгруппе. Средний размах выборки (R) определяют как среднее арифметическое значение разма-хов подгрупп рассматриваемой выборки
R=-±-%Rlt (6)
т i-i
где Rt — размах t-й подгруппы;
т — число подгрупп в выборке.
Выбсфки объемом 3, 4, 5 и 7 на подгруппы не разбиваются и вместо R используется размах выборки объемом п.
3.1.3. С помощью значений х и R, вычисленных по формулам (1) и (6), определяют величины
<Эа= (7)
ИЛИ
4„= (8)
к
в зависимости от того, какая граница контролируемого параметра задана (верхняя или нижняя).
3.1.4. Если величина QB>kR или QH^kR, партию продукции
принимают. Если величина QB
Способ 2.
3.1.5. По заданному объему партии N и выбранному уровню контроля из табл. 1 находят код объема выборки. По коду объема
Стр. 2 ГОСТ 20736-75
1.2. Для выбора плана контроля должны быть установлены:
объем партии или ее верхнее и нижнее значения; контролируемые параметры с указанием их границ; приемочный, уровень дефектности для каждого контролируемого’ параметра (п. 1.4);
среднее квадратическое отклонение или метод его оценки1 (п. 1.5);
способ контроля — 1,2 или графический (см. п. 1.4); уровень контроля (п. 1.6);
вид контроля, указания о начальном виде контроля и возможности перехода от одного вида контроля к другому (п. 1.7).
Примеры применения правил и таблиц настоящего стандарта для различных планов контроля приведены в справочном приложении 2.
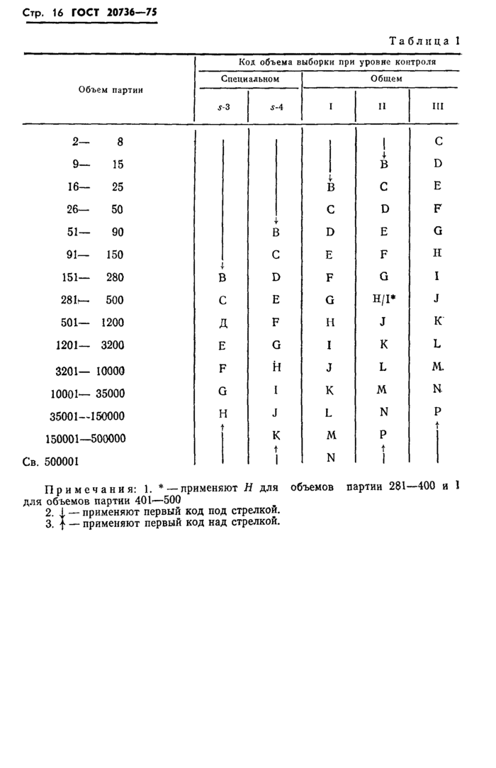
L3. Контроль качества продукции следует прово-дить по каждому установленному в нормативно-технической документации (НТД) контролируемому параметру. В зависимости от объема партии и уровня контроля из табл. 1 находим код объема выборки.
Выборку следует отбирать случайным образом, так чтобы каждая единица продукции имела одинаковую вероятность быть отобранной.
Правила отбора единиц продукции в выборку — по ГОСТ 18321-73.
1.4. Приемочный уровень дефектности AQL
1.4.1. AQL не определяет уровень дефектности продукции в одиночных партиях и поэтому не гарантирует выполнение требований потребителя в каждой одиночной партии, но гарантирует их выполнение в среднем для последовательности партий.
Чтобы определить риск потребителя при приемке одиночных, партий, следует использовать оперативную характеристику установленного плана контроля.
1.4.2. При заданных верхней и нижней границах контролируемого параметра допускается:
устанавливать два значения AQL — для верхней (AQLB) и для нижней (i4QLH) границ контролируемого параметра;
устанавливать одно значение AQL для общего уровня дефектности вне верхней и нижней границ контролируемого параметра.
Табл. 3, 4, 6—9; П и 19 стандарта составлены для значений A QL = 0,04 %; 0,065 % и т. д.
С помощью табл. 2 по установленному значению AQL выбирают из этого ряда одно значение.
ГОСТ 20736-75 Стр. 3
1.4.3. AQL может быть установлен либо на основе анализа экономических показателей, либо соглашением поставщика и потребителя на основе заключений экспертов (ГОСТ 23853-79).
1.5. Методы оценки и способы контроля
1.5.1. В качестве оценки для неизвестного среднего значения контролируемой партии следует использовать среднее арифметическое значение х выборки.
1.5.2. Если среднее квадратическое отклонение о в контролируемой партии известно, то следует использовать <т-план. Если среднее квадратическое отклонение о неизвестно, то оно может быть оценено либо через среднее квадратическое отклонение s выборки, либо через средний размах R выборки.
В первом случае следует принять s-план, во втором случае — Л-план.
Указанные три типа плана (a-, s- и Д-план) контроля имеют почти одинаковые оперативные характеристики (см. п. 1.8). Для каждого типа плана контроля Задаются критерии принятия решения относительно приемки или браковки контролируемой партии продукции:
контроль при одной заданной границе (верхней или нижней) контролируемого параметра;
контроль при.двух заданных границах контролируемого параметра:
а) двум заданным границам (верхней и нижней) соответствуют различные AQL (AQLB и AQL„) \
б) двум -заданным границам (верхней и нижней) соответствует одинаковый AQL.
Планы обоих способов, а также графического способа контроля имеют для одинаковых значений AQL и соответствующих критериев приемки приблизительно идентичные оперативные характеристики.
Способ 1. Устанавливают код объема выборки и AQL, на ос-вании которых из табл. 6—7, 11—12, 16—17 получают объем выборки п и контрольный норматив k. Затем по значениям границы контролируемого параметра, среднего арифметического значения ~х и среднего квадратического отклонения от (или его оценки) находят величину Q, которую сравнивают с k.
Данный способ следует применять в тех случаях, когда не требуется оценка входного уровня дефектности каждой партии, поскольку случайные отклонения этого уровня не сопровождаются-серьезными последствиями.
Способ 2. Устанавливают код объема выборки и AQL, на основании которых из табл. 8—9; 13—14; 18—19 получают объем выборки п и допускаемый уровень дефектности М. Далее так же,
как при способе 1, находят величину Q и с ее помощью оценивают входной уровень дефектности Р, который сравнивают с М.
Данный способ следует.применять в тех случаях, когда для установления соответствия каждой партии продукции требованиям НТД необходимо знать входной уровень дефектности.
Графический способ. По значениям границы контролируемого параметра, среднего арифметического значения х и среднего квадратического отклонения <т (или его оценки) определяют величины
о ~—тв
-тр—и , которые затем наносят на номограмму и соот-
* в—1 н * в—* н
ветственно по расположению этих точек принимают решение относительно приемки или браковки контролируемой партии. Аналогичным образом принимают решение при s- или /^-планах контроля. Причем, если значение s или R больше максимального среднего квадратического отклонения (MSD) или максимального среднего размаха (MSR), то контролируемую партию продукции бракуют. Величину MSD или MSR следует определять умножением разности верхней и нижней границы контролируемого параметра на коэффициент f. Коэффициент f следует выбирать из табл. 3 для 5-планов и из табл. 4 для /^-планов.
1.6. Уровни контроля
В стандарте установлено пять уровней контроля (три, общих и два специальных), определяющих соотношение между, объемом-партии и объемом выборки:
общие — I, II, III;
специальные — s—3 и s—4 (см. табл. 1).
Уровни контроля отличаются друг от друга объемом выборки и требованиями к контролю, что выражается крутизной оперативной характеристики (см. п. 1.8).
Объем выборки и требования к контролю для уровня s—3 являются наименьшими. Как правило, следует применять уровень контроля II. Уровень контроля III применяют в том случае, если приемка партий, не соответствующих установленным требованиям, приводит к большим потерям или стоимость контроля незначительна.
Уровень контроля I применяют в том случае, если требования к контролю I меньше, чем при уровне контроля II, и необоснованное принятие партии не приводит к значительным потерям.
Специальные уровни контроля s—3 и s—4 применяют в, том случае, когда требуется контроль выборок малых объемов (например, при разрушающем контроле).
1.7. Виды контроля
В стандарте установлены три вида контроля: нормальный, усиленный и ослабленный.
Планы контроля для нормального и усиленного контроля выби-
ГОСТ 20736-75 Стр. 5
рают из одних и тех же таблиц стандарта, причем сверху указаны значения AQL для нахождения контрольных нормативов при нормальном контроле, снизу—при усиленном.
Усиленный контроль по сравнению с нормальным означает уменьшение значения AQL при неизменном объеме выборки.
Для планов контроля при ослабленном контроле приведены отдельные таблицы. Ослабленный контроль требует меньшего объема выборки, чем нормальный контроль. Нормальный контроль является основным видом контроля и применяется во всех случаях, если не оговорено применение другого вида контроля. Нормальный контроль следует продолжать до тех пор, пока по правилам, указанным в пп. 1.7.1 или 1.7.3, не требуется переход к усиленному или ослабленному контролю.
Усиленный и ослабленный контроль следует применять для всех последующих партий до тех пор, пока по правилам, указанным в пп. 1.7.2 или 1.7.4, можно будет возвратиться к нормальному контролю. При этом следует учитывать только партии, представленные на контроль впервые.
1.7.1. Переход от нормального контроля к усиленному следует осуществлять в том случае, если при нормальном контроле две из пяти последовательных партий были забракованы при первом предъявлении.
Переход к усиленному контролю означает, что средний входной уровень дефектности проконтролированных партий превысил установленное значение AQL.
1.7.2. Переход от усиленного контроля к нормальному следует осуществлять только в тех случаях, если при усиленном контроле пять последовательных партий принимаются с первого предъявления. Если это правило не выполняется и необходимо сохранить в силе усиленный контроль для десяти последовательных партий, то выборочный контроль прекращается. Следует выяснить причины ухудшения качества продукции и принять меры по устранению этих причин.
1.7.3. Переход от нормального контроля к ослабленному следует осуществлять в том случае, если одновременно соблюдены следующие условия:
при нормальном контроле последние десять партий были приняты с первого предъявления;
технологический процесс является стабильным и выпуск продукции ритмичен;
применение ослабленного контроля разрешено НТД.
Переход к ослабленному контролю означает, что средний входной уровень дефектности проконтролированных партий меньше установленного значения AQL.
1.7.4. Переход от ослабленного контроля к нормальному еле-
Стр. 6 ГОСТ 20736-75
дует осуществлять в том случае, если выполнено хотя бы одно из следующих условий:
очередная партия была забракована при первом предъявлении;
нарушена стабильность технологического процесса или ритмичный выпуск продукции;
предъявляются другие условия, которые могут послужить основанием для перехода к нормальному контролю.
Эти условия указывают в НТД.
Примечание. Средний входной уровень дефектности проконтролированных партий определяется как взвешенное среднее арифметическое оценочных значений входного уровня дефектности проконтролированных партий.
1.8. О п е р ат и в на я характеристика
Оперативная характеристика Р выборочного плана контроля определяет вероятность приемки партии в зависимости от уровня дефектности р в партии.
Другими словами, Р есть вероятность приемки партии с уровнем дефектности р. Оперативные характеристики представлены на черт. 1—24 графически по порядку кода объема выборки (кодовых букв). По оперативной характеристике оценивается приемлемость выбранного плана контроля. При этом приемлемым планом контроля для последовательности партий считается такой, при котором для установленного браковочного уровня дефектности (LQ) риск потребителя при нормальном контроле будет не более заданного. Оперативные характеристики следует использовать в тех случаях, когда требуется выбрать план контроля одиночной партии при установленных приемочных и браковочных уровнях дефектности и рисках поставщика и потребителя. Для этого из комплекта приведенных в настоящем стандарте оперативных характеристик подбирается та, которая лучше удовлетворяет заданным требованиям, после чего принимается соответствующий план контроля.
Каждому коду объема выборки и AQL соответствует своя оперативная характеристика (см. черт. 1—24).
По оперативным характеристикам определяют риск поставщика а, как вероятность браковки для партии с уровнем дефектности P=AQL, и риск потребителя {$, как вероятность приемки для партии с уровнем дефектности P—LQ. Чем больше крутизна оперативной характеристики, тем больше строгость выборочного плана контроля.
1.9. С р а в н е н и е объемов выборки при контроле по альтернативному и количественному признакам
Объемы выборок для планов контроля по альтернативному (ГОСТ 18242-72) и количественному признакам для одинаковых
ГОСТ 20736-75. Стр. 7
кодов объема выборки и значений AQL приведены в табл. 5. Наименьшие объемы выборки получаются при ог-плане.
Разд. 1. (Измененная редакция, Изм. № 1).
2. ВЫБОР ПЛАНА КОНТРОЛЯ, КОГДА ДИСПЕРСИЯ КОНТРОЛИРУЕМОГО ПАРАМЕТРА НЕИЗВЕСТНА И ОЦЕНИВАЕТСЯ ПО ВЫБОРОЧНОЙ ДИСПЕРСИИ (S-ПЛАН)
2:1. Контроль при одной заданной границе (верхней или нижней) контролируемого параметра
Способ 1.
2.1.1. По заданному объему партии N и выбранному уровню контроля из табл. 1 находят код объема выборки. По коду объема выборки и установленному значению AQL из табл. 6—7 находят объем выборки я и контрольный норматив ks .
2.1.2. Из п значений контролируемого параметра выборки х.и х2 … х„ вычисляют: среднее арифметическое значение
<»
где xt — значение контролируемого параметра для i-й единицы продукции выборки; s — выборочное среднее квадратическое отклонение контролируемого параметра
>- V -jrri, (*<-*>■ (2)
и величину
Qb= — (3)
ИЛИ
Q«= (4)
в зависимости от того, какая граница контролируемого параметра
задана.
2.1.3. Если величина QB>ks или Q„>ks, то партию продукции принимают.
Если величина QB
Способ 2.
2.1.4. По заданному объему партии -N и выбранному уровню контроля из табл. 1 находят код объема выборки. По коду объема
выборки и установленному значению AQL из табл. 8—9 находят объем выборки п и допускаемый уровень дефектности Ms.
2.1.5. С помощью значений х и s, вычисленных по формулам (1) и (2), определяют величину QB или Q„ по формулам (3) или (4). По значению величины QB или Q„ и объему выборки п из
табл. 10 находят оценочное значение рв или р„ входного уровня дефектности партии.
2.1.6. Если величина рв <.MS или рн <-Ms, партию продукций»
принимают. Если величина рв или ра >MS> или хотя бы од
на из величин QB или Q„ отрицательна, партию продукции бракуют (см. справочное приложение 2, пример 2).
2.2. Контроль при двух заданных границах контролируемого параметра
2.2.1. Верхней и нижней заданным границам контролируемого параметра соответствуют различные AQL (AQLB и AQLU).
Способ 1.
2.2.1.1. По заданному объему партии N и выбранному уровню контроля из табл. 1 находят код объема выборки. По коду объема выборки и установленным значениям AQLB и AQL„ из табл. 6 и 7 находят объем выборки п и контрольные нормативы kSB и kSH.
2.2.1.2. С помощью значений х и s, вычисленных по формулам (1) и (2), определяют величины QB и Q„ по формулам (3) и (4).
2.2.1.3. Если величина QB>kSB и то партию продук
ции принимают.
Если величина QB
Способ 2.
2.2.1.4. По заданному объему партии N и выбранному уровню
контроля из табл. 1 находят код объема выборки. По коду объема выборки и установленным значениям AQLB и AQLH из табл. 8 и 9 находят объем выборки п и допускаемые уровни дефектности A4SB и Л4ет. _
2.2.1.5. С помощью значений х и s, вычисленных по формулам (1) и (2), определяют величины QB и QH по формулам (3) и (4). По значению величин QB и QH и объему выборки п из табл. 10 находят оценочные значения/?,, и р„ входного уровня дефектности партии, а также р=рв+рн.
2.2.1.6. Если величина pB
ГОСТ 20736-75 Стр. 9
Если величина pB>MSB или pa>MSH, или хотя бы одна из величин QB или Q„ отрицательна, партию продукции бракуют (см. справочное приложение 2, пример 4).
2.2.2. Верхней и нижней заданным границам контролируемого параметра соответствует одинаковый AQL.
Способ 2.
2.2.2.1. По заданному объему партии N и выбранному уровню контроля из табл. 1 находят код объема выборки. По коду объема выборки и установленному значению AQL из табл. 8—9 находят объем выборки п и допускаемый уровень дефектности Ms.
2.2.2.2. С помощью значений х и s, вычисленных по формулам (1) и (2), определяют величины QB и QH по формулам (3) и (4).
По значению величины QB и Qa и объему выборки п из
табл. 10 находят оценочные значения рв и рн входного уровня де
фектности партии, а также р— рв +/>„,
2.2.2.3. Если величина р cMs, партию продукции принимают.
Если величина р >М4 или хотя бы одна из величин Q„ и Q„ отрицательна, партию продукции бракуют (см. справочное приложение 2, пример 5).
Графический способ.
2.2.2.4. По заданному объему партии N и выбранному уровню контроля из табл. 1 находят код объема выборки. По коду объема выборки из табл. 8—9 находят объем выборки п.
2.2.2.5. С помощью значений хя$, вычисленных по формулам (1) и (2), определяют величины
тв~ти
х Гн
тв-ти •
2.2.2.6. По коду объема выборки и установленному значению AQL по черт. 25—36 выбирают соответствующую кривую. Точку
( 5„ ‘» -£~Г£—) следует нанести на номограмму. Если точка
V * в—’* н I в—* н / ‘
будет расположена внутри кривой, то партию продукции принимают, в противном случае ее бракуют (черт. 62).
Если необходиМЪ предварительное решение с помощью MSD, то по табл. 3 следует найти коэффициент f, где входными величинами являются объем выборки п и установленное значение AQL, и вычислить
MSD=f(Te—T„). (5)
Если s>MSD, партию продукции бракуют (см. справочное приложение 2, пример 6).
Разд. 2. (Измененная редакция, Изм. № 1).
