Полистирол общего назначения. Технические условия
Заменяет

Страница 1

Страница 2

Страница 3

Страница 4

Страница 5

Страница 6

Страница 7

Страница 8

Страница 9

Страница 10

Страница 11

Страница 12

Страница 13

Страница 14

Страница 15

Страница 16

Страница 17

Страница 18

Страница 19

Страница 20

Страница 21

Страница 22

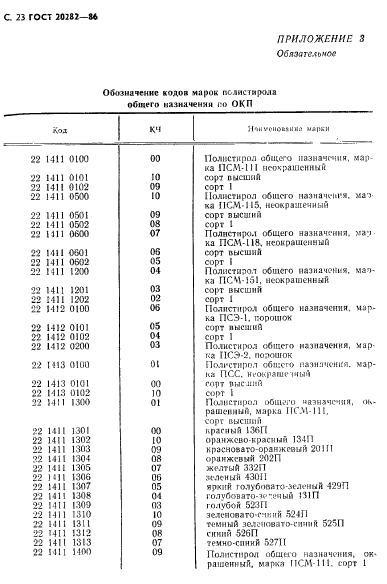
Страница 23

Страница 24

Страница 25

Страница 26

Страница 27

Страница 28

Страница 29

Страница 30

Страница 31

Страница 32

Страница 33

Страница 34

Страница 35

Страница 36
ГОСУДАРСТВЕННЫЙ СТАНДАРТ СОЮЗА ССР
ПОЛИСТИРОЛ ОБЩЕГО НАЗНАЧЕНИЯ
ТЕХНИЧЕСКИЕ УСЛОВИЯ ГОСТ 20282-86
Издание официальное Е
КОМИТЕТ СТАНДАРТИЗАЦИИ И МЕТРОЛОГИИ СССР М о с к » а
УДК 678.746.22 : 0С6.3$4 Группе Л27 ГОСУДАРСТВЕННЫЙ СТАНДАРТ СОЮЗА ССР ПОЛИСТИРОЛ ОБЩЕГО НАЗНАЧЕНИЯ Технические условна General-purpose polystyrene. Specifications 20282—86 ГОСТ ОКП 22 1410 Срок с 01.0187 до 01.01.95 Настоящий стандарт распространяется на полистирол общего назначения, представляющий собой продукт полимеризации стирола в массе или в суспензии, или в эмульсин, и предназначенный для изготовления изделий различными методами термоформова-ния. Полистирол общего назначения изготовляют для нужд народного хозяйства н для экспорта. (Измененная редакция, Изм. № 1). 1.1. В зависимости от свойств и назначения установлены следующие марки полистирола, получаемого полимеризацией а мас- ПСМ-115—для изготовления методом литья под давлением изделий технического назначения и товаров на- Игдаиие официальное * Е ® Издательство стандартов, 1986 © Издательство стандартов, 1991 Переиздание с изменением Настоящий стандарт не может бшь полностью млн частично воспроизведен, тиражирован и распространен без разрешения Госстандарта СССР 1. МАРКИ се: родного потребления; ГОСТ 20281-86 С 2 ПСМ-111 — повышенной теплостойкости, для изготовления светотехнических изделий методом литья иод давлением и товаров народного потребления; ПСМ 118— для изготовления методом литья под давлением изделий сложной конфигурации технического назначения и товзроз народного потребления. Марха характеризуется высокой текучестью; ПСМ-151 — повышенной теплостойкости л низкой текучести, для изготовления листов, профилей, пленок и нитей методом экструзии, товаров народного потребления; для производства нитей предназначен только высший сорт; суспензионного: ПСС— для изделий техгнческого назначения и товаров нзродкого потребления; эмульсионного: ПСЭ-1 — для получения пенопластов; Г1СЭ-2 — для продукции технического назначения; допускается применение для изготовления пеноилнт. (Измененная редакция, Изм. № 1). 1.2. Применение полистирола общего назначения для изготовления изделий, контактирующих с пищевыми продуктами, игрушек должно быть согласовано с Министерством здравоохранения СССР. Разрешения Минздрава СССР приведены в приложении 1. Крашение полистирола, предназначенного для изготовления изделий, указанных выше назначений, проводят красителями, имеющими разрешения Минздрава СССР. 1.3. Полистирол выпускают в виде гранул в окрашенном и неокрашенном виде, за исключением марок ПСЭ-1 и ИСЭ-2, выпускаемых в виде порошка неокрашенными. Неокрашенные гранулы полистирола ~ бесцветные, прозрачные. Номера рецептур окрашивания и облает применения окрашенного полистирола указаны в приложении 2. По согласованию с потребителями полистирол марок ПСМ-111, ПСМ-И8, ПСМ-115, ПСМ-151 выпускается поверхностно обработанным для улучшения технологичности полимера при переработке. , 1.4. Условное обозначение марок полистирола состоит из сокращенного назначения материала (ПС), способа получения (Э — эмульсионный; М — полимеризация о массе (блочный); С —суспензионный). цифрового обозначения марки, указания рецептуры светостабнлнзаиии. наименования цвета, указания рецептуры окрашивания цвета, сорта обозначения стандарта. В обозначение поверхностно обработанного полистирола вводят буквенный эквивалент С перед указанием сорта. С. 3 ГОСТ 20282-86 Пример условного обозначения полистирола блочного марки III, светостабилизированного, красного цвета, высшего сорта по ГОСТ 20282-86: ПСМ-Ш—20, красный, рец. 136П, высший сорт ГОСТ 20282-86 По коду ОКП: 22 1411 2301 ГОСТ 20282-86 То же, для марки 151, неокрашенного, поверхностно обработанного. первого сорта по ГОСТ 20282-86: 11СМ—151 «С», первый сорт ГОСТ 20282-86 По коду ОКП: 22 1411 1202 ГОСТ 20282-86 (Измененная редакция, Изм. .Ч> 1). 1.5. При поставках на экспорт условное обозначение полистирола — по ГОСТ 25910-83 в соответствии с приложением 7. 1.6. По общесоюзному классификатору промышленной и сельскохозяйственной продукции код ОКП для каждой марки должен соответствовать приложению 3. 2. ТЕХНИЧЕСКИЕ ТРЕБОВАНИЯ 2.1. По фнзнко-механичсским показателям полистирол должен соответствовать требованиям и нормам, указанным в табл. 1. 2.2. Полистирол, используемый для изготовления изделий, соприкасающихся с пищевыми продуктами, и игрушек, не должен придавать модельной среде постороннего запаха и привкуса выше I балла. Концентрация стирола н модельной среде не должна превышать 0.01 мг/дм3. 2.3. Цвет полистирола должен соответствовать контрольному образцу-эталону, утвержденному предприятию-изготовителю в установленном порядке. (Измененная редакция, Изм. № I). 2.4. Полистирол марок ПСМ-И1 и ПСМ-151 выпускают по согласованию с потребителем светостабилизнрованным. Номера рецептур светосгабилизацни приведены в приложении 4. 2.5. Справочные показатели полистирола приведены в приложении 5. ГОСТ 20282—Ьб С. 4 «j гз s о п Î U с х \ m ai « s X ft о •л S. ч X « ta О „ -s ; » Sä И II 2 ‘ X 3 1Л 5 О» Л s. st и Si — »1 ■g» I! 3$ S X Iß о о S ff I? о Ii о _ • о о 2 о S -ц с* ю о о S •N аО О OJ 3 Ii 5 2 о Ii о о* Ь* о 8 т. -Н 1С ; . о il а: ж» — I S • Ч я Г Ä s 2 * W Я Î2 — я о s о. «с- о Ti SS У A UÎ N О О о _ г* о S s Я SS**1 а-«,*- Л Н? л о 8 A4 2 g л о о о о 1Л С; •С M сч Ô? !1 Т У га •S s 3 £ g- ? с о: as V р л С а; — Ol 2 H ‘•s О г; ь *** 3 п о ti • * = а Я Ов . о 2 en н 5 я 2 и п Л а ^ О г» га Л 1 raS Ы Л яг v t 3- >» г Р а. •ч ее * о « s « п г а» 2 я «о с 8 е»! О 03 а. о m 2 tÖ _ S г S 5° Ils » Норма дд ПСМ1Ы ПСМ 111 Ианмеггопанн* по* мысля ПмсшиР сорт Перги* сорт Высший сор г Первый сорт 8. Отношение пязкос-теА Не определяют Не определяют 9. Остаток на сите после просепа. %. не более: с сеткой № 2.5К Не определяют Не определяют с сеткой .V» 0.2К Не определят Не определяют 10. Тангенс угла диэлектрических потерь при частоте 1 МГц, не более 0,0002 0.0003 0,0003 0.0003 11. Диэлектрическая проницаемость при частоте 1 МГц, не более 2,6 2.6 2.6 2.6 12. Прочность при разрыве. МПа (кгс/ск*). не менее 49.0 (500) 44,1 (450) 44.1 (450) 40.2 (ПО) 13. Коэффициент интегрального свстопропус-кааня. не менее 89 89 88 88 ПроОо.гхгние табл. 1 я марли ПСМ 11$ ПСМ 1)Н Высший сору Пср»м* сорт Высший СОРТ Первый сорт Не определяют Не определяют По ГОСТ 18249-72 и п. 6.10 настоящею стандарта По п. 6.3 Не определяют Не определяют Не определяют Не определяют 0,0002 0,0004 0.0003 0.0003 По ГОСТ 22372-77 2.0 2.6 2.6 2.6 По ГОСТ 22372-77 40.2 НЮ) 37.7 (385) 39.2 (400) 36.3 (370) По ГОСТ 11262-80 88 88 Но ГОСТ 15875-80 Продолжение табл. I Маимечооалие показателя Метод »спитвиня псс ПСЭ-1 ПСЭ-2 ВисшнЛ сор? ПервкА СОФТ В четиft сорт Пс»«иА сокт ПсроыА сорт 1. Внешний вид Гранулы размером не Порошок белого ивета По п. 6.3 бил ее 3X5 мм Допу- скается наличие гранул размером до 8 мм мас- « сой до 1 % 2. Чистота поверхно- Поверхность диска должна быть чистой и блестящей. По п. 6.4 сти диска серебристость не допускается. Допускаются включения не более одной точки на плошали, см7: 10 1 10 10 10 10 диаметром 0.2 мм диаметром 0.3 мм 3. Мзссовая доля ос- По гост таточного мономера (сти- 15820—82 рола), не более 0.05 0.05 0.30 0.30 оло 4. Массовая доля по- По ГОСТ ды. не более 0.1 0.2 0.3 0.3 0.3 11736—78 и п. 6.5 пастояшсго стан- дарта 5. Температура размяг- По ГОСТ чении по Вика. °С, не ни- 15088—83 же при Р — 5 кг(? 90 85 98 93 90 6. Показатель текуче- 1.0—4.0 По ГОСТ сти расплава, г/10 мин 1,3-3,0 4.0—6.0 0.5-1.6 0,5—1.9 0.5-3.0 11645—73 6.0-8,0 С. 7 ГОСТ 20ÎSÎ -86 <5 г ч: к 1 с: о СО о С о § 1 г о : 2 с ! С Н <Х> ■ UK Р’Т ! 1 ; I — ST 2 2 О Сеч « У С- С 2 : я s сч S =î сч h 1=5 а л и С.’ tt о с: s 1 к s. 5 £ g а О В- § 4; 1- £ о 1- о X Я О ÏÎ ‘О Cl» S8 а X 3 & л и с г S с о с» х S s сч II о «f г «/ CL с; О о X Р. о Сч» IS с tz s s ci I ГОСТ 20282-16 С 8 S 1 С: 0 г: I! ё6 if =1 4 с « I 1 с. с о 3 £ it & * л У с « JS8 ÉÛ «о о et & с: О О X л* S Ou») 3*. St U о с U U II ca 33 28 £ tx l £ r il z * S3 = s u о e и» s s г о . a Êjs -5» к О о H ÎJ О s s£ 5 •I* С 3 s & с ее fc о s. g «î я С. y 0 d û. g ? (J С A 1 0 с II с il m я * ^ X 03 «i r >• C. £ 2 s в a о r tiï о X * £ , S 2 5 >• n с s « * y tf * W r С- m >. Ж О. гв z о u ю * x О X X. -С: c-a « CO X — о * s 2 S* x « I « ГЗ X £ С. 9 ГОСТ 20282-8« 3. ТРЕБОВАНИЯ БЕЗОПАСНОСТИ 3.1. Гранулированный полистирол является горючим продуктом. Температура воспламенения расплава — 210°С. При загорании полистирол тушить распыленной водой со смачивателями. 3.2. Лэровзвесь эмульсионного полистирола взрывоопасна. Пыль фракции 20—250 мкм имеет нижний предел воспламенения 25—29 г/м3. Температура самовоспламенения аэрогеля — 444°С. В соответствии с правилами защиты от статического электричества в производствах химической, нефтехимической и нефтеперерабатывающей промышленности оборудование, коммуникации и токоприемники на участках возможного образования зарядов статического электричества должны быть заземлены. В местах выделения паров стирола и образования полнсти-рольной пыли должна быть предусмотрена система приточно-вы-тяжной вентиляции. 3.3. Продукты разложения полистирола, полученного любым способом, токсичны. При переработке полистирола в результате частичной деструкции материала могут выделяться пары стирола и другие продукты разложения. Предельно допустимая концентрация (ПДК) паров стирола в воздухе рабочей зоны производственных помещений равна 5 мг/м5. Область воспламенения смеси паров стирола с воздухом 1,05—7,5 по объему. 3.4. Пары стирола выше предельно допустимых концентраций вызывают раздражение слизистых оболочек глаз, носа, гортани, нарушение функций центральной нервной системы и печени, а также оказывают влияние на кроветворные органы 3.5. Переработка полистирола должна производиться при наличии местной и общеобменной вентиляции при строгом соблюдении температурного режима и технологических параметров. 4. ОХРАНА ПРИРОДЫ 4.1. Вредное воздействие полистирола при его производстве и переработке определяется выделением стирола в окружающую среду. Стирол обладает наркотическим и специфическим действием на организм, оказывая влияние на нервную систему, печень и кроветворение. Обладает мутагенным действием. При содержании стирола в модельных средах более 500 мг/ма (0,5) мг/дм1 обнаруживаются симптомы отравления, связанные с нарушением процессов кроветворения и изменением функционального состояния печени. При концентрациях стирола от (500—100) мг/м3 (0,5—0,1) мг/дм3 специфическое действие сменяется наркотическим. ГОСТ M2t2—М С. 10 4.2. Меры и средства защиты природной среды от вредного воздействия обеспечиваются соблюдением требовании техники безопасности при получении и переработке полистирола. 4.3. Содержание стирола н выбросах о атмосферу, сбросах в водоемы :г загрязнения почвы при получении полистирола в соответствии с Санитарными нормами проектирования промышленных предприятий контролируют по предельно допустимым концентрациям стирола: в воздухе населенных мест —0,003 мг/м1; н воде»водоемов — 100 мг/м3 (0.1 мг/дм5); в рабочей зоне — по ГОСТ 12.1.005-88. 5. ПРАВИЛА ПРИЕМКИ 5.1. Приемка полистирола производится партиями. За партию принимают количество полистирола, получаемого одним методом, однородного по показателям качества, одной марки, одного цвета, сопровождаемого одним документом о качестве. Масса партии полистирола должна быгь от 5 до 60 т, полистирола марок ПСЭ-1. ПСЭ-2 — не более 50 т. 5.2. Для проверки качества полистироля на соответствие требованиям настоящего стандарта отбирают 5% упаковочных единиц, но не менее, чем 3 упаковочные единицы при малых партиях. Допускается отбирать пробу с технологического потока через равные промежутки времени массой не менее 0.2 кг или от каждой 20-i’i упаковочной единицы в момент затаривания. Из контейнеров, танк-контейнеров, цистерн, полимервозов отбирают щупом по всей высоте не менее трех проб от каждой единицы. Допускается отбор проб в процессе разгрузки контейнеров и танк-контейнеров непрерывно в течение всей разгрузки. 5.3. Партию полистирола подвергают приемо-сдаточным испытаниям на соответствие требованиям и. 2.3 и пи. 1. 2. 3. 5, 6, 7. 8. 9, 12 табл. 1 (кроме марок ПСЭ-1 и ПСЭ-2 по пл. 2, 3, 5. 12 и марки ПСС по п. 5). Периодические испытания изготовитель проводит по показателям п. 2.2 и 4, 13 табл. 1 не реже одного раза в месяц, а показатели 10, 11 определяют по требованию потребителя. Для полистирола марок ПСЭ-1, ПСЭ-2 испытания по показателям 2 и 12 табл. 1 проводят не реже одного раза в квартал, по показателю 3—не реже чем на каждой пятой партии, по показателю 5 и для марки ПСС — не реже одного раза в месяц. Показатели 10, 11, 13 табл. 1 изготовитель определяет на неокрашенном материале. 5.1—5.3. (Измененная редакция, Изм. .Мг I). С. II ГОСТ 20282-84 5.4. Каждая партия полистирола должна сопровождаться документом. удостоверяющим ее качество Документ должен содержать: наименование предприятия-изготовителя и его товарный знак; условное обозначение материала; номер партии и количество упаковочных единиц; дату изготовления; массу нетто; результаты проведенных испытаний пли подтверждение о соответствии требованиям настоящего стандарта 5.5. При получении неудовлетворительных результатов испытаний хотя бы по одному из показателей по нему проводят повторное испытание на удвоенном количестве упаковочных единиц, взятых от той же партии. Результаты повторных испытаний распространяются на всю партию. 6. МЕТОДЫ ИСПЫТАНИИ 6.1. Точечные пробы отбирают в равных количествах от каждой. отобранной в выборку, упаковочной единицы. Отобранные точечные пробы соединяют и перемешивают. Масса объединенной пробы не должна быть менее 3 кг. Объединенную пробу помещают в чистую сухую, плотно закрываемую банку, или во влагонепроницаемый мешок; на банку наклеивают, а в мешок вкладывают этикетку с обозначением наименования продукта, номера партии и латы отбора пробы. 6.2. Из отобранной, как указано в п. 6.!, пробы изготовляют образцы для испытаний по ГОСТ 12019-66 литьем под давлением по режимам, указанным в табл. 2. Рекомендуется изготовление образцов с использованием комплексной формы ЛФ-1099-ЛФЮ96, 19—151/15—7—00.00.00. Допускается изготовление образцов для испытаний на плунжерных литьевых машинах. При разногласиях в оценке качества испытания проводят на образцах, изготовленных на шнековых литьевых машинах. (Измененная редакция. Изм. ЛЬ I). 6.2.1 Полистирол марок ПСЭ-1 и ПСЭ-2 перед литьем табле-тируют или гранулируют. 6.2.2. Перед испытаниями образцы кондиционируют по ГОСТ 12423-66 в стандартной атмосфере 23 не менее 3 ч. 6.2.3. Испытания образцов проводят при температуре (20±2) С. С момента изготовления образцов до начала испытания, включая время кондиционирования, должно пройти не менее 4 ч. (Введен дополнительно, Изм. fit !). ГОСТ 20232-86 с i: Таблица 2 >1*имгион»нно кокиатслз Норм* д.ю жожтмрола «ЗР» II ПС.Ч-111. ПГ..Ч-115, JICMISI. ПСМ-11» пс.э-: ПСЭ-» псс 1. Температура литьевой массы, *С 170-210 190- 230 170-200 2. Время выдержки пол давлением и форме, с 10—10 10 -40 10-40 3. Время выдержки под охлажде- 20—60 30- 60 30-60 нном и форме, с 4. Удельное давление литья, МПа 98-11« 98-10$ 98—10Я (кгс/с*1) (1000-1200) (1000- (1000- -1100) —1100) 5 Температура литьевой формы. «С 40 60 •10- 60 40-60 6.3. Внешний вид определяют визуально на пробе, отобранной по п. 6.1, без применения увеличительных приборов. 6.3.1. Массовую долю гранул полистирола определяют измерением максимального размера гранул или ситовым методом. Из (200±1) г объединенной пробы, отобранной по п. 6.1, вы бнраюг гранулы размером от 2 до 5 мм (для ПСМ), от 3 до 5 мм (для Г1СС) и от 5 до 8 мм (для ПСМ и I1CC). Размер гранул оп ределяют с погрешностью ±0.5 мм штангенциркулем по ГОС; 166—89 или линейкой по Г ОСТ 427- 75. Отобранные гранулы взвешивают и результат записывают с точностью до второго десятичного знака. Массовую долю гранул (А) в процентах каждого из отобранных размеров определяют, как отношение массы отобранных гра пул к массе средней пробы, взятой для определения, по формуле где т — масс;! отобранных гранул размером ог 2 до 5 мм, или от 3 до 5 мм, или от 5 до 8 мм. г; т|— общая масса (200±1) г гранул, взятая для определения из объединенной пробы, г. (Измененная редакция, Изм. № I). 6.3.2. Определение остатка на гите после просева гранул и порошка 6.3.2.1 Аппаратура, приборы Машина для рассева, обеспечивающая круговые движения г частотой вращения 100—140 об/мни и радиусом движения эксцен трика 25—70 мм или возвратно-поступательные движения с часто С 13 ГОСТ Î025Η8S той 100—150 колебаний/мин и двойной амплитудой колебания 40— 70 мм. Сито диаметром (200± 10) мм и высотой обечайки 20—СО мм с соответствующими сетками по ГОСТ 3826-82 и ГОСТ 6613-86. Сито должно быть хорошо натянуто и плотно соединено с обечайкой. Весы лабораторные общего назначения по ГОСТ 24101-88 2-го класса точности. 6.3.2.2. Проведение испытания Предварительно очищенное сухое сито с соответствующими сетками взвешивают и соединяют с поддоном. (200±1) г объединенной пробы полистирола марок ПСМ-111, ПСМ-115, ПСМ-118, ПСМ-151, ПСС или (100±1) г порошка марок ПСЭ-1 и ПСЭ-2, отобранных по п. 6.1. взвешивают и высыпают на сетку сита. Снто с поддоном закрывают крышкой и устанавливают на машину для рассева и при круговых движениях с частотой вращения 120—125 об/мин или возвратно-поступательных движениях с частотой 120—135 колебаний/мин просеивают содержимое в течение ГОСТ 20781-86 С. 14 Количество включений на нормируемой плошали 10 и 20 см* {Л»|> вычисляют но формуле где — нормируемая площадь дисков, см9; а— общее количество точек на 5 дисках с двух сторон, шт.; 5 — площадь пяти дисков с двух сторон, см2. Для прозрачных пластмасс учитывают включения, видимые при осмотре диска только с одной стороны в отраженном свете на фоне белой бумаги. 6.5. Массовую долю остаточного мономера определяют по ГОСТ 15820-82. 6.6. Массовую долю воды определяют по ГОСТ 11736-78. Навеска образца для гранул — 8—10 г. для порошка — 0,5-2.0 г. Допускается массовую долю воды для полистирола марок ПСЭ-1 и ПСЭ-2 определять методом сушки. (Измененная редакция. Изм. Лк I). 6.6.1. Отбор образцов, как указано и п. 6.1. 6.6.2. Аппаратура Стаканчик для взвешивания типа СП 60/14 по ГОСТ 25336— 82. Эксикатор с любым осушийающнм веществом. Шкаф сушильный. 6.6.3. Проведение испытания В стаканчик, высушенный и взвешенный с погрешностью не более 0,0002 г, помещают около 5 г полистирола и вновь взвешивают. Стаканчик с н.чвеской помещают в сушильный шкаф и выдерживают при температуре (70±2)СС в течение 1 ч. Затем стаканчик охлаждают в эксикаторе и везвешнвают. Массовую долю воды (А’а) в процентах вычисляют по формуле где /пз — масса полистирола до сушки, г. т»— мйсса полистирола после сушки, г. За результат испытания принимают среднее арифметическое двух параллельных определений, допускаемые расхождения между которыми должны быть не более 0,1%. 6.7. Температуру размягчения по Вика определяют по ГОСТ 15088 83 при нагрузке (50±-1) !1 (5 кгс) на прямоугольном участке широкой части лопатки, изготовленной, как указано в п. 6.2, при скорости подъема температуры (50±5) С/ч. (Измененная редакция, Изм. № I). 6.8. Показатель текучести расплава определяют по ГОСТ С 15 ГОСТ 20182-86 11645—73 на экструзионном пластометре с внутренним диаметром капилляра (2,095±0.005) мм при температуре (200 ±0.5)Х и нагрузке 49 Н (5 кгс), время выдержки под давлением 10 мин. При этом отрезки выдавленного через капилляр полистирола, содержащие пузыри воздуха, из расчета исключаются. Для полистрола марок ПСЭ-1 н ПСЭ-2 допускается проводить определение показателя текучести расплава без предварительного табле-! :5ровання. 6.9. Разброс показателя текучести расплава в пределах партии определяют следующим образом: на пяти точечных пробах из отобранных н выборку упаковочных единиц или пяти пробах с технологической линии определяют значения показателя текучести расплава в соответствии с п. 6.8. Разброс показателя текучесш расплава (у) вычисляю! по отклонению максимального и минимального значений от его среднего значения:’ . — У Уср _ | ЛЛ ‘ Ус* ‘ ‘ где УмаксГОСТ 18249-72. при этом навеска полистирола (1 ±0,0002) г, растворитель — (100 ±0,1) см* бензола по [«ОСТ 8418-78 пли ГОСТ 5955-75. Определение проводят при температуре (25,0±0.5)»С. (Измененная редакция, Йзм. № 1). 6.11. (Исключен, Изм. № 1). 6.12. Тангенс угла диэлектрических потерь и диэлектрическую проницаемость определяют при частоте I МГц по ГОСТ 22372-77 на дисках диаметром (100±2) или (50,0±0,3) мм, толщиной ГОСТ 6433.1-71 при (50±2)°С и относительной влажности не более 20% в течение 18 ч с последующим охлаждением до комнатной температуры в эксикаторе с сухим хлористым кальцием. 6.13. Прочность при разрыве определяют при скорости перемещения подвижного зажима (5,0±0,5) мм/мни по ГОСТ 11262-80 на образцах типа 2. (Измененная редакция, Изм. № 1). 6.14. Коэффициент интегрального светопропускания определяют по ГОСТ 15875 —80 абсолютным методом без расчета потерь ГОСТ 20382-86 С. 1t на отражение. В качестве источника спета фотометра применяется источник А (лампа накаливания). Испытания проводят на трех образцах диаметром 50 мм. толщиной 2 мм. 6.15. Запах, привкус и концентрацию мономеров в водных вытяжках определяют по ГОСТ 22648-77. 6.16. Цвет полистирола определяют на дисках, изготовленных, как указано в и. 6.2, диаметром (100±2) или (50,0±:0,3) мм толщиной (2,0±0,2) мм, методом визуального сравнения при рассеянном искусственном или естественном дневном свете с контрольным образцом эталона цвета. 7. МАРКИРОВКА. УПАКОВКА. ТРАНСПОРТИРОВАНИЕ И ХРАНЕНИЕ 7.1. Полистирол в виде порошка упаковывают в мешки типов БМ и БМП по ГОСТ 2226-88 с открытой или закрытой горловиной, а также типов ИМ. ИМ по ГОСТ 2226-88 с открытой горловиной и с полиэтиленовым вкладышем. Полистирол в виде гранул упаковывают в бумажные мешки типа НМ с открытой горловиной по ГОСТ 2226-88 с полиэтиленовым вкладышем или в полиэтиленовые мешки по ГОСТ 17811-78, или в мешки типа ПМ с открытой или закрытой горловиной по ГОСТ 2226-88. Горловину вкладыша и полиэтиленового мешка заваривают или прошивают машинным способом, горловину бумажного мешка прошивают машинным способом. В зависимости от размера мешка и насыпной плотности полистирола масса нетто в мешке должна быть 15—25 кг, допускается отклонение по массе не более 0,3 кг. Полистирол допускается упаковывать: в танк-контейнеры объемом 23 м* и габаритами: высота 2600 мм, ширина 2460 мм, длина 6400 мм. вместимостью 24 т собственности поставщика; в специализированные мягкие контейнеры разового использования типов МКР-1.0С и МКР-1.0М; в полиэтиленовые мешки вместимостью 1(25—30) ±0.3] кг шириной 500 -540 мм, длиной 820 мм, изготовляемые автоматическим дозатором, мешкозатаривателем из полиэтиленовой рч-кавной пленки толщиной (0.200 + 0.024) или (0,220 + 0.024) мм марки «М» по ГОСТ 10354-82 и по прочностным характеристикам соответствующие ГОСТ 17811-78. Горловину мешка заваривают. Поставка на экспорт полистирола осуществляется в упаковке, предусмотренной заказом-нарядом внешнеторгового об»ьёдинения. По согласованию с потребителем допускается упаковывание С. 17 ГОСТ 20282-86 полистирола н другие мешки, соответствующие по механической прочности требованиям указанной выше НТД. 7.2. Транспортная маркировка — по «’ОСТ 14192—77 с указанием манипуляционных знаков «Боится сырости», «Боится нагрева», знака опасности по ГОСТ 19433-84 (классификационный шифр 921) н следующих данных: наименования и товарного знака предприятия-изготовителя; условного обозначения полимера или его кода ОКГТ; Номера партии; массы нетто; даты изготовления; обозначения настоящего стандарта. 7.1. 7.2. (Измененная редакция, Изм. № 1). 7.3. На каждое грузовое место наносят штамп с указанием дополнительных данных: наименование н товарный знак предприятия-изготовителя; условное обозначение продукта; номер партии; масса нетто; дата изготовления; обозначение настоящего стандарта. При упаковке полистирола и мягкие контейнеры транспортную маркировку наносят иа боковую поверхность контейнера или вкладывают сопроводительные документы в специальный карман на внутренней поверхности контейнера. 7.4. Полистирол, упакованный в соответствии с п. 7.1, транспортируют транспортными пакетами всеми видами транспорта в крытых транспортных средствах. При упаковке продукта н мягкие контейнеры допускается транспортирование в открытом подвижном составе. Допускается транспортирование полистирола насыпью ч бункерных загонах модели !7—497 (кроме ПСМ-151, предназначенного для пленок и нитей). Допускается по согласованию с потребителями транспортирование в контейнерах-цистернах для жидких и сыпучих продуктов вместимостью 2,5—5 т типа СКЦ-1 по ГОСТ 26380-84. ‘ При перевозке железнодорожным транспортом полистирол, упакованный по п. 7.1, транспортируют повагонными отправками. Погрузку и крепление транспортных пакетов и мягких контейнеров осуществляют в соответствии с Техническими условиями погрузки и крепления грузов. 7.5. Формирование грузовых мест в транспортные пакеты производят в соответствии с ГОСТ 26663 85. Размеры пакета должны соответствовать ГОСТ 24597-81. средства скрепления — ГОСТ 21650-76 или ГОСТ 25951-83. ГОСТ 20282-36 С. 18 7.6. Полистирол хранят в крытом помещении на полках или поддонах, отстоящих от пола не менее чем на 5 см и от отопительных приборов но менее чем на 1 м. Полистирол хранят в условиях, исключающих воздействие прямого солнечного света. 7.7. Полистирол, предназначенный для длительного хранения, хранят при температуре не выше 25СС и относительной влажности не выше 75%. (Введен дополнительно. Изм. № 1). 8. ГАРАНТИИ ИЗГОТОВИТЕЛЯ 8.1. Изготовитель гарантирует соответствие полистирола требованиям настоящего стандарта при соблюдении условий транспортирования и хранения. 8.2. Гарантийный срок хранения иолнетирола — 1 год со дня изготовления, полистирола, предназначенного для длительного хранения по п. 7.7, — 5 лег со дня изготовления. (Измененная редакция, Изм. ЛЬ I). С 19 ГОСТ 20282—86 ПРИЛОЖЕНИЕ 1 Обязательное Полистрол (неокрашенный), предназначенный для мзгоювления изделий, конгамирующил с пищгйммя продуктами, и имеющий разрешение Мииздраиа СССР Марже Рекомендуемая облает» прнипкянз Ивзкшсиие Мимзорам СССР псс Конфетницы, сахзрницы. подносы, хлебницы, 1>о.лгткк для варенья, кухонные мерннцы. зубные ще1ки. вазы и т. п. МЗ РСФСР 08 С/Б-7- 437 18.03.64 Для изготовления изделий предназначенных дл» многократного контакта при комнатной температуре с сухими, сыпучими пищевыми продуктами, фруктово-оуисцними соками, фруктами, овощами, ягодами и безалкогольными напнтками 123-11/Ю05з-7 21.07.78 Для изготовления хозяйственных банок под сыпучие пищевые продукты МЗ РСФСР 08П-18—451 13.04.79 Стакан мерный МЗ РСФСР. 0811-18-1321 27.10.81 ПСМ-111 ПСМ-115 ПСМ-118 ПСМ-151 Для изготовления деталей холодиль-миков и доильных аппаратов, игрушек, изделий, предназначенных для кон-такта при комнатной температуре с сухими, сыпучими, водоеодержащпмн пищевыми продуктами, фруктоъо овощными со кэми, фруктами, овощами, ягодами (под носов, поддонов, хлебниц, са.чзр-ниц. сухаркии. мерных кружек, ваз. стаканов, банок для сыпучих продуктов); деталей иборудоиани«. перерабатывающего пшцевые продукты (овоще резки, терки, соковыжималки!, а также предметов быта (футляры для зубных щеток, расчсскк, мыльницы, облиповка детских панночек! 123-5/892-7 31 тез ГОСТ 20282-36 С. 20 ПРИЛОЖЕНИЕ 2 Рекомендуемо« Цветовой ассортимент, номер рецептур крашения полистирола общего назначения и области его применения Мй [>к а Н.щт1асн мй Оранжево-красный Красновато-оранжевы А Оранжевый Желтый Зеленый Яркий т С 21 ГОСТ 20182-84 Продолжение приложения 2 ли рл а Ннгмгпомаяе Цвет» ■ 3 . & а л и -55 — z ~ Хв = Область прмчемеаш ПСМН5. ПСС Бордо Красно-оранжевмй Красно коричневый Шоколадный 120 217 721 722 Корпуса стационарных ромкоговорктелей Изделия галантереи IICM 115. ПСС ♦Слоновая кость» | 301 Облицовочная плитка для интерьеров жилых помещения. Корпуса стационарных громкоговорителей. Изделия галантереи ПСМ-115. ПСС Желтый Ж»-.тгвато-эелевы1 Голубовато-зеленый 302 428 405 Корпуса стационарных громкоговорителей Цветовая индексация, кнопки, клавиши радиоприборов. Изделии i адаптере! ПСМ-115. ПСС ♦ Морская волна» 426 Корпуса стаиионарных громкоговорителей. Изделия галантерея ПСМ-115. ПСС Белы! Белый Белый 008 024 026 Допущен Игрушки. Изделия хозяйственного обихода (посуда для сыпучих продуктов, сахарнниы>. Парфюмерная упаковка Изаелня галанп-реи. Облицовочная плитка для жилых интерьеров • ПСМ-151 Белый Белый Белый 008 024 026 Допущен Для изготовления лис-тоэ. прифилей. п.чсиок методом экструзии ПСМ-115. ПСС Серо-коричшевый 733П Прозрачные корпусные д-тали для радиоаппаратуры (стекла кассс-топрк-«мнихов иапптк}|Онэ). индексаторов г т. д. ГОСТ 202*2—86 С. 72 Продолжение приложения 2 ПСМ-115, ПСС ПСМ-115. ПСС. ПСМ 115. ПСС. ПСМ-115, ПСС ПСМ-45. ПСС Светлый ские-зеленый Серовато-зеленый Светлый серовато-сн-реисвый Корнчнсво-пурпурпий Снреневаго-дымчаткй Ф:юлетово-дымчатый Зеленовато-серый Снне-серый Черный Черный 462П 457П 625П 643П 966П 979П 958Г1 ЭЗОП 025 945 Доиу- шея Тоже Дооу-щев Допу-«пея Прозрачные корпусные детали для радиоаппаратуры (стекла касссто-приемников магнитофона). индексаторов и т. д. Внутренние детали холодильника (емкости для яиц. масла, овощей и фруктов) Игрушки. Прозрачные корпусные детали для радиоаппаратуры (стекла касссто-приемников магнитофо на. индексаторов и т л) То же Внутренние детали холодильника (емкости для яиц. масла, овощей и Фруктом) Прозрачные детали для радиоаппаратуры (стекла кассетопрн-емннков магнитофонов, индексаторов и т. д.) Игрушки. Прозрачные детали для радиоаппаратуры (стекла касеетоприемнк-ков магнитофонов, индексаторов и т. д.). Изделия технического назначения. Изделия галантереи Примечания: 1. Допускается выпуск полистирола дополнительных новых цветов в соответствии с контрольными образцами цвета, утвержденными по инструкции И02—82. 2. Буква «II» указывает на прозрачность материала С 23 ГОСТ 20282—86 ПРИЛОЖЕНИЕ 3 Обязательное Обозначение кодой марок полис I и рол а общего назначении го ОКП Код кч ;|яни идр^м 22 1411 0100 00 Полистирол общего назначения. мар ка ПСМ-111 неокрашенный 22 III) 0101 10 Сорт ВЫСШИЙ 22 1411 0102 09 сорт 1 22 1411 0500 10 Полистирол общего назначения, марка ПСМ-115. неокрашенный 22 1411 0501 09 сорт высший 22 1111 0502 08 сорт 1 22 1111 (№00 07 Полистирол общего назначения. ка ПСМ-118. неокрашенный 22 1411 0601 06 сорт высший 22 1-111 0602 05 сорт 1 22 1111 1200 04 Полистирол общего назначения, мая- 03 ка ПСМ-151. неокрашенный 22 1411 1201 сорт высший 22 МП 1202 02 сорт 1 22 1412 0100 06 Полпстщюл общего назначения, мар- 05 ка ПСЭ-1. порошок 22 1412 0101 сорт высший 22 1412 0102 04 сорт 1 22 1412 0200 03 Полистирол общего назначения, мар 01 ка 11СЭ-2. порошок 22 1113 0100 Полистирол общего назначения, «арка ПСС. Ю’ОкрлшгиныА 22 1413 0101 00 Спрт высший 22 1113 0102 10 сорт 1 22 1411 1300 01 Пюнстнрил обиьти назначении, окрашенный, марка ПСМ-111, сорт высший 22 1411 1301 00 красный 136П 22 1411 1302 10 оранжево-красный 13411 22 1411 1303 09 красновато оранжевый 201П 22 НИ 1304 08 оранжевый 202П 22 1111 1305 07 желтый 33211 22 1411 1306 06 зеленый 43011 22 1411 1307 05 яркий голубовато-деленый 429П 22 1411 1308 01 голубовато-■н’-^ный 131П 22 1411 1309 03 голубой 523 П 22 N11 1310 10 зеленовато г-1»:ий 52411 22 1111 1311 09 темный зелонлвато-гнннй 52511 >2 1411 1312 08 синий 526Г1 22 МП 1313 07 темно-синий 52711 22 МП 1400 09 Полистирол общи о назначения, окрашенный. маркя ПСМ-111, сорт 1 ГОСТ 20282-36 С. 24 Продолжение при ложения 9 Код кч НщЧСНОЫИМ! NJPKH 22 1411 1401 08 красный 136П 22 1411 1102 07 оранжево-красный 134П 22 1411 1103 06 красновато-оранжевый 201II 22 1411 1404 05 оранжевый 20211 22 1411 1105 04 желтый 332П 22 1411 1106 03 зеленый 43011 22 1411 1107 02 яркий голубовато-зеленый 42911 22 1411 М08 01 голубовато-зеленый 13111 22 1411 1409 00 голубой 523П 22 14)1 1410 . 07 зеленовато-синий 52411 22 1411 1411 06 темный зеленовато-синий 525П 22 1411 1412 05 синий 526Г1 22 1411 1413 04 темно-синий 527П 22 141! 1500 06 Полистирол обадего назначения, ок- рашенный, марка ПСМ-115. сорт выс-шив 22 1411 1501 05 1ЫЫП светло бежевый 70811 22 1411 1502 04 светло-коричневый 732П 22 14II 1503 03 светлый серовато-коричневый 70911 22 1411 1504 02 коричневый 730Г1 22 1411 1.505 01 серо-коричневый 733П 22 1411 1506 00 светлый сине-зеленый 462Г1 22 1411 1507 10 серовато-зеленый 45711 22 1411 1506 00 светлый сине-зеленый 462П 22 1411 1507 10 серовато-зеленый 457П 22 1411 1508 09 светлый серовэто-спренсзагый 626П 22 1411 1509 08 коричнево-нурвурн ын 643 П 22 1411 15!0 04 снренсеаго-лымч-атый 966П 22 1411 15Н 03 фиолетово-дымчатый 07911 22 1411 1512 02 ■зелеиовато-есрый 958ГТ 22 МП 1513 01 сине-серый 93011 22 1411 1514 00 коричневато-дымчатый 92911 22 1411 1515 10 дымчатый 915П 22 14II 15113 09 черный 913П 22 1411 1517 08 бордо 120 22 5411 1518 07 красно-оранжевый 217 22 ПИ 1519 06 красно-коричневый 721 22 1411 1520 05 шоколадный 722 22 1411 1521 04 «слоновая кость» 301 22 1411 1522 03 желтый 302 22 1411 1523 02 желтовато зеленый 128 •22 1411 1524 09 голубовато-зеленый 405 22 1411 1525 08 «морская волна» 426 22 1411 1526 07 белый С 25 ГОСТ 20282-М Продолжение приложения 3 Код Нахнеяоааике марка 22 141! 22 1411 22 1411 22 1411 22 1411 22 1411 22 1411 22 1411 22 1411 22 1411 22 1411 22 1411 22 1411 22 1411 22 1411 22 1411 22 1411 22 1411 22 1411 22 1411 22 1411 22 1411 22 1411 22 1411 22 141! 22 14!I 22 141! 22 1411 22 1411 22 1411 22 141! 1601 1602 1603 1604 1605 1606 1607 1608 1609 1610 1611 1612 1613 1614 1615 1616 1617 1618 1619 1620 1621 1622 1623 1624 1625 1626 1627 1628 1629 1630 1700 22 1111 1701 22 1411 1702 22 1411 1703 22 1111 1704 22 1411 1705 22 1411 170t» 22 1411 1707 22 МП 1708 22 МП 1709 22 МП 1710 22 141I 1711 22 МП 1712 22 МП 1800 22 МП 1801 22 МП 1802 02 0! 00 10 09 08 07 06 05 01 00 10 09 08 07 06 05 04 03 10 09 08 07 06 05 04 03 02 01 03 00 10 09 08 07 06 05 04 03 02 09 08 07 08 07 06 светло-бежевый 708П светло-коричневый 732П светлый серовато-коричневый 709П коричневый 730П Свро-коричневый 733П светлый сине-зеленый 462П серовато-зеленый 457П Светлый серовато-сиреневый 62511 коричкево-пуроурный 643П сиреневато-дымчатый Wi6II фиолетово-дымчатый 979П зеленовато-серый 938П сине-серый 93011 коричневато-дымчатый 9291! дымчатый 915П черный 91311 бордо 120 красно-оранжевый 217 красно-коричневый 721 шоколадный 722 «слоновая кость» 301 желтый 302 желтовато-зеленый 428 голубовато-зеленый 405 ♦морская волна» 126 белый СЮ8 белый 024 белый 026 черный 925 черный 945 Чолнсшрал общего назначения, окрашенный. марка 1ICM 118, сорт высший, оранжево-красный 1341! красновато-оранжевый 20111 оранжевый 202П желтый 33211 зеленый 430П яркий голубовато-зеленый 42911 голубовато-зеленый 431И голубой 523П зеленовато-синий 52411 темный зсленоаато-силкн 525П синий 526П .емно-сиинй 527П Полистирол общего назначения, окрашенный, марка ПСМ-118, сорт 1, оранжсео-красный 134П красновато оранжевый 20111 ГОСТ 20282-86 С 26 Продолжение приложения 3 Ход КМ Наииснопмшс vnt>>H 22 HJI 1803 05 1 оранжевый 20211 22 1411 1804 04 желтый 322П 22 1411 1«)5 03 зеленый 430Г1 22 1411 1806 02 нркий голубовато-зеленый 429П 22 1411 1807 01 годубовато-зелепый 43111 22 1411 1808 00 голубой 523П 22 1411 1809 10 зеленовато-синий 524П 22 1411 1810 ОС темный зеленоват
