Арматура металлическая для деревянных ящиков. Технические условия
Заменяет

Страница 1

Страница 2

Страница 3

Страница 4

Страница 5

Страница 6

Страница 7

Страница 8

Страница 9

Страница 10

Страница 11

Страница 12

Страница 13

Страница 14

Страница 15

Страница 16

Страница 17

Страница 18

Страница 19

Страница 20

Страница 21

Страница 22

Страница 23

Страница 24

Страница 25

Страница 26

Страница 27

Страница 28

Страница 29

Страница 30
ГОСТ 16561-76* Арматура металлическая для деревянных ящиков. Технические условия Стр. 1 из 39.
ГОСУДАРСТВЕННЫЙ СТАНДАРТ
СОЮЗА ССР
АРМАТУРА МЕТАЛЛИЧЕСКАЯ ДЛЯ ДЕРЕВЯННЫХ ЯЩИКОВ
ТЕХНИЧЕСКИЕ УСЛОВИЯ
ГОСТ 16561-76
Издание официальное
10 коп,
ГОСУДАРСТВЕННЫЙ КОМИТЕТ ПО УПРАВЛЕНИЮ КАЧЕСТВОМ ПРОДУКЦИИ И СТАНДАРТАМ
Москва
УДК 621.88:621.798.1:006.354 Группа Д71
|
ГОСУДАРСТВЕННЫЙ СТАНДАРТ СОЮЗА С С Р |
|||||||||||||||||||||||||||
|
★
@ Издательство стандартов, 1977 ® Издательство стандартов, 1990 Переиздание с Изменениями
|
Черт. 1 Таблица f Р а з м е р ы, мм |
||||||||||||||||||||||||||||||||||||||||||||||||||
|
||||||||||||||||||||||||||||||||||||||||||||||||||
|
Пример условного обозначения замка 1 с основанием исполнения 1: |
Черт. 2
Размеры, мм
ГОСТ 16561-76 С. 3
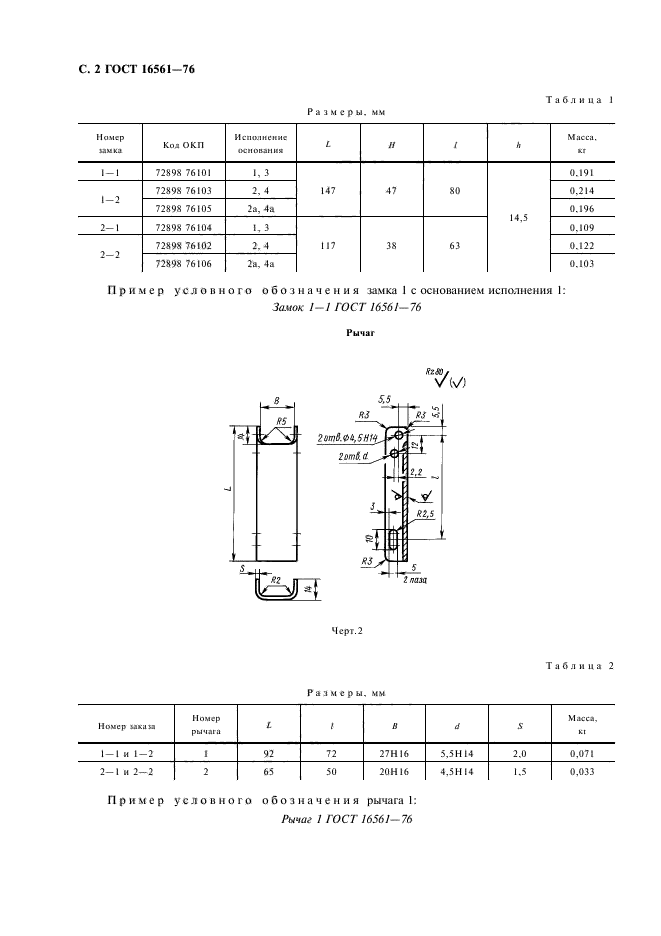
Рычаг
RzSQ /
\AvO
|
Таблица 2 |
||||||||||||||||||||||||
|
Пример условного обозначения рычага 1:
Рычаг 1 ГОСТ 16561-76
2 Зак. 2338
С. 2 ГОСТ 16561-76
1. КОНСТРУКЦИЯ и РАЗМЕРЫ
1.1. Конструкция и размеры замков и деталей к ним должны соответствовать указанным на черт. 1—6 и в табл. 1—б.
|
Замки 1—1; 1—2; 2—1; 2—2 |
|
1 — рычаг; 2 — стопорная вилка; 3 — крючок; 4 — серьга; 5 — ось; € — основание |
* Размеры для справок.
С. 4 ГОСТ 16561—7в
Оч
V
3
ж
а;
■ч
о
с
JLJ-
CQ
CVJ
се
хх
и
X
X
(4
Ш
О
в
и
О
«о
н
о.
&
!
Csr
а;
Си
а;
4 о
5
52
к
се
а
о
се
S
>»
в
о
п
ГОСТ 1М81—76 С. 5
Исполнение 2а
Размер для справок.
Черт. 3
2*
|
А-А |
С. 6 ГОСТ 16561-76
£
£
«а
4
Допускается 1,0 шах,
|
* Размер для справок.. Таблица 3 Размеры, мм |
||||||||||||||||||||||||||||||||||||||||||||||||||||||||||||||||||||
|
С. 8 ГОСТ 16561-78
Пример условно го обозначения основания исполнения 1 замка 1—1:
Основание 1—/ ГОСТ 16561-76
Крючок
RzSO,
VM
• Размеры обеспеч, инстр.
Черт. 4
|
Таблица 4 Размеры, мм |
|||||||||||||||||||||||||||
|
Пример условного обозначения крючка 1:
Крючок 1 ГОСТ 16561-76
ГОСТ 16561-76 С, 7
Исполнение 4а
‘ А~А
ГОСТ 18511-7« С. 9
Серьга
RZ80.
■ Ум
Черт. 5 Размеры, мм
* Размеры обеспеч, инстр.
Таблица &
|
Номер замка |
Номер серьги |
1 |
ь |
ь, |
Диаметр, d |
Масса, кг |
|
|
1—1 и 1—2 |
1 |
317Н15 |
31 |
32 |
20,5 |
5 |
0,022 |
|
2—1 и 2—2 |
2 |
32Н15 |
24 |
24 |
16,0 |
4 |
0,017 |
Пример условного обозначения серьги 1:
Серьга 1 ГОСТ 16561-76
Стопорная вилка
*vV),
С. 10 ГОСТ 16561-76
|
Таблица 6 Размеры, мм |
||||||||||||||
|
Пример условного обозначения стопорной вилки I: Вилка стопорная 1 ГОСТ 16561-76 (Измененная редакция, Изм. № 3, 4)
1.2. Конструкция и размеры шарнирных петель должны соответствовать указанным на черт. 7—20.
|
Шарнирная петля 1 ОКП 72898 83402 |
Размеры для справок.
1 — верхняя створка; 2 — ось; 3 — нижняя створка
Масса — 0,120 кг*
Черт. 7
Пример условного обозначения шарнирной петли 1:
|
Верхняя створка RZ8D/ VM |
|
|
Черт. 8 |
|
Пример условного обозначения верхней створки шарнирной петли 1:
ГОСТ 1в501—76 С. 11
Створка верхняя 1 ГОСТ 16561-76
|
Нижняя створка |
Rz80j
V(vO
Черт. 9
Шарнирная петля 2 ОКП 72898 83405
С. 12 ГОСТ 16561-76
* Размеры для справок.
J — верхняя створка; 2 — ось; 3 — нижняя створка
Масса — 0,077 кг
Черт. 10
Пример условного обозначения петли шарнирной 2:
Петля шарнирная 2 ГОСТ 16561—76
— Верхняя створка
Черт. 11
Нижняя створка
ГОСТ 115*1—7* С, 13
ftz 9В, ,
vV)
|
18Н15 |
Пример условного обозначения нижней шарнирной петли 2:
створки
Створка нижняя 2 ГОСТ 16561-76
|
Шарнирная петля 3 ОКП 72898 83401 |
С. 14 ГОСТ 16561-76
Верхняя створка
Rz80
— V (V)
35
10
Л СЭ
>ч
t
t
tSJ
tv
Ц-5
Черт. 14
Пример условного обозначения верхней створки шарнирной петли 3:
Створка верхняя 3 ГОСТ 16561-76
ГОСТ 16561-76. С. 15
|
ЯгВО. |
Черт. 15
Пример условного обозначения нижней створки шарнирной петли 3:
Створка нижняя 3 ГОСТ 16561-76
Ось
Rz 80,
Черт. 16
петли 3:
а 16 ГОСТ 16561-76
Шарнирная петля 4 ОКП 72898 83406
!
|
нижняя створка Масса — 0,184 кг |
Пример условного обозначения шарнирной петли 4: Петля шарнирная 4 ГОСТ 16561-76
ГОСТ 16561-76 С. 17
Верхняя створка
Rz 8в,
VbA
31
|
2 от 6. |
Черт. !в
Пример условного обозначения верхней створки
шарнирной петли 4:
Створка верхняя 4 ГОСТ 1ооЫ /о
С. 18 ГОСТ 16561-76
Нижняя створка
Rz80,
V(V)
_45___ . Ф6,2Н15
90ЛН15
Черт. 19
Пример условного обозначения нижней створки шарнирной петли 4: .
Створка нижняя 4 ГОСТ 16561-76
Звено
‘ Rt.80.
\/м
петли 4:
ГОСТ 16561-76 С. 19*
1.3. Конструкция и размеры угольников должны соответствовать указанным на черт. 21—23 и в табл. 7—9.
Угольники 1—6
Rz8d.
• ■ • V (vO
. ■ I , .
|
Таблица 7 |
|||||||||||||||||||||||||||||||||||||||||||||||||||||||
|
|||||||||||||||||||||||||||||||||||||||||||||||||||||||
Пример условного обозначения угольника 1*.
Угольник 1 ГОСТ 16561-76
С. 20 ГОСТ 16561-76
Угольники 7—11
hffO,
vM
|
*/ Вариант |
Черт. 22
|
Таблица 8 |
||||||||||||||
|
||||||||||||||
|
7 |
72898 86121 |
55 |
25 |
2 |
0,037 |
|
8 |
72898 86111 |
70 |
25 |
2 |
0,042 |
|
9 |
72898 86112 |
105 |
40 |
2 |
0,049 |
|
10 |
72898 86113 |
150 |
40 |
3 |
0,062 |
|
11 |
72898 86114 |
190 |
60 |
3 |
0,075 |
Пр имер условного обозначения угольника 7:
Угольник 7 ГОСТ 16561-76
ГОСТ 16561-76 С. 2.1
Угольники 12—14
Rz 80/
\7(vo
Черт. 23
|
Таблица 91 |
||||||||||||||||||||||||||||
|
С. 22 ГОСТ 16561-76
1.4. Конструкция и размеры скоб должны соответствовать указанным на черт. 24 и в табл 10.
Скобы 1 и 2
Rz80,
V У)
|
8 |
|
||||||||||
|
Черт. 24 |
|||||||||||
|
Таблица 10 |
||||||||||
|
Пример условного обозначения скобы 1:
Скоба 1 ГОСТ 16561-76 (Измененная редакция, Изм. № 3).
ГОСТ 16561-76 С. 23
1.5. Конструкция и размеры ручек и деталей к ним должны соответствовать указанным на черт. 25 34 н в табл. 11.
|
Ручка 1 ОКП 72898 84301 |
|
1 — накладка; 2 — скоба; 3 — планка (2 шт.) |
1 г
* Размеры для справок.
Масса — 0,235 кг
Черт. 25
Пример условного обозначения ручки 1:
Ручка 1 ГОСТ 16561-76
‘ Накладка (для ручки 1)
Rz80/
\Лч/)
63
11
|
ФЩ4 4 ОтпЬ. |
ЕЖ
1°
VC)
22
22
85
т/
f-O
+1
<=S)
•ч*
5N
Черт. 26
Пример условного обозначения накладки (для ручки 1):
С. 24 ГОСТ 16561-76
Планка {для ручки 1)
Яг 80.
V(V)
2 отпд. cS & +i са 22 Черт. 27 Пример условного обозначения планки £для ручки 1): Планка 1 ГОСТ 16561-76 Скоба (для ручки 1) rzso, ‘….. V(v/> Пример условного обозначения скобы ](для ручки 1): ГОСТ 16561-76 С. 25 Ручка S ОКП 72898 84302 Размеры для справок. 1 — накладка; 2 — скоба Масса — 0,334 кг Черт, 29 Пример условного обозначения ручки 2: Ручка 2 ГОСТ 16561-76 С 26 ГОСТ 16561—76 Накладка (для ручки 2) Rz80. F\£* UUу ‘ V (vO Черт. 30 Пример условного обозначения накладки (для? ручки 2): Накладка 2 ГОСТ 16561-76 ГОСТ 16561-76 С. 27 Скоба (для ручки 2) (izeo ■V.W)
Ш0‘ ■[«
* Размеры для справок. 1 — накладка; 2 — скоба Масса — 0,265 кг Черт. 32 С. 28 ГОСТ 16561-76 1.6. Предельные нагрузки на ручки указаны в табл. II. Таблица 11 Номер ручки 1 2 3 Предельная нагрузка Н, 28 40 50 не более Черт, 33 Накладка (для ручки 3) Rz80, , ‘ . V(V) Пример условного обозначения накладки (для ручки 3): Р — Накладка 3 ГОСТ 16561—76 Скоба (для ручки 3) Rz80g VI’S) К ^ Скоба для ручки 3 ГОСТ 16561-76 (Измененная редакция, Изм. № 3). Черт. 34 ГОСТ 16561-76 С. 23 1.7. Конструкция и размеры врезных гаек должны соответствовать указанным на черт. 35 и в табл. 11а. Врезная гайка Hzli-O. VM Пример условного обозначения врезной гайки 1: Гайка врезная 1 ГОСТ 16561-76 Таблица 11а Размеры, мм Номер гайки врезной Код ОКП da Масса, кг Применяемость 1 72898 74301 7 М4 8 0,009 2 72898 74302 9 Мб 10 0,010 С. 30 ГОСТ 16561-76 2. ТЕХНИЧЕСКИЕ ТРЕБОВАНИЯ 2.1. Детали арматуры изготовляют в соответствии с требованиями настоящего стандарта по технической документации, утвержденной в установленном порядке. 2.2. Детали арматуры должны быть изготовлены из следующих материалов, указанных в табл. 12. Таблица 12 Материал Наименование детали Наименование Размер (диаметр), мм Серьга замка Ось петель шарнирных и замков Проволока стальная по ГОСТ 3282-74 4; 5 Вилка стопорная Проволока пружинная I, II класса по ГОСТ 9389-75 1,6; 2 Скоба для ручек Сортовая низколегированная и углеродистая сталь обыкновенного качества марки СтЗ по ГОСТ 535-88 или углеродистая качественная конструкционная сталь марок 10, 20 по ГОСТ 1050-74, сортамент — круг по ГОСТ 2590^—88 Листовая углеродистая качественная и обыкновенного качества сталь марок Ст2, СтЗ, 2-й категории обыч 8; 10 Гайка врезная 16 Рычаг замка 1.5; 2,0 Основание замка 2,0; 2,5 Крючок замка ной отделки по ГОСТ 16523-70, сортамент— лист по ГОСТ 19903-74. 2,0; 2,5 Верхняя и нижняя створка петель шарнирных Допускается сталь марки СтЗ по ГОСТ 14637-79, сортамент — лист по ГОСТ 19903-74 2,0 Звено петли шарнирной 2,0 Угольник 1,5; 2,0 Скоба 2,0 Планка 2,0 Накладка ручек 1,5; 2,0 (Измененная редакция, Изм. № 1, 2, 3, 4) ГОСТ 16561-76 С. 31 Допускается не зенковать отверстия в накладках и планках ручки 1. 2.4. На деталях арматуры не допускаются расслоения металла, заусенцы* острые кромки и трещины. 2.5. Вращение деталей в шарнирных соединениях арматуры должно быть свободным. 2.6. Не допускается: перекос створок шарнирных петель относительно оси более 4°; неплоскостность деталей арматуры более 2 мм; непрямолинейность стопорной вилки на длине (L) более 2 мм; Допускается: заваривать оси замков и шарнирных петель по торцам; сваривать концы серьги замков встык с обеспечением свободного вращения рычага; изготовлять крючки (см. черт. 4), шарнирные петли (см. черт. 7 и 10) и угольники (см. черт. 22) с углом изгиба 90°; перекос оси рычага замка относительно оси основания при условии свободного его запирания; применять материал толщиной 3 мм для основания 1 замка 1—1 и крючка 1 при отсутствии материала толщиной 2,5 мм; применять материал толщиной 2,5 мм для петель шарнирных 1,3 и 4 при отсутствии материала толщиной 2 мм; изготовлять рычаг (черт. 2) и основание (черт. 3) с отверстиями 04,ЗН12 под ось и вилку стопорную, вместо отверстий 04,5 Н14; изготовлять рычаг (черт. 2) с размером 5,2 мм (в двух местах) вместо размера 5,5 мм для замков 2—1 и 2—2; изготовлять скобы 1 и 2 (черт. 24) с размером 5 мм вместо размера 8 мм; применять для петли шарнирной 1 ось 0 5 мм, при этом в верхней створке (черт. изготовлять скобы ручки 1 с размером 22 мм вместо размера 32 мм (черт. 28); изготовлять крючок (черт. 4) с размером L = 64 мм; угол отгиба в стопорной вилке (черт. 6) по радиусу R2 40° вместо 90°; выполнять размер 10 мм вместо размера 18 мм в угольниках 7—11 (черт. 22) толщиной 2 мм по требованию потребителя; изготовлять угольники 7—11 (черт. 22) из стали толщиной 2 мм, шириной 20 мм по требованию потребителя; изготовлять накладку для ручки 2 (черт. 30) без ребра жесткости по сечению Б—Б по соглашению сторон; изготовлять замки с основаниями исполнения 3 и 4 по черт. За и табл. 3 по соглашению между потребителем и изготовителем арматуры. С. 32 ГОСТ 16561-76 изготовлять верхние створки (черт. в угольниках 9 и 10 (черт. 22) размер I выполнять 30 мм вместо 40 по согласованию между потребителем и изготовителем арматуры; изготовлять угольники 3 и 4 (черт. 21) с 2 отверстиями, а угольники 5 и 6 (черт. 21) с 3 отверстиями (одно отверстие на расстоянии L/2) по согласованию между потребителем и изготовителем арматуры; изготовлять накладку к ручке 1 (черт. 26) без отверстий по согласованию между потребителем и изготовителем арматуры; изготовлять накладку (черт. 30) шириной 85 мм по согласованию между потребителем и изготовителем арматуры. (Измененная редакция, Изм. № 1, 2, 3, 4) 2.7. Форма и размеры замыкающих головок осей замков и шарнирных петель не нормируются. Не допускаются на замыкающих головках острые кромки и заусенцы. Положение в пространстве плоскостей расклепанных концов серьги 1 и 2 не устанавливается при условии обеспечения свободного запирания замков. (Измененная редакция, Изм. № 2). 2.8. Неуказанные предельные отклонения размеров выполнять: 1X17 отверстий — по Н17, валов — h 17 и остальных — по ±—^—, кроме размеров до 3 мм, для которых предельные отклонения выполнять: отверстий — по Н16, валов — h 16 и остальных —по ±—. Отклонения углов в готовых деталях, выполненных гибкой, не должны превышать ±2°. Отклонения угла зенковки отверстий в деталях не должны превышать ±2°. (Измененная редакция, Изм. № 1, 3, 4). 2.9. Все детали арматуры должны быть очищены от окалины, ржавчины, грязи и покрыты грунтовкой ГФ-021 по ГОСТ 25129-82 или ГФ-0163 по техническим условиям, утвержденным в установленном порядке. Допускается для стопорной вилки вместо грунтовки цинковое гальваническое покрытие с хроматированием и промасливанием, при этом основные требования к покрытию должны соответствовать требованиям ГОСТ 9.303-84. Обозначение покрытий по ГОСТ 9.306-85. , Допускается изготовлять арматуру с применением других видов покрытий по ГОСТ 9.303-84 по согласованию сторон. (Измененная редакция, Изм. № 1, 2, 3). 2.10. Замки, шарнирные петли, угольники должны крепиться к ящикам шурупами по ГОСТ 1145-80 с потайной головкой; ГОСТ 16561-76 С. 30 скобы 1 и 2 — тарными гвоздями с конической головкй по ГОСТ 4034-63 и строительными гвоздями по ГОСТ 4028-63; ручки 1—винтами по ГОСТ 17475-80, болтами по ГОСТ 7798-70 с гайками по ГОСТ 5915-70 или ГОСТ 5916-70; ручки 2 и 3 — винтами по ГОСТ 17475-80, болтами по ГОСТ 7798-70 с врезными гайками (черт. 35). Допускается крепить: ручки 1—заклепками по ГОСТ 10300-80 или ГОСТ 10302-80; замки, шарнирные петли, угольники, ручки 2 и 3 — винтами по ГОСТ 17475-80 или болтами по ГОСТ 7798-70 с гайками по ГОСТ 5915-70 или ГОСТ 5916-70 и шайбами по ГОСТ 11371-78 или ГОСТ 6958-78; скобы 1 и 2 — шурупами по ГОСТ 1145-80 при изменении диаметров крепежных отверстий в соответствии с требованиями ГОСТ 11284-75; замки, шарнирные петли, угольники — тарными гвоздями с конической головкой по ГОСТ 4034-63 или строительными гвоздями по ГОСТ 4028-63 при изменении диаметров крепежных отверстий в соответствии с требованиями ГОСТ 11284-75. (Измененная редакция, Изм. № 2, 3). 3. ПРАВИЛА ПРИЕМКИ 3.1. Для проверки соответствия деталей арматуры требованиям настоящего стандарта устанавливаются приемо-сдаточные испытания. 3.2. Детали арматуры для приемки предъявляют партиями. Размер партии определяют по согласованию с заказчиком. Определение партии — по ГОСТ 15895-77. Таблица 13 Номера пунктов разделов Контролируемые параметры Объем выборки Конструкция и размеры Технические требования Методы испытаний Проверка: 3% от партии (но не менее 15 шт.) -1.1—1.5; 1.7 2.1; 2.3; 2.8 4.1 -размеров деталей арматуры V внешнего вида 3% от партии (но не менее 15 шт.) 2.4 4.2: вращения деталей в шарнирных соединениях и запирания замка 3% от партии (но не менее 15 шт.) 2.5; 2.6 4.3- €. 34 ГОСТ 16561-76 Продолжение табл. 13 Номера пунктов разделов Контролируемые параметры Объем выборки Конструкция и размеры Технические требования Методы испытаний Материалы деталей 3% от партии (но не менее 15 шт.) — 2.2 4.4 покрытия арматуры 3% от партии (но не менее 15 шт.) 2.9 4.5 (Измененная редакция, Изм. № 3). 3.3. Приемо-сдаточные испытания деталей арматуры проводят в объеме и последовательности, указанных в табл. 13. 3.4. Если при испытаниях будет обнаружена металлическая арматура, не соответствующая требованиям настоящего стандарта, то проводят повторные испытания на удвоенной выборке. Результаты повторных испытаний считают окончательными. 3.5. При получении неудовлетворительных результатов повторных испытаний всю партию арматуры возвращают для исправления дефектов. 4. МЕТОДЫ КОНТРОЛЯ 4.1. Контроль конструкции деталей арматуры и основных размеров на соответствие требованиям пп. 1.1—1.5, 1.7, 2.1, 2.3, 2.8 проводят сличением с чертежами и измерениями размеров мерительными инструментами, обеспечивающими требуемую точность. 4.2. Проверку наличия на деталях арматуры заусенцев, острых кромок, трещин и расслоения металла п. 2.4 проводят внешним осмотром. 4.3. Контроль свободного вращения деталей в шарнирных сое динениях и свободного запирания замка пп. 2.5 и 2.6 проводят вручную. ’ 4.4. Материал деталей арматуры п. 2.2 должен проверяться по сертификатам или данным лабораторного анализа. 4.5. Качество металлических и неметаллических покрытий проверяют по ГОСТ 9.302-88. (Измененная редакция, Изм. № 2). 5. УПАКОВКА, МАРКИРОВКА, ТРАНСПОРТИРОВАНИЕ И ХРАНЕНИЕ 5.1. Арматуру поставляют в контейнерах грузоподъемностью от 2,5 до 5,0 т или в деревянных ящиках по ГОСТ 18617-83. Упа- ГОСТ 16561-76 С. 35 ковка должна исключать возможность нарушения лакокрасочного покрытия при транспортировании. В контейнерах арматура должна
и нижней створке (черт. 9) необходимо 0 4,2Н15 заменить на 0 5,2Н15;
с 3 отверстиями под шурупы по согласованию между потребителем и изготовителем арматуры;



















