Заземлители для передвижных электроустановок. Общие технические условия
Заменяет

Страница 1

Страница 2

Страница 3

Страница 4

Страница 5

Страница 6

Страница 7

Страница 8

Страница 9

Страница 10

Страница 11

Страница 12
МЕЖГОСУДАРСТВЕННЫЙ СТАНДАРТ
ЗАЗЕМЛИТЕЛИ ДЛЯ ПЕРЕДВИЖНЫХ
ЭЛЕКТРОУСТАНОВОК
ОБЩИЕ ТЕХНИЧЕСКИЕ УСЛОВИЯ
Москва
Стандартинформ
2006
МЕЖГОСУДАРСТВЕННЫЙ СТАНДАРТ
|
ЗАЗЕМЛИТЕЛИ ДЛЯ ПЕРЕДВИЖНЫХ Общие технические условия Ground connections for movable electric units. General specifications |
ГОСТ |
Дата введения 01.01.83
Настоящий стандарт распространяется на стержневые заземлители, представляющие собой стержни с зажимом и устройство для их забивки в грунт и извлечения из грунта.
Заземлители должны допускать применение в макроклиматических районах с умеренным и холодным климатом (исполнение УХЛ категории 1) по ГОСТ 15150.
1. КОНСТРУКЦИЯ И ОСНОВНЫЕ РАЗМЕРЫ
1.1. Конструкция и основные размеры заземлителей должны соответствовать указанным на черт. 1 — 3.
Заземлитель
1 — стержень; 2 — зажим
Черт. 1
* Глубина забивки стержня в грунт — справочная.
Черт. 2
Зажим
1 — зажим; 2 — болт М8 ´ 45 по ГОСТ 3033; 3 — вороток
Черт. 3
(Измененная редакция, Изм. № 1).
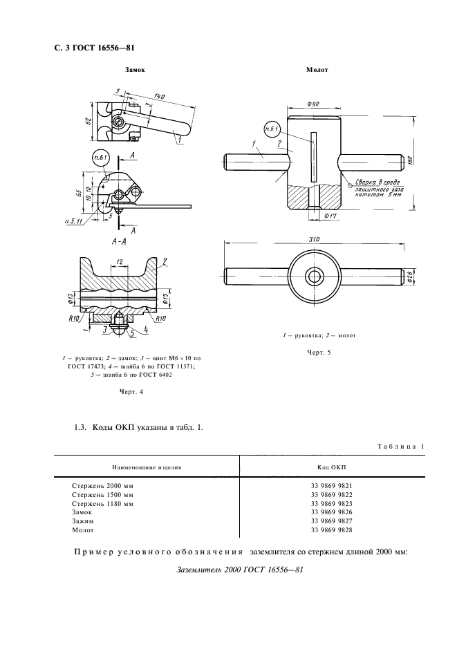
1.2. Устройство для забивки заземлителя в грунт и извлечения его из грунта состоит из разъемного замка с запирающей рукояткой и молота. Конструкция и основные размеры должны соответствовать указанным на черт. 4 и 5.
Замок
1 — рукоятка; 2 — замок; 3 — винт М6 ´ 10 по ГОСТ 17473; 4 — шайба 6 по ГОСТ 11371; 5 — шайба 6 по ГОСТ 6402
Черт. 4
Молот
1 — рукоятка; 2 — молот
Черт. 5
1.3. Коды ОКП указаны в табл. 1.
Таблица 1
|
Наименование изделия |
Код ОКП |
|
Стержень 2000 мм |
33 9869 9821 |
|
Стержень 1500 мм |
33 9869 9822 |
|
Стержень 1180 мм |
33 9869 9823 |
|
Замок |
33 9869 9826 |
|
Зажим |
33 9869 9827 |
|
Молот |
33 9869 9828 |
Пример условного обозначения заземлителя со стержнем длиной 2000 мм:
Заземлитель 2000 ГОСТ 16556-81
Пример условного обозначения устройств для забивки заземлителя в грунт и извлечения его из грунта:
Замок ГОСТ 16556-81
Молот ГОСТ 16556-81
Зажим ГОСТ 16556-81.
(Измененная редакция, Изм. № 1).
2. ТЕХНИЧЕСКИЕ ТРЕБОВАНИЯ
2.1. Заземлители и устройства для их забивки в грунт и извлечения из грунта следует изготовлять в соответствии с требованиями настоящего стандарта по рабочим чертежам, утвержденным в установленном порядке.
2.2. Внешний вид стержня, зажима, замка и молота (далее — изделия) должен соответствовать образцам, утвержденным в установленном порядке.
2.3. Покрытие изделий должно быть цинковым хроматированным и соответствовать требованиям, установленным в ГОСТ 9.301.
2.4. Изделия должны быть взаимозаменяемыми.
2.5. Замок на стержне должен закрываться и открываться усилием от руки, при этом зазор между разъемными частями замка, закрепленного на стержне, должен быть в пределах 1,5 — 3,5 мм.
2.6. Молот должен свободно без усилий перемещаться вдоль стержня при забивке заземлителя в грунт и извлечения его из грунта.
2.7. Зажим должен обеспечивать надежный контакт со стержнем трех заземляющих проводников с площадью сечения от 6 до 25 мм2.
2.8. Переходное сопротивление между стержнем и заземляющими проводниками не должно превышать 600 мкОм.
2.9. Масса изделий не должна превышать значений, установленных в табл. 2.
2.10. Посадка рукоятки на кронштейн замка, а также посадка оси в шарнирные отверстия кронштейнов замка должна соответствовать H12/h12.
2.11. Предельная кривизна стержня при изготовлении не должна превышать установленной в ГОСТ 7417 для класса 4.
2.12. Предельные отклонения размеров зажима и деталей замка — по 1-му классу точности ГОСТ 26645.
2.13. Предельные отклонения размеров волнистого профиля стержня не должны превышать h16.
2.14. Параметр шероховатости поверхностей зажима и деталей — Rz ³ 40 мкм по ГОСТ 2789.
2.15. Глубина обезуглероженного слоя волнистых поверхностей замка не должна превышать 0,5 мм. Обезуглероженный слой на волнистых поверхностях стержня не допускается.
2.16. Поверхностная твердость заостренного конца стержня на длине 40 мм, а также участков стержня с волнистыми поверхностями, поверхностная твердость кронштейнов замка и запирающего конца рукоятки замка должна быть 36 … 41 HRCэ.
(Измененная редакция, Изм. № 1).
2.17. Заземлители и устройства для их забивки в грунт и извлечения из грунта должны допускать забивку и извлечение без поломок во всех грунтах (кроме крупнообломочного и скального массива). Характеристика грунтов приведена в справочном приложении 1.
2.18. Наработка заземлителей и устройств для их забивки в грунт и извлечения из грунта в циклах должна быть не менее:
120 — в немерзлом глинистом или песчаном грунте;
12 — в мерзлом глинистом или песчаном, а также в немерзлом гравийном или галечниковом и гравелистом грунтах.
2.19. Срок сохраняемости изделий должен быть 12 лет, из них 5 лет в полевых условиях.
2.20. Изделия должны быть изготовлены из материалов, указанных в табл. 2.
Таблица 2
|
Наименование изделия (детали) |
Материал |
Масса, кг |
|
Стержень 2000 мм |
Сталь 35 по ГОСТ 1051 |
2,90 |
|
Стержень 1500 мм |
То же |
2,20 |
|
Стержень 1180 мм |
» |
1,80 |
|
Зажим |
Сталь 35 Л-1 по ГОСТ 977* |
0,15 |
|
Замок (детали) |
То же |
1,90 |
|
Молот (детали) |
Ст 3 по ГОСТ 380 |
8,80 |
|
Болт по ГОСТ 3033 |
Сталь 10 кп нагартованная по ГОСТ 10702 |
0,022 |
|
Вороток |
Проволока 6,0-2-10 по ГОСТ 5663 |
0,015 |
|
* По согласованию с заказчиком зажим и замок может быть изготовлен из стали 35 по ГОСТ 1050. |
||
(Измененная редакция, Изм. № 1).
3. КОМПЛЕКТНОСТЬ
3.1. Комплект заземлителя с устройством для забивки его в грунт и извлечения из грунта состоит из одного стержня длиной 2000, 1500 или 1180 мм с зажимом, замка и молота.
По требованию потребителя допускается поставка отдельных изделий, входящих в комплект.
3.2. К комплекту прилагают Инструкцию по правилам эксплуатации и ремонту заземлителей и устройств для их забивки в грунт и извлечения из грунта, характеристику учета и схему забивки стержня и извлечения в соответствии с приложениями 1 и 2 настоящего стандарта.
4. ПРАВИЛА ПРИЕМКИ
4.1. Для проверки соответствия заземлителей и устройств для их забивки в грунт и извлечения из грунта требованиям настоящего стандарта и техническим условиям проводят приемосдаточные, типовые и периодические испытания.
По требованию заказчика, дополнительно проводят испытания на сохраняемость.
(Измененная редакция, Изм. № 1).
4.1а. Типовые испытания проводят после изменения применяемых материалов или технологии изготовления.
Необходимость проведения испытаний определяют по согласованию между предприятием-изготовителем и представителем заказчика.
(Введен дополнительно, Изм. № 1).
4.2. Изделия для приемки предъявляют партиями.
Партия должна состоять из изделий одного наименования, предъявляемых для приемки по одному предъявительскому извещению, 120 шт., но не менее 6 шт.
4.3. Приемосдаточные испытания проводят представители отдела технического контроля изготовителя и заказчика в объеме 3 % изделий от партии, но не менее 3 шт. в последовательности, указанной в табл. 3.
Таблица 3
|
Наименование проверки |
Номер пункта настоящего стандарта |
|
|
требований |
методов контроля |
|
|
1. Проверка внешнего вида |
2.2; 2.14 |
5.2 |
|
2. Проверка материала |
2.20 |
5.13 |
|
3. Проверка основных размеров |
1.2; 2.1; 2.10; 2.12; 2.13 |
5.1 |
|
4. Проверка твердости |
2.16 |
5.11 |
|
5. Проверка предельной кривизны стержня |
2.11 |
5.9 |
|
6. Проверка крепления замка на стержне |
2.5 |
5.5 |
|
7. Проверка перемещения молота по стержню |
2.6 |
5.6 |
|
8. Проверка маркировки |
6.1 |
5.14 |
|
9. Проверка упаковки |
6.4 |
5.15 |
(Измененная редакция, Изм. № 1).
4.4. Результаты приемосдаточных испытаний считают положительными, если все изделия, подвергнутые испытаниям, соответствуют требованиям настоящего стандарта.
4.5. Если при испытаниях будут обнаружены изделия, не соответствующие требованиям настоящего стандарта, то производят повторные испытания на удвоенной выборке от партии.
Результаты повторных испытаний считают окончательными и распространяют на всю партию. Партию изделий, не выдержавшую повторных испытаний, забраковывают окончательно без права нового предъявления представителю заказчика.
4.6. Периодические испытания проводят в объеме и последовательности, указанных в табл. 4, не реже одного раза в 2 года на трех заземлителях и трех устройствах для забивки их в грунт и извлечения из грунта.
Таблица 4
|
Наименование проверки |
Номер пункта настоящего стандарта |
|
|
требований |
методов контроля |
|
|
1. Проверка всех размеров изделий на соответствие технической документации |
2.1 |
5.1 |
|
2. Проверка покрытия изделий |
2.3 |
5.3 |
|
3. Проверка взаимозаменяемости |
2.4 |
5.4 |
|
4. Проверка крепления заземляющего проводника и значения переходного сопротивления |
2.7; 2.8 |
5.7 |
|
5. Проверка массы изделий |
2.9 |
5.8 |
|
6. Проверка глубины обезуглероженного слоя |
2.15 |
5.10 |
|
7. Проверка наработки |
2.18 |
5.12 |
|
8. Проверка упаковки |
6.4 |
5.15 |
4.7. Результаты периодических испытаний считают положительными, если все изделия, подвергнутые испытаниям, соответствуют требованиям настоящего стандарта.
4.8. При получении неудовлетворительных результатов периодических испытаний, хотя бы по одному из требований настоящего стандарта, испытания прекращают и приостанавливают отгрузку принятых изделий.
Изготовитель выявляет причины дефектов и предъявляет отчет представителю заказчика с указанием причин неудовлетворительных испытаний и мер по их устранению.
4.9. Повторные испытания проводят на изделиях, изготовленных после внедрения в производство мероприятий, направленных на устранение причин неудовлетворительных результатов испытаний, на удвоенном числе изделий, прошедших приемосдаточные испытания, в полном объеме периодических испытаний.
4.10. Возобновление приемки и отгрузки изделий потребителю (в том числе принятых) производят при получении положительных результатов повторных испытаний, а также после устранения всех выявленных при испытаниях дефектов в предъявляемых к приемке и принятых, но не отгруженных изделиях.
4.11. Изделия, подвергшиеся периодическим испытаниям, поставке потребителю не подлежат.
4.12. Испытания на сохраняемость (п. 2.19) проводят путем закладки изделий на длительное хранение по согласованной с представителем заказчика программе.
4.13. Изделия считают выдержавшими испытания на сохраняемость, если после окончания длительного хранения на изделиях отсутствуют следы коррозии и получены положительные результаты в объеме приемосдаточных испытаний.
5. МЕТОДЫ КОНТРОЛЯ
5.1. Контроль конструкции и размеров изделий (пп. 1.2; 2.1; 2.10; 2.12; 2.13) проводят сличением с чертежами и измерением размеров измерительными инструментами, обеспечивающими требуемую в чертежах точность, или специальными шаблонами.
(Измененная редакция, Изм. № 1).
5.2. Контроль внешнего вида изделий (пп. 2.2; 2.14) проводят визуально и сравнением с образцами.
5.3. Контроль покрытия изделий (п. 2.3) проводят в соответствии с ГОСТ 9.302.
5.4. Взаимозаменяемость изделий (п. 2.4) проверяют путем разборки и смешанной сборки деталей трех замков. Взаимозаменяемость проверяют до проверки наработки на соответствие п. 2.18.
5.5. Контроль закрывания и открывания замка на стержне (п. 2.5) проводят путем зажатия рукоятки замка на стержне усилием от руки. Контроль зазора между разъемными частями замка проводят щупом по ТУ 2-034-225.
5.6. Контроль перемещения молотка по стержню (п. 2.6) проводят установкой стержня в вертикальное положение и надеванием молота на верхний конец стержня. Молот под собственной массой должен свободно перемещаться по стержню вниз.
5.7. Контроль крепления заземляющих проводников зажимом к стержню и контроль значения переходного сопротивления между проводниками и стержнем (пп. 2.7 и 2.8) проводят одновременным креплением зажимом к стержню трех заземляющих проводников с площадью сечения 6; 10; 16; 25 мм2 в любом наборе, при этом с площадью сечения 25 мм2 не более двух. Значение переходного сопротивления измеряют мостом постоянного тока между стержнем и каждым проводником.
5.8. Массу изделий (п. 2.9) контролируют взвешиванием на весах с погрешностью не более 0,015 кг.
5.9. Контроль предельной кривизны стержня (п. 2.11) должен производиться щупом на плите.
5.10. Контроль глубины обезуглероженного слоя волнистых поверхностей замка и стержня (п. 2.15) проводят по требованиям, установленным в ГОСТ 1763.
5.11. Твердость заостренного конца стержня, а также участков стержня с волнистой поверхностью, твердость волнистых поверхностей замка и запирающего конца рукоятки (п. 2.16) проверяют по требованиям, установленным в ГОСТ 9013.
5.12. Наработку заземлителей (п. 2.18) проверяют путем забивания и извлечения каждого комплекта в немерзлый глинистый или в песчаный грунт 120 циклов, в мерзлый глинистый или песчаный — 12 циклов. По согласованию с заказчиком, допускается мерзлый, глинистый или песчаный грунт заменить немерзлым гравийным или галечниковым, или гравелистым, и наоборот.
5.13. Материалы и крепеж, применяемые для изготовления изделий (п. 2.20), проверяют сличением с сопроводительной документацией. По требованию заказчика, качество может быть подтверждено необходимыми анализами.
(Измененная редакция, Изм. № 1).
5.14. Качество маркировки (п. 6.1) проверяют визуально и сличением с маркировкой на образцах. Если маркировка нанесена краской, то производят трехкратное протирание ее хлопчатобумажной тканью, смоченной водой.
Изделия считают выдержавшими испытания, если маркировка осталась разборчивой.
5.15. Контроль и испытания упаковки и упакованных изделий (п. 6.4) проводят по ГОСТ 23216.
6. МАРКИРОВКА, УПАКОВКА, ТРАНСПОРТИРОВАНИЕ И ХРАНЕНИЕ
6.1. Маркировку наносят на каждое изделие в местах, указанных на чертежах. Общие требования к маркировке должны соответствовать ГОСТ 18620.
6.2. Маркирование выполняют любым способом, обеспечивающим четкость маркировки в течение всего срока сохраняемости изделий.
6.3. Маркировка должна содержать обозначение настоящего стандарта.
6.4. Упаковывание и консервацию изделий проводят в соответствии с требованиями, установленными в ГОСТ 23216 для условий хранения и транспортирования, указанных в пп. 6.10 и 6.11.
6.5. Консервация должна обеспечить сохраняемость изделий в течение 4 лет.
6.6. В каждую упаковку должен быть вложен упаковочный лист, в котором указывают:
товарный знак или наименование предприятия-изготовителя;
наименование, обозначение и число упакованных изделий;
фамилию или номер упаковщика;
дату упаковывания;
штампы технического контроля и представителя заказчика.
6.7. Упаковывание изделий, хранящихся вместе с электроустановкой, должно производиться по техническим условиям на электроустановку с учетом требований транспортирования и хранения, изложенных в настоящем стандарте.
6.8. Транспортная маркировка на упаковке должна соответствовать ГОСТ 14192.
(Измененная редакция, Изм. № 1).
6.9. Масса брутто должна быть не более 50 кг.
6.10. Условия транспортирования изделий в упаковке изготовителя в части воздействия механических факторов, в том числе в составе электроустановки, должны быть не ниже группы Ж по ГОСТ 23216, в части воздействия климатических факторов не ниже группы условий хранения 7(Ж1), а по требованию заказчика по группам 5(ОЖ4) и 8(ОЖ3) ГОСТ 15150.
6.10а. Изделия в упаковке поставщика, в случае поставки потребителю отдельно от электроустановки, транспортируют транспортом всех видов в открытых транспортных средствах, в том числе и в районы Крайнего Севера и приравненные к ним местности, в соответствии с правилами перевозок грузов, действующими на транспорте данного вида.
(Введен дополнительно, Изм. № 1).
6.11. Условия хранения изделий в упаковке поставщика, в том числе в составе электроустановки, должны быть не ниже группы 4(Ж2), а по требованию заказчика, по группам 5(ОЖ4) и 8(ОЖ3) ГОСТ 15150.
7. УКАЗАНИЯ ПО ЭКСПЛУАТАЦИИ И РЕМОНТУ
7.1. Электроустановки должны комплектоваться заземлителями с наибольшей длиной стержня по условиям размещения их на электроустановке.
7.2. Перед забивкой заземлителя в грунт со стержня, замка и зажима снять консервационную смазку.
Места сопряжения стержня и зажима протереть бензином.
7.3. Заземлители не предназначены для забивки в скальный массив.
При забивке заземлителей в грунты, указанные в приложении 1, в случае попадания заостренного конца стержня в крупные частицы гальки или щебня заземлитель следует извлечь, изменить угол наклона или забить его в другое место.
7.4. При забивке заземлителя в грунт и извлечении его из грунта закрепление замка на стержне должно соответствовать указанному в приложении 2. Только при указанном закреплении замка на стержне при ударах молота замок надежно удерживается на стержне.
В процессе забивки рукоятку замка следует периодически подтягивать.
7.5. Молот по стержню следует перемещать, не раскачивая стержень.
7.6. Забивку стержня в грунт и его извлечение из грунта следует производить с особой предосторожностью.
Отсутствие предосторожности может привести к травмированию лица или головы исполнителя о верхний конец стержня.
7.7. После забивки в галечниковый или щебенистый грунт стержни при необходимости могут подвергаться выпрямлению на стальной плоскости молотком из запасного имущества электроустановки.
Удары молотком следует наносить по деревянной подкладке.
7.8. В процессе эксплуатации на запирающем конце рукоятки замка может появиться заусенец, ухудшающий работу замка. Заусенец следует зачистить плоским напильником.
7.9. Указания по эксплуатации и ремонту допускается вносить в эксплуатационную документацию электроустановки.
8. ГАРАНТИИ ИЗГОТОВИТЕЛЯ
8.1. Изготовитель гарантирует соответствие изготовленных изделий требованиям настоящего стандарта при соблюдении потребителем условий транспортирования, хранения и эксплуатации.
8.2. Гарантийный срок эксплуатации — 5 лет со дня ввода изделий в эксплуатацию при наработке, не превышающей указанной в п. 2.18.
ПРИЛОЖЕНИЕ 1
Справочное
Характеристика грунтов по СНиП II-15-74, в которые допускается забивка заземлителей
|
Наименование грунта |
Состав грунта |
Число забивок и извлечений (наработка), циклы |
|
1. Немерзлый грунт |
||
|
1.1. Глинистый или песчаный (гравелистый) |
Масса частиц размером от 2 до 10 мм составляет менее 50 %; остальное — глина или песок |
120 |
|
1.2. Торф, глина, садовая земля, суглинок, чернозем, супесок, песок |
То же, без включений |
120 |
|
1.3. Гравийный (при преобладании неокатанных частиц — дресвяный) |
Масса частиц размером от 2 до 10 мм составляет более 50 %, остальное — менее 2 мм |
12 |
|
1.4. Галечниковый (при преобладании неокатанных частиц — щебенистый) |
Масса частиц размером от 10 до 30 мм составляет до 60 %, остальное — менее 10 мм |
12 |
|
2. Мерзлый грунт |
||
|
2.1. Глинистый или песчаный (гравелистый) |
Масса частиц размером от 2 до 10 мм составляет менее 50 %; остальное — глина или песок |
12 |
|
2.2. Торф, глина, садовая земля, суглинок, чернозем, супесок, песок |
То же, без включений |
12 |
ПРИЛОЖЕНИЕ 2
Обязательное
УСТРОЙСТВО ДЛЯ ЗАБИВКИ СТЕРЖНЯ В ГРУНТ И ИЗВЛЕЧЕНИЯ СТЕРЖНЯ ИЗ ГРУНТА
Забивка Извлечение
1 — замок; 2 — молот
ИНФОРМАЦИОННЫЕ ДАННЫЕ
1. УТВЕРЖДЕН И ВВЕДЕН В ДЕЙСТВИЕ Постановлением Государственного комитета СССР по стандартам от 27.10.81 № 4711
2. ВЗАМЕН ГОСТ 16556-71
3. ССЫЛОЧНЫЕ НОРМАТИВНО-ТЕХНИЧЕСКИЕ ДОКУМЕНТЫ
|
Обозначение НТД, на который дана ссылка |
Номер пункта |
|
ГОСТ 9.301-86 |
2.3 |
|
ГОСТ 9.302-88 |
5.3 |
|
ГОСТ 380-94 |
2.20 |
|
ГОСТ 977-88 |
2.20 |
|
ГОСТ 1050-88 |
2.20 |
|
ГОСТ 1051-73 |
2.20 |
|
ГОСТ 1763-68 |
5.10 |
|
ГОСТ 2789-73 |
2.14 |
|
ГОСТ 3033-79 |
1.1, 2.20 |
|
ГОСТ 5663-79 |
2.20 |
|
ГОСТ 6402-70 |
1.2 |
|
ГОСТ 7417-75 |
2.11 |
|
ГОСТ 9013-59 |
5.11 |
|
ГОСТ 10702-78 |
2.20 |
|
ГОСТ 11371-78 |
1.2 |
|
ГОСТ 14192-96 |
6.8 |
|
ГОСТ 15150-69 |
Вводная часть, 6.10, 6.11 |
|
ГОСТ 17473-80 |
1.2 |
|
ГОСТ 18620-86 |
6.1 |
|
ГОСТ 23216-78 |
5.15, 6.4, 6.10 |
|
ГОСТ 26645-85 |
2.12 |
|
ТУ 2-034-225-87 |
5.5 |
4. Ограничение срока действия снято по протоколу № 2-92 Межгосударственного совета по стандартизации, метрологии и сертификации (ИУС 2-93)
5. ИЗДАНИЕ (август 2006 г.) с Изменением № 1, утвержденным в июне 1987 г. (ИУС № 9-87)
СОДЕРЖАНИЕ
|
1. Конструкция и основные размеры.. 1 2. Технические требования. 4 3. Комплектность. 6 4. Правила приемки. 6 5. Методы контроля. 7 6. Маркировка, упаковка, транспортирование и хранение. 8 7. Указания по эксплуатации и ремонту. 9 8. Гарантии изготовителя. 10 Приложение 1 Характеристика грунтов по СНиП II-15-74, в которые допускается забивка заземлителей. 10 Приложение 2 Устройство для забивки стержня в грунт и извлечения стержня из грунта. 10 Информационные данные. 11 |






