Кольца пружинные упорные плоские внутренние концентрические и канавки для них. Конструкция и размеры
Заменяет

Страница 1

Страница 2

Страница 3

Страница 4

Страница 5

Страница 6

Страница 7

Страница 8

Страница 9

Страница 10
УДК 621.887.6-4S : 004.354 Групп, ГИ
ГОСУДАРСТВЕННЫЙ СТАНДАРТ СОЮЗА ССР
КОЛЬЦА ПРУЖИННЫЕ УПОРНЫЕ ПЛОСКИЕ ВНУТРЕННИЕ КОНЦЕНТРИЧЕСКИЕ И КАНАВКИ ДЛЯ НИХ
ГОСТ
13941-86
Коиструициа и размеры
Retaining spring flat concentric rings for bores and grooves for them. Construction and dimensions
ОКП 45 9830
с 01.01.S8 до 01.01.»>
Срок дейстеме
Несоблюдение стандарт1 преследуется по мкоиу
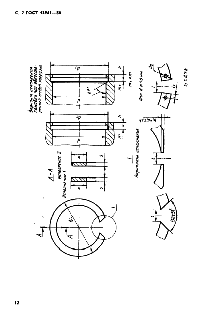
1. Настоящий стандарт распространяется на пружинные упорные плоские внутренние концентрические кольца классов точности А, В и С и канавки для ннх, предназначенные для закрепления от осевого смещения подшипников качения н других деталей ь отверстиях диаметром от 8 до 320 мм.
2. Конструкция и размеры колец и канавок для ннх должны соответствовать указанным на чертеже и в таблице.
II
1
С. 2 ГОСТ 11941—•*
|
tfZO.Tb |
12
|
ГОСТ 11941—16 С. 3 |
|
|
ли ‘п d э к с е (j |
|
13
С. 4 ГОСТ 13941-86
14
Размеры, мм
|
Условии* |
||||||
|
XKIMCTp KCMkUl |
dt |
|||||
|
1 диаметр отнхпч) d |
Номкн |
Пред ОТЧ.Л. |
d. |
i |
» |
I •» |
|
56 |
60.2 |
|||||
|
58 |
62.2 |
|||||
|
60 |
64.2 |
16.0 |
||||
|
62 |
66.2 |
+0.92 -0.46 |
||||
|
65 |
69.2 |
— |
1.7 |
5.0 |
||
|
68 |
72.5 |
|||||
|
70 |
74.5 |
|||||
|
72 |
76.5 ‘ |
|||||
|
75 |
79.5 |
|||||
|
78 |
82.5 |
18.0 |
||||
|
80 |
85,5 . |
|||||
|
82 |
87.5 |
|||||
|
85 |
90.5 |
|||||
|
88 |
93.5 |
+ 1.08 |
2.0 |
2.0 |
6.0 |
|
|
90 |
95.5 |
-0.54 |
||||
|
92 |
97.6 |
20.0 |
||||
|
95 |
100.5 |
|||||
|
98 |
103.5 |
|||||
|
100 |
106,5 |
|||||
|
ГОСТ 0941—$6 С. S |
||||||||||||||||||||||||||||||||||||||||||||||||||||||||||||||||||||||||||||||||||||||||||||||||||||||
Pi ли еры. мы
Условный
ANSM’TD
кольца
<А«аметр
отаерстии)
Л
Jt
Пред.
опт.
Номам
102
105
108
110
112
115
120
125
130
135
140
145
150
155
160
165
170
175
180
108.0
111.0
+ 1,08
-0,54
114.0
116.0
22,0
7.0
118,0
121.5
2.5
2.5
126.5
131.5
136.5
141.5
24,0
8.0
146,5
+ 1,26 -0,63
151.5
157.5
162,5
167,5
8.5
28.0
3.0
172,5
3,0
177.5
182,5
+ 1.44 -0,72
9,5
188.0
|
Продолжение |
||||||||||||||||||||||||||||||||||||||||||||||||||||||||||||||||||||||||||||||||||||||||||||||||||||||||||
|
||||||||||||||||||||||||||||||||||||||||||||||||||||||||||||||||||||||||||||||||||||||||||||||||||||||||||
С. 6 ГОСТ 13941—М
|
Размеры, мм Продолжение |
|||||||||||||||||||||||||||||||||||||||||||||||||||||||||||||||||||||||||||||||||||||||||||||||||||||||||||||||||||||||||||||||||||||||||||||||||||||||||||||||||||||||||||||||||||||||||||||||||||||||||||||||||||||
|
|||||||||||||||||||||||||||||||||||||||||||||||||||||||||||||||||||||||||||||||||||||||||||||||||||||||||||||||||||||||||||||||||||||||||||||||||||||||||||||||||||||||||||||||||||||||||||||||||||||||||||||||||||||
Примечании:
ГОСТ <5941-W С. 7
1. Размер / допускается корректировать при изготовлении колец,
2. Осевая нагрузка определена для условий-
а) рабочие кромки кольца острые;
б) углы у ос мот имя н наружная кромка канавки без округленны или фаски; в> закрепляемая деталь установлена и отверстии без зазора;
г) прилегающая г; кольцу поверхность закрепляемой детали без скругления или фаски;
д) предел прочности материала отверстия не менее 300 Н/мм*.
С. 8 ГОСТ <»4<-в6
Пример условного обозначения пружинного упорного плоского внутреннего кольца исполнения J класса точности А с условным диаметром 30 мм из стали марки 65Г без покрытия:
Кольцо АЗО ГОСТ 1.1941-86
То же исполнения 2. класса точности В, из стали марки 60С2А с кадмиевым покрытием толщиной 6 мкм хроматнрованным:
Кольцо 2В30.60С2А.Кдб.хр ГОСТ 13941-86
(Измененная редакция, Иэм. № I).
3. Технические требования по— ГОСТ 13944-86.
4. Теоретическая масса колец приведена в справочном приложении.
is
гост imi—»б с. *
ПРИЛОЖЕНИЕ . Справочное
|
МАССА СТАЛЬНЫХ КОЛЕЦ |
||||||||||||||||||||||||||||||||||||||||||||||||||||||||||||||||||||||||||||||||||||||||||||||||||||||||||||||||||||||||||||||||||||||||||||||||||||||||||||||||||||||||||||||||||||||||||||||||
|
19
С. 10 ГОСТ 13941-86
ИНФОРМАЦИОННЫЕ ДАННЫЕ
1. РАЗРАБОТАН И ВНЕСЕН Государственным комитетом СССР по стандартам
ИСПОЛНИТЕЛИ
Л. А. Коноров. канд. техн. неук; А. в. Громах; Н. А. Автухова
2. УТВЕРЖДЕН И ВВЕДЕН В ДЕЙСТВИЕ Постановлением Государственного комитета СССР по стандартам от 20.12.86 М? 4446
3. Срок проверки — 1991 г.
4. ВЗАМЕН ГОСТ 13941-68
5. ССЫЛОЧНЫЕ НОРМАТИВНО-ТЕХНИЧЕСКИЕ ДОКУМЕНТЫ
|
Обожаял’и* НТД, на который дни» ссылка |
Номер гуяктл |
|
ГОСТ «3944-86 |
5 |
6. Переиздание (сентябрь 1988 г.) с Изменением № 1, утвержденным в июне 1988 г. {ИУС 11—88).
20
