Часы наручные. Присоединительные размеры корпусов
На нашем сайте можно бесплатно скачать Руководящий документ ГОСТ 12932-67 в удобном формате. Узнать актуальный статус документа «Часы наручные. Присоединительные размеры корпусов» на 2016 год.
Скрыть дополнительную информацию
Страница 1

Страница 2

Страница 3

Страница 4
ГОСУДАРСТВЕННЫЙ СТАНДАРТ СОЮЗА ССР
ЧАСЫ НАРУЧНЫЕ
ПРИСОЕДИНИТЕЛЬНЫЕ РАЗМЕРЫ КОРПУСОВ
ГОСТ 12932-67 Издание официальное
ГОСУДАРСТВЕННЫЙ КОМИТЕТ СССР ПО СТАНДАРТАМ Москва
УДК 681.11:006.354 Группа П12
ГОСУДАРСТВЕННЫЙ СТАНДАРТ СОЮЗА ССР
Часы наручные
ПРИСОЕДИНИТЕЛЬНЫЕ ГОСТ
РАЗМЕРЫ КОРПУСОВ
12932—87*
Hand watches. Body connecting dimensions
Утвержден Комитетом стандартов, мер и измерительных приборов при Совете Министров СССР от 17 мая 1967 г. Срок введения установлен
с 01.01.68
Проверен в 1983 г. Постановлением Госстандарта СССР от 29.07.83 № 352# срок действия продлен
до 01.01.93
Несоблюдение стандарта преследуется по закону
Настоящий стандарт устанавливает присоединительные размеры корпусов наручных часов для крепления их к ремешкам и бряс летам.
Стандарт не определяет конструкцию корпуса наручных часов.
Стандарт соответствует требованиям международного станлао-та ИСО 3765—76.
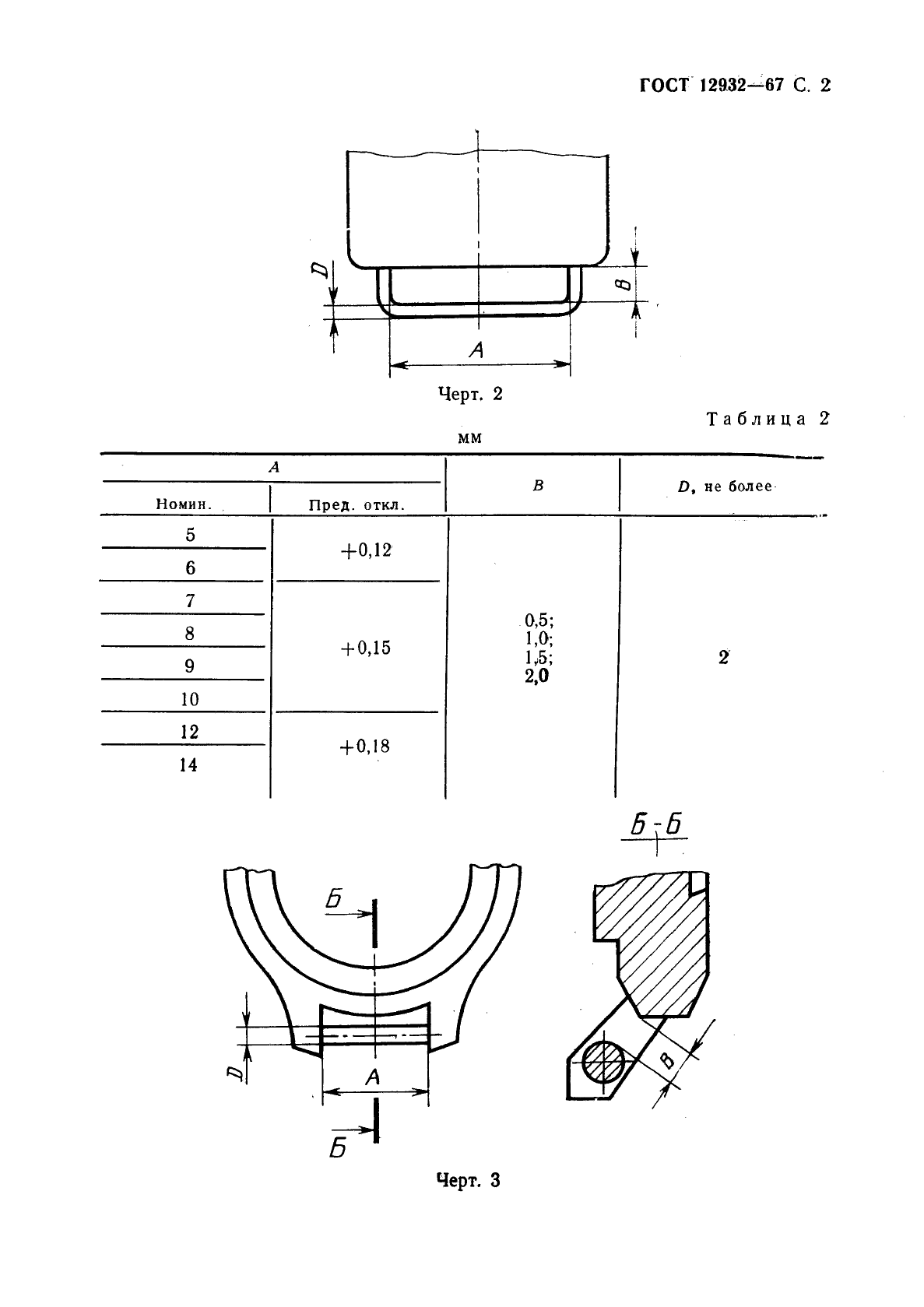
1. Присоединительные размеры корпусов наручных часов должны соответствовать указанным на черт. 1—3 и в табл. 1—3.
|
Таблица 1 мм |
|
|
D |
|
|
тОмин. |
Пред. откл. |
|
2,5 |
+ 0,10 |
|
q. со |
|
|
3,5 |
+0,12 |
|
4,0 |
|
Черт. 1
Издание официальное Перепечатка воспрещена
* Переиздание (апрель 1988 г.) с Изменением № 1, утвержденным в ноябре 1978 г. (ИУС 1—79).
(<Б) Издательство стандартов, 1988
ГОСТ 12932—67 С. 2
|
Таблица 2 |
|||||||||||||||||||||||||||||||||
|
|||||||||||||||||||||||||||||||||
5:6
|
||||||||||
|
Черт. 2 мм |
||||||||||
С. 3 ГОСТ 12932-67
|
Таблица 3 |
|||||||||||||||||||||||||||||||||||||||||||
|
|||||||||||||||||||||||||||||||||||||||||||
(Измененная редакция, Изм. № 1). 2.3. (Исключены, Изм. № 1).
мм
Редактор М. А. Глазунова Технический редактор Л. Я. Митрофанова Корректор Н. И. Гаврищук
Сдано в наб. 30.06.88 Подп. в пе% 24.10.88 0,25 уел. п ,.л. 0,25 уел. кр.-отт. 0,16 уч.-изд. л.
Тир. 2000 Цена 3 коп.
Ордена <3нак Почета» Издательство стандартов, 123840, Москва, ГСП.
Новопресненский пер., 3.
Калужская типография стандартов, ул. Московская, 256. Зак. 1402



