Система стандартов безопасности труда. Обувь специальная кожаная. Классификация

Страница 1

Страница 2

Страница 3

Страница 4

Страница 5

Страница 6
Здош Го;т:а л IAiJl. ^0.°п?и‘
УДК 685.314.3.001.33 : 006.354 ГОСУДАРСТВЕННЫЙ СТАНДАРТ СОЮЗА ССР
Система стандартов безопасности труда
ОБУВЬ СПЕЦИАЛЬНАЯ КОЖАНАЯ
Классификация
System for safety standarts. Special leather shoes. Classification
ГОСТ 12.4.017-76* *
Постановлением Государственного комитета стандартов Совета Министров СССР от 8 января 1976 г. N9 54 срок действия установлен
с 01.01.1977 г. до 01.01.1982 г.
Несоблюдение стандарта преследуется по закону
1. Настоящий стандарт распространяется на специальную обувь из юфтевых, хромовых, искусственных и синтетических кож, текстильных материалов, а также комбинированную из вышеперечисленных материалов, применяемую для защиты ног работающих от опасных и вредных производственных факторов, и устанавливает классификацию ее по защитным свойствам.
2. Специальная кожаная обувь в зависимости от защитных свойств должна подразделяться на группы и подгруппы в соответствии с таблицей.
|
Условное обозначение |
Защитные свойства групп обуви |
Условное обозначение |
Защитные свойотва подгрупп обуви |
|
групп |
подгрупп |
||
|
Уо 200 |
От ударов в носочной части энергией 200 Дж |
||
|
Для защиты от механи- |
Уо *00 |
От ударов в носочной |
|
|
ческих воздействий |
части энергией 100 Дж |
||
|
м |
Уо50 |
От ударов в носочной части энергией 50 Дж |
|
|
Уо5 |
От ударов в носочной части энергией 5 Дж |
Издание официальное Перепечатка воспрещена
*
* Переиздание (май 1979 г.) с изменением Л? /, опубликованным в октябре 1977 г.
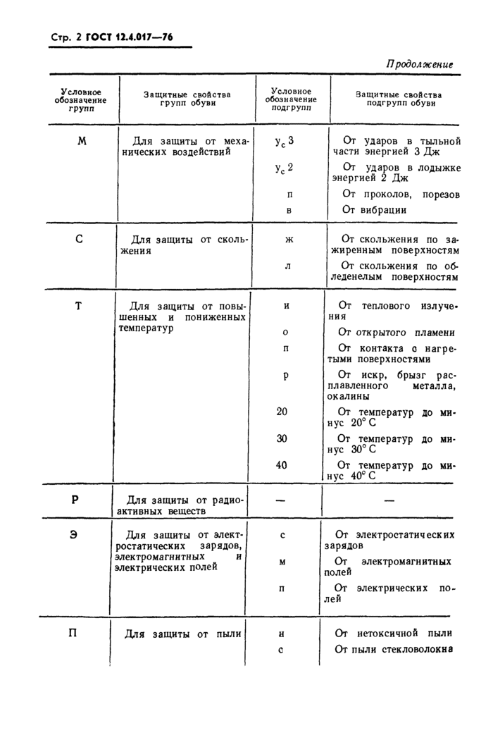
Стр. 2 ГОСТ 12.4.017-76
Продолжение
|
Условное обозначение групп |
Защитные свойства групп обуви |
Условное обозначение подгрупп |
Защитные свойства подгрупп обуви |
|
М |
Для защиты от меха- |
Ус3 |
От ударов в тыльной |
|
нических воздействий |
части энергией 3 Дж |
||
|
Ус2 |
От ударов в лодыжке |
||
|
энергией 2 Дж |
|||
|
п |
От проколов, порезов |
||
|
в |
От вибрации |
||
|
С |
Для защиты от сколь- |
ж |
От скольжения по за- |
|
жен и я |
л |
жиренным поверхностям От скольжения по обледенелым поверхностям |
|
|
Т |
Для защиты от повы- |
и |
От теплового излуче- |
|
шенных и пониженных |
ния |
||
|
температур |
О |
От открытого пламени |
|
|
п |
От контакта о нагре- |
||
|
тыми поверхностями |
|||
|
р |
От искр, брызг рас- |
||
|
плавленного металла, окалины |
|||
|
20 |
От температур до минус 20° С |
||
|
30 |
От температур до минус 30° С |
||
|
40 |
От температур до минус 40° С |
||
|
Р |
Для защиты от радио- |
||
|
активных веществ |
|||
|
Э |
Для защиты от элект- |
с |
От электростатических |
|
ростатических зарядов, |
зарядов |
||
|
электромагнитных и электрических полей |
м |
От электромагнитных полей |
|
|
п |
От электрических полей |
||
|
п |
Для защиты от пыли |
н |
От нетоксичной пыли |
|
с |
От пыли стекловолокна |
ГОСТ 12.4.017-76 Стр. 3
Продолжение
|
Условное обозначение групп |
Защитные свойства групп обуви |
Условное обозначение подгрупп |
Защитные свойства подгрупп обуви |
|
В |
Для защиты от воды |
— |
— |
|
К |
Для защиты от кислот, щелочей и окислителей низкой концентрации |
— |
— |
|
О |
Для защиты от органических растворителей (в том числе лаков и красок на их основе) |
— |
— |
|
н |
Для защиты от нефти, нефтепродуктов и жиров |
С ж м |
От сырой нефти От растительных и животных жиров От нефтяных масел |
|
я |
Для защиты от токсичных веществ |
— |
— |
|
У |
Профилактическая (от утомляемости) |
— |
— |
Пример условного обозначения обуви, предназначенной для защиты от ударов в носочной части энергией 200 Дж: Муо200.
То же, для обуви, предназначенной для защиты от проколов и порезов: Мп.
То же, для обуви, предназначенной для защиты от вибрации: Мв.
То же, для обуви, предназначенной для защиты от нескольких опасных и вредных производственных факторов:
от скольжения по зажиренным поверхностям, от растворов кислот, щелочей и окислителей низкой концентрации и от сырой нефти: СжКНс.
(Измененная редакция — «Информ. указатель стандартов» № 10 1977 г.).
3. Виды епецобуви, защитные приспособления и материалы для основных деталей должны соответствовать указанным в приложении.
ПРИЛОЖЕНИЕ 1 Рекомендуемое
НОМЕНКЛАТУРА
видов защитных приспособлений и материалов спецобуви
Таблица 1
|
Вид спецобуви |
Условное обозначение видов |
|
Сапоги: |
1.1 |
|
с голенищем на голень |
1.1.1 |
|
с голенищем на голень и бедро |
1.1.2 |
|
с голенищем на часть голени |
1.1.3 |
|
Полусапоги! |
1.2 |
|
с глухим клапаном со шнуровкой |
1.2.1 |
|
с глухим клапаном с застежкой |
1.2.2 |
|
Ботинки: |
1.3 |
|
со шнуровкой |
1.3.1 |
|
с застежкой |
1.3.2 |
|
с резинками |
1.3.3 |
|
Полуботинки: |
1.4 |
|
со шнуровкой |
1.4.1 |
|
с застежкой |
1.4.2 |
|
с резинками |
1.4.3 |
|
Легкая обувь: |
1.5 |
|
Ботинки: |
|
|
с открытой пяткой |
1.5.1 |
|
с открытой пяткой и носком |
1.5.2 |
|
Туфли: |
|
|
с открытой пяткой |
1.5.3 |
|
с открытым носком |
1.5.4 |
|
с открытой пяткой и носком |
1.5.5 |
|
Чувяки |
1.5.6 |
Защитное приспособление
Таблица 2
Условное обозначение защитных приспособления
Защитные носки:
металлические на нагрузку 200 Дж металлические на нагрузку 100 Дж металлические на нагрузку 50 Дж пластмассовые на нагрузку 100 Дж пластмассовые на нагрузку 50 Дж
2.1
2.1.1
2.1.2
2.1.3
2.1.4
2.1.5
Щитки:
термозащитные противоударные пылегрязезащитные мыщелочные накладки пучковые накладки манжеты
2.2.1
2.2.2
2.2.3
2.2.4
2.2.5
2.2.6
Прокладки:
термоизолирующие
проколозащитные
экранирующие
амортизирующие
виброгасящие
вкладные стельки
Г етры:
термозащитные пылегрязезащитные кислотощелочезащитные влагоз ащитные нефтемаслозащитные
2.3
2.3.1
2.3.2
2.3.3
2.3.4
2.3.5
2.3.6
2.4
2.4.1
2.4.2
2.4-3
2.4.4
2.4.5
Трикони
Детали обуви и материалы, из которых оии изготовлены
Переда, союзки: кожа юфтевая кожа хромовая кожа искусственная кожа синтетическая ткани и нетканые материалы
Голенища:
кожа юфтзвая кожа искусственная кожа синтетическая Берны:
кожа юфтевая кожа хромовая кожа искусственная кожа синтетическая ткани и нетканые материалы Подкладка основная: кожа подкладочная
Таблица 3
|
Условное обозначение деталей обуви и материалов |
Детали обуви и материалы. II из которых они изготовлены |
Условное обозначение деталей обуви и материалов |
|
3.1 |
ткани и нетканые ма- |
3.4.2 |
|
3.1.1 |
те риалы |
|
|
3.1.2 |
сукно |
3.4.3 |
|
3.1.3 3.1.4 |
мех |
3.4.4 |
|
3.1.5 |
Подошва, каблук: |
3.5 |
|
резина термостойкая |
3.5.1 |
|
|
резина морозостой- |
3.5.2 |
|
|
3.2 |
кая |
|
|
3.2.1 |
резина маслобензо- |
3.5.3 |
|
3.2.2 |
стойкая |
|
|
3.23 |
резина жиростойкая |
3.5.4 |
|
3.3 |
резина кислотощело- |
3.5.5 |
|
3.3.1 |
нестойкая |
|
|
3.3.2 |
резина токопроводя- |
3.5.6 |
|
3.3.3 |
щая |
|
|
3.3.4 |
резина виброгасящая |
3.5.7 |
|
3.3.5 |
резина общего назначения |
3.5.8 |
|
3.4 3.4.1 1 |
кожа |
3.5.9 |
ПРИЛОЖЕНИЕ 2 Рекомендуемое
УСЛОВНОЕ ОБОЗНАЧЕНИЕ ГРУПП ЗАЩИТНЫХ СВОЙСТВ СПЕЦОБУВИ
(для ГДР)
М—для защиты от механических воздействий;
С —для защиты от скольжения;
Т — для защиты от повышенных и пониженных температур;
Р — для защиты от радиоактивных веществ;
Е — для защиты от электростатических зарядов, электромагнитных и электрических полей;
X — для защиты от пыли)
В — для защиты от воды;
К —для защиты от кислот, щелочей и окислителей низкой концентрации: О —для защиты от органических растворителей (в том числе лаков и красок на их основе);
Н — для защиты от нефти, нефтепродуктов и жиров;
А — для защиты от токсичных веществ;
У — профилактическая (от утомляемости).
(Введено дополнительно — «Информ. указатель стандартов» .Vs 10 1977 г.)
