Шурупы с полукруглой головкой. Конструкция и размеры
Заменяет

Страница 1

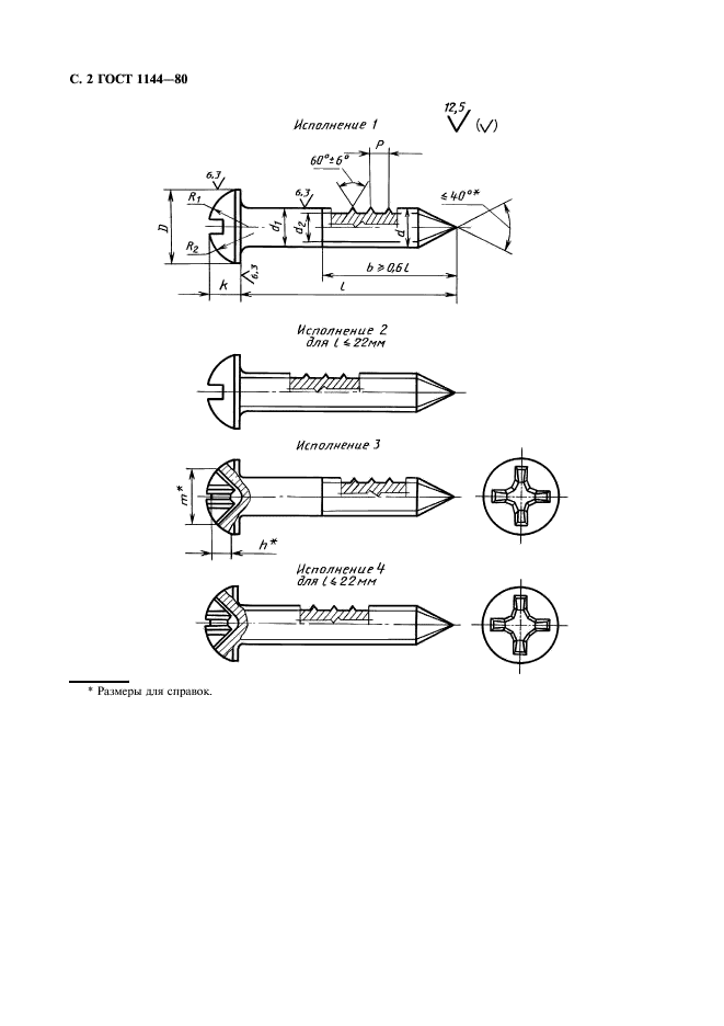
Страница 2

Страница 3

Страница 4

Страница 5

Страница 6

Страница 7
Шурупы с полукруглой головкой. Конструкция и размеры
Заменяет

Страница 1

Страница 2

Страница 3

Страница 4

Страница 5

Страница 6

Страница 7