Ткань хлопчатобумажная доместик. Технические условия
На нашем сайте можно бесплатно скачать Руководящий документ ГОСТ 1104-69 в удобном формате. Узнать актуальный статус документа «Ткань хлопчатобумажная доместик. Технические условия» на 2016 год.
Скрыть дополнительную информацию
Страница 1

Страница 2

Страница 3

Страница 4

Страница 5

Страница 6

Страница 7

Страница 8

Страница 9
ГОСУДАРСТВЕННЫЙ СТАНДАРТ СОЮЗА ССР
ТКАНЬ ХЛОПЧАТОБУМАЖНАЯ ДОМЁСТИК
ГОСТ 1104-69
Издание официальное
государственный комитет стандартов
СОВЕТА МИНИСТРОВ СССР Москва
УДК 677.21.066(083.74) Группа М68
ГОСУДАРСТВЕННЫЙ СТАНДАРТ СОЮЗА ССР
I
ГОСТ
» ТКАНЬ ХЛОПЧАТОБУМАЖНАЯ ||Л>1 О *
ДОМЕСТИК ; 1104—«ОУ
Cotton fabrics domestic
Взамен ГОСТ 1104-41
Постановлением Комитета стандартов, мер и измерительных приборов при Совете Министров СССР от 25 ноября 1969 г. NS 1258 срок введения установлен
с 01.01.1971 г.
Несоблюдение стандарта преследуется по закону
• ■ \
Настоящий стандарт распространяется на суровую неаппрети-рованную хлопчатобумажную ткань доместик, применяемую для изготовления резино-технических изделий и других технических целей.
1. ТЕХНИЧЕСКИЕ ТРЕБОВАНИЯ
ilЛ. По физико-механическим показателям ткань должна соответствовать требованиям, указанным в табл. 1.
Выработка тканей нового ассортимента, не предусмотренного настоящим стандартом, допускается по утвержденным в установленном порядке техническим условиям в течение срока не более двух лет. Качество этих тканей должно быть не ниже качества тканей, указанных в настоящем стандарте.
Ткани нового ассортимента, принятые к дальнейшему производству по предложению организации-изготовителей и организаций-потребителей, должны быть включены в установленном порядке в настоящий стандарт.
Таблица 1
|
|||||||||||||||
|
Йздание официальное Перепечатка eocnpoj^.eva 4 Переиздание (апрель 1978 с.) с изменениях М 1. опубликованным в январе 1978 г. |
@ Издательство стандартов, 1978
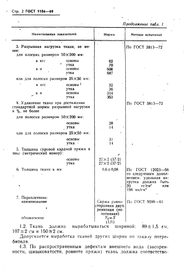
Стр. 2 ГОСТ 1104-69
Продолжение табл. 1
Наименования показателен
Нормы
Методы испытаний
3. Разрывная нагрузка ткани, не менее:
для плоских размером 50×200 мм:
По ГОСТ 3813-72
62
70
60в
687
в К ГС
основы
утка
основы
утка
в н
или для полоски размером 25 X 50 мм:
32
36
314
363
R КГС
основы
утка
основы
\пгка
В Н
‘4. Удлинение ткани при достижении стандартной нормы разрывной нагрузки в %, не более
для полоски размером 50x 200 мм:
основы
утка
или для полоски размером 25×50 мм:
основы утка •
5. Толщина суровой кардной пряжи в текс (метрический номер):
По ГОСТ 3813-72
28
14
31
14
27X2 (37/2) 27X2 (37/2)
0.6 ±0,08
основы
утка
6. Толщина ткани в мм
По ГОСТ 12023-66 со следующим дополнением: удельная нагрузка должна быть 20 гс/смг или 196 мн/см2
7. Переплетение: наименование
Саржа равно сторонняя двухремизная (по лотняная)
К2-Х (1/1)
вырабатываться шириной:
По ГОСТ 9599-61
обозначение
1.2. Ткань должна 107±2 см и 150±2 см.
Допускается выработка тканей других ширин по закалу потребителя.
•1.3. По распространенным дефектам внешнего вида (засоренности, шишковатости. ровноте пряжи) ткань должна соответство-
89± 1.5 см.
ГОСТ 1104-69 Стр. i
вать эталонам, утвержденным в установленном порядке, согласно действующей Инструкции Министерства легкой промышленности СССР.
При утверждении эталонов должны быть указаны срок и условия их хранения. Эталоны должны храниться в организациях, утвердивших их.
11.4. Качество ткани по внешнему виду определяют путем ее осмотра при отраженном свете на браковочном столе или перекатке под углом 25—30°С к вертикали.
.1.5. В ткани не допускаются следующие грубые местные дефекты: х
а) подплетины более 1 см2; ,
б) пробоины и просечки более 0.5 см;
в) близны более двух нитей;
г) стянутая и рваная кромка;
д) масляные пятна и нити (обезжиренные пятна и нити дефектом не считают);
е) отрыв основы, плохо приработанный;
ж) групповые поднырки;
з) протаски основы.
1.6. Допускаемые местные дефекты внешнего вида устанавливают в зависимости от назначения ткани по группам А\ Б и В:
А —для ткани, применяемой под прорезинивание для изготовления водонепроницаемых и воздухонепроницаемых ре зино-технических изделий;
Б — для ткани, применяемой под прорезинивание для изготовления других резино-технических изделий;
В—для ткани, применяемой в суровом виде для прокладок и бинтовки.
Размеры дефектов не должны превышать указанных в табл. 2.
Таблица 2
|
• |
Размер одного |
Группа ткани |
||
|
Наименования дефектов |
дефекта |
. А |
В |
В |
|
/ 1. Близны в 1 нить длиной в СМ, НС более |
40 в обшей сложности |
+ |
А |
|
|
2. Близны в 2 нити длиной в см |
20 в общей сложности |
+ |
+ |
+ |
|
3. Местные утолщения нитей основы и утка (непропряды, слеты, заработанный пух, узлы, шишки) от трех- до пятикратной тол шины в шт., не более |
3 |
+ |
+ |
+ |
|
4. Нити основы двукратной толшииы в см, не более |
100 > |
+ |
0 |
0 |
Стр. 4 ГОСТ 1104-69
|
Продолжение табл. 2 |
||||||||||||||||||||||||||||||||||||||
|
||||||||||||||||||||||||||||||||||||||
Примечание. Знак «+» означает, что дефект допускается, знак «0» означает, что дефект не учитывается, знак «—» означает, что дефект не допускается. ч
•1.7. Дефекты внешнего вида, не предусмотренные табл. *2, п;рн оценке приравнивают к аналогичным.
«I.e. Ткань должна быть очищена с двух сторон от концов нитей и пуха, а’ткани групп А и Б дополнительно очищают от грубых узлов, слетов и шишек.
1.9. Общее количество дефектов на условную длину куска 100 м и условную ширину 89 см не’должно быть более:
для ткани группы А — 15;
для ткани группы Б —20;
для ткани группы В —35.
1Л0. Грубые местные дефекты не вырезают, а отмечают в на-’ чале и в конце дефекта у кромки ткани цветными нитками или клеймом «вырез» (условный вырез). Размер условного выреза не должен лревышать 50 см по длине ткани. Расстояние от конца куока до условного выреза и между йими не должно быть менее,. 20 м.
Грубые дефекты — стянутая и рваная ‘кромка, протаски основы должны быть вырезаны на предприятии-изготовителе.
1.11. Длину ткани условных вырезов в общую меру длины •куска не принимают, а учитывают как весовой лоскут и дефекты, расположенные на этой длине, в подсчет общего количества дефектов не включают.
Ы2. На условную длину куска 100 м и условную ширину 89 см допускается не более четырех условных вырезов.
ГОСТ 1104—69 Стр. 5
1.13. При отклонении фактической длины и ширины куска от
условных, количество допускаемых дефектов и условных вырезов пропорционально пересчитывают на кусок условной длины и ширины. —
1.14. Ткань должна быть принята техническим контролем предприятия-изготовителя. Изготовитель должен гарантировать соответствие качества ткани требованиям настоящего стандарта.
‘ 2. МЕТОДЫ ИСПЫТАНИЙ
2.1. Для контрольной проверки потребителем соответствия качества ткани требованиям настоящего стандарта должны примё-няться. правила отбора проб по ГОСТ 3810-72 и методы испытаний, указанные в табл. 1.
2.2. Ткань испытывают в атмосферных условиях по ГОСТ 10681-75. Перед испытанием ее предварительно выдерживают не менее 24 ч в этих условиях в развернутом виде.
2.3> Качество партии ткани оценивают по второй группе ГОСТ 20566-75.
3. УПАКОВКА, МАРКИРОВКА, ТРАНСПОРТИРОВАНИЕ И ХРАНЕНИЕ
3.1. Куски ткани должны быть накатаны в рулон ровно, без перекосов, без свисания и загиба кромок. Длина куска- в рулоне должна быть не менее 80 м. Допускается длины ткани в куске менее 80 м, но не менее 20 м в количестве не более 10% партии.
Допускается складывать «уски метровыми накладками по соглашению сторон. ,
3.2. На оба конца куска ткани должно наноситься клеймо.
„ 3.3. Клеймо должно быть прямоугольной формы, иметь размер не более 75×30 мм и содержать наименование предприятия-изготовителя и номер контролера ОТК. Клеймо должно располагаться длинной стороной вдоль кромки ткани на расстоянии не более 50 мм от края среза и от кромки ткани.
3.4. На внешнем конце куска ткани, кроме клейма, с помощью специальных штампов дополнительно указывают:
а) номер куска;
б) наименование ткани, ее артикул и группу;
в) ширину ткани в см;
г) количество условных вырезов и их длину в м;
д) длину ткани без условных вырезов в м;
е) дату выпуска ткани;
ж) номер настоящего стандарта.
3.5. При транспортировании куски упаковывают в мешки из упаковочной ткани с заделкой торцов.
Стр. 6 ГОСТ 1104-69
\
В контейнерах ткань транспортируют без упаковки в мешки.
3.6. К каждому упакованному месту подвешивают товарный
ярлык с указанием: .
а) наименования предприятия-изготовителя;
б) наименования ткани, ее артикула и группы;’
в) номера куска;
г) веса брутто в кг;
д) даты выпуска;
е) номера настоящего стандарта.
3.7. Изготовитель должен сопровождать каждую партию ткани документом установленной формы, удостоверяющим ее качество.
В документе должны быть указаны:
а) наименование предприятия-изготовителя;
б) наименование ткани, ее артикул и группа;
в) номер партии;
г) номера кусков;
д) результаты испытаний по показателям качества ткани;
е) номер настоящего стандарта.
3.8. Ткань должна храниться в помещении, обеспечивающем сохранность ее качества.
/
ПРИЛОЖЕНИЕ
|
Справочная таблица Ткани но ГОСТ 1104 —69 п соответствующие им артикулы по прейскуранту .V 40—11 (изд. 1966 г.). |
||||||
|
I
Группа М68
Изменение № 1 ГОСТ 1104-69 Ткань хлопчатобумажная домести*
{фм 8-
Постановлением Государственного комитета СССР по стандартам от 28.09.81 Л 3804 срок введения установлен
■ _ с 0103 83
Наименование стандарта дополнить словами: «Технические условия»; «Specifications».
Под наименованием стандарта проставить код: ОКП 83 1811.
По всему тексту стандарта заменить слово: «дефекты* на «пороки».
— Пункт 1.1. Второй и третий абзацы исключить;
|
|||||||||||||||||||||||||||||||||||||||||||||||||
|
Пункт !.2 дополнить абзацем в таблицей — 1а: «Для каждой ширины тмин код ОКП должен соответствовать указанному в табл. 1а». Таблица 1а |
|
Шярииа ткани. сы |
Код ОКП |
|
|
Доместик |
89 |
83 181-Т 4020 07 |
|
107 |
83 1811 4010 09 |
|
|
150 |
83 1811 4030 05 |
Издан)
/
Пункт 1.14 исключить.
Стандарт дополнить разделом — 2а (перед разд. 2):
«2а. Правила приемки
2а. 1. Правила приемки — по ГОСТ 20566-75*.
Пункт 2.1 изложить в новой редакции: «2.1. Отбор проб — по ГОСТ 20566-75 и методы испытаний, указанные в табл. 1». .
Пункт 2.2. Заменить слово: «атмосферных» на «климатчческих».
Пункт 2.3 исключить.
Пункты 3.5, 3.6 изложить в новой редакции: «3.5. При транспортировании куски ткани должны быть упакованы в мешки из нетканого тарного полотна по нормативно-технической документации, паковочной ткани по ГОСТ 5530—В1, полиэтиленовой пленки по ГОСТ 10354-73 с заделкой торцов.
Допускается использовать мягкую тару, бывшую в употреблении, обеспечивающую сохранность качества упаковываемой ткани.
В контейнерах ткань транспортируют без упаковки в мешки.
Упаковка ткани, отправляемой в районы Крайнего Севера и труднодоступные районы, должна производиться в соответствии с требованиями ГОСТ 15846-79.
3.6. Маркировка транспортной тары — по ГОСТ 14192-77 с нанесеннец манипуляционных знаков: «Крюками непосредственно йе брать» и «Боится сы* рости».
К каждому грузовому месту прикрепляют ярлык с указанием:
а) наименования предприятия-изготовителя и его товарный знак;
б) наименования ткани, ее артикула и группы;
в) номера куска;
г) массы брутто, кге;
д) дати выпуска;
е) обозначения настоящего стандарта».
Раздел 3 дополнить пунктом — 3 7а: «3.7а. Ткань транспортируют в крытых транспортных средстнах транспортом любого вида в соответствии с правилами перевозок грузов, действующими на транспорте данного вида».
Приложение изложить в ноной редакции:
«ПРИЛОЖЕНИЕ Справочное
Наименование ткани пи ГОСТ 1104-69 и соответствующие им артикулы тканей по прейскуранту М 40- II (изд. 1981 г.):
Наименование тьани Артикулы ткани
Доместик 2355/89, 2355/107, 2355/150»,
(НУС Si \ 1983 г.)
